Fórum témák
» Több friss téma |
Sziasztok!
Szeretnék egy olyan kapcsolást, ami ellenőrzi a 12V 4Ah-s motor akkumulátoromat. Télen jórészt házi használatra, tavasztól, meg a motorban hajtana meg egy index rendszert (12V 2*21W) . A motor nem tölti vissza az akkut, ezért ilyesmire nincs szükség a kapcsolásban. Csak annyit szeretnék, hogy mondjuk egy zöld led ég, amíg jó(vagy akár el is hagyható.) és egy piros kezd el égni, vagy villogni amikor már lemerült az akksi. A lemerült szerintem az az állapot előtt van egy kicsivel, amikor már nem tudná az indexet működtetni( vagyis nem volna már meg az izzók kellő fényereje). Köszi Üdv.
Szia! Itt a HE-n is találsz megoldást a problémára! A feszültségosztó ellenállások értékeinek módosításával be tudod állítani a komparálási szinteket.
Üdv.
szerintem azért ennyire nem egyszerű, mert az akkun csak szakaszos terhelés van.
a terheletlen akku lemerültem is jónak mutatkozik, de ha megterheli 2*21W azt a kis 4AH-s akkut, akkor a fesszintje jó sokat esik.. tehát a kijelzőn is ugyanez látszana, villogna mint az index.. szerintem 2állapotot kenene mérni : egy zenneres referenciát és egy leosztott akkufeszt komparátorra vezetni, úgy beállítani, hogy ha azkkufesz a kívánt szint alá kerül (~11V) akkor a kimenete magas szintre vált. (kb mint ahogy belinkelted) és ezt egy RS, JK, vagy D tárolóban erlárolni, hogy folyamatosan világítson a led, ha már egyszer átlépte a határt az akku.. (ha nem világít, akkor az ember hajlamos elfelejteni, hogy tölteni kellene.. az meg balesetveszélyes...) jah villogáshoz meg legegyszerűbb astabillal egybeépített villogó ledet venni
Egy komparátorral ez megoldható, de a lemerülés jelzését ne a lámpa fényességéhez viszonyítsd, hanem inkább az akku jellemzőihez.
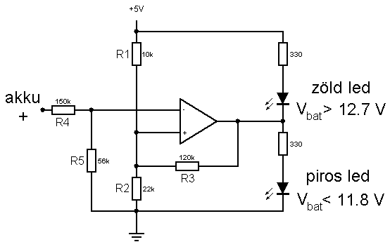
A csatolt rajz egy komparátoros Schmitt-trigger; két bemeneti feszültséget tud megkülönböztetni, egy alacsonyabb és egy magasabb szintűt, ennek ellentéteként billenti a kimenetét. Ha az akksid pl. épp kisütés alatt van (terheled, nincs töltés), csökken a feszültsége, egy adott értéknél pedig (amit az ellenállások arányai határoznak meg) a komparátor kimenete magas lesz, jelzi az alsó küszöbfeszültséget. Ekkor töltőre teszed, de addig nem billen vissza a komparátor, amíg a felső szintet el nem éri a bemeneti feszültség; és amíg a tápot le nem veszed róla, megtartja az utolsó állapotot, nem kell külön tároló. Azt, hogy mekkora a különbség az alsó és a felső küszöb között, az ellenállások arányai fogják meghatározni. A rajzon nincs jelölve, de kell még egy 7805-ös stabilizátor a +5 V előállításához, szűrőkondik stb., és olyan komparátort kell választani, aminek nem kell negatív tápfeszültség (a jelölt értékek egy LM321-hez vannak választva, 3.5 V-os magas szintű kimenetet feltételezve). R1, R2, R3 a billenési küszöböket határozzák meg (beállításhoz lehet potikkal kísérletezni), R4 és R5 pedig úgy osztja az akku feszültségét, hogy biztosan az 5 V-os tartományban legyen a komparátor bemenő jele.
Abban az esetben, ha az indexet fogod használni, vissza nem billenő komparátort ne nagyon használj...
A 2 x 21 watt > kb. 3 amper, ill. a villogás miatt van az 4-5 is csúcsban ( nem izzanak állandóan ) - úgy megszívja a 4 Ah-s akkut, hogy hamar lemegy pillanatnyilag a fesz 10-11 voltra is. Vagy méretezd lejjebb a feszt, vagy tegyél be egy-két RC-tagot a bemenő vezetékbe.
Hello! Én ezt a kapcsolást javaslom. Itt be lehet állítani, hogy mekkora feszültségnél váltsanak a ledek. Van 3 db led. A középső jelzi a normál állapotot. A bal oldali a "hideg" állapotot. Ez a led akkor gyullad fel, ha a feszültség az alá esik, amit a 4,7 kOhm-os potméteren beállítottál váltási feszültségnek. A jobb oldali led akkor gyullad fel, ha a feszültség egy bizonyos határ felé megy. Ezt a határt szintén egy potméterrel be tudod állítani. Ez pl. akkumlátor töltésénél jól jöhet. Egy labortáppal meg egy multiméterrel pontosan be tudod állítani, hogy mi legyen a váltási feszültség. Elég pontos és megbízható kapcsolás.
Szia!
Szerintem jó lesz. Meg tudnád mondani, hogy amit a rajzon bejelöltem az micsoda? Diódának jó az 1N4001?
Persze, diódának jó az 1N4001, és társai. Az a lényeg, hogy 1A-es legyen vagy nagyobb.
Mit jelöltél be?
Sztem ez a rész zavaros. Ez a jelölés azt jelenti, hogy 3 db dióda van sorosan kötve. Azért van így jelölve, mert így kb 2 cm-t megspórolok a kapcsolásból.
Ezek a diódák is 1N4001 vagy társai. Ha kell nyákrajz, akkor szólj és küldök!
Bocs az elején rosszul írtam, a bal oldali (zöld) led jelzi a jó, és a középső(kék) led jelzi az alacsony feszültséget, és a jobb oldali(piros) jelzi a túl nagy feszültséget. Amúgy itt van a nyákrajz ha kell.
Szia!
Köszi a nyákrajzot. Az a rész volt tényleg a zavaros, amit te is bejelöltél, csak nálam nem tudom miért nem került fel. Na mindegy. Köszi Üdv.
Helo!
Nincs mit. Sok sikert a megépítéshez. Üdv. Balázs
Helo!
Persze, autó aksit is elbír. És abban nem mA-ek vannak. Ennek van 6 V-os változata is pl. motor aksijára.
Mennyiből jön ez ki kb Ft-ban?
Meg ha nem nagy kérés írnátok egy"hozzávalók" listát,mert egy kicsit láma vagyok a témában
Alkatrészek:
2*4,7k 2*4,7k trimer potméter 2*10k 1*3,3k 1*1,5k 2*1k 1*22k 1*330 1*270 1*100 3*BC NPN tranzisztor 1*BC PNP tranzisztor 4* 1 A-es dióda (pl. 1N4001) 3* led én kb. 400 Ft-ot fizettem az alkatrészekért, de abból az erős fényű ledek 150 Ft-ba kerültek, normál fényű 5mm-es ledekkel kb. 300Ft
Uhh...Köszönöm szépen !!!
Nagyon rendes vagy!!
Nincs mit.
Ha gond van az építésnél, vagy nem akar rendesen működni akkor szólj bátran. Akár privátban is! Üdv.
A fesz duplázással ,hogy állsz?
Egy kis okítás abban is rámférne!
Köszi!
Már csak annyi kérdésem lenne, hogy akkor mit kell változtatnom, ha csak sima ledekkel( zöld, sárga,piros) akarom használni?( Gondolom ellenállást, de melyiket, és mennyire?) Köszi Üdv.
semmit nem kell változtatni, sima ledre van tervezve, én is csak a látvány kedvéért csináltam erős fényű ledekkel, mint első komolyabb projektemet
Helo van egy ilyen aksitöltöm MACK 119 min 10Ah-max120Ah és nekem valahogy 6v kellene mert 6 voltos aksim van meglehett oldani??????????????
Helo!
Meg lehet oldani. Valahol megvan az átszámolt értékekkel is a kapcsolásom, ami 6V-ra van tervezve. De ha nem is találom meg, haveromnak 100% hogy megvan. Amint tudom elkérem tőle. Alapból hasonló, ilyen dolgokban különbözik, pl. kevesebb dióda stb. Lehet csak hétfőn vagy kedden tudom megmondani az átalakítást, de meglesz. Üdv. Balázs
Helo!
Megszereztem a 6 V-os változatot is. A kapcsoláson rajt van a 12, és a 6 V-os változat is. Üdv. Balázs
Sziasztok.Nekem 5 db 1,2V-os és 2500 mA-os energizer akksiim vannak a modelemben ,szerintetek melyik változatot kellene megcsinélnom a feszfigyelőnek?Vagy valami más rajz van valakinek?
Nagyon megköszönném ha valamelyitek tájékoztatna!
Hello!
Ha jól értem, akkor neked sorba van kötve 5 db 1,2 V-os akksi, ami pontosan 6 V. A 6 V-os változat szerintem jó lesz, az áramerősség meg ennél a kapcsolásnál nem nagyon fontos, mer elvileg autóakksira lett tervezve, és az nem gyenge. Üdv. Balázs |
Bejelentkezés
Hirdetés |









Nagyon megköszönném ha valamelyitek tájékoztatna! 




