Fórum témák
» Több friss téma |
A téma átmenetileg fagyasztva lett, hozzászólni nem tudsz!
Lehet, hogy Arcam Alpha volt lehet, hogy nem. A nevét sem jegyeztem meg, de akkor is ez szólt ott a legjobban. Inkább arra próbáltam kilyukadni, hogy a HEED közepes volt, a Rotel pedig csapnivaló. Egy órát töltöttem el ott, nem ismerem a srácot. Először be se akart engedni, aztán visszahívott, hogy most esett le neki a tantusz és ha Soós Károly vagyok akkor vár szeretettel. (A HEED-at hirdette a másik fórumon, én meg kíváncsi voltam a hangjára mert még soha nem hallottam.)
Én meg viszonzásul rákerestem a HK-ra. Hát mit mondjak... különleges kapcsolás ![]() De örülök, hogy neked tetszik a hangja. A címem ismered, ide küldd majd a tábla csokit : ) Lehet nem olvastad az a részt amikor 2 héten át 12 féle csatolókondi hangját teszteltem a Burgumban. A mostani kísérlet legvégén most már ki fogom próbálni mindkét nyákon ugyanazt a kapcsolást (üvegszálason és ezen műgyantával átitatott papír (?) nyákon). Abban vagyok biztos, hogy amikor legyártatom ugyanazt a nyákot amit előzőleg kézzel festettem, az ónozott, forrasztásgátlós mindig jobban szólt a kókánynál.
És egy kicsit vissza az alapokhoz...
Mit is hallgatunk, amivel szeretnénk, hogy jól szóljon a rendszerünk... Mint írtam a füles sok mindent érzékel. Szóval a felvételek slamasztikájáról... Kedves mentorom említette egy erősítő nem mindenható a szemétdombon. Miről is lenne szó? Az ember kiszolgáltatott, hogy a kedvenc zenéit milyen minőségben tudja elérni. Manapság rengeteg stúdió készít felvételeket. Ki ilyen, ki olyan szempontok szerint. A lényeg, hogy a termékeiket hogy lehet "háziasítani", azaz hallgathatóbbá tenni. Innentől kezdve ez persze egyéni dolog. Tapasztalataim szerint, művészet szétválasztani egy egy hangzáshiba keletkezési helyét a hobbistának. Hálózati zavar, csatorna túlvezérlés, a visszacsatolás hiányossága, stb. Hangsúlyoznám, ezt úgy értem, hogy ez nem az erősítő alapvető hiányossága, hanem a felvételek milyensége, és az esetleges üzemi körülmények negatív háttere. Az teljesen mindegy, hogy a stúdiómunka mért olyan, amilyen. Az is világos, hogy audiofil szemléletből nem tudnák fenntartani magukat. Aki meg a led fényjátékra bukik, meg wireless párti, nem audifil párti. Ennek kapcsán egy-két érdekesség... Van úgy, hogy elkeserít a torzítása, annak amit épp hallok. Elkezdem figyelni, és az ének rendben, ám a háttérben hangszerelés helyett csatornatúlvezérléssel töltik ki a teret. Az emberben az ősi kétely, hogy a rendszere bakizik, nincs meg az erősítési tartalék a csúcsokhoz... Ezt ki lehet buktatni, ha lehalkítja az ember, és ugyanazt hallja, akkor felejtse el a rendszerét, mint hibahely. Hasonló a helyzet a hálózati zavarokkal. Nem az egész hallható tartományban jelentkezik. Mondhatni helye van. A kettő közti különbség, hogy az egyik felvételfüggő, míg a másik elkísér. A legrosszabb a kettő együtt. Összegzés: az erősítő úgy szólhat, ahogy lehet neki.
Jól látom, hogy itt a végfok visszacsatolásában van a hangszín szabályozás? (és amúgy ez is egy sima tankönyvi kapcsolás, nem?)
Nem mindig szólok hozzá, de feltételezem, hogy mivel sokan hallják, ti is halljátok a különbséget egy invertáló, és egy nem invertáló erősítő között (itt elsősorban nyilván visszacsatolt félvezetős erősítőről beszélek). Ennek igazából megvan a technikai magyarázata, szimulációban is kimutatható, és valós áramkörön is mérhető a különbség. Ennek ellenére azt látom, hogy "műveleti erősítő felépítésű" kapcsolásokat használtok, és hallotok jónak, amelyek neminvertáló erősítőként vannak megvalósítva (sokak szerint a "félvezetős hang" egyik oka). Ugyanakkor az interneten fellelhető, hogy az integrált megoldások közül viszonylag jónak tartott LM3886-ot is, többen próbálják neminvertáló módban használni pozitív tapasztalatokkal. Tehát még egy ilyen IC-s végfoknál is előjön ez a dolog. Nem gondolkoztál el még ezen? Ha igen, mire jutottál? (és a kérdés a többiekhez is szól) Néhányan azt is említették hogy milyen ellenállásokkal szól jobban az erősítő. Nos én azt látom, hogy van mérhető különbség amikor ellenállást cserélünk pl. a visszacsatolásban. Nincs ebben semmi misztikus, van amelyik ellenállás kevesebb torzítást visz be, és van amelyik többet. Ezt megint csak gondolatébresztőnek szántam...
Bocsi, hogy belekotyogok...
Nem kell ahhoz nagyon érteni hozzá, hogy az embernek tapasztalatai legyenek. Véleményem szerint minden elért hangzásnak van megépítési háttere is. Én megtapasztaltam, hogy mit jelent egy visszacsatolás elemeinek milyensége. Főleg a kapacitív része. A visszacsatolás línearítását nem árt komolyan venni. Az LM3886 véleményem szerint úgy jó, ahogy van. Volt vele dolgom. De én a gyári ajánlás szerint spéci feszültséggel építettem meg, duál-monóban csillagpontos földhálózattal, árnyékolt vezeték nélkül, tömörvezetékes huzalozással, négy darab pufferrel, dekadikus értékekkel. Kifogástalanul szólt.
Szerintem átugrottál az utóbbi 20-30 hozzászóláson.
Szerintem nem figyelsz eléggé, hogy mi invertáló és mi nem. Emlékeztetőül. Az ellenállások és a kondik hangjáról is volt már szó a Hawskford topikban. A jelútban Wishay-ok vannak (ahová jutott), Kemet és Wima kompenzáló kondik. Csatolókondi nincs. A pufferek most Sprague és Philips... de még sok minden változni fog. A hangszínszabályzós Harman Kardont Ge Lee hallgatja. Kis Cica ma délután több mint négy órán át tesztelte mozdulatlanul az erősítőt.Néha belealudt.
Tovább morfondíroztam a hozzászólásodon cigigyártás közben.
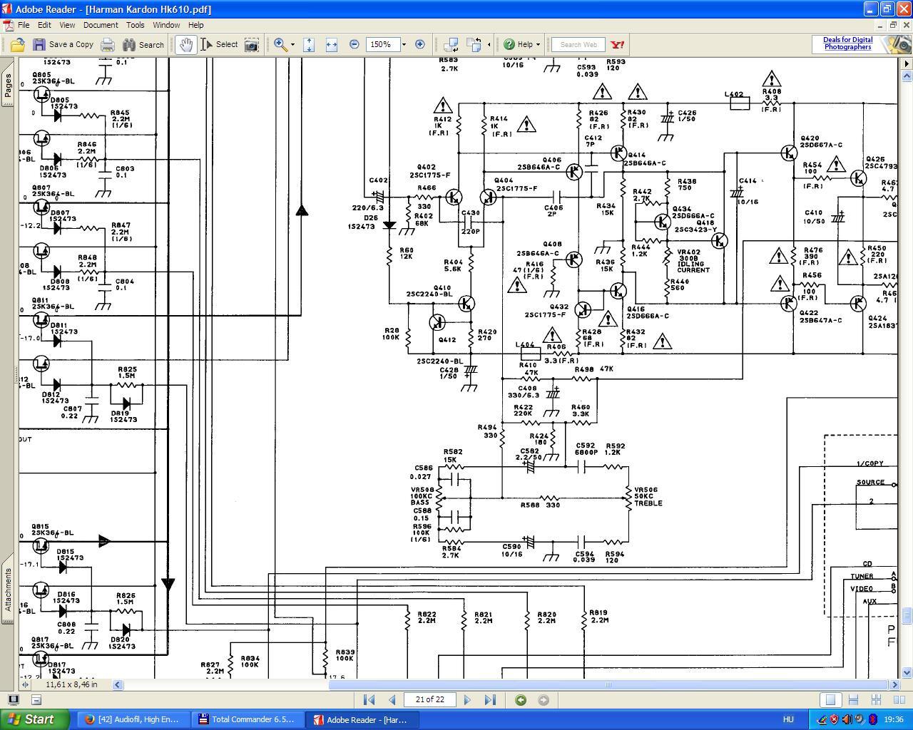
Mit jelent az, hogy "műveleti erősítős felépítésű" kapcsolás? A HK-ban Baji-féle kapcsolás van. Nálam egyszerű komplementer szimmetrikus "folded cascode" > feszültség utánhúzott kollektorú komplementer emitterkövető > hibajavítós buffer (a la Tóth Béla). Hogy asszociálsz ezekből IC-re? A hozzászólás módosítva: Máj 25, 2025
Gyakorlatilag szinte semmi nem jött át akkor, de ez van.
Ge lee berakott egy rajzot, egy olyan erősítőről aminek a hangja szerinted jó (szerinte kevésbé), Te meg beraktál egy másik rajzot arról, ami meg Ge lee szerint jó. Nekem ebben az tűnt fel, hogy mindkettő differenciál erősítős bemenetű, opampokhoz hasonló kapcsolástechnikát használ, és mindkettő neminvertáló módban működő erősítő. Ugyanakkor gyakran hallom, hogy jó fülű, és hozzáértő hallgatók (egyesek "vájtfülűnek" hívják az ilyen tulajdonsággal rendelkezőket) simán meghallják ha a láncba bekerül egy nem invertáló erősítő, a rá jellemző tranziens, harmonikus, és modulációs torzításokkal. Az itt jelenlevők ezt miért nem hallják? Te, Ge lee és mások? Idézet: Ezzel kapcsolatban meg arra céloztam, hogy pl. ellenállások esetében mérhető az okozott torzítás nem az számít, hogy Wishay, vagy valami kínai noname, (vagy az hogy eléggé drága-e, valami szép márkanévvel ellátva) hanem az, hogy mit tesz (vagy nem tesz) a hanggal. Ráadásul a mérhető torzítás, és az ellenállások adatlapi paraméterei között is felfedezhető összefüggések vannak. De ahogyan korábban írtam gondolatébresztőnek szántam, senkit nem akarok semmiről sem meggyőzni. „Az ellenállások és a kondik hangjáról is volt már szó a Hawskford topikban. A jelútban Wishay-ok vannak (ahová jutott), Kemet és Wima kompenzáló kondik. Csatolókondi nincs. A pufferek most Sprague és Philips... de még sok minden változni fog.” Ha feltételezem, hogy a berakott rajzok szerinti gyári erősítők valóban kiválóak, akkor az nyilván nem (vagy nem csak) a kapcsolástechnika miatt van, hanem a benne levő alkatrészek miatt. De bennem az a lehetőség is felmerül, hogy esetleg csak mindketten megszerettétek, vagy csak megtetszett az adott erősítő saját hangzása, ugyanúgy mint ahogy mondjuk egy csöves erősítő, kellemesen torzító hangját is lehet kedvelni. A korábbi munkáidat látva nem tudom elhinni, hogy a most berakott rajzok szerinti erősítők közül bármelyik jobban szólna mint mondjuk a legutóbbi erősítőd. Ránézésre szerintem semmi különös nincs azokon a rajzokon, sem a HK-n, sem az Arcam-on. A hozzászólás módosítva: Máj 25, 2025
Lehet, hogy mindhárman elbeszélünk egymás mellett.
Ge Lee "életútját" végig követve: Volt először a HTA30, mint világ legjobb erősítője. Aztán jött a csöves korszak azzal, hogy soha többé félvetőst nem hallgat. Aztán (szerintem) érezte, hogy valami sz@r van palacsintában és újra elkezdett a félvezetősök felé kacsingatni. Volt az autós végfok ami mindent lealázott, de ez valami miatt hamar eltűnt a színről. Mi már jó ideje kibékültünk egymással és sokat priviztünk. Renget kapcsolással kísérletezett az utóbbi időben és egyik sem jött be. Ami "gyári" erősítőket meghallgatott, a Flow volt az egyetlen (ha jól emlékszem) ami igazán tetszett neki. De az egy vagyon. (És talán a Gauss, de ebben nem vagyok biztos... majd Ő megerősíti vagy megcáfolja). Bennem most amiatt állt meg az ütő, hogy ezt a teljesen kommersz Harman Kardont jónak hallja - arra hivatkozván, hogy Japán alkatrészek vannak benne, meg az alkatrész szinergia. Szerintem nincs olyan alkatrész amivel ez a HK jól tudna szólni. Erre válaszoltam azt,hogy éppen a Japán alkatrészes, szinergikus Rotel szerepelt a legrosszabbul egy nagyon rövid meghallgatáson és a rendszerek gazdája is így hallotta. Az most lényegtelen, hogy Arcam Alfa (ha az volt) mennyivel volt jobb, de tény, hogy a Rotelnél fényévekkel. Aztán ez a srác is eljött hozzám Burgumot hallgatni és nem írom, hogy sírva ment haza, mert azon Ódenka nagyon kiakadna (és még sokan mások). Tudom, hogy az ellenállásoknak van torzítása. Mzperx ezt áldozatos munkával meg is mérte, közzé tette, én meg lopkodom az eredményeket és fel is használtam az előerősítőben és a Burgumban. "mcc" és "shany" is rengeteg energiát ölt már ezekbe a kísérletekbe, csak olvasni kell rengeteg felesleges kísérletet átlépve ezzel. Egyébként ebben a kapcsolásban az ellenállások számát is igyekeztem korlátozni a jelútban (nincs source ellenállás sem). Csütörtök délben szólalt meg ez az új végfok először. Azóta 30-35 órát hallgattam. Írtam, hogy első körben az tűnt fel, hogy magasba húz a Burgumhoz képest és nincsenek olyan mély energiái. Fél nap hallgatás után és másnap reggel ráhallgatva biztos voltam benne, hogy jól hallom. RCA összekötő kábeleket cserélgettem. Szombaton jött egy barátom és elhozta magával a "világ legjobb" interkonnektjét. Bekötöttem, "helyre állt a rend". Csökkent a sziszegés és több lett a mély. De ahogy tovább hallgattam amikor elment, volt benne valami fura. Tegnap reggel betettem a Kalákát és nem ismertem rá az énekesekre. Több Kaláka koncerten ott voltam anno és a Burgumon hiteles volt az énekhang, most meg köze nem volt hozzá. Csak egy jó RCA kábelem van, hát kihagytam a jelútból az előerősítőt. Az egész előerősítő a bemenettől a kimenetig kevésbé színezi el a hangot, mint ez az egy szem vezeték. Ebben biztos vagyok. Így állt helyre a rend. Megjöttek a mély energiák, kitisztult a közép- és magas tartomány. Nem lehet ebbe a hangba belekötni. Tehát kicseréltem a hálózati kábelt : ), hogy erre mit lép. Nem volt drasztikus a különbség a teszkós és csodakábelek között. Vagy már fáradt voltam. De most azt mondanám, hogy ez egy felesleges lépés volt (egyszer majd csinálok egy ellenpróbát). Ami miatt ezt az egészet leírom, az most következik. Ellenállás teszt. Nem volt itthon 10k/68k (a visszacsatolókör ellenállásai) csak Yageo-ban. Beyschlag-ból csak 11k/51k van. Gondoltam beteszem ezeket a yageok helyett. 3dB-lel csökken az erősítés oszt kész... úgyis túl sok nekem ez a 6.8-szoros. Na ezt már fáradtan is meghallottam. Újra elkezdett sziszegni, csörömpölni és elment mélye. Drasztikus volt a különbség és nem a fázistartalék csökkent le ennyire a feszültség erősítő fokozatban, hanem a meghajtás impedanciája. R15-öt (a teljes kapcs. rajzon R15) megnöveltem 150R-ről 270-re és újra helyreállt a rend. Talán egész más dolgok is vannak itt, nem csak alkatrész szinergia meg az ellenállások torzítása. Legalábbis ezzel a végfokkal most ez a helyzet. Ha a buffer fokozat meghajtó impedanciáját csökkentem (szorul a hurokerősítés) romlik az impulzusátvitel. Négyszögjeles méréssel, kapacitív terheléssel ezt ki lehet mutatni. Tehát még ezt-azt át kell gondolni. Szimulálni, mérni, hallgatni (úgy mint máskor is). Mindenesetre ez a végfok - most ebben a formájában is - valóban jobban szól a Burgumnál. Megvannak ugyanazok a mély energiák, de sokkal tisztább mindenben és jobb a felbontása.
Nem nagyon értem a szavaidból, hogy most akkor az invertáló vagy a nem inevrtáló módot kellene-e jobbnak hallani, a szigorúan technokrata megközelítés viszont látszik amibe még mindig bele vagy ragadva.
A legelső gain clone amitől világszerte el voltak ájulva állítólag a Thorsten Loesch féle volt, csatolom a rajzát, ez ugye az adatlapi nem invertáló ajánlással ellentétesen invertáló. Kiemeltem egy részt a szövegben a képen, de linkelem is az oldalt ha el szeretnéd olvasni. Ez a rész már a Karesz-nak is szól. Úgy látszik, csak nekem tűnik fel mindig nála egyfajta érdekes, "féltechnokrata" hozzáállás. Amit meg tud magyarázni műszakilag azt igyekszik minél alaposabban, amit meg nem annál vagy homokba dugja a fejét vagy jön a miszticizmus, pedig szerintem ez a dolog amit nem tudunk egyelőre megmagyarázni se nem műszaki, se nem misztika, pontosan ez az az általa el nem fogadott szinergia. Azt még ős is elismerte a HTA-s küszködésem idején, hogy ahány építés az annyi féle képpen szól. Ez nálam is pontosan így volt, tehát legalább ezt fogadjuk el ténynek. Ha a kapcsolás ugyanaz (és szigorúan ugyanaz) minden esetben, akkor ugye, az eltérő hangzást semmi más nem okozza, mint az eltérő alkatrészek. Aztán ezeket az eltérő alkatrészeket már lehet magyarázni műszakilag is meg szinergiával is. A műszaki magyarázattal csak annyi a baj, hogy sántít. Azért sántít, mert nem egy esetben fordul elő az, hogy adott kapcsolásban, adott helyen pl. jobb egy mezei ócska szénréteg ellenállás mint egy precíziós, mert jobban szól vele a kész végfok. Ezt nem egy esetben tapasztaltam. Vettem 0,1%-os ellenállásokat, megmértem pár értéket a 6,5 digites multiméteremmel, és az jött ki, hogy 8 és 20ppm közt szórtak. Meg megmértem a szénréteget is, az meg hozta az adatlapi 200ppm körüli értéket. Na most akkor százezredszerre is felteszem a műszaki kérdést, hogy akkor mitől szól jobban egy egy kapcsolás, ha adott helyen a sokkal rosszabb alkatrész van benne??? Mert ugye, ebből elvonhatnám azt a tanulságot is, hogy akkor a szénréteg ellenállás jobb. Nem jobb, tehát nem műszaki oka van annak, ha valami jobban szól tőle, hanem más. Másik. Karesz szépen kicseréli a yageo ellenállásokat vishay-ra, majd konstatálja, hogy azokkal jobban szól egy adott valami. Utána meg is magyarázza talán adatlappal, hogy mert az az ellenállás jobb. Igen, és itt vége is a történetnek, mert onnantól viszont jön a strucc effektus. Ahogy a yageo-t nem jegyzik sehol sem a jó ellenállások között, pont ugyanúgy nem jegyzik a vishay-t sem. De, ha netán valaki számon kéri, hogy miért nem próbál ki ugyanoda egy Allen Bradley, Amtrans, AN, Duelund, Kiwame, Mills, Mundorf, Shinkoh, Takman stb. ellenállást amiket nem általános felhasználásra, hanem kimondottak audio célokra fejlesztenek, akkor olyan válasz jön, hogy hát azok biztos nem jobbak a sokszoros áruk ellenére sem, meg átverés és hasonlók. Tehát, megint úgy van vélemény valamiről, hogy ki sincs próbálva. A hozzászólás módosítva: Máj 26, 2025
Hogyan lehet egy hangerőszabályzó poti lineáris, mit nem látok át? : -)
Miért lenne rosszabb egy ellenállásnak bármilyen váltóáramú tulajdonsága attól, hogy abszolút értékben kevésbé pontos? Vagy nem ez volt a lényeg, csak nem értettem meg? Én is hallottam ezt egyébként, hogy szénréteg ellenállásokkal megépítve más hangja van egy erősítőnek ("lágyabbat" emlegettek, de ezekre már nem adok). Az ellenállás kivitelében azonos anyagok esetén is lehet különbség: az indukciószegény ellenállásokat pl. nem köszörülik spirálban, másként trimmelik, meg ilyesmik. Nyilván hatalmas már a gyártástechnológiai megoldások tárháza, szóval a konkrét ellenállásértékkel biztosan nem sikerül megfejteni, ha tényleg másképp szólnak bizonyos áramköri pozíciókban. Jut eszembe: a zaj is egy konkrétan mérhető valami, arról szokott információ lenni. Egyébként SMD-ben is vannak kiváló alkatrészek, a méretük sokszor és sokféleképpen jár előnnyel.
Először is, a HK-ban nem baji féle kapcsolás van. A baji féle kapcsolást legelőször a Hitachi találta ki, amit jó magyar szokás szerint lebutítottak, bele tették az audio fetek helyett az IRFP-ket, és hintették az igét hogy az milyen jól szól. Kicsit sem szólt jól...
A kapcsolás tranyós változata nagyon sok gyári erősítőben megtalálható, most nem állok neki rajzokat keresni, de Yamaha, Crown, Pioneer, Luxman, stb. illetve az a kapcsolás van az AVR sorozatú HK-kban is. A 610-es kapcsolása ezektől sok mindenben eltér, ott van mindjárt a Q408, eltér a kompenzálásokban (C406), eltér a visszacsatolásban, és eltér abban is, hogy míg azokban csak dupla, addig ebben tripla kimeneti fokozat van. Na meg eltér abban is, hogy én hallottam azokból is néhányat szólni, meg hallom ezt is, és ég és föld. Azt már csak halkan mondom, rám írt egy illető, neki is van vagy 4db, azt mondja, ő elvitte egy helyre ahol többek között Luxman M02 is volt (avx-en fél milláért vesztegetik használtan), meghallgattak több számot, 2 számnál tűnt jobban a Luxman, az összes többiben pariban volt vele a HK. De mint mondtam, semmit sem kell nekem itt bizonygatnom, hallgasd a burgumot én meg hallgatom ezt.
Erre nem tudok mit mondani, nekem sosem volt GC-m, hallottam LM3886-ot szólni, nekem az szintén a gyorsan felejthető kategória volt. Engem már a legkevésbé sem érdekel ki mit mond vagy mit tart jónak, én a saját fülemnek hiszek, mert azzal hallom amit hallok, nem más írásaival.
Az SMD cuccokkal nekem eddig csak negatív tapasztalatom van már ha audióról van szó, nyilván, egy pákaszabályozóban ott előszeretettel alkalmazom, mert jóval kisebb nyákot kell hozzá rittyenteni.
Nem tudtam már módosítani. Még a Flow One-ról. Sajnos, nem volt módom ugyanazon rendszerben hallani a kettőt, mert azt ott hallgattuk a Sonus Faber dobozokkal ami szerintem a jótól nagyon messze van, de amit ott akkor hallottam azt nem cserélném le a HK-ra. Ezzel nem azt mondom, hogy a HK jobban szólna mint a Flow One, mert azonos rendszerben kéne meghallgatni a kettőt.
De, tökéletes példája volt a megérzéseimnek amik nem szoktak becsapni. Ezért nem vennék többek között soha 5 millióért erősítőt, mert 100% hogy rosszul jönnék ki belőle. Annak 3,1 millió körül volt az új ára, és pár hónap után már 2 millióért sem tudta eladni, ha jól tudom azóta sem adta el. Ennek a HK-nak meg 20-25 ezer volt darabja, annyiért ma már egy trafót sem kapsz, szóval ezen nem buknék nagyot ha el akarnám adni, de nem akarom, mert eddig vert mindent, annyi, hogy nincs olyan nagy tere mint egy csövesnek.
Gondolom arra gondolsz, hogy a hangerő poti logaritmikus szokott lenni. Ez érthető, mivel felére tekert lineáris potméter csak felére csökkenti a jelszintet, de itt ha megfigyeled, a poti 100 kOhmos és a leszedő érintkezője 10 kOhmmal van terhelve (az erősítő invertáló bemenete virtuális földpont).
Ha mondjuk a jelforrás kimeneti ellenállása nagyon kicsi, akkor egy 100 kOhmos lineáris potméter középállásban és 10 kOhmmal terhelve a terheletlen -6 dB csillapításhoz képest nagyjából -17 dB csillapítást ad, ami csak 3 dB-lel marad el egy logaritmikus poti -20 dB-jéhez képest. Persze ennek ára is van, mert nem lehet a poti kopott, retkes. De más baj is van vele. A leszedő érintkező és az ellenálláspálya között van egy parazita ellenállás, amin ha elég nagy hangfrekvenciás áram folyik, érvényesülni fog a "rossz minőségű ellenállás" szindróma. Azaz, amit nyerünk az invertáló erősítő jobb hangján, azt elvesztjük a potméter leszedő érintkező átmeneti ellenállásának véletlenszerű változása miatt. Egy potméter akkor viszi be legkevesebb a torzítást, ha az utána következő fokozat bemeneti ellenállása sokszorosa a potméter leszedő érintkező és ellenálláspálya közti átmeneti ellenállás bizonytalanságának. A hangszín szabályzót is részben ezért kerülik a hifisek, mert rosszabbul szól tőle az erősítő. Itt meg is ragadnám ezt a vonalat, mert véleményem szerint nem az okozza a gondot hogy a nem rezisztív tagok káros fázishibát visznek be, mert egy hangsugárzó ezt ezerszeresen is nagyobb mértékben teszi, hanem az említett kontakt bizonytalanság miatt. Még pontosan középre állított hangszín potméter esetében is. Sajnos a hangerő és hangszín szabályzó használatát nem lehet elkerülni, mert az mindenképpen bekerül a jelútba. Ha nem is az otthoni hangrendszerben, de a hanganyag rögzítésénél mindenképpen. Természetesen lehet az említett hibával nem rendelkező ilyen célú kapcsolásokat csinálni, de az most nem ide tartozik.
Köszönöm, ezen sem gondolkodtam még el ezelőtt, de világos. : -)
Készíttettem egy grafikont a játék kedvéért. Állítólag a logaritmikus hangerőszabályzó poti sem teljesen logaritmikus, így a grafikonja attól furcsa, hogy a 10%..-40 dB és az 50%..-20 dB pont az két, elvárásoknak megfelelő, fix pont, közte meg megpróbál logaritmikus lenni, ezért törik többször is. Nem tudom, mennyire van ez így a gyakorlatban, de a fenti állítások szerint a hangerőszabályzó potik inkább gyártófüggő gyakorlati értékeket követnek, mint a pontos log függvényt. (És nem elegáns, hogy van rajta nulla alatti tartomány, de kicsire nem adunk.) Kérdés, hogy a boltban minden logaritmikus poti hangerőszabályzó-e - mondjuk, ez nem valószínű. : -) Lehet, hogy csak én nem tudtam mindezt. És lehet, hogy ez off itt és most. Idézet: „Karesz szépen kicseréli a yageo ellenállásokat vishay-ra, majd konstatálja, hogy azokkal jobban szól egy adott valami. Utána meg is magyarázza talán adatlappal, hogy mert az az ellenállás jobb. Igen, és itt vége is a történetnek, mert onnantól viszont jön a strucc effektus.” Az előerősítőnél történt konkrétan az, hogy a Yageo-s paneleket "leesmdéztem" és nagyjából hetente cseréltem ki egy-egy modult. És mindegyik modul jobban szólt SMD ellenállásokkal, ha Wishay, ha nem. Így is több-százezrembe került az az előerősítő nem voltam hajlandó még többet rákölteni. Ma reggel viszont azt írtam, hogy romlott a hangja az ellenálláscsere után, mert lecsökkent a VAS kimeneti impedanciája. Még semmilyen komolyabb ellenállás csereberénél nem tartok. Mellesleg éppen te voltál aki azt írtad nekem, hogy, hogy akarok én a két forintos semmirevaló yageokkal jó hangú erősítőt építeni. Akkor vettem a Wishay-okat. Most meg azok is sz@rok : ) Ha Allen Bradley-t tennék bele akkor - téged ismerve - azokat szapulnád. De szerintem alapvetően nem az ellenállásokon fog múlni egy adott végfok hangaraktere, hanem a kapcsoláson, a nyákterven, tápegységen, vezetékezésen... és még sok egyéb apróságon. Mértem most egy TDH-t. Ha növelem a visszacsatolási tényezőt, nyilván csökken a THD. A kisebb THD-jú változat a drasztikusan hallgathatatlan (magasba húzós, mély hiányos). Tehát a THD-ból semmire nem lehet következtetni a hangzást illetően. De ezt eddig is tudtuk (néhányan). Azt a homokba dugásos hülyeségedet egyáltalán nem értem. A csokit meg nem fogom elfelejteni amikor sarokba vágod a HK-t : )
Meg még... mivel van autóm és én nem félek vezetni, bármikor elmegyek hozzád Burgumostól, deszkamodellestől és akkor megspórolunk hat oldalnyi felesleges szócséplést. Most jöhet az a rész, hogy nem érsz Te rá ilyesmire...
Lehet technokrata hozzáállásnak nevezni, de egyre több dolog válik mérhetővé, és egyre több jelenségre lesz/van technikai magyarázat. Az általad linkelt cikkben is az invertáló erősítőt tartják jobbnak, a valódi oka más mint amit a cikkben írnak, de van rá logikus magyarázat, és mérésekkel is alátámasztható. Egy diff. erősítős bemenetű erősítő fokozat (vagy akár egy sima opamp is) nagyobb torzítású neminvertáló erősítőként, mint invertáló módban. Aki épít erősítőket az ki tudja próbálni, őssze tudja hasonlítani, hogyan szól invertálóként és nem invertáló erősítőként. A különbség mérési eredményeken is látszik (na nincs más, ennél nagyobb torzítás a rendszerben, ami elfedi). Biztos, hogy nagyobb különbség, mint mondjuk egy ellenállás csere hatása.
A neminvertáló erősítő torzítási problémájával nem csak audió áramkörben találkoztam, hanem más preciziós (műszer)erősítőnél is előjött már, hogy nem mindegy... Aki azt állítja, hogy meghallja az ellenállások - kondenzátorok minőségével összefüggő hangzást annak ezt is "illene észrevennie". Vagy visszajutunk oda, hogy ugyanazért tetszik, amiért a csöves is, azért mert torzít... innentől meg igazából ízlés kérdése, hogy kinek mi tetszik. Idézet: Valahol akkor elvesztettem de nagyon a fonalat, mert voltatok itt páran akik ennek az ellenkezőjét állították, és állítják a mai napig. „Tehát a THD-ból semmire nem lehet következtetni a hangzást illetően.” Épp a múlt héten olvastam erről, hogy a lazább visszacsatolású végfokok hangja fülre jobb, de nem mentettem el most meg nem találom. A hasonlatot meg arra értettem, hogy vishay-t köll venni mert az jobb, de mondjuk annál jobbat (a fentebb felsoroltakból) meg nem köll mert az nagyon drága, meg biztosan nem is jobb, csak pénzlehúzás. Legalább is akinél rákérdeztem mindig ez volt a válasz, meg nálad is ha jól emlékszem.
Tőled is kérdeztem ezt már, akkor sem kaptam választ, most sem fogok, de azért hátha...
Van két mondjuk egyforma torzítású erősítő, az egyik jól szól a másik nem (nem szerintem, hanem mondjuk pár ember egyöntetű véleménye alapján, tehát feltételezzük hogy nem süketek). Mi a magyarázat? Vagy mivel magyarázod amit a Karesz az imént írt? Miszerint a szorosabb nvcs (kisebb torzítás) hatására nem javul hanem romlik az erősítő hangja? Igen, tetszik, hogy torzít. Kb. 0,008%-ot, feltettem e mérést nézd meg... Tévedés, nem, nem ízlés kérdése! Van olyan is! Én ezt nem az ízlés kedvéért hallgatom, hanem mert jóval élethűbb hangzást produkál az eddigi erősítőimnél! Mit nem lehet ezen megérteni??? Ennél érthetőbben nem tudom leírni! Befejeztem, okoskodjatok tovább...
Megint nem a vita, meg meggyőzés miatt, csak elgondolkodtatónak.
Shany fórumtársat juttatod az eszembe, aki felvetette, hogy mindenkinek van saját elképzelése a jóról, meg ehhez saját rendszere is. vishay-t nem köll, kötelező venni, csak lehet. Az extra sem kötelező, csak lehet annak, aki az eredményére kíváncsi. Aki meg nem próbál ki valamit, az ne véleményezze, mert ez olyan gyerekes. Persze, ha ez megtörtént sem biztos a véleményazonosság, mert másképp vagyunk "programozva" ehhez. Tegnap kínomban, elégedetlenségemben átmentem a rádióról a youtubra jobbat hallgatni. Az általam ismert legjobb ehhez az extra kiadású Patricia Barber Higher-je. Meg is nyugodtam attól, amit hallottam. Aki ült már felhajtott zongora előtt az sem biztos, hogy így hallotta a húrokat szólni. Szinte beléd bújik, amit hallasz. Persze, ha mondjuk Burson V6 Classic van a DAC-od kimenőfokozatába, és mindenhová Dale CPF ellenállásokat használsz. Beleértve a mostani hibridemet. És nem cserélném szénre, mert nem érzem elég élethűnek, hanem kap majd egy jobb csövet, és szerintem így már jó esélyem van arra, amire vágyok. Az LM3886-ról... Ha neked nem tetszett a hangja, akkor szerintem az nem volt jól megépítve. Mint írtam, a gyári adatlapjában szerepel az extra verzió, valamivel kisebb teljesítménnyel.
Ezt le lehet csökkenteni elhanyagolható mértékűre utánhúzással is. Pl.:
https://www.ti.com/lit/ds/symlink/opa1656.pdf
Azért mert torzítás alatt valószínűleg THD-t érted. Csakhogy sokféle torzítás jön létre egy erősítőben, nem csak THD. A negatív visszacsatolás változtatásával nem csak a harmonikus torzítás változik, hanem a négyszögátvitel, sávszélesség, fázismenet, kimeneti impedancia, tranziens torzítás, az IMD, és még sok más paraméter is. Nem tudsz két erősítőt úgy egymás mellé tenni, hogy csak és kizárólag a THD a különbség a kettő között.
A "túltolt" negatív visszacsatolás gyakran nagyobb tranziens torzítást okoz (de ez egyéb dogoktól is függ), talán ez is lehet egy magyarázat. Viszont a negatív visszacsatolás nélküli erősítők szerintem már a "ló másik oldala". Az hogy "a torzítással nem jellemezhető egy erősítő" elég hanyag megfogalmazás, és itt nyilván megint a THD-ről lehet szó, csak akkor azt kellene írni. Pl. az IMD jobban jellemzi, hogy jól fog-e szólni az erősítő, nem véletlen a mostanában gyakran alkalmazott 19kHz+20kHz kétjeles mérés, és a sokjeles (16...32) IMD mérések. Ilyenből keveset látok itt. Amikor változtatunk egy erősítőn és megállapítjuk, hogy jobb vagy rosszabb lett, és ezt nem csak egyszerűen tudomásul vesszük, hogy ez van, hanem keressük is a magyarázatát: akkor nem elég csak THD-t mérni, mert igen nagy eséllyel más paraméterek is változtak. A THD mérés a csöves erősítőkkel együtt jelent meg, és ott viszonylag használható is volt amikor két olyan erősítőt kellett összehasonlítani ahol a 0,1% alatti torzítás már kiemelkedően jónak számított. Egy félvezetős erősítő viszont nagyobb intermodulációs és tranziens torzítást produkál, ezért kevés a megítéléséhez az, hogy alacsony legyen a THD, mert alacsony THD mellett is lehet magas az IMD. Ilyesmi egy csöves erősítőnél nem valószínű, és ez összefügg a visszacsatolás mértékével is. Tehát manapság több paraméternek kell egyszerre jónak lennie....
Igen, de nem egyszerűbb invertálót használni (már amikor lehetséges)?
Nyilván, amióta megtalálták ezt a torzítást, azóta találtak rá megoldást. Kérdés, hogy az LM3886-ban megoldátták-e?
Nem biztos, hogy mindent meg kell oldani...
Jeff Rowland gond nélkül pakolta több erősítőjébe is az LM3886-t, és kért el 10-20.000 EUR-t értük: https://www.hifi-advice.com/blog/jeff-rowland-power-amplifiers/jrdg...d-112/ https://www.hifi-advice.com/blog/jeff-rowland-integrated-amplifiers...tra-2/ Pont van is egy eladő az AVX-n: "...zseniális hang! Energikus, ám hihetetlenül árnyalt finom hangú darab...." https://avxforum.hu/forum/viewtopic.php?f=32&t=216699&p=295...951637 A hozzászólás módosítva: Máj 26, 2025
Úgy emlékszem ( azt olvastam ), hogy nem invertáló az összes egység. A fenti linken látható közeli képről is ez jön le nekem, de valóban nem láttam szervízkönyvet vagy egyéb erőteljesebb bizonyítékot...szóval bármi lehet.
Kivéve, hogy ezen erősítők "hangjának" az LM3886 a kulcsa |
Bejelentkezés
Hirdetés |




















