Fórum témák
» Több friss téma |
Fórum » Autórádió (fejegység) problémák, kérdések, válaszok
Témaindító: angel83zs, idő: Máj 14, 2006
Témakörök:
Sziasztok . Van egy ford escort gyári kazettás rádió. ami aksi csere után kérte a kódot meg is adtam be jönne a rádió csatornák de sajnos hangot nem ad ki, valakinek van ötlete? köszönöm.
A hozzászólás módosítva: Máj 24, 2014
Most nézem, ebben olyan hülye IC-k vannak aminek még adatlapjuk sincs. Majdnem minden IC szinte ugyanazzal a számmal kezdődik, még azt se tudom megmondani, hogy hány wattos volt a rádió, nem hogy a feszültségeket ellenőrizni. * gyártmány, menni fog a kukába...
A hozzászólás módosítva: Máj 26, 2014
Sziasztok!
Sajna a kenwood rádióval még nem volt lehetőségem foglalkozni, de most lett egy Pioneer DEH-P5650MP aminél az a hibajelensége, hogy be van kötve a fesz mindenhol ahogy kell, a CD rés alatt világít a LED, de semmire sem reagál. Nem tudom, hogy hol lehet a hiba. Valaki esetleg találkozott Pio rádiónál ilyen hibával?
Szevasztok!
Egy Medion MD4163-al küzdök. Ismeri é valaki, esetleg rajz vagy térkép róla?? Köszi
Sziasztok! Olyan problélmával fordulok hozzátok hogy egy barátom megkért, alakítsam AUX bemenetessé régi BMW Business RDS Kazettás magnóját. Egy netes leírást követtem ami mondjuk sok újat nem mondott mivel csak arról szólt, hogy a TDA 7313-as ic (3 csatornás) L2, és R2 lábára valamint a ground-ra kössem a jack anyuka megfelelő lábait, a kazetta olvasó valamint erősítő egységét meg szanáljam. meg is történt, forrasztás, és a csatik kihúzását követően élesztettük a rádiót, a kódot beírtuk, majd semmi. ha a jack Left és Right részét bekötöm szól! (gondolom ilyenkor csak a két sáv közti különbséget erősíti ez hallatszik is a hangján, amint csatlakoztatom a testet elhallgat.
Mi lehet a probléma? (a gnd közös a készülékházzal de az ic-re kötöttem, elég szépek a forrasztások, kimértem nem kontaktor, zárlat nincs! (amúgy labortápról működik most és a két front hangszóró van bekötve.) válaszotokat előre is köszönöm. Üdv. Norman
Nem szokta szeretni ha nem féltápon van a bemenet.A bemenetekre raktál kondit, ill a magnóét meghagytad?
nem mivel van benne dolby mód és szépen szűrte a zajt. csekkolom remélem ez volt a gond
szerk: amúgy a kocsiban sem működött újabb szerk: mit értesz az alatt hogy a magnóét meghagytam e? egyszerűen ráforrasztottam a három kábelt az erősítőre, a kazettás rész ment a levesbe, annyiban kavarja meg a dolgokat hogy erősítő nem lévén egy error felirat van a kijelzőn használat közben. A hozzászólás módosítva: Jún 8, 2014
Üdv!
proba szerintem arra gondolt, hogy az IC (TDA7313) bementeire (L2 és R2 ahogy írod) tettél-e soros kondit? Pl egy-egy 1µF 16V a lábakra és arra pedig a jel a jack-ről. Kell oda kondi, ha a eredeti kondikat is kivetted.
nem vettem ki kondit, egyszerűen csak rákötöttem a jacket, de láttam hogy rakott a fószer a neten, viszont azt hittem csak szűrni kell a jelet, viszont mindjárt kipróbálom 3.3 µF 50Voltos jó?
Sziasztok!
Hozzám került javításra egy SELTRONIC KSD 4000 típusú DVD-s fejegység. Nem kapcsol be, csak a reset funkcióra reagál annyival, hogy az előlapot mozgatja ki-be, de azt sem végállástól végállásig, hanem kb félúton mozog. külsőleg égés, egyéb sérülés nem látszik a nyákján, gyakorlatilag elakadtam a probléma keresésében. Egyik hazai, ugyancsak elektronikai fórumon találtam témát hasonló problémával, de ott sem adtak egyértelmű választ, de az is lehet, hogy csak nekem nem egyértelmű. Valaki ismeri a készüléket, illetve volt már valakinek hasonló gondja?
Sziasztok,
Egy olyan kérdéssel fordulok felétek, hogy véletlenül egy régebbi CD-s LG fejegység hangszóró kimenetének 2 lábára feszültség került egy kb. 10ms-re. Annak rendje és módja szerint szépen felforrósodott és hangot már azóta nem ad, de maga a fejegység működik. Van rá esély, hogy még meglehet javítani vagy dobhatom ki? Köszönöm!
Van esély rá valószínű a végfok tönkre ment benne .Csere után jó lesz.
Hali!
Végig mértem mindent amit írtál és minden fesz stimmel! A 2-es lábat is testeltem, de akkor sem megy. Esetleg más ötlet?
Kicsit vissza kellett olvasnom az előzményeket , mert már nem emlékeztem mi is volt.Na szóval végfok nélküli készülék is produkálta a hibát .De még is kimeneti körben lehet a hiba , mert a hiba jelzés erre utal.
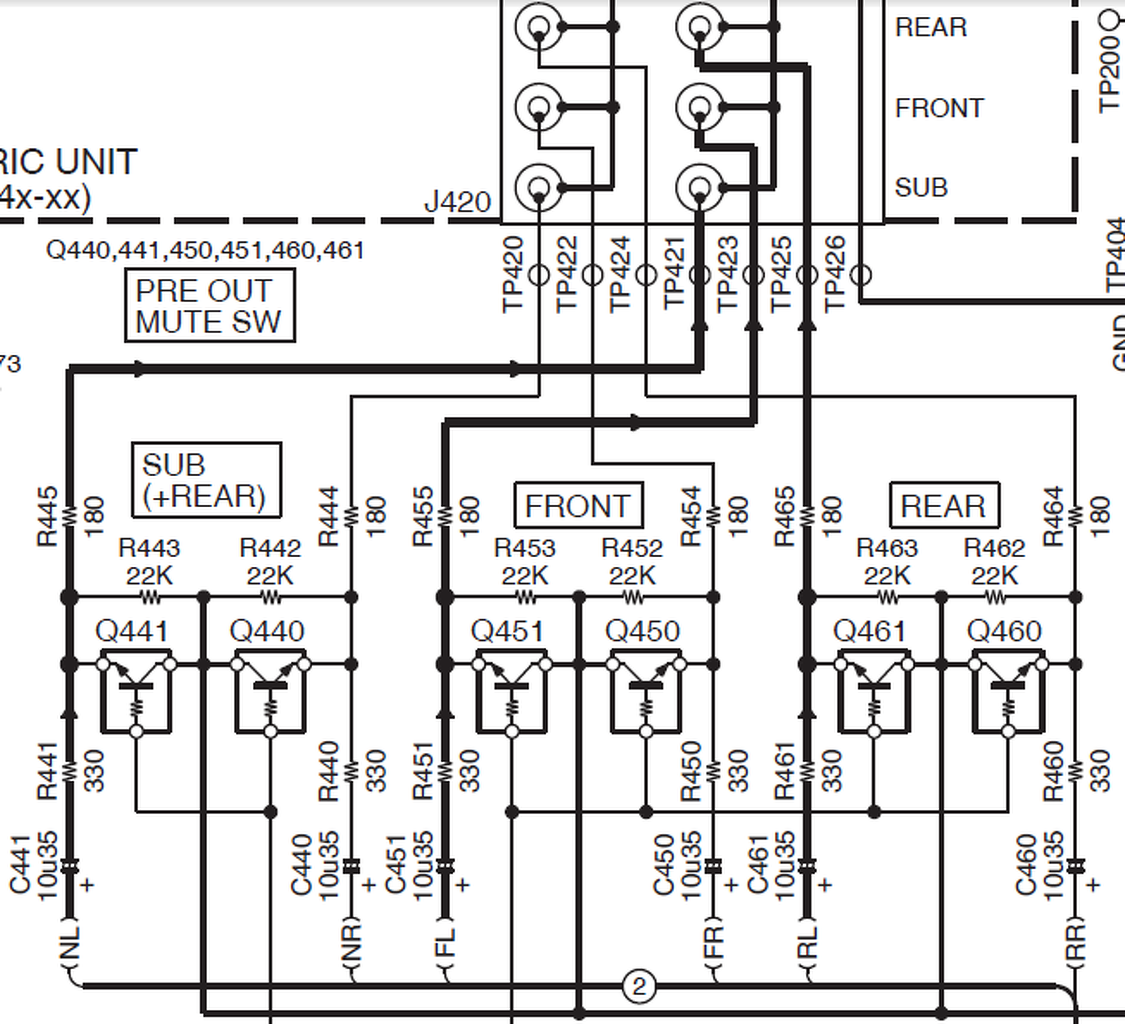
Teszek fel egy kép részletet , ezt az áramköri részt kellene tüzetesen kimérni. Ugyanis , mivel nem volt benne végfok valószínű , azért mert tönkre ment , vagy rövidre zárt kimenet miatt , vagy bármi , de elképzelhető , hogy a kimenet előtti tranzisztorok közül is tönkre ment valamelyik , illetve a körülöttük lévő alkatrészeket is ki kellene mérni.
Itt miket mérjek, mert nem vagyok profi műszerész, csak hobbi. Az IC alapból leégett valamiért, de kivették és mivel nem tudtak szerezni bele így az előző tulaj anélkül adta el, de IC nélkül is protect villogott csak, semmi több.
Ha tudnál pár támpontot adni hol mit mérjek akkor azt nagyon megköszönöm! Pl, ott a TP423-424-425 stb pontokon mit kellene mérni? A hozzászólás módosítva: Jún 18, 2014
A Q441-440 , a Q451-450 , a Q461-460 tranzisztorokat kellene kimérni .A végfok elhalálozása miatt , vagyis ami ok miatt tönkre ment az tönkre tehette ezen tranzisztorok bármelyikét is.
Így ha ezek közül valahol zárlat van, akkor az tiltja le a rendszert.
Na majd holnap kimérem őket. Addig is köszi!
Elképzelhető , mert , ha megnézed a rajzot ezek a pontok a végfokhoz mennek , és ha esetleg a végfok úgy ment tönkre , hogy arra felé nem kívánt feszültségeket juttatott , akkor meg van rá az esély , hogy lesz ott zárlatos tranzisztor.
Üdv!
Az lenne a kérdésem , hogy valaki látott már ilyen csatlakozót , ami a képen a bal oldalon van?Utána néztem , és elvileg ezek az rca kimenetei a rádiónak ha nem tévedek. Valaki nem tudná megmondani , hogy hol tudnék beszerezni ilyen csatlakozót hozzá?
Szabvány mini-ISO, nem?
Ha nem tévedek akkor ez egy pioneer rádió, és igen, akkor az a fehér csati az rca kimeneteknek van.
Elvileg ilyen kell hozzá, de ez attól is függ hogy mit tud a rádió, mert van több féle is.
Kimértem a 6 tranyót és egyik sem zárlatos.
![]() Dióda mérésre állítva annyi volt hogy a Q440 és Q441-nél ha a fekete zsinór volt az egyke lábon és az volt felül, a piros a bal alsó lábon, akkor 1500-at mutatott a műszer, a másik 4 tranyó esetén így 1200 volt. Ha úgy mérem hogy bal piros jobb fekete, akkor is ugyan így jönnek ki a számok, hogy 1500 és 1200. A hozzászólás módosítva: Jún 19, 2014
Az a gond az ilyen mérésnél , hogy ha áramkörben méred , akkor be kavarhat sok minden más is .Általában kiszokták venni , és úgy mérni az a biztos.Az 1500 az nagyon sok csak magában az ilyen fajta tranzisztorok mérésének az értéke úgy 500-800 ohm közzé tehető .És a lábak nem csak egy irányban mérendők hanem oda vissza , és a bázishoz képest csak egy irányba szabad tudnod mérni vissza felé nem.Ezen mérések tranzisztor típus függőek , mert vannak belső diódával védett tranzisztorok stb stb stb , ezek mérése is kicsit más , de utána kell nézni a tranzisztor típusának , és már meg is lesz a helyes méréshez tartozó adat.
Igen tudom hogy ki kéne őket venni, de csak ebben a két irányban volt érték, minden verziót próbáltam, minden polaritással. Amúgy az IC az KRC410-P tipusú, és a rajza szerint egy ellenállás van benne a bázison, ami elvileg 4,7k.
Lehet kiveszem őket és megpróbálom úgy a rádiót hogy mit is reagál. Van forrólevegős forrasztóm így annyira nem lehet nagy gond a kivétel.
Szerintem kapcsold be, és mérd végig a végfok lábait.Ha nagyon elkeseredett vagy, válaszd le a a mute, STB lábakat, köss rájuk 1k-n keresztül 5V-ot.Ettől elvileg beindul a végfok a rádiótól függetlenül. Hangszórók nélkül a kimeneteken a testhez képest kb 6V lesz, a bemeneteken meg 3-6 V ig valami, de mindegyiken ugyanannyi.Bármelyik eltér már célirányosan kereshető.
A hozzászólás módosítva: Jún 20, 2014
Teljesen új benne a végfok és semmi melegedés nincs, és a protect az végfok nélkül is kint volt. Az STB az melyik lábakat jelenti még?
Én azt néztem ki belőle, a diagnosztika lábon mindenféle tüskéket vár a processzor. Ezt egy végfok nélküli végfok ritkán tudja produkálni, tehát jogos is lehet akár a PROTECT.
Egyébként ritkán előfordul a panelen is zárlat a végfok után. (bár ebben sem védődiódát, sem kondenzátort nem láttam a kimeneten) Ami még felmerül bennem kérdés, ha egy elkötés miatt szállt el a végfok, biztos hogy most jól van bekötve??? ( azt a hibát a legnehezebb felderíteni , amit mi követünk el, és valamiért triviálisnak gondolunk...) Ebből kiindulva viszont egy rossz bekötéssel kikényszerített beindulással lehet megint búcsúzkodhatsz a végfoktól.( ajánlott áramkorlát 0,5-1A ezt még rossz bekötés esetén is túl szokták élni ) Azt is megnézném, az ic kimeneti lábait végig ohm mérőzném a kimeneti csatlakozóig, biztosan ne kerüljön rá idegen feszültség, és ott jön ki ahol várom. A hozzászólás módosítva: Jún 20, 2014
A KRC egy kapcsoló tranzisztor, a bázisáram korlátozó ellenállás bele van integrálva (és még a bázis emitter közé is egy) lényegében csak annyit tesz, hogy a bázist fel lehet kötni tápfeszre, minden további nélkül. Ha kapcsol, akkor jó.
A hozzászólás módosítva: Jún 20, 2014
|
Bejelentkezés
Hirdetés |














