Fórum témák
» Több friss téma |
Fórum » Csöves erősítő készítése
Ne feledd betartani a fórum viselkedési szabályait, és a topik megmaradásának feltételeit. [link]
A téma átmenetileg fagyasztva lett, hozzászólni nem tudsz!
Ja. Amúgy ezek a csodakapcsolások 12/24 Voltal, dugasztáppal, 1 mosfet, 1 cső (ezért jó drágán adható), esetleg egy lm317 -el gyorsan jöttek (PRC) és gyorsan is tűntek el a piacról. A csöves technika lejáratása. Mondjuk az elv meg a hang egészen jó is lehetne, ha jól lenne méretezve, nem ahány gyártó, annyi fiókból elővett alkatrész. Mint az előttem szólók: E88CC/ECC88/PCC88 vagy ECC86, az utóbbi húzósabb.
Fiú! Találkoztál már olyannal aki rosszat mondott a saját lováról?!
Helló !
Az egyenirányítók mennyire hosszú életűek ? Érdemes belőlük bontottat venni ? (AZ21, Ez80-81)
A gyártók nem nagyon nyilatkoznak az élettartamról,
de ez függ az igénybevételtől,(áram) és hogy milyen szűrés van a cső "mögött". Szerintem használj újat, pár tipus még beszerezhető. Ma már nehéz jó állapotú használtat találni.(Persze nem lehetetlen)
Igen én is kipróbáltam több példányban is azt a csoda kapcsolást és azt kell mondani hogy nem csoda de működik és s szépen is hozza amit kell neki és nem csak én volnék aki ezt megépítette hisz szerte a világban sokan és sokféleképp után építették már ezért én a saját lovamnak nem tekintem hisz nem én terveztem és nem én reklámozom és nem is mondok róla senkinek ódákat , ezért nem az én gyermekem .Itt több példányt fel lelhetsz belőle de mint mondottam nekem tetszik de senkit nem beszélek rá hogy ez a véglet a leg jobb tehát mindenki eldönti magának ha megépíti hogy tetszik vagy megy a kukába.
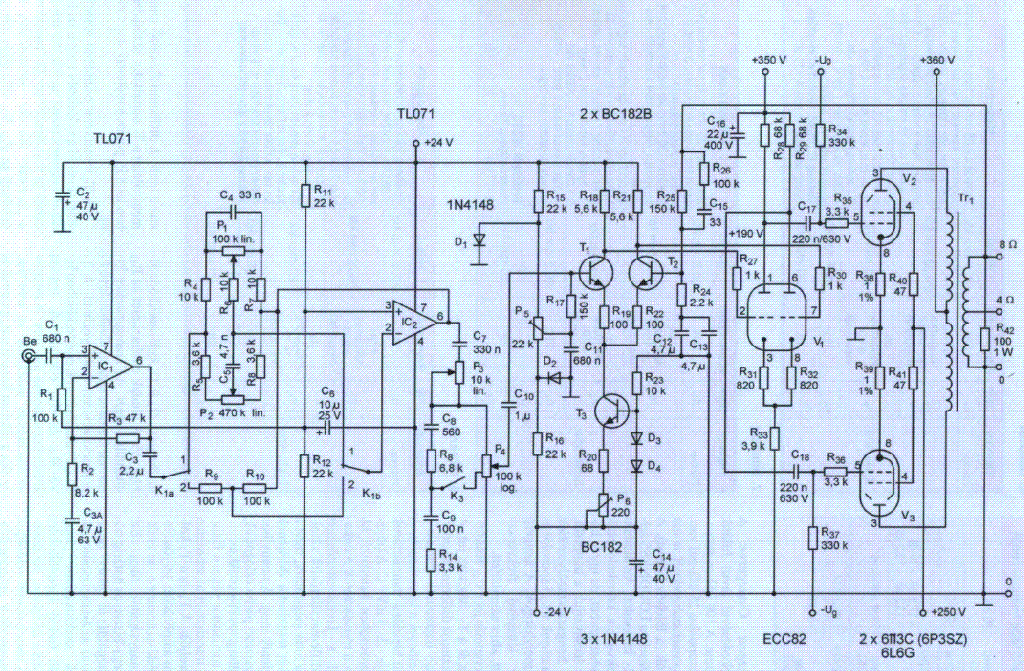
Ez Plachtovics úr véleménye, és az RT 2009. Évkönyvében jelent meg, a mellékletben látható erősítőkapcsolás "felvezetése" okán.
Kösz !
Akkor hagyom. a V.-n, 600 Ft-ért már új egyenirányítót lehet venni.
Úgy néz ki hanyagolom a csöves előerősítö építését. Mióta megtudtam milyen drágák ezek a csövek, és szlovákián még nem is találtam eladókat.
2-300 forint (1Euro) drága Neked? Ne a csillagászati luxusboltokat nézd, hanem a börzéket.
Ha találnám 2-300 ft-ért nagyon örülnék. De itt szlovákián sehol nem lehet találni. Vagyis eddig nem találtam és börzék sincsenek a közelben.
Pedig Szlovákiában még gyártanak is új csöveket.
Lehet itt kapni új csöveket pl ECC82 13Euro és 4Euro hozzá a foglalat. Szerintem ennyiért épeszű ember nem veszi meg.
Most találtam egy illetőnél, de 5euro/db. Ez még mindig elég magas ár szerintem.
Esetleg megkérdezhetném, hogy mikor is lessz pontossan a következő börze? Mert CIROKL is jószivűen felajánlotta, hogy ha sikerül neki vennie, akkor elad nekem 2db-ot.
Nézd csak !
Gyakorlatilag nem is sokára lesz jan28. De visszakanyarodva ehhez a csöves dologhoz , mit is szeretnél építeni ezekkel a csövekkel ?
Egészen biztos olvastam anno ezt a mondókát és akkor is megmosolyogtam .
Ezt a mellékelt kapcsolást is elkerültem hisz ez is valamely formában hibrid de nekem ez nem az , az én értelmezésemben az ami csöves meghajtás félvezetős vég az az igazi hibrid , az ilyen fordított az inkább csak csöves számba tehető itt a félvezetős részleg csak ronthat az egészen .
Egy TDA2030A elé szeretnék csöves előfokot kis erősítésel és alacsony tápfesszel.(még az se lenne gond, ha nem is erősítene mivel pc-ről lessz hajtva). Szóval a lényeg, hogy bevigyek a rendszerbe egy kis csöves hangot.
Ha van egy Ferrarid és lovat kötsz elé, akkor összességében lesz egy menő szekered...
Ez csak egyéni vélemény. Hogy konstruktív is legyek: ECC88-as Buffer fokozat, IC elé Ezt még lehet én is megépítem LM3875 elé.
Szia mindenkinek.
Szeretnék segítséget kérni a pl509 s 40w, erősítő kimenő trafó paramétereire. és a trafót ha tekercselek akkor mekkora a vasmag, vagy ha van valakinek azt szívesen meg is venném.Előre is köszönöm szépen.
Parancsolj, egyébként az 1996.-os Rt Évkönyvben van a 195. oldalon.
Aww
Nekem ez az erősítő van megépítve. A trafókat még Plachtovics Gyuri bá tekerte anno 15 éve Most is ez szól
Én alaposan (a felismerhetetlenségig) átterveztem, mert nem akarom más terveit szolgai módon másolni.
Az volt az első erősítő amit építettem. Sokat tanultam Plachtovics Gyuri bától.
Én sajnos nem ismerem személyesen, bár itt a kollégák nem mindenben adnak neki igazat (lásd hibrid cikk). De ez természetes, mindenkinek van egy saját filozófiája, azt favorizálja. Az eredmények pedig a legritkább esetben kerülnek összevetésre. Üde kivétel ebből a szempontból CIROKL Laci műhelye, ahol mindenféle készül.
Ő műszeres technikus volt világ életében, és ő onnan közelíti meg a dolgokat
Idézet: „Igen én is kipróbáltam több példányban is azt a csoda kapcsolást és azt kell mondani hogy nem csoda de működik és s szépen is hozza amit kell neki és nem csak én volnék aki ezt megépítette hisz szerte a világban sokan és sokféleképp után építették már ezért én a saját lovamnak nem tekintem hisz nem én terveztem és nem én reklámozom és nem is mondok róla senkinek ódákat , ezért nem az én gyermekem .Itt több példányt fel lelhetsz belőle de mint mondottam nekem tetszik de senkit nem beszélek rá hogy ez a véglet a leg jobb tehát mindenki eldönti magának ha megépíti hogy tetszik vagy megy a kukába.” Félreértés. Az első válaszom arra vonatkozott a fiúnak, hogy Te is építettél ECC82-vel füleserősítőt. De azt nem írta, hogy hogy a Wizard kapcsolást, ami nem csöves, hanem hibrid, az elején a cső amolyan dísz, különben nem láttam volna 6N1P, ECC88, ECC82 stb. bemenettel, gyártótól függően (mi volt a kis kínai műhelyében). A vég is különböző fetekkel van, szerintem az 500-as IRF széria jobb lenne a kisebb kapacitás miatt. Az LM317-et te sem tetted bele, van aki beleteszi, van akit kiráz tőle a hideg. Magánvéleményem továbbra is az, hogy ha ezt a kisfeszültségű kapcsolást építjük, ECC88/86, utána IRF 500 valahányas jól méretezve. De jobb egy tisztán csöves, 100-150 voltról, megfelelő csövekkel.
Tudja e valaki ez a trafó melyik erősítő típusé lehet?
Azt mondják itt körülöttem, hogy talán az APX, vagy az APT100 kimenője.
Inkább BEAG hálózatinak nézem.
|
Bejelentkezés
Hirdetés |












