Fórum témák
» Több friss téma |
Fórum » Csöves erősítő készítése
Ne feledd betartani a fórum viselkedési szabályait, és a topik megmaradásának feltételeit. [link]
A téma átmenetileg fagyasztva lett, hozzászólni nem tudsz!
Az Audio Note Ecl82 PP-je (P-zero) 8 W-ot tud tized százalékos torzítással. Érdekes, hogy AB2 osztályú az erősítő, tehát rácsáram is folyik nagy vezérlésen. Kiváncsi lennék a kapcsolására, már bánom, hogy mikor ilyen monoblokkok voltak nálam, bele sem néztem, pedig étdekelne mennyire bátorodtak el vele.
Döbbenetes, mennyire mást vártam a Pajótól is. De mikor elkezdtem "feltérképezni", akkor eléggé leesett az állam. A HF , és a tápegység borzalmasan túl volt egyszerűsítve. Azért érdekelne egy jól megcsinált verzió is. Már alig várom Jánosunk készülékét, hogy bemutathassa, mit tud.
Nem tudsz még egyszer hozzáférni ahhoz az amphoz. Én is kíváncsi lennék rá. Sok mindent nem lehet róla találni a netem. Most hirtelen csak egy képet találtam a belsejéről. Elég pici kis kimenőket kapott, bár 8 W-ra nem is nagyon kell nagyobb.
A potis dolognál az is lehet gond, ha a poti háza nincs testelve (ha csak középen van egy fém csík a két csúszka között, azt is testre kell kötni az egyik rögzítőfülre forrasztott darab dróttal). nem minden erősítőnél okoz ez gondot, de gyakran előfordul. A másik brummos problémádnál lehet, hogy a fém szerelőlapon áram folyik (pl. mert a puffer negatívja közvetlenül is csatlakozik), át kell nézni, hogyan folynak a negatív áramok, és ha valahol hurok van, meg kell szüntetni (pár cm-est is, ilyen lehet pl, ha a puffer negatívja sasszén van, a csillagpont meg ettől a ponttól távolabb). A kisáramú részek negatívja ne menjen a végcső katódjától, hanem közvetlenül a saját puffere negatívjára legyen vezetve.
Ez nem a P-zero, nem is hasonlít rá. Az monoblock, hosszúkás és termetes kimenő van benne, az elején egy szál hálózati kapcsoló van csak. Már kikerült a látókörömből, a barátom eladta őket (amúgy majdnem teljesen újak voltak)
Igaz rossz a kép. Bocs. Pedig a zero-ra kerestem rá.
Pedig látszatra ebben is ecl82-esek vannak.
Én is sokat kerestem, és nem is láttam belülről. Csak a barátom elbeszéléséből tudom, hogy nagy kimenő van benne. Ő is csak azért szedte szét, mert valahol a neten azt írták róla, hogy hibrid a vége. Ellenőrizte ennek valóságtartalmát (de nem talált benne egy fia félvezetőt sem, az egyenirányítókon kívül).
Na meglett a maci forrása, kellett a plusz RC szűrő a trióda anódjára. Így már oda tudom állítani a visszacsatolást, ahol megfelelő a hangerő.
Most nincs időm, de meg fogom próbálni elhagyni az anód osztót a kapcsolásban, és a visszacsatolással állítani az erősítést, ahogy mondtad. A pentóda katódjára tett elkó azon kívül, hogy növeli az erősítést egy helyi visszacsatolás miatt, magára a hangra van kihatása? Mert tekintve, hogy amúgy is csökkenteni kell az erősítést, az meg növelné, nem látom értelmét.
Rendben, átnézem, és kipróbálgatom. Köszönöm.
Üdv! épp ech/ebl erősítőt nézek jó kis erősítő amit régebben építettél. Kimenőtrafónak jó pcl86- hoz való?
Üdv! Értem ránézésre nekem olyannak néz ki az a trafó mint nekem a kis trafóm amit szétfúrtam (vtrgy r4350-ben volt) és hogy építettem az ecl 86-ost, ugye tv-ből valóval (pcl86) helyettesítettem és külső paraméterre, meg bekötésre is egyezik. Akkor belemezelem a trafót és lehet megépítem úgyis lenne hozzá egy lemezjátszóm de nem szaladok előre előbb legyen meg a végfok.Ha időközben akad ebl-hez való trafó meg csak átcserélem. Kis pentódáim (6j1p) meg kettőstriódáim a lemezjátszórészhez van bőven csak kapcsolást kell túrnom. A hálózati trafó a necces mert csak az van ami az ecl-ben van. Kösz az infót! Ha végzek a szkóppal neki is fogok.
Sturbi, a P-Zero "tizedszázalékos" THD-jét hol olvastad? Kis pentódánál komoly rácsáramra nem kell gondolni, a belső fotó alapján pedig nincs benne semmi csoda, a NYÁK-on jól látszanak az alsó osztályokban megszokott ERO MKT csatolók. A kezelési útmutató régi tévékre hivatkozik, ott is használtak ECL82-est AB2 osztályú beállításban. (Egyébként senki ne gondolja, hogy az AN Zero _rendszer_ "jól szól", legalábbis hifis értelmben nem. Sokan, sokmindent leírtak róla, legfrappánsabban egyetlen szóval lehet jellemezte valaki: oktat.)
"Most hirtelen csak egy képet találtam a belsejéről."
Ez az I-zero, de alapvetően mindegy, mert csak dobozában és belső elrendezésében különbözik a P-zerotól + van benne egy passzív előfok.
"A pentóda katódjára tett elkó azon kívül, hogy növeli az erősítést egy helyi visszacsatolás miatt, magára a hangra van kihatása?"
A helyi nvcs kikötésének korrekt módon megtervezett erősítőnél mérhetően és többé-kevésbé hallhatóan negatív hatása van. A gyakorlatban nem mindig egyértelmű a dolog, mert egyúttal "kikötődik" a kondi mérve "elhanyagolható" torzítása is. Aki nem tudja _pontosan_, hogy adott esetben mivel jár a kapcsolás megváltoztatása, inkább ne variáljon, mert soha nem jön ki a málnásból...
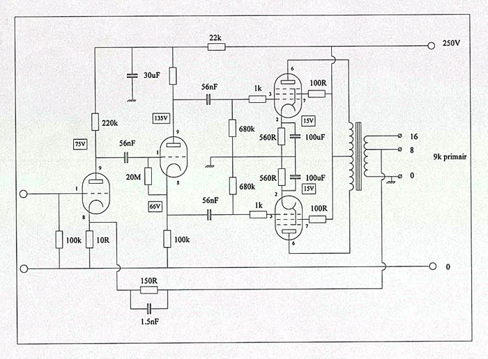
Ez a rácsáramos dolog nem arra vonatkozik, hogy ahogy elég sok helyen láttam, hogy a CL82-es triódájának a katódját simán lekötik a földre, katódellenállás nélkül ?
Mint ezen a rajzon. Igaz itt van egy 10 ohmos ellenállás, de szerintem az csak azért van ott hogy vissza lehessen csatolni.
Itt olvastam (a linken). Bővebben: Link
Amúgy egészen jól szólt, hangosan, részletezően, feszes mélyekkel, szikrázó magasakkal. Ami miatt nem lett megtartva, az a magas tartomány "tulzott sterilsége", a hegedűk (szimfónikus zenén) szintetizátoros jellegűek voltak (mint egy AT95 pick up-nál), a hangzása kicsit hideg (rideg) volt. Nem tudom milyen belső fotóra hivatkozol, az ide betett nem azé. Mindazonáltal tudjuk, hogy ez a Note legolcsóbb erősítője, náluk "nulla szint" (belépő).
Ő * akkor tehát a pentóda katódján lévő hidgeítő kondi az erősítést növelő hatása mellett jótékony hatással van a hangra is? Mi a helyzet ugyanezzel a kondival a trióda katódján? Ott is láttam ilyet rajzokon, esetenként mindkét csőfél katódjára tettek 1-1 kondit.
* ?
"Nem tudom milyen belső fotóra hivatkozol, az ide betett nem azé"
Persze, neten az I-zero belseje található meg, de ugyanolyan AB2 osztályú ECL82 végfokozat van mindkettőben. Amúgy tökmindegy, nem a kapcsolástechnikája miatt képes "oktatni" (ez a szó egyébként is, kizárólag a komplett Zero rendszerre értendő).
Értem, igazad van (a barátom kicsit túlzott a kimenő méreteit illetően). Amúgy 8 W PP-re valóban nem kell nagy kimenő, hiszen 9-10 K Raa-nál is csak 300 Veff körüli feszültség kerül a primerre, ennyi primer fesszel talán még egy hagyományos EI 74-re is egész korrektül meg lehet csinálni.
Persze ez így van. Vadászok egyébként régi készülékekre. Főleg rádiókra, de a szétbontás elv nálam is mint másoknál akkor jöhet szóba ha már lehetetlen vagy nagyon necces a felújítás. Ez történt az alább említett r4350-nel is amiből az ecl és a szétfúrt trafó származik mivel az a rádió olyan állapotban volt hogy nem érte meg felújítani. (komplett hullámváltó csere + a doboz törött volt...) De ez egyenlőre csak "deszkamodell" lesz mert kíváncsi vagyok a cső hangjára.
Az enyém M74/34 trafókkal lesz kivitelezve. ( eredetileg Beag TK202 tranyós 100V-os kimenők voltak) Primer: 4x720 menet. Szekunder 3x82 menet párhuzamosan. Most a felénél tartok az első kimenőnek. A műhelyben elég hideg van.
Jó kis trafó lesz. Annyit azért megjegyeznék, hogy a korrekt mélyátvitelhez kevés lesz ennyi primer menet (ha méred majd látni fogod, hogy nagy hangerőn 50 Hz alatt "besokall" a vas). Optimális primer menetszám 5000 menet környékén lenne, de ezzel csak "szőrszálhasogatok".
Hipersil trafóból mekkora a minimális méret ami elég lenne együtemű erősítő csöves egyenirányító után C-L-C szűréshez fojtónak? SM42 elég lehet? 7-8Wattos erősítőről lenne szó kb. 50-60mA-es végcső árammal. Ezzel a maggal már elérhető 2-3Henry, ha jól gondolom.
Ha oldalanként 1-1 lesz, akkor biztosan elég (de lehet, hogy két oldalnak együtt is, de akkor kisebb lesz az induktivitás a kevesebb menettől). A huzal vastagságát lehet 3-3,5 A/mm2 áramsűrűséggel számolni. Lgrésnek legalább 0,3 mm kell majd (mert valószínűleg elég magas lesz majd az egyentérerő)
Köszönöm a segítséget! Van belőle több darab is, még az is megoldható, hogy C-L-C-L-C szűrés lesz és az már biztos elég szűrést biztosít. Vagy az előfok elé teszem be a második fojtót.
Kész az egyik kimenő. Próbára egy oldalt összedobok drótkupacban. Szerinted próbára hálótrafónak elég egy 35VA-es rádió hálózati trafó?
Sziasztok!
Nincs valakinek közületek olyan erősítőről rajza, amiben 4-5db ecc83as előcső és 2db EL34-es Végcső van? Nem kapcsolási rajz kellene
Ez szép! Mekkora vas? Nekem M74-esek vannak, és én is PCL82 PP-t csinálok csak a doboz hibádzik, ja meg a hálótrafót kell még megtekernem.
|
Bejelentkezés
Hirdetés |





