Fórum témák
» Több friss téma |
Fórum » Csöves erősítő készítése
Ne feledd betartani a fórum viselkedési szabályait, és a topik megmaradásának feltételeit. [link]
A téma átmenetileg fagyasztva lett, hozzászólni nem tudsz!
Szasztok!
A napokban keresgéltem ECL86 ügyben és egy érdekes dologra bukkantam! Mégpedig, hogy Audio Innovation Serial 300 néven volt sorozat gyártásban PP erősítő, ha nem is nagy számban. Illetve ai 300 és mk2 néven két típus is futott. Mi bővebbet lehet tudni ezekről az erősítőkről? Kapcsolást találtam, a 300-nak egy elég kicc jellegű de teljes doksit, az mk2 esetében csak az erősítőnek, tápnak nem. Fényképekről ítélve, kimenői A: 9-10cm2 kb. De konkrétum érdekelne. Egy cikk szerint soha jobbat ki nem hoztak (ebből) a csőből, mint ez a megoldás. S500 nézen (ha jól emlékszek) ugyan ez a kapcsolás EL34-gyel és ultralineár trafóval. Mit tudtak ezek a masinák, és tényleg olyan jók voltak-e?
A 807 valóban sugártetróda (beam tetrode), de a GU50 az valódi pentóda. GU50-es triódás kapcsolást már volt alkalmam hallgatni, de ki akarom próbálni, hogy milyen pentódaként, (ha már annak gyártották). Egyébként tervben van egy sugártetródás erősítő is 6P7S (6П7С) sugártetródákkal, ez némileg hasonlít a 807-eshez. (Direktfűtésű triódás SE-m van 12AT7 (ECC81) és 2A3 konfigurációban.) Milyen kimenőket hajtott a GU50 nálad?
Ki kéne deríteni, hogy a fűtőkörből jön-e a brumm. Ha van jobb labortápod, akkor fűtsd az EL84-eket egyenfesszel. Ha ettől megszűnik a brumm, akkor megvan a forrás, a fűtéstápból jön, ha nem, akkor máshonnan. A fűtés egyik oldalának földre kötése helyett próbálkozz azzal, hogy kiközepeled a fűtést egy 100-220ohmos 2-5W-os potival. Csúszka földre, a poti két vége pedig a fűtésre ki, majd finom tekergetéssel meg kell keresni a brumm mentes pozíciót
Idézet: „a GU50 az valódi pentóda” Ez igaz... látszik, régen volt dolgom ilyen csővel. Afféle kakukktojás lenne, mert mégse vált be SE-hez? Nem egészen, mert oda a régi direktfűtésűek közül is kevés fajta jó. Azok is kizárólag triódába kötve. Hogy még egyértelműbb legyek: amennyiben a hangminőség is cél, SE végfokban pentóda vagy tetróda (normál üzemben) nálam szóba se jöhet. Ahogy az elmúlt fél évszázad profi tervezőinél sem. A hozzászólás módosítva: Feb 4, 2016
Én most épp egy 6P3S-E SE-t hallgatok, a hangja kellemes, bármeddig el tudnám hallgatni, igaz a teljesítmény miatt biztosan nem fájdul meg a fejem. De általában hétköznap esténként a páka meg az internet mellé ez bőven elég, nem kell mindig bömböltetni. Ha egy kicsit szórakozni akarok, meg előveszem a 25W-os triódás PP-met.
Érdekes ez a fórum. Mindig vissza kanyarodik egy-egy téma az elejére .
Lehetne is vitatkozni, ki milyen színű inget szeret(ne) hordani.
Az benne Jó pont mert érdekes , ha unalmas lenne nem is olvasnànk.
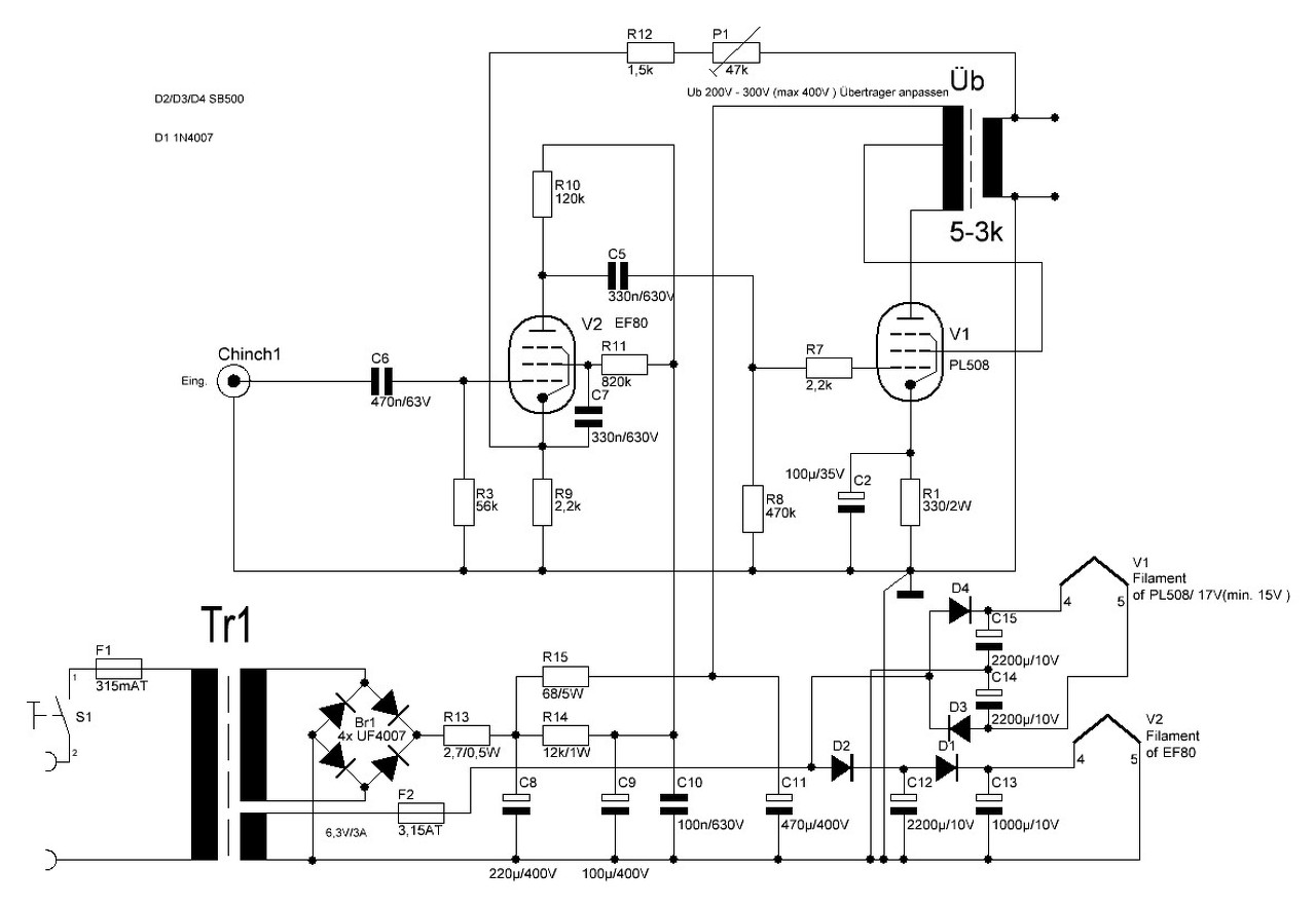
Üdv. Beleuntam a keresgetésbe, úgyhogy felteszem a kérdést. 5K, UL 40%ra tekert kimenővel lehet másra épitkezni mint amire készült (PL500PP)?
Vagy ez igy unalmas? ![]() 2A3 ra talán jó lenne de kicsit húzóóós a dolog. A hozzászólás módosítva: Feb 4, 2016
Engem az is érdekelne, hogy a topik 10 éve és közel 2000 oldala alatt, (vagy máskor), született 300B-vel vagy 2A3-mal épitett erősítő?
(Tudom, az anyagiak. De néha az az érzéseim, hogy sokkal több, máshol is kimegy, csak apránként.)
Publikáltról nem tudok. Jellemzőbb a 6C33C, 6C19P orosz csövek. Ezek jóval olcsóbban beszerezhető típusok. Nem hinném, hogy bonyolultabb lenne egy ilyen erősítő elkészítése, csak az ára az, ami engem is vissza tart.
Azért mert ez hobbielektronika. "Fiókos" fórum.
Sokat lehet tanulni ittis, emberekkel ismerkedni.
Ez mi?
Pentódás SE-ként a 6l6 az elfogadhatóbbak közé tartozik, dehát miért vacakoljunk pentódával, ha sokkal kedvezőbb torzítási karakterisztikájú triódával is lehet?
![]() A "modernebb" pentódák közül eddig elhallgattam a kivételt, amelyik szerintem minden további nélkül ajánlható együtemben - mindazoknak, akiknek tényleg elegendő 3W. És ez nem más, mint az ECL86.
34PP. Live bias, dupla bemenet, hangszín, és visszacsatolás (jelenlét). Egyszerű tesztelős ketyere. 3db 83-as. Tudom, hogy nem hifi. A téma címe miatt raktam csak ide.
A hozzászólás módosítva: Feb 4, 2016
Amit leírtál, az mindkettő sugártetróda, a 6L6 és az E/PCL86 is.
A 6L6-hoz elég közel van a 6P3S, szerintem nagyon jó kis csövek. A triódás SE-vel semmi bajom nem lenne, ha könnyebben meg lehetne hajtani. A falra mászok, amikor meglátom, hogy pentódával hajtanak egy triódát, annak megint mi értelme van? Ha triódás, akkor már legyen tisztán az.
Triódát nehéz hajtani, ez igaz, de csak egy csővel több a szokásosnál.
Pentódával/sugártetródával is lehet jó SE végfokot építeni. De csak visszacsatolással. Globális, katód, vagy UL visszacsatolás. Vagy a kombinációikkal. Nem feltétlenül kell a higendet megcélozni. Vannak pl. ilyen Audio Note kapcsolások is.
Üdvözlök mindenkit!
Régóta gondolkozom rajta hogy belefogok egy erősítő vásárlásba (építésébe,de inkább felújjításba). Eddig csak tranyós utánépítéseket csináltam. A csöves téma egészen sötét pont.Olvasok róla amikor csak tehetem de elég távoli a dolog. Azt szeretném megkérdezni hogy otthoni használatra milyen irányban érdemes elindúlni ha igazán szép hangú erősítőt szeretnék. Pl ezek milyen szintet képviselnek?: Bővebben: Link A hozzászólás módosítva: Feb 5, 2016
Tudnátok véleményt mondani az alábbi kapcsolásról?
Nagy igényeim nincsenek,csak tetszik a cső. Jó lenne ,ha egy ECL86-os szintet hozna. UL-nélkül építeném. Ebben az esetben akkor a kimenő 8Kohm-os?
Idézet: „Vannak pl. ilyen Audio Note kapcsolások is.” Az OTO SE-t (EL84 PSE) és társait mindig is túlértékelt erősítőnek tartottam. Viszont, ha SE-hez kellene rangsorolnom az ismertebb fajtákat, nálam az ECL86 vége után az EL84 következne... Idézet: „Triódát nehéz hajtani” Triódája válogatja, a 2A3 vagy a 6C33C(!!) pl. kevésbé kényes, mint a 300B, vagy pláne a nagy adócsövek (211, 845, GM70..)
Idézet: „A falra mászok, amikor meglátom, hogy pentódával hajtanak egy triódát, annak megint mi értelme van?” Kvázitrióda üzemben, áramgenerátoros vagy fojtós munkaellenállással vagy trafós kicsatolással nagyobb kimeneti feszültség, ugyanakkor hihetetlenül alacsony torzítás érhető el. Egyik-másik típusnak a hangja is igencsak jó. Ezen az oldalon néhány amerikai típus számszerű, ill. a konkrét típusra kattintva FFT diagramos torzításmérését láthatod. (Első táblázat: triódaként kötve, áramgenerátorral)
Nekem van egy 12AT7 (ECC81) 2A3 SE. Igaz nem teljesen az én építésem, úgy vettem, de aztán rögtön átalakítottam. (Meg még fogom is.)
A doboz és a tábla nem az én munkám.
Az ECL/PCL86 nem sugártetróda, hanem kombinált trióda végpentóda. Kifejezetten hangfrekvenciás célra. A pentódarész teljesítményétől eltekintve egyenértékű egy ECC83/EL34 kombóval. Az E(C)L86 9W-ot tud eldisszipálni az anódján az EL84 12W-ot. Ez egy SE kapcsolásban hozzávetőleg ECL86 esetén hasznos 3W-ot, EL84 esetén 5W-ot jelent.
Ennek azért ellenmond, hogy rengeteg erősítő épül belőlük (GU50-ből) szerte a világban. Igen jó minőségű csőnek mondják, pláne ha hozzávesszük az ár/érték arányát is. Nekem van egy 2A3 SE-m, tehát tudom majd mihez hasonlítani. Egyébként az elmúlt fél évszázad jó csöves erősítői között éppúgy találunk pentódásat, sugártetródásat, mint triódásat. Vitaindítás szándéka nélkül a cső elektródáinak száma és maga a cső csak egy tényező, ami befolyással van a végső minőségre, de ez egyáltalán nem kizárólagos. Szóval meg fogom építeni, hallgatom, átalakítom párszor, ahogy kell, aztán véleményt alkotok.
Az előbb ECC83/EL84-et akartam írni, az EL34 elírás.
Idézet: Volt. A legelején. Aztán sugártetródává alakították. Ha belenézel, látszik a G3 terelő lemez. Valószínűleg ezért tarják jobb hangúnak még az EL84-nél is. „Az ECL/PCL86 nem sugártetróda, hanem kombinált trióda végpentóda.”
Most jól felkeltetted a kíváncsiságomat.
Van sok PLC86-osom, egy gyengébbet most muszáj lesz szétbontanom. Egyébként mi volt az ok? Tudsz erről valamit? |
Bejelentkezés
Hirdetés |












A doboz és a tábla nem az én munkám. 
