Fórum témák
» Több friss téma |
- Ez a felület kizárólag, az elektronikában kezdők kérdéseinek van fenntartva és nem elfelejtve, hogy hobbielektronika a fórumunk!
- Ami tehát azt jelenti, hogy a nagymama bevásárlását nem itt beszéljük meg, ill. ez nem üzenőfal! - Kerülendő az olyan kérdés, amit egy másik meglévő (több mint 17000 van), témában kellene kitárgyalni! - És végül büntetés terhe mellett kerülendő az MSN és egyéb szleng, a magyar helyesírás mellőzése, beleértve a mondateleji nagybetűket is!
Sziasztok!
Szeretnék 3,5V izzókat villogtatni felváltva. Mégpedig a következő módon: 2db 3,5V izzó párhuzamosan van kötve( nem tudom hogy nem jobb-e ha soros) és ilyenből van 3 db. Tehát, 2db 3,5V izzót tekintek egy egységnek. A villogtatónak pedig 3 egységet kellene felváltva villogtatni. Ha lehet valami igen egyszerű megoldást keresek. Ja, és azt el szeretném mondani hogy led-del nem akarom megcsinálni. Tudom hogy az egyszerűbb meg jobb is de nem. Mellékelek egy rajzot hogy teljesen világos legyen. Előre is köszi!
Adott egy stroboszkóp. A tápfeszültség egy 9V-os elem, nem 12V. A Q1-es tranzisztor BC301-helyett: BC639 és nem 3db LED van bekötve párhuzamosan, hanem 7db, fejlámpából bontott, igen erős. LEDenként 240ohmos ellenállás van. A C1 20nF-os. Az R3 potival azt állítom de, hogy mennyi ideig világítson a LED. Mondjuk ,,csúszás". De a poti állításával gyengül a fényerő is.
És ha már jól van beállítva, akkor elég gyenge fénye van. Hogy lehetne növelni a fényerőt? A tranzisztor bázisán lévő ellenállást nem kellett volna cserélnem a tranyóval 1huzamban? Pláne, hogy csak 9V-ot kap? Ez nem befolyásolja a fényerőt? Elég ha a LEDekhez beteszek egy másik ellenállást, vagy akár egy trimmert, és már nő is a fényerő?
Szia! Mi az elképzelésed? Hogyan szeretnéd, hogy villogjon? Pl így: Először a bal páros világítson X ideig, utána kialudjon és jöjjön a középső Y ideig, utána pedig a 3. Z ideig, és utána előröl minden? Tehát 1szerre csak 1páros világítson? Ja és X Y és Z egyenlő legyen? Üdv!
Lehet olyan hogy az egyik világít mondjuk 5 mp-ig aztán szépen elhalványodik és így tovább.. De nekem az is jó ha az egyik világít 10mp-ig aztán a következő..... Minél egyszerűbb legyen és ne legyen benne AVR vagy PIC.
Hello!
Az lenne a kérdésem, hogy ebben az adatlapban lévő kapcsoláshoz milyen értékek kellenek én nem találtam meg. Hátha valaki már használta ezt a kis erősítőt. Üdv. Roland0327.
Pár időzítő áramkörre lenne szükség, akár 555-el, vagy pl. én nemrég csináltam egy állíthatót, melyben CD4541-es IC volt. Egyszerű és nagyszerű. Én arra gondoltam, hogy egy időzítő áramkör ad egy jelet pl. 5mp-ként, és minden 2ős egység 5mp-ig világítana, egymás után. Kevés/olcsó alkatrészes lesz, csak agyalnom kéne még rajta. Nyugi, azt teszem. Jó kis feladat. Biztos, hogy valaki rávágná, de én még kezdő vagyok, és már majdnem meg van. Üdv!
Üdv!
Lenne egy kérdésem:Egy adapterre ez van írva:9V 12VA.Akkor ez hány amperes? Köszönöm!
Nagyon szépen köszönöm a fárodozásaidat. Én is kezdő vagyok. Az 555 ös verzió engem jobban érdekelne de ha azzal nem megy a másik is jó. Ha elkészült kérlek tedd fel a kapcsolást.
Köszi!!!
Remélem, hogy annyira nem sürgös, még ma megpróbálom befejezni, az alapötlet meg van, csak ki kell találni teljesen. Ha kész felrakom, még fogok írni, hogy hogy állok! Üdv!
Sziasztok!
Az 50hz-es TV-k amikor be vannak kapcsolva miért adják ki azt a 15kHZ körüli sípolást?
Szia!
Az 50 Hz a függőleges eltérítés frekije. Amit hallasz, az a vízszintes eltérítés (soreltérítés) 15,625 kHz-es frekvenciáján üzemelő kapcsolóüzemű táp hangja. A tápban lévő trafó, ami a képcső 15-25kV-os gyorsítófeszültségét is előállítja, ezen a frekin sípol.
Ne keverd a két trafót. Csak a FF modulos TV-knél volt a vízszintes eltérítéssel egybe a tápegység. A modern kapcsolóüzemű táppal rendelkező TV-knél van a táptranszformátor, és van a sorkimenő, ami a vízszintes eltérítés számára biztosítja az eltérítő áramot, ill. előállítja a képcső számára szükséges fókusz, segédrács, és anódfeszültséget. Ezek akár 30cm-re is lehetnek egymástól, tehát teljesen autonóm egységek.
Szerk: A kapcsolóüzemű tápnak nem kell 15625Hz-en járnia.
A sorkimenő egy kapcsolóüzemű tápegység, ezt ne feledjük. Ráadásul különféle egyéb tápfeszültségeket is biztosít, például a függőleges eltérítés és a hangvégfok számára.
Köszi. Ez jó lesz szerintem majd kipróbálom.
Én utoljára egy fekete-fehér Videotont láttam belülről, és ahogy te is írtad, ott még egybe volt.
Azóta nem kutyultam TV-ben. De akkor most én is "frissítettem" az ismereteimet. ![]() De ha már itt tartunk, miért jobb külön venni a kettőt?
Nem, egyátalán nem sürgős.
Még 1× köszi!
Hello!
Nem túl korrekt a kapcsolás. - A 741 nem kimondottan "félápfeszes" üzemre való, tehát az LM358 sokkal jobban illene bele. - A 741-nek elég magas a maradék feszültsége. Ha a tápból levonom a shunt ellenálláson eső 2,5V feszültséget, majd az IC maradék feszültségét, a bázisellenálláson eső feszültséget és a két bázis nyitófeszültségét, akkor nem sok marad az aksi számára. (Bár nem tudom hány cella töltésére készítetted.) Tehát az aksit áthelyezném a kollektorba. Akkor 12V-ról, kb. 8,5V feszültségig lehetne tölteni. üdv! proli007
Én úgy tudom, nem lett volna ilyen technológiájú táppal megbízhatóan megoldható a Színesek lényegesen nagyobb energiaigénye. Bár ötletes megoldás, de vannak bőven korlátai. Azt gondolom tudtad, hogy áramgenerátoros jelleget mutatott, tehát állandó terhelést kellett rátenni, hogy állandó feszültséget szolgáltasson. A fényerőtől, és a hangerőtől azonban függött az áramigénye a TV-nek. Ezért a felesleges energiát - kis hangerőnél, alacsony fényerőnél - ellenálláson elfűtötték.
Hello!
Megkésve, de törve nem.. Az analóg kapcsoló lábait nem cserélheted össze, csak ha az összetartozó három lábat egyszerre cseréled. De nem voltál elég figyelmes, mert pont úgy rajzoltam a kapcsolókat, hogy az azonos potenciálú pontok az egymás melletti lábakhoz essenek. (12-13,5-6,2-3,9-10) Ha felcseréled a lábakat, nem lesz jó a vezérlés. Meg nem hibásodik az IC csak éppen a kapcsolás nem működik helyesen. Ez a kapcsolás, olyan mint egy H híd, mindig a keresztágaknak kell bekapcsolva lenni. üdv! proli007
9 V-nál még 1A folyik. Ekkor a söntön 0,5V esik. És a 741-es 11V-ig kimegy. Nekem 8,4V a max. fesz. ami kell. Amúgy tudom hogy nem ideális bele a 741-es, de abból van egy rakat. Ezért került bele az. A 2 tranyó helyére is keresek valami bontott darlingtont és azzal lesz megépítve. (Bontott alkatrészekből, mert már olyan régóta gyűjtögetem őket, de még nem használtam fel semmire. Épp itt az ideje.)
Nem, nem tudtam, ennyire nem ástam bele magam a témába, de mindenesetre érdekes megoldás, nem is gondoltam volna....
Régen túrtam ilyesmiket.... De gondolom a "mostani" (értsd: nem LCD meg plazma) tv-kben már nem ilyen, ugye?
Pont ez a "lélegzés" jutott az eszembe, hogy megkérdezem...
A galvanikus leválasztás hiányát meg tapasztaltam, amikor megpróbáltam erőlködőt rákötni a kimenetére.... :shocking:
Miert? Nem tudod kiszamolni a 12/9 mennyi? Alap fizika.
Hello!
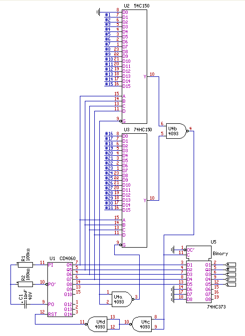
Látom nem válaszoltak a kérdésedre. De számomra ennek elég "házi feladat" szaga van, mert túl precíz volt a feladat megfogalmazása.. Megrajzoltam, egy változatot. ez a kapcsolás, nem statikusan, hanem "dinamikusan" oldja meg a problémát. - Adva van egy bináris számlánc, mely szabadon számol. Ez vezérli a két multiplexer, így sorrendben "lekérdezi" a bemeneteket. - Ha valamelyik bemenet szintje magas, akkor D tároló, bemásolja a kimenetre a számláló aktuális állását. Ezt követően a számláló törlődik. A bináris kimeneten, addig van jelen az eredmény, míg máik bemenet nem lesz magas szintű. - Mivel a lekérdezés mindig azonos sorrendben történik, az alacsonyabb # számú bemenetnek magasabb priortása van. Azaz, ha egy időben több bemenet is aktív lenne, mindig csak az alacsonyabb számút jelzi ki. - A kimenet megtartja az utoljára aktív bemenet számát. (Tehát, ha pld. a 10. bemenet aktív volt, akkor a kimenete addig van kint a 10-es bináris szám, míg másik bemenet aktív nem lesz.) - A nullás bemenet nincs használva. Ha a táp bekapcsolás tán egy bemenet sem aktív, akkor a bináris kimenet állapota határozatlan értű. Ez megakadályozható, ha a nullás bemenetet nem a GND-re ötjük, hanem egy kondenzátor/ellenálláson keresztül a tápfeszültségre. Ekkor bekapcsoláskor, a nullás kimenet egy ideig aktív lesz, így a szkennelés először ezt fogja megtalálni. (alapkritérium, hogy a szkennelés körbefordulási ideje rövidebb legyen, mint az RC tag késleltetési ideje. Szóval lehetne ezt még variálni, de gondolom a problémának csak elvi jelleg van (volt). üdv! prol007
Na,aki a képletet nem tudja.[én](Fizikából még csak hőtannál járunk...)
Szia!
Hogyan számolj teljesítményből ellenállást, feszültséget, áramot és vice versa:Ohm's Law: Calculators
Ha már a képleteknél tartotok akkor kérlek benneteket irjátok már le azt a képletet amelyel a trafó vasmagméreteiből meg lehet határozni a teljesítményét. Előre is köszönöm.
|
Bejelentkezés
Hirdetés |





És ha már jól van beállítva, akkor elég gyenge fénye van. Hogy lehetne növelni a fényerőt? A tranzisztor bázisán lévő ellenállást nem kellett volna cserélnem a tranyóval 1huzamban? Pláne, hogy csak 9V-ot kap? Ez nem befolyásolja a fényerőt? Elég ha a LEDekhez beteszek egy másik ellenállást, vagy akár egy trimmert, és már nő is a fényerő?
Azóta nem kutyultam TV-ben. De akkor most én is "frissítettem" az ismereteimet.






