Fórum témák
» Több friss téma |
Mielőtt kérdezel, a következő két dolgot ellenőrizd!
I. A helyes tápfeszültségek megléte.
II. A kimeneten van-e egyenfeszültség.
Élesztés.
Azért nem szól a LINE rca csatiknál mert az nem bemenet hanem vonalszintű kimenet(valószínűleg). Ezt támasztja alá az is hogy az előlapon nincs hozzá semmiféle kapcsoló. Be kell szerezned egy rca-din átalakítót.
Üdv.
Én szerintem pont ezelőtt héten foglalkoztam egy ilyennel. Bár a típus nem biztos, hogy ez, de Grundig. A Tape1-es bemenetére kell kötni a Din csatit és ez szerint kell bekötni. 1-es 4-es és a 2-es lábra. Ezen az oldalon le van írva, az is hogy melyik-melyik oldal az "Audio (tape)" sort kell nézni, így lesz 1,4,2. Sok szerencsét.
Már sikerült, hogy bedugtam oda a vezetéket
de találtam egy din dugót de az 5-ből csak 4 vezeték van és pont az egyik oldal hiányzik ![]() szóval majd lehet szerzek be mert igazából még nem az enyém!
Tisztelt fórumozók.
ezt az erősítőt vettem powerbox w80 v 1.1 van ráírva 2n3442 végtranzisztorokkal állítólag zenegépben volt ha valakinek megvan a kapcsolási rajza kérem rakja fel .
az 1. ic J200 a 2. K1529
fél oldala nem működikBővebben: Link
Ja és:Sony TAFB930R
Szerintem az nem IC, hanem FET. A 2x200W lehetetlen, mert eleve csak 210W max. áramfelvétele van a hálózatból, max 2x 70-80W lehet, de majd ír valami hozzáértőbb ember is biztosan, aki ki javít, ha tévedtem!
Jó lesz az amit írsz a teljesítményről! A hátlapon a hálózatból felvett teljesítmény szerepel. Ebből aztán lehet osztani és kivonni, hogy mik vesznek fel teljesítményt, mi megy el hőként stb.
Az egyik képen a táp toroidja látszik (azt hiszem), a nagysága is elárulja a körül-belüli teljesítményt. Érdekes, hogy nincs szigetelve a toroid, csak natúr a lakkozott rézhuzal..... (ha jól látom)
Kész a Videó!!!Bővebben: Link
Mérted már a rossz feteket, hogy jók-e , vagy már átmentek vezetőknek? -multival kitudod mérni. Ha jók mekkora gate feszültséget mérsz rajt a földhöz képest? - másikhoz képest tudsz viszonyítani..(csak óvatosan, nehogy összeérjenek a lábai mérés során) a mérés alatt ne legyen rajt hsz, bár dc védelem csak van bent, de az ördög nem biztos, hogy alszik..
Üdv.
Szerintem is mérd meg a feteket a rossz oldalon. Ha nem akarod, hogy elszálljon a másik oldal, szerintem ne kapcsold a hsz kimeneteket aközben, hogy szól. (legalább is én nem kapcsolgatnám, bár nem volt túl nagy hangerőn, de lehet nagyobb hangerőnél nem tenne jót a félvezetőknek)
És hogy ne csak tapogatózzunk itt a pdf-je.
Uraim!
Meglett a hiba!Végig szkópoltam az előerősítőt,és minden rendben volt.(nem generátorral ugyan hanem sima rádiós vonal szintű jellel.)A probléma az volt,hogy egy védelmet szolgáló tranzisztor(2n4403)cseréjekor csak helyettesítő típust tudtam betenni (bc327). (Ez a tranyó vezérel egy másikat ami ha kinyit az elő erősítő jelét lehúzza a testre ) .Egyeztettem a datasheet alapján a láb kiosztásokat.A leírás szerint a láb kiosztás megegyezik.DE MÉGSEM! Ugyanis egy másik leírás alapján egyik tükörképe a másiknak!A tranzisztor megfordítása után az erősítő szól rendesen. Már jártam így,hogy a datasheet miatt tévedtem.Sajnos a gyártók nem kompatibilesek egymással úgy fest ,és azonos típusú ám különböző gyártmányú alkatrészek közt is vannak különbségek....
A pár másodperces búgásra esetleg van valami ötlet?
Sziasztok! Van egy SAL 250 aktív hangfalam arra lennék kiváncsi, hogy mekkora teljesítményű lehet benne a trafó ,a hangfalak 80/120 asak nem szeretném megbontani mert garis ....
Sziasztok
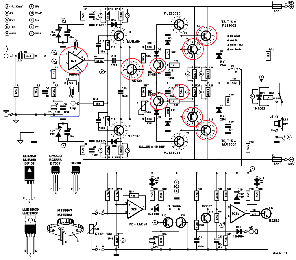
Javítok egy pa300-as végfokpanelt. AZ összes hibás tranzisztort kicseréltem, a nyugalmi áramot is belőttem (szépen tartotta is vagy fél órán keresztül), de mikor a hangszórót rákötöttem olyan 40-100hz-es pittyegést produkált a hangszóró, ha a membránt megmozgazzam hol elmult hol megváltozott a frekvenciája (gondolom a visszacsatolás miatt). A kimeneten a műszer 100-150kHz-es frekvenciát mutatott. Kicseréltem benne az ne5534-es ic-t de semmi nem változott, a 2x15v-ot megkapja. A félvezetők is rendben vannak. A képen pirossal karikáztam amik cserélve lettek. A kékkel jelölt részt néztem át a hiba fennállása óta de mindent rendben találtam. Illetve cserélve lett a tápágon lévő 100nanós kondi mert az első bekapcsolásnál szétrobbant. Szerintetek mi okozhatja a gerjedést?
Hello!
Van egy RTO SX-7000-es autóserösíttőm amit szobában akarok használni. Vettem trafót hozzá és most egy feszültségszabályzót akarok csinálni de nem tudom eldönteni hogy 12V-osra vagy 15Vosra tervezzem? Nem tudom hogy teljesítmény szempontjából mennyit számít ez és az erősítő gond nélkül elviseli-e. Köszi előre is
Helló! A benne lévő kapcsoló üzemű tápot nem érdekli különösebben a bejövő feszültség pontossága. Ha javasolhatom tápláld 14V-ról, az a legáltalánosabb üzemi feszültség.
Mekkora áramerősséggel számolsz? (Nagyon komoly feszszabályzóra lesz szükséged.)
Hello
Feszszabályzó teljesen felesleges, ha csak nem akarsz otthon még fűteni is vele meg amúgyis csak ront a táp hatásfokán. 9,5-10voltos legalább 500watos trafó, minimum 50amperes egyenirányító, plusz egy rakás kondenzátor. Hát nem olcsó megoldás.
A gondom megoldódott.
Az r18-as pozíciószámú ellenállás 10ohm helyett fix 32kohmos lett, még ilyet sem láttam, kivülrős teljesen épp volt.
Sziasztok!
Megépítettem a csatolt kapcsolást. A leírásában szerepelt egy kis segítség az élesztéshez. Elvileg a kapcsolás nyugalmi árama 80-100mA között kell legyen. Ezt úgy tudom beállítani, hogy a biztosíték helyére egy 10ohm-os ellenállást teszek be, és mérem az ezen eső feszültséget. Elviekben 800mV-1V között kéne legyen rajta a feszültség, de sajnos 400mV főlé nem bírom beállítani, ami ugye 40mA-t jelent. Nem tudom, hogy ez baj-e. A másik problémám az, hogy a kimeneti egyenfeszültség nem lehet nagyobb +- 100mV-nál. Nálam, amikor a bemenet csak lóg a levegőbe, akkor 7V a kimeneti egyenfesz, de ha a bement csatlakozik valamilyen jelforráshoz, akkor 20-30mV, ami már jó. Gyakorlatilag nem tudom, hogy a fent említett dolgok hibára utalnak-e, mert egy 16 ohmos hangszóróval tökéletesen működik, ha jelet kap.
Sziasztok!
Megépítettem, egy TDA8560Q erősítőt. Meg is szólalt, csak ha felhúzom a hangerőt kb. 60%-ra, akkor el kezd erősen torzítani. Mindent az adatlapja szerint próbáltam beszerezni és megcsinálni. Nem tudja valaki, hogy mi lehet a probléma, esetleg ha valaki találkozott már ilyennel? Köszönöm
Szia! Nézd meg, hogy terhelése mekkorát esik a táp. Kap-e kellő hűtést?
Szia! Innen kezd el olvasni.
Köszönöm a segítséget!
Ezek alapján a nyugalmi áram állítható lesz, ha benn lesznek a biztosítékok, viszont a kimeneti egyenfeszültség miatt még méregetnem kell. Azt el is felejtettem az előzőekben leírni, hogy elvileg az 51K-s ellenállással trimmerelhető a kimeneti egyenfesz. Nos én ezzel az ellenállással sorba kötöttem egy 22K-s potit, de semmit sem ér. Még egy század volttal sem tudom állítani a kimeneti egyenfeszt.
Az a jelenség, hogy a bemenet lezárása megváltoztatja a kimeneti egyenfeszültséget nehezen magyarázható. A mért 7V tartalmaz esetleg váltakozó feszültségű összetevőt?
Ha lenne szkópom megmondanám... Sokszor kellett volna már, de még mindig nem szereztem be. Hozzáteszem ez már a sokadik erősítő, amit építek, de még csak a 2., amivel gond van. Mellesleg szinte biztosan tartalmaz váltakozó feszültséget, mert a hangszóró erősen búg, ha nincs lezárva a bemenet.
A kimeneti jeled valószínűleg gerjedés, csak becsapja a multiméteredet. Fusd végig az általános tennivalókat: Hűtőborda testelés, árnyékolt bemeneti kábel, többféle kapacitásértékű tápszűrés, műveleti erősítő csere.
Hello!
Azért kell fesszabályzót csinálnom mert 12 v-os trafót vettem de 15 V-ot ad le pufferelés után meg 20-at.
Erre gondoltam csak más feszültségszabályzó Ic-t teszek bele.
Bővebben: Link |
Bejelentkezés
Hirdetés |




de találtam egy din dugót de az 5-ből csak 4 vezeték van és pont az egyik oldal hiányzik 










