Fórum témák

» Több friss téma
Fórum » Erősítő mindig és mindig
Mielőtt kérdezel, a következő két dolgot ellenőrizd! I. A helyes tápfeszültségek megléte. II. A kimeneten van-e egyenfeszültség. Élesztés.
Lapozás: OK   1173 / 2580
(#) fakóló válasza Szabi1 hozzászólására (») Nov 17, 2012 /
 
Ha jól értem az aktív szűrő az erősítőben van, olyan megoldás amellyel csak a hang(falat)sugárzót kell átalakítani létezik?
A hozzászólás módosítva: Nov 17, 2012
(#) reloop válasza fakóló hozzászólására (») Nov 17, 2012 /
 
A service-manual-ja nem kényezteti azokat akik egyedi hangsugárzót szeretnének rákötni. A doksi értelmezéséből azt vezetem le, hogy van egy szub csatorna (LOW), melyre párhuzamosan kapcsolódik mindkét gyári doboz mélyhangú hangszórója. A normál front-sugárzók számára való kimenet "MID" elnevezésű. Erre javaslom rákötni a hangsugárzóidat, végül is minden változtatás nélkül.
A "HIGH" kimenet az vagy azonos a "MID"-del, vagy ha a surround nincs bekapcsolva akkor az így felszabaduló csatornákról tweeter számára küld jelet.
Ebből a levezetésből az tűnik ki, hogy a "MID" és a "HIGH" kimeneteken teljes sávszélesség jelenhet meg, tehát a közép illetve a magas-sugárzó hangváltó nélkül nem köthető rá.
Remélem a hangsugárzód 8 ohm-os, így bármelyik kimenetre ráköthető az erősítő károsodása nélkül. Ha ez így van, tedd is meg, és számolj be mit tapasztalsz, mi hallható az egyes kimeneteken!
(#) fakóló válasza reloop hozzászólására (») Nov 17, 2012 /
 
Kipróbáltam amit tanácsoltál. A LOW kimenetre (8 ohm van írva) kötve csak a folyamatos dübögés hallatszik, se énekhang, se cintányér, se egyéb magas hang csak kimondottan a "düb-düb", melynek mértéke a subwoofer gomb segítségével hol jobban hol gyengébben hallatszik.
"MID" kimenetnél (6 ohm van írva) szólnak a hangfalak, de hiányolom a mély hangot és a subwoofer gomb semmit sem állít ilyenkor (nem hallható).
"High" kimenetnél (6 ohm van írva) hasonló a tapasztalat mint "MID"-re kötve.
Ezeken kívül még van a surround kimenetek (8 ohm van írva), mely jack dugós, valamint a center sugárzóé (8 ohm van írva), illetve a sound processor hátulján egy subwoofer kimenet.
(#) reloop válasza fakóló hozzászólására (») Nov 17, 2012 /
 
Egyetlen javaslatom, a gyári hangsugárzót hagyd meg a "LOW" (és esetleg a "HIGH") kimeneten. A "MID"-re kösd rá a társítani kívánt dobozokat.
Linkelj be valami információt erről a rákötni kívánt hangsugárzóról, érdemes-e a mély hangszóróját kivezetékelni.
(#) fakóló válasza reloop hozzászólására (») Nov 17, 2012 /
 
Ha a MID kimenetre kötöm a hangfalakat és a mélynyomónak (melyen van egy 10uf, 100v kondenzátor)az eredeti kábelezés mellett az érintkezőire rákötöm a LOW kimenetet akkor szépen szól mély hanggal együtt a subwoofer gomb is hallhatóan működik, viszont nem tudom hogy ez a bekötés nem károsítja e az erősítőt (MID illetve a LOW kimenet is gyakorlatilag egy körben van csak a MID keresztül jön a hangváltón minden hangszóróhoz míg a LOW direktben a mélynyomóhoz.
(#) reloop válasza fakóló hozzászólására (») Nov 18, 2012 /
 
A mélynyomó alatt gondolom a nem gyári hangsugárzó mély hangú hangszóróját érted.
A 10µF kondenzátor az a hangváltó része, feltételezem eredetileg egy tekercsen keresztül van bekötve. A "LOW" kimenetet ne terheld ezzel a kondival, forraszd le. Az lenne az egészséges, hogy a mélynyomónak nevezett hangszórót teljesen külön vezeték-párral kötnéd a "LOW" kimenetre.
Van hallható különbség a hangsugárzó cserétől? Csak nagyon indokolt esetben változtatnék az eredeti konfiguráción.
(#) fakóló válasza reloop hozzászólására (») Nov 18, 2012 /
 
Én is jobban szeretném a gyárit de sajna az nincs meg. Igen a nem gyári hangsugárzó mélynyomóját értettem. A hangfalban 2db 165mm átmérőjű 6ohm-os 30w-os hangszóró van az egyiken van csak kondenzátor a másikon nincs. Véleményed szerint mind a kettőt kössem a LOW kimenetre (ha igen sorba vagy párhuzamosan, mert a LOW kimenethez 8ohm van írva az erősítőn)
(#) WaRL0 válasza fakóló hozzászólására (») Nov 18, 2012 /
 
Ha minden igaz ez egy 3 sávos láda. En így csinálnám : 1db 165-ös sugárzó a LOW kimenetre a másik 10µF-os elötéttel, plusz a magas a MID-re.
(#) fakóló válasza WaRL0 hozzászólására (») Nov 18, 2012 /
 
Az nem gond, hogy a 165-ös sugárzó 6ohm-os és a LOW kimenethez 8 ohm van írva, ettől az erősítő vagy a sugárzó nem fog károsodni?
(#) WaRL0 válasza fakóló hozzászólására (») Nov 18, 2012 /
 
Hát ez erőssen kapcsolásfüggő, hogy bírja-e. Erre majd az okosabbak lehet adnak választ. Ne haragudj, de itt elfogyott a tudományom.
(#) fakóló válasza WaRL0 hozzászólására (») Nov 18, 2012 /
 
Semmi baj, köszi szépen a tippet.
(#) blasz válasza blasz hozzászólására (») Nov 18, 2012 /
 
Bocsánat most látom elirtam az értéket,1.194k amit mértem,válogattam ellenállásokat és találtam hajszálpontosan ezekre az értékekre,ezért írtam az 1.2k.Bocsi
(#) reloop válasza fakóló hozzászólására (») Nov 18, 2012 /
 
Az RSN311W64A végfok IC-hez nem találtam adatlapot, jobb híján a kapcsolási rajzban megadott terhelhetőséget kell figyelembe venni.
Az IC hat erősítő csatornát tartalmaz, melyek közül egyetlennél (LOW) alkalmaz 2x8 ohm párhuzamos terhelést. Ezt be kéne tartani, mert ha a végfok IC tönkre megy, aligha pótolható.
A hangsugárzódban a 2 db 165mm-es hangszórón kívül mi található még?
(#) blasz hozzászólása Nov 18, 2012 /
 
Üdv az MJE15032-33 elhelyezett 2db pf kondinak van értelme? elvileg azt hiszem a gerjedés miatt lett betéve.Köszönöm
(#) fakóló válasza reloop hozzászólására (») Nov 18, 2012 /
 
Van még benne két kisebb átmérőjű, egy 100mm körüli, illetve egy 50-60mm körüli amelyek 8 ohmosak.
Ha a MID csatornára kötöm a hangfalt ugy ahogy van lehet belőle gond?
(#) reloop válasza fakóló hozzászólására (») Nov 18, 2012 /
 
A hangsugárzódról jó lenne többet tudni, például hány ohm-os?
(#) fakóló válasza reloop hozzászólására (») Nov 18, 2012 /
 
Ha a csatlakozóknál rámérek 12,1-12,2 ohm mérhető.
(#) reloop válasza fakóló hozzászólására (») Nov 18, 2012 /
 
Nem így értettem a kérdést. Ez gyári hangsugárzó, van típusa, adattáblája?
(#) fakóló válasza reloop hozzászólására (») Nov 18, 2012 /
 
Gyári, de nincs már rajta adattábla, illetve van másik hangsugárzó párom is az schneider 3-Wege Bassreflexboxen Super Team LS márkájú, de azon is a típusszámon kívül annyi szerepel, hogy 8 ohm.
(#) matyusz válasza reloop hozzászólására (») Nov 18, 2012 /
 
Üdv.
Itt 0,95V-ot mérek, és például Q405 Bázisán alig pár mV-ot, amin láthatólag 1,3V-ot kéne mérnem. (Bár a rajzban belelóg az 1-es be a vonal. Q405 és 406 kollektorán pedig 0,7V helyett 32V!
A hozzászólás módosítva: Nov 18, 2012
(#) lajcsi1975 hozzászólása Nov 18, 2012 /
 
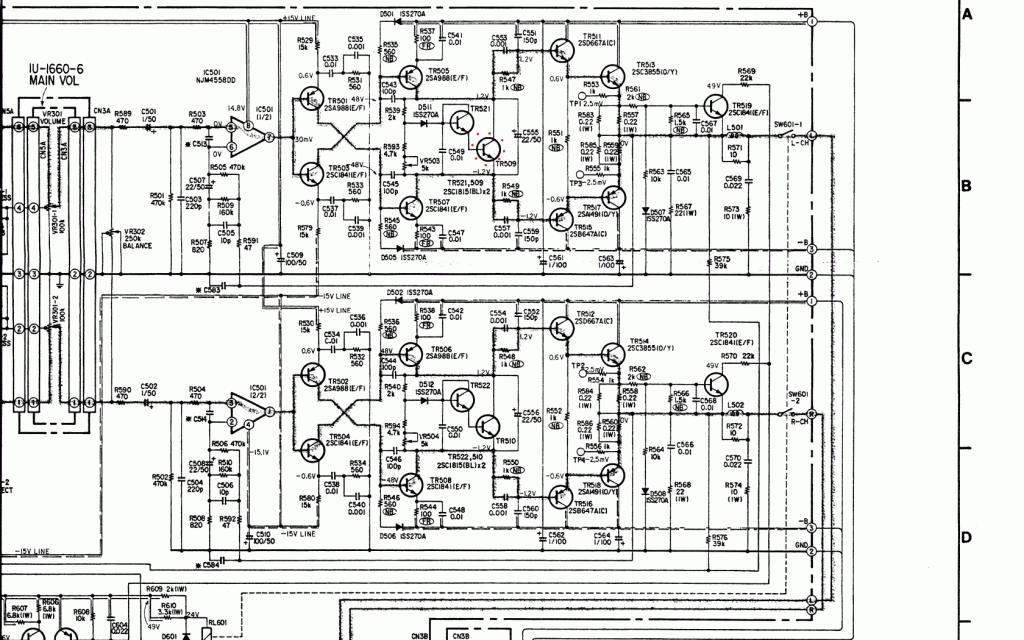
Nem nyitottam ezért egy új topicot gondolom itt nem lesz gond belőlle. Egy denon pma 320a erősítő boldog tulajdonosa vagyok ( igen nem mai darab de jól kijövök vele) de valamelyik nap szétszedve észrevettem hogy egy tranzisztor hiányzik belőle , így vettem cirka 3 éve.
Szerencsére van hozzá kapcs rajzom így meg tudom mutatni hogy honnan és milyen tipusú . A rajzon ez a tr 509-es tranyó aminek a típusa 2sc1815 továbbá ugyanilyen a tr510 , 521 és 522 is. Az lenne a kérdésem hogy ennek hiánya mennyire hat ki az egész működésére?

A válaszokat előre is köszönöm.

Az eredeti kép 1680*1050 és nem tudom miért redukálja így le , sajnos.
A hozzászólás módosítva: Nov 18, 2012
(#) fakóló válasza fakóló hozzászólására (») Nov 18, 2012 /
 
Ezt találtam az eredeti hangsugárzójáról:
RMS 10kHz, THD 10% (HIGH) 2x30w (6ohm)
1kHZ, THD 10% (MID) 2x30w (8ohm
100Hz, THD 10% (LOW) 2x70w (8ohm)
A sugárzóban mely 3utas 3hangszórós van egy super woofer (17cm, kónuszos), egy woofer (12cm, kónuszos), egy tweeter (6cm, gyűrű alakú dóm).
Ezek alapján átalakítható, készíthető hozzá hangsugárzó?
(#) fakóló válasza reloop hozzászólására (») Nov 18, 2012 /
 
Ezt találtam az eredeti hangsugárzójáról:
RMS 10kHz, THD 10% (HIGH) 2x30w (6ohm)
1kHZ, THD 10% (MID) 2x30w (8ohm
100Hz, THD 10% (LOW) 2x70w (8ohm)
A sugárzóban mely 3utas 3hangszórós van egy super woofer (17cm, kónuszos), egy woofer (12cm, kónuszos), egy tweeter (6cm, gyűrű alakú dóm).
Ezek alapján átalakítható, készíthető hozzá hangsugárzó?
(#) reloop válasza matyusz hozzászólására (») Nov 18, 2012 /
 
A mérésedből máris látható, hogy tiltás generálódik, pedig nem kéne
Van 3 db 33k ellenállás amelyeken a hibajel feszültséget ejt, attól függően, hogy túlterhelés, vagy DC váltotta ki. Ezek: R416, R466, R429. Mérd meg melyiken van feszültség esés. Most ne a testhez képest mérj, hanem az ellenállás lábakon.
(#) reloop válasza fakóló hozzászólására (») Nov 18, 2012 /
 
Az eredeti hangsugárzókat biztosan lehetne valahogy reprodukálni, ebben sajnos nincs kellő jártasságom.
A jelenlegi hangsugárzóidat páronként rákötheted a MID és a SURROUND kimenetekre. Ettől a készülék hallgathatóvá válik.
A LOW kimenetre, mivel csak mélyeket szolgáltat, elegendő lenne egy darab szub-sugárzót rákötni, mint az a házimozi rendszerekben általánosan elterjedt. Ezzel foglalkozó témát biztos találsz a fórumban.
A center is megérdemelne egy 30W-os hangsugárzót és akkor a teljes rendszeredet ki tudnád használni.
(#) Szpisti válasza lajcsi1975 hozzászólására (») Nov 18, 2012 /
 
Ha a T509 hiányzik, nagy valószínűséggel a T521 tölti be a funkcióját(mindkettő azonos típusú tranzisztor), de akkor utóbbinak a lábai nem a panelra rajzolt eredeti láb furatokba kéne mennie, hanem a kollektora a T509 kollektor helyére került, ugyanúgy az emittere is az 509 helyére.
Vagy alul a nyák van valami módon megvariálva.
Mert amúgy elég érdekesen állna be a munkapontja ennek hiányában.
De ha eddig szépen muzsikált akkor kár pisztergálni
(#) lajcsi1975 válasza Szpisti hozzászólására (») Nov 18, 2012 /
 
Van egy jelensége de ezzel nem akartalak befolyásolni. Az van hogy amikor nem a tape1-2 bemeneten van valami, hanem aux 1-2 tuner cd akkor bekapcsolás után ha halkan szól akkor az egyik csatorna nem indul be (ezt úgy kell elképzelni mintha be lenne rekedve ilyen erőtlen életlen stb.), de ha kicsit hangosabbra tekerem akkor jol hallhatóan beindul és ezután már halkan is szépen szol. ez a 2 dolog összefügghet?
(#) fakóló válasza reloop hozzászólására (») Nov 18, 2012 /
 
Köszi a választ.
(#) Beringer 600 hozzászólása Nov 18, 2012 /
 
Sziasztok! Meg építettem a szóban forgó koppanás gátlót,működik,csak annyi vele a gondom,hogy a relé meg húzása után 10mp után alszik el a protect led.tudnátok segíteni hogy melyik alkatrésszel lehet be szabályozni,hogy a relé meg húzásával arányba aludjon ki a protect led.Előre is köszönöm.
(#) reloop válasza lajcsi1975 hozzászólására (») Nov 18, 2012 /
 
Szia! Ezek a tranzisztorok állítják be a végtranzisztorok nyugalmi áramát, és gondoskodnak arról, hogy a hőmérséklet változás ellenére stabil maradjon.
Egyik lehetőség, hogy azért nincs beültetve az előrajzolt helyére, mert a hűtőbordához van fogatva. Másik: a szabályzás eltér a kapcsolási rajztól.
Abban biztos lehetsz, hogy nincs tennivalód, mivel az erősítőd nem füstöl .
Következő: »»   1173 / 2580
Bejelentkezés

Belépés

Hirdetés
XDT.hu
Az oldalon sütiket használunk a helyes működéshez. Bővebb információt az adatvédelmi szabályzatban olvashatsz. Megértettem