Fórum témák
» Több friss téma |
Mielőtt kérdezel, a következő két dolgot ellenőrizd!
I. A helyes tápfeszültségek megléte.
II. A kimeneten van-e egyenfeszültség.
Élesztés.
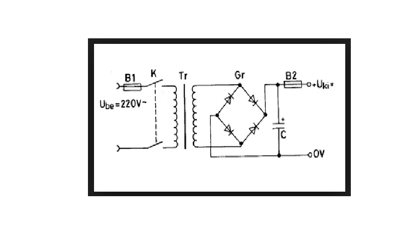
A dióda hídon a sarukat lehúzva (helyüket megjegyezve) zárlatot keresünk.
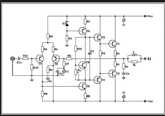
Sikerült izzót tenni a hálózati feszültség egyik ágába? A puffereket így feszültség alá helyezheted. Annyi a tennivaló, ha sikeresen feltöltődnek, akkor kikapcsolás után ismét mérj rá, hogy a 10k ellenállások kisütik-e. A kivett biztosíték mellet mértél zárlatot a végfokok felé menő tápágak és a test között?
Szia! Gagyi műszerem van szakadás mérőállásba mértem ki a dióda hidat lehúztam a sarukat, és úgy mértem ki. Még nem tettem rá a 2x56votot csak a 2x64votot meg a 2x17voltot de a 2x64voltnál kinyomta a biztiket. Ha most ráteszem a 2x56voltot is és kiveszem azokat a biztiket akkor nem fog kapni áramot a végfokozat rész. Oké evvel nincs is baj de ha megint füstölni fog? Szerintem hagyom az egészet mert még jobban elrontom. inkább elviszem majd egy szakemberhez. Nem azt mondom jó lenne ha meg tudnám javítani de nagyon kezdő vagyok még mindig
Rendben. Amit az izzó használatáról írtam, azt a jövőben tartsd szemelőtt.
Hello. Lehet magától érthetődő a kérdésem,de szeretném a biztonság kedvéért feltenni. Olyan erősítőt szeretnék építeni aminek a kimenő ágában azaz a hangszorón az U opeak=28V és a I csúcsértéke 3,5 A. Akkor olyan trafót kell szereznem ami a szekunder oldalon ezeket az értékeket adja?
Előre i kösz a választ
Váltottad a műszert váltóból egyen állásba? A híd után már egyenáram van, csak még lüktet.
Nem. Az egyenirányított feszültségnek nagyobbnak kell lenni, mert a végtranzisztorokban (topológiától függően) néhány V bennmarad. Ez általában 4-8V, tehát ha 28V-os kimenőfeszt akarsz csúcsban, akkor ahhoz 36V-os tápfesz kell. Persze ez csak akkor igaz ha a táp jelentősen túl van méretezve, mert ha nem, akkor a terhelés hatására ez kevesebb lesz.
Az igazi az, ha a trafód a csúcsáramot is tudja szolgáltatni, de ennek jóval alá szoktak méretezni a gyakorlatban, inkább több puffert használnak, és az átlagteljesítménnyel számolnak. Szobai felhasználásban az effajta méretezés megfelelő, de ahol kőkeményen dübörögni kell oda nem.
Szia! Úgy is írhattad volna, hogy 50W/8 ohm. A szekunder ajánlott feszültsége 2x24Vac, vagy 1x48Vac, az erősítőd felépítése szerint. Csatornánként 1,5-1,7A terheléssel számolj AB osztályú erősítőnél.
Szia! Igen! Dc-be állítottam a műszert és úgy mértem az egyenirányító híd után. A 2x56volt megy a diódára, de hogy lehet az hogy 2x25volt jön ki a dióda híd után?
Lehet, hogy mégis rossz a graetz?
Mérj rá a graetz kockára, de ne szakadást keress, hanem a diódákat ellenőrizd benne multiméter dióda állásába. A hozzászólás módosítva: Júl 15, 2013
Szia! Nem tudom ezzel lehet mérni úgy? gagyi multiméter.dt-830
Persze, lenn a 200-as mellett egyel jobbra, a dióda jellel, ki kellene mérni a graetz kockát, ami nem más mint négy darab dióda egy tokban. Kapcsold dióda állásba a multidat, a pirosat tedd a + jelzésre, a feketét pedig az egyik hullám jelre, majd a másikra, mindkettőn szakadást kell mérned! Majd cseréld meg a mérőzsinórokat, fekete a + ra, piros a hullámra, majd a másikra, mindkettőnél 800 körüli értéket kell mutasson, ha jó. Következő mérés, piros a - jelzésű lábra fekete a hullámokra, érték 800 körül, majd mérőzsinór csere, szakadást kell mérni. Nem bonyolult ugye? Ha ezektől eltérő értékeket mérsz, akkor rossz a graetz kockád. Próbáld meg, jelöld meg a vezetékeket, húzd le őket, vedd ki nyugodtan a graetzet, és mérd meg.
Csak egy megerősítést kérnék tőletek. Mivel az elektro boltba nem volt CD2025CP-s IC, ezért helyettesítésnek TEA2025B-t rendeltem. Jól emlékeztem, hogy az 5.1-nél ezt a típust javasoltátok, vagy sikerült mellé nyúlnom?
Szia! Neki álok és vissza írok mire jutottam.
Rendben. Kiváncsian várom. Lehet, hogy az érték nem pont 800 körüli lesz, lehet csak 500 környéke, ez nem gond, lényeg, hogy ahol szakadásnak kell lenni, ott szakadást mutasson, ahol érték ott érték.
A hozzászólás módosítva: Júl 15, 2013
Sziasztok, nekem is lenne egy problémám, röviden a helyzet: adott egy LR 24dB/oktáv aktív váltó olyan elrendezésben, hogy: az első rész levágja a 40 Hz alatti hangot (470nF, 6K8), utána ez kettéágazik, 1800 Hznél van a keresztezési frekvencia (470uF, 130R), szóval összesen 3 NE5532-vel van megoldva. A végerősítést 2 BB OPA548 végzi. A táp 340VA 2x20V , +-28V egyenirányítva 2x10000 µF + hidegítők, ebből a váltónak 7812 és 7912 állítja elő a feszt, de ez mindegy is, mert PC tápról járatva az egész rendszert, ugyanezek a tünetek:
Hangszóró nélkül rendben van minden, nincsen DC a kimeneten, viszont ha a mély ágra kötök egy 4 ohmos hangszórót, elkezdi ütemesen ki-be tolni a membránt, kb. 1/s sebességgel, egyenfesz megy rá, potméter állástól függetlenül 8 ohmon ugyanez, csak nagyobb hangerőnél kezdi. Ami azért furcsa, mert bírnia kell a 4 ohmot, használtam már annyival ugyanezt az OPÁ-t. Ha kiveszem az NE5532-t, akkor jó, persze nem vág a váltó. A magas oldal ilyet nem csinál, viszont gerjed, van benne valami sípolás, ez eltűnik, ha az NE előtti potméter félig le van tekerve. Így viszont halk, egy telefon például 3x hangosabb. A végfok gain ~47 dB-re van állítva [1+(48/2213)] ami rengeteg, de fele ennyivel is ugyanezeket produkálja. A panel igaz, hogy nem lett valami szép, mert végül tollal rajzoltam, de nem látok rajta forrasztási, elkötési hibát. Első próbálkozásom a nyáktervezővel, szóval elnézést érte. Hol keressem a hibákat?
Szia. A 10va trafó nagyon kicsi. Kellene minimum 70va, ha sztereót akaraz akkor 140VA kellene.
Szia! Kimértem ahogy leírtad és 600-at mutatott.
A 2x24Vac-nak az a jelentősége, hogy az erősítőd számára a testhez képest pozitív és negatív tápfeszültséget is elő kell állítanod, például így.
Mint írtam, csatornánként 1,5-1,7A-rel számolj. A feszültség és az áramerősség szorzata adja a teljesítményt, tehát (24V+24V)*1,5A=72VA. Sztereó kivitelnél ez duplázandó, 140VA lenne egy ideális transzformátor teljesítmény. A kinézett 120VA-es példányok is megfelelőek lesznek abban az esetben, ha nem kell az erősítőnek egész éjszakás bulit végigbömbölnie
Szia! Hát Úgy látszik nekem kell kideríteni, hogy mi lehet a baja mert ahogy írtam reloopnak is hogy inkább megnézettem egy szakemberrel de ma el is mentem de nem vállalta el sajnos
Ahol én lakom nem is tudok olyan megbízható embert aki megnézné nekem és nem mond rá 20ezreket.
Szia! Nehéz átlátni ezt az információ szegény nyomtatott áramköri tervet. Nem hibáztatlak, első nekifutásnak így dolgozhattál vele eleget.
A táp és/vagy a test szerencsétlen kialakítása miatt erős terhelés hatására az áramköri elemek egymásra hatnak, ez okozhatja az alacsony frekvenciás oszcillációt. Ilyen, több műveleti erősítőt tartalmazó áramkörben a táplábaknál feltétlen 100uF+100nF hidegítést kell alkalmazni, és pár tíz ohm leválasztás sem árt a betáp felől. A 470µF remélem elírás, 470nF akart lenni , bár még így is túl nagy. Válassz olyan R-C párt ahol az ellenállás értéke nem kisebb 2k-nál, mert túlságosan terhelné a meghajtó fokozatot. A 130 ohm például vészesen kevés.Képkivágás segítségével összemontázsolhatnád a teljes kapcsolást, hogy rajzi szinten meg lehessen beszélni. Nem tudom ezt a cikket tanulmányoztad-e már? A frekvencia sáv kettéválasztására elég egyetlen szűrőt elkészíteni. Ha a fél sávot kivonod az alapjelből máris megkapod a sáv másik felét.
Az alábbi trafó megfelelne? Biztonsági transzformátor, STR sorozat 230 V/AC 24 V/AC 2,5 A elma TT
Néha azért felmerül bennem, hogy kell-e az olyanoknak segíteni erősítőépítésben, akik az Ohm törvényt sem tudják?
Erre gondoltál? - idő közben linket cseréltem.
Olvasd el az előbbi válaszomat! A hozzászólás módosítva: Júl 15, 2013
Az eddig leírtakból érthető, hogy miért nem alkalmas?
Szia, köszönöm a gyors választ. Igen, elírás.
Ezt benéztem egy kicsit... Most ismerkedek a műv.erősítőkkel, és úgy voltam vele, hogy legyenek kicsik az ellenállások, akkor több marad a jelből. A cikket megnéztem, igazából abból indultam el, de mivel az kicsit bonyolultabb, mint amire nekem szükségem van (2 út, mono), átmentem az angol oldalra, amire a cikk is épült, és az ottani programot és sémát használtam, azt meg nem figyeltem, hogy pidsbc is 10K-s ellenállásokkal dolgozott... :/Szerencsére van itthon 5,6 pF-os kondenzátor, azzal meg kb. 11,5Kohmra adódik azt összerakom 6,8+4,7ből, működnie kellene ezek szerint. 1,3K kevés? Csak mert amellé lenne Wima kondi is. Kivonásra nem is gondoltam, pedig egyszerűbb, és kevesebb anyag kell hozzá, tetszik. A hidegítést a lábaknál úgy érted, hogy a 100uF+100nF-dal párhuzamba tegyek pár ohmot? 47 például? Újrarajzolom a NYÁKot, mi tekinthető szerencsés kialakításnak a tápnál/testnél? Itt megpróbáltam a földet minél nagyobb kiterjedésűre csinálni, a vezetők meg akkorák, amit a lábközök engednek. |
Bejelentkezés
Hirdetés |





Mérj rá a graetz kockára, de ne szakadást keress, hanem a diódákat ellenőrizd benne multiméter dióda állásába. 





, bár még így is túl nagy. Válassz olyan R-C párt ahol az ellenállás értéke nem kisebb 2k-nál, mert túlságosan terhelné a meghajtó fokozatot. A 130 ohm például vészesen kevés.





