Fórum témák
» Több friss téma |
Mielőtt kérdezel, a következő két dolgot ellenőrizd!
I. A helyes tápfeszültségek megléte.
II. A kimeneten van-e egyenfeszültség.
Élesztés.
Szia!
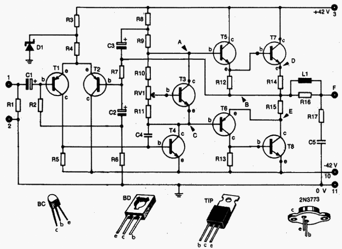
Tápfesszel kapcsolatosan kérdeznék , ha lehet. +-48 voltról próbálom éleszteni , viszont a tápkörbe bekötött izzók világítanak ,nyugalmi poti állásától függetlenül! Melyik ellenállatot kell növelnem , hogy egyáltalán nyugalmi áramot tudjak állítani?Míg el nem felejtem d1 dióda 9v1 helyett 12voltosat építettem be!
Milyen izzó?
De mindegy is, T3-nál az "A" és "C" pontot rövidrezárva semminek nem kellene világítania... Ugyanakkor az "F" ponton nem lenne szabad érdemben feszültséget mérned...
Hibakeresés céljából, csak ideiglenesen.
Ilyenkor nem lenne szabad számottevő áramot felvennie, hacsak nincsen valami nagybaj...
Mindkettő ágba, és mekkora?
Hangszóró ugye nincsen rajta?
Megvan a hiba! Én néztem el nem kicsit
T4 t6-ot felcseréltem! ![]() Gyönyörűen indul! Mekkora nyugalmit állítsak?
Amikor már nagyon halkan nem torzít/reszelős a hangja.
Mellesleg: Ügyes vagy. A hozzászólás módosítva: Jan 18, 2024
Üdv!
Ebben a Heed Canamp utánépítésben kábé mennyit disszipálnak a BD139-ek? A cikk csak annyit ír később, hogy "Egy sztereó változatnak bőven elég egy PC tápból kitermelt hűtőborda", de azért ez alapján bolti készletből nehéz választani.
1.44 W-ot, tehát egy 10K/W-os hűtőzászló/tranzisztor lesz kb. 45 C fokos.
Köszi!
Ezt a fajta nyugalmi beállítást már alkalmaztam egy-két alkalommal! Szóval addig kell neki adni az áramot, míg nagyon kicsi hangerőn tozításmentesen nem szól! Egyszóval éppen hogy nyitva legyenek a végtranyók?
Szia!
Nekem van ehez 2-2 végtranzisztorral teljes dokumentáció,és kész modul is. Ha érdekel szívesen felteszem ide.
Sziasztok!
Találkozott már valaki ilyen zajjal mellékeltem. Rendszer össze állítás PC- Keverő- Crossower 2 Végfok. PC keverő aszimmetrikus kábellel van bekötve. Keverő Crossower Szimmetrikus kábellel van be kötve. Crossower 1 Végfok Szimmetrikus kábellel van be kötve (Sub) Crossower 2 Végfok Aszimmetrikusan van bekötve (Top) Ha az erősítőkre nincs bedugva semmi a zaj nem hallatszik néma csend. Vagy a crossower lett valamiért zajos vagy a keverő. Csak tudnám a zaj okát hogy mi okozhatja. De van egy olyan érzésem hogy a Crossowerbe kapcsi táp döglődik A hozzászólás módosítva: Jan 21, 2024
Nem tudom lejátszani a hangot, de a leirtakbol valoszinü földhurok a gond
mindjárt valahogy át konvertálom mp3 ba
Nem üres csak olyat kellene hallanod mint a kígyó sziszegés.
A másik gepen már hallani. Ez még lehet földhurok. Huzd ki azt a xovert ami nem szimmetrikus.
Kihúztam ami nem szimmetrikus és még mindig hallani ezt a hangot.
Top néma csendbe van.
Egyszerűen csak zajos (flicker-zaj) az a részegység, amit rákötsz.
Másik a xover kimenetén jel nélkül 1 GND lábhoz képest a bemeneten 2mV DC mind a 2 oldalt.
A kimeneten a 2 lábon -6mV van minden kimeneten. Idézet: „Ez még lehet földhurok.” Földhurok alacsony frekvenciás zavart produkál. Sistergő, sziszegő zajokat, gerjedés, hibás félvezetők és egyéb hibaforrások okozhatnak...
A mai modern cuccok világában ez már nem igen stimmel. Pontosan ilyen zizeges, gerjedés is lehet, nemcsak a régen megszokott brumm.
Fizikát nem lehet becsapni,
A hozzászólás módosítva: Jan 21, 2024
Begyár idegesítő hogy ezt csinálja.
Hálózatból 230 tud zajt össze szedni mert a kazán mikor kapcsolgat akkor egy halk pukkanás jelen van. meg bármit be kapcsolunk. A hozzászólás módosítva: Jan 21, 2024
Akkor mégis csak földeléssel van gondod.
Azt se tudom hogy mit kéne meg néznem
Bár az egyik Végfoknak csak a doboza van le földelve a test nem ér a házhoz hozzá.
Márpedig ha nem szimmetrikusan kapcsolsz hozzá valamit, akkor valahol összeér a testel. Nem tudom milyenek a xoverek, ha azok is hálozatra mennek akkor komolyabb vizsgálatot kell csinálni. Milyen bennük a táp stb.
Ezek szerint basszusben föznek. S mikor kezd el zajongani? Ha kikapcsolod a topot akkor is zug? Egyenként kapcsold be es probáld kiszürni mi okozhatja a zajt. Elöször bemenetek nelkül, majd egyenként dugd be a kábeleket (jel nélkül). Ilyesmihez neha eléleg a hosszabb kábel is már jön a zugás vagy a közeli rádio. |
Bejelentkezés
Hirdetés |













