Fórum témák
» Több friss téma |
Mielőtt kérdezel, a következő két dolgot ellenőrizd!
I. A helyes tápfeszültségek megléte.
II. A kimeneten van-e egyenfeszültség.
Élesztés.
Még jó hogy nem azt irtad nagyapjának az unokája
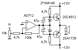
Talán ha a kapcsolást felraktad volna miről van szó, nem ironizálnánk
Jó estét mindenkinek!
Lenne egy -nem igazán ebbe a topicba vágó- kérdésem. Röviden: Hogyan lehet fázishelyes* aluláteresztő szűrőt készíteni, aminek a -3dB -es vágási pontja kb 50Hz -en van? (Mélynyomó erősítő elé szeretném kötni.) (itt a fázishelyes szó alatt azt értem, hogy nem tol fázist egyik irányba sem 100Hz alatt)
Idézet: „Talán ha a kapcsolást felraktad volna miről van szó, nem ironizálnánk” Ha ezt nekem szántad akkor kérdem én,miért is tettem volna fel? .Aki ért hozzá az úgy úgy is keni-vágja,hogy csak elképzeli. Ilyen pl:"kadarist" is. Amúgy az ellenállások megoldották a problémát.
Így csak a vakszerencsén múlik, hogy van-e DC a kimeneten (gondolom, nem tudod korrekten válogatni a tranzisztorokat - karakterisztikarajzoló hiányában - nem állítható egyik bázisáramot korlátozó ellenállás sem). Megint elhagytad a kimenetről a visszacsatoló hurkot, miért? Semmivel nem lenne bonyolultabb, ráadásul a végtranzisztorok torzítását is hatékonyan csökkentené az a hurok. Miért akarsz mindenáron - 50 évvel tranzisztor korszak kezdete után - mindig feltalálni valamit? Tudom, csak.
A kimeneti dc elég jó, az egyik oldalon 2, a másikon 8 mV, erre odafigyeltem. Nem lehet hogy valami előny is származik abból ha nincs benne a végfok visszacsatoló hurokban ? Audiofil gyártók szeretik átfogó visszacsatolás nélküli erősítőkkel öregbíteni hírnevüket... amúgy... csak szeretem átlépni a határokat és megnézni a saját szememmel, mi van "odaát"... lehet hogy az igazság ?
Ha már ott van az OPA-n az a borzalmas drasztikus visszacsatolás, akkor tkp. nem oszt, nem szoroz az, hogy a kimenetről jön-e vissza vagy a végtranyók meghajtásáról. Ahol nem szeretik a visszacsatolást, ott eleve kisebb erősítésű fokozatokkal dolgoznak, és nem 100dB-es erősítőket fognak vissza 20dB körülre.
Ezt a kapcsolást egyébként szokták úgy megépíteni, hogy az OPA kimenetéről a kimeneti pontra is van egy ellenállás, és a visszacsatolás tényleg a kimenetről jön vissza. Az OPA kimenetén lévő ellenállás a nagyon kis hangerőknél csökkenti a keresztezési torzítást (mert azért valljuk be, ebben a kapcsolásban a végtranzisztorok nyugalmi árama eléggé esetleges, és rendkívül alacsony), és a kimenetről jövő visszacsatolás szintén ezt javítja.
Rendkívül alacsony ? 120mA ! Mindkét oldalon, elég pontosan. Erre is figyeltem...
Hát, az akkor mázli. Pontosabban a fene tudja, mennyire jó, ha akkora, mivel semmi nem stabilizálja. Gondolom, az 1N4148-akat nem tetted a végtranyókkal közös hűtőbordára. Így esélyes, hogy ha egy kicsit megfűtöd, akkor megszalad az áram a tranzisztorokon, még akár tönkre is mehetnek.
Szerintem - és a tankönyvek szerint - nem származik túl sok előny, ha a végfokot kihagyod a hurokból. Bár vannak ilyen erősítők - Highand Mester is publikált már nekünk ilyet, és állítása szerint igazán jól szól - de ezek sokkal bonyolultabbak (még a végfokozat is 6 tranzisztorból áll), a meghajtás is tranzisztoros, esetleg miért nem próbálod azt az áramkört után építeni, hátha megérkeznél oda, ahová mindig is szerettél volna hangügyileg. Nem szégyen a "nagyoktól" tanulni, Highand Mester fejlesztőmérnök. Persze, tudom, akkor az már nem a Te "gyermeked".
Üdv mesterek !
Ek kis segítséget szeretnék kérni tőletek .Van egy házi gyártmányú erőködőm amit az idő vas foga egy picit megrágott már (a nyákok nem voltak korrózió ellen védve) és új nyákot csináltam meg kicseréltem benne az összes alkatrészt és most az a problémám ,hogy csak recseg meg az egyik oldalon van egy tranzisztor ami melegszik azonnal ahogy bekapcsolom (vasalni lehetne vele) .teszek fel néhány képet első az eredeti felülről 2 eredeti alulról 3 új alulról 4 új beépítve.nem tudjátok mi lehet a probléma? ha kell még kép szívesen teszek fel róla csak légyszíves segítsetek mert a monitor hangszórótól már égnek áll a hajam. Amúgy az erősítő üzemelt előtte sacc 10 évig . segítségeteket előre is köszönöm
A lényeget elfelejtettem
a pirossal bekarikázott jószággal van probléma mivel ugyan olyan a két oldal és a másik nem melegszik :s teszek még fel néhány képet. Amúgy egy BD 139-es tranzisztor
Őő, és ha rakok bele még két pár fetet úgymár stabilabb lesz 8 Ohmon?
Többször végignéztem, hibát nem találtam, az égőt a primerbe tettem csak elírtam. Végig böngésztem ezt a pár oldalt, mert valaki írta hogy már találkoztatok vele. Találtam is egy észrevételt, hogy a Differciálerősítő T1,T2-nek az erősítésének egyezznie kell. Hát mértem, vettem egyezőt, kicseréltem és most meg a T5-ös izzik.
Mitől romolnak el a BD 139 tranyók?Nekem már 2t kellett cserélni.Ilyen rosszak vagy mi.Mert amíg csak nekem volt (hát biztos én csinálok valamit rosszul.)De most hogy már másnak is gond van vele...
Lehet az is hogy egy stikes szériát kifogtatok
Vagy áramkörileg van határértékfelett hajkurászva. Erről véleményt csak a kapcsrajz, tápfesz, ellenálás értékkel lehet mondani
Van nekem egy autós erősítőm (tipikusan márkájanincs), amiben oldalanként van 2-2 TIP2955 és TIP3055.
Mikor hozzám került, akkor az egyik oldal nem bírta a terhelést. Terhelés nélkül szépen ki lehetett vezérelni , még sin40Vpp is kijött belőle. (+-22V-os tápról). De ahogy ráakasztottam a terhelést (4ohmos hangfal) a kimenő jel negatív oldala eltorzult. Ha felvittem a frekvenciát több száz Hz-re akkor ez a jelenség csökkent, ill. meg is szünt. Nézegettem, és lám: hiányzott az egyik PNP tranzisztor. Gyorsan pótoltam egy TIP147 -vel. Meg még kicseréltem 2 ELKO-t. Telt múlt az idő (kb 1 hónap) , és egyszer csak azt vettem észre, hogy az egyik oldal nagyon torzít (arról az oldalról van szó, ami eredetileg jó volt). Ránéztem szkóppal, és itt is a negatív oldal hibádzott. Terhelés nélkül kijön belőle a szinusz, de terheléssel nem. (Hasonló képen, mint ahogy fent írtam a másik oldallal kapcsolatban, DE a lényeges külömbség, hogy ezt az oldalt terhelve akármilyen kicsi is a kivezérlés (pár V) a szinusz -ugyan megmarad egy darabig- negatív fele sokkal kisebb, mint a pozitív, és nagyobb kivezéreltségnél pedig teljesen eltorzul. A végtranzisztorok bázisán ugyan olyan a jel, mint a az emitterükön, és ez igaz a meghajtókra is. Tehát vagy a végtranyók húzzák el visszafelé az egészet, vagy már eleve rossz jel megy a meghajtókra is. (a műveleti erősítő kimenetein még nem látható torzulás a jelben) Szerintetek mit kéne megnézegetni, megméregetni, esetleg kicserélni, és mire? (lehető legkevesebb forrsztással) ( a képen van két sárga karika, ott voltak az ELKO-k amiket kicseréltem 100µF ról 470µF -ra)
Teszek még fel képet.
Szia!
Ha van egy jó oldalad, összehasonlíthatod a feszültségeket, hogy hol van eltérés. Érdemes szétnézni a meghajtó-végfok könyékén. Nálam egy hasonló esetben egy tranzisztor bázisával soros ellenállás megnyúlása okozott ilyesmi hibát.
Oké, köszönöm. Első körben elég a munkaponti feszültségeket összehasonlítani?
(Erre az ellenállásos dologra én azért nem gondoltam,mert nem látszik egyik ellenálláson sem pörkölődés, sem pedig tranzisztoron. Sajnos tranzisztorból van benne egy marék/oldal, és még csak rövidzárvédelem sem futotta ebből:S) Az lehetséges, hogy egy tranzisztor úgy hibásodik meg, hogy leesik a bétája? Idézet: „Az lehetséges, hogy egy tranzisztor úgy hibásodik meg, hogy leesik a bétája?” Lehetséges. De megszakadhat, zárlatos lehet, átvezethet stb. Ha az ellenállás megnyúlik, sokszor nincs látható jele.
De az még a gond, hogy hiába mérnék munkaponti feszt, mert csak TERHELT vezérlésnél jön elő a nyomora
Igen, nem biztos, hogy ki tudod mérni, de lehet szerencséd. Pl. egy bázis-szakadt tranzisztornál ha 0.2V-al feljebb megy a feszültség az már számottevő.
Érdemes minden tranzisztornál odafigyelni a bázis-emmiter feszültségre, mert sokat elárul az adott fokozatról.
Nem kötekvésből; de az erősítő láncban van szakadt bázisú tranzisztor, akkor hogyan érkezhet meg a helyes jel a kimenetre (terhelés nélkül)?
Az én esetemben például a meghajtó emitter és a végfok közötti ellenállás volt szakadt, ezért csak a meghajtó működött a végfok nem. Kis hangerőnél elég volt a meghajtó emitterárama, hogy ne torzítson az erősítő, de mikor már kellett volna a végfok árama is, akkor kezdte torzítani a jel azon felét, ahol a végfok nem kapott áramot. Ha pl. szakadt a végfok tranzisztor bázis emmiter átmenete, akkor is ugyanez a helyzet.
Másrészt egy erősítőben nemcsak erősítő tranzisztorok vannak(ez elég hülye megfogalmazás), hanem pl. áramgenerátorok, áramtükrök. Ha itt hibásodik egy tranzisztor az sem biztos hogy teljes hangtalansággal jár, hanem csak a munkapontok durva eltolódásával. Mellesleg nézegetve az erősítődet, szerintem van benne védelem, csak nem biztos, hogy működik.
Inkább forditva. A használattól _föleg a melegtől_ tovább ötvözödik és csökken a letörési feszültsége és növekszik a bétája
Sziasztok!
Csinálni akarok egy tda2003, 10W-os erősítőt, az adatlapján ottvan egy kapcsolás, és még az hogy egy kondi értéke megtudja határozni az erősítő frekvenciáját. Nekem olyan kellene, ami olyan 20hz-tól vagy 6000hz-ig adja a hangokat, akkor milyen értékű kondit tegyek annak a helyére? Köszi!
Nemis, inkább 60hz-től 6-7000 hz-ig
Köszi!
Sziasztok!
Van egy TDA7250-es végfokom egy reflex rx500 védelemmel. Kijavítottam a hibát a védelmen és csodálatosan működik. Ráadtam a bemenetre a jelet, rákötöttem két hangszórót és szólt örültem is neki. Utána rákötöttem a mélyhangszórómat az egyik csatornára a másikról meg levettem a kicsit. Odatekertem a hangerőt és elhallgatott. A végfok két oldalról van táplálva mind2 oldal külön vezetékkel kapja a tápot de 1 trafóról(200VA, 2x25V). És azon az oldalon amelyikre be volt kötve a hangszóró kilőtte negatív tápfeszen lévő biztosítékot, meg a táppanelen is. Valaki meg tudja mondani nekem miért történhetett? Mindenhova 2,5A-es lomha biztosítékot raktam. Köszönöm. üdv. fricihun
Na egyre jobb, mostmár olyat csinál, hogy bedugom a tápkábelt, és ott szól 1-2 másodpercig, utána psszt... de a trafón megy át áram, tehát azzal nem lehet gond (remélem)
Próbáltam újrakötni a drótokat, hátha valami elszakadt, de ahol baj volt, azt már megreparáltam. Több ötletem már nincs mi lehet a gond, csatolok 1-2 képet is(előre szólok, nagy a káosz) Na jó, mégsem csatolok képet, hála Istennek megszűnt létezni az átjátszó kábelem. |
Bejelentkezés
Hirdetés |




.



















