Fórum témák
» Több friss téma |
Ha csak a mechanikus zugás zavar, azzal nem igen érdemes veszödni. Ha összerakod a cuccot egy dobozba akkor máris lehalkul, pár méterröl meg már nem hallani. Ezen nem sokat tudsz segiteni. Valamikor az ilyen trafokat impregnáltuk és un. szilentblokkokra épitettük.
Szigorúan védőföldes aljzatot építs be, ez az IEC ami a pc tápok hátulján is van. Fúrj egy lukat a puffer közelébe a sasszéra, amibe majd egy átmenő csavart raksz , pl 3ast. Az IEC aljzat föld lábára forrassz egy vezetéket (legyen hosszabb jóval ,mint a fázis/nulla vezeték ami innen elmegy a kapcsolóra vagy trafóra. Ennek a magyarázata annyi, ha ki is szakad a csatlakozó, a védőföld tartson a legtovább), aminek a végére tegyél egy szemes sarut, ez megy majd az átmenőhöz. Kell még egy vezeték szemes saruval ,ami az átmenőtől megy a puffer negatív lábára (innentől a puffer negatív lába az egypont föld, minden áramkör felé menő föld vezeték ide fusson be;pl előfokozat földje, RC létra földje, végfok földje, hangszóró földje stb..) továbbá minden ettől a ponttól elszigetelt kiterjedt fém felület is mehet ide, erre a 3as átmenőre a sarukkal, lehúzva alátéttel, rugós alátéttel, anyával, ha paranoiás az ember, mint én, akkor önzáró anyával, meg még köröm lakkal le is szoktam kenni. Innentől kezdve a sasszé is föld potenciálon lesz ,ami egyben az áramkör legnegatívabb pontja is lesz, tehát a fém házas potik teste eleve a felfogatás miatt fémes kapcsolatba kerül a földdel. Semmi más nem szükséges, sőt, ha egy vezetékkel még összekötöd és leföldeled a feneküket, akkor földhurkot hozol létre. Klasszikus ez a régi fendereknél és marshalloknál...csak azért mert gyári, még nem biztos, hogy jó is! persze innen belátható, hogy a bemeneti jack aljzat is legyen elszigetelve a sasszétól. Nagyon jók a műanyag neutrikok pl... Zs.
A hozzászólás módosítva: Feb 16, 2013
Üdvözletem, hozzám került egy Vermona DRM MKIII dobgép, javításra, de nem tudok nekiindulni kapcsolási rajz nélkül, valaki tudna-e segíteni? Első körben nagyon sokat számítana ha adna rajzot valaki.
Szerintem dobj egy mailt nekik, hogy szükséged lenne a rajzra javításhoz, hátha elküldik.
info@vermona.com
Hi!
Neztem a PC tap puffer kondijait de azok csak 200V-osak, igy azokat nem rakom be. Viszont az egyeniranyitoja sztem nyero -RS405L-Bővebben: Link Ahogy neztem a TV tapjaban viszont van egy 120µF/400V-os kondi de majd holnap! A tapkabelen viszont ragodom bonthatos vagy fix-re szerelheto legyen-e. Megterveztem az elolapot majd holnap ha sikerul ossze is dobom. Meg egy kerdes: ha bor boritast szeretnek milyet ajanlanal?
Szia!
200V-os igen ,de lefogadom, hogy 2 van sorba kötve, egy átlag kisebb tápban 470µF/200V -os körüli van, abból kettő sorban is több mint 220uF. Két 470uF, mindegyikkel párhuzamban egy 470k ellenállás, ami egyrészt elosztja a feszültséget egyenletesen rajta a kapacitás eltérésüktől függetlenül, másrészt gondoskodik a kisütésről (mindenképpen tegyél a pufferre, ha egyet használsz is - ami persze egészségesebb - egy kisütő ellenállást, 470k körül nyerő. Ha lekapcsolod, az gyorsabban kisüti a kondit, ha meg megy a készülék, akkor nem zavar semmit.), ami elég fontos. A pc táp bontásból már eleve van egy iec aljzatod, azt meg kifúrni és kireszelni a sasszéba igazán nem nagy ügy. Persze a fix is teljesen jó...A pc tápból a "primer" táp körből több hasznos dolgot is ki lehet termelni, megfelelő X -es és Y -os kondikat, sokat nem zavar, de ha már bent van ,attól rosszabb nem nagyon lesz. A gréc nyerő. A bőrben sajnos nem sok tanácsot tudok ,adni, nekem kárpitos szokta csinálni, nem tudom milyen bőrből, csak a színt kell megadnom és profin megcsinálja! Zs.
Ezt a puffer kondit akkor ugy gondolod, hogy a most meglevo 50µF/350V helyett rakjam be a ketto sorbakotott 470µF/200V-osat?
A fix tapkabel mellett dontottem. Az elolap is kesz csak nem tudtam "kihozni" a cegtol ! Ilyen lesz.
Igen, úgy sokkal jobb eredményt érsz el, csak a fizikai távolságok legyenek kicsik a 2 kondi között, mindent minél rövidebb vezetékkel.
Az előlapodon csak annyi nem tetszik, hogy nem logikus a kezelőszervek helyzete a jel haladási iránya miatt. Gondold el, bejön a jel az inputon, rámegy az első erősítő fokozatra, onnan a gén potira elszáguld a legmesszebb, majd folytatódván a tone stackkal aztán a vollal. Ez az egyik, a másik, hogy ebben az esetben egy érzékeny pontot, a gain potit oda teszed a ki/be kapcsoló mellé, ami váltóáram , nagyfesz, relatíve nem is kicsi áram, megszórhatja azt a pontot rendesen, továbbá a bemenethez közel teszed a már felerősített, ráadásul ugyanabban a fázisban levő jelet, ami meg ha amazt szórja meg, akkor szépen begerjedhet. Persze ez nagyon szélsőséges eset, de minek kísérteni az ördögöt? Szerintem a klasszikus megoldás az az in-gain-bass-treb-vol -al inkább helyes. Persze így is jó és nem rossz... Zs.
OK ertelek, akkor balrol jobbra In-Gain-Trable-Bass-Vol lasd:Bővebben: Link
Ha annyira gazos lenne (amit nem hiszek) meg teszek egy fem sapkat a fokapcsolora. A kondikat meg holnap berakom.
Nézd én csak felhoztam pár észérvet, fenntartva a jogot arra, hogy az általad vázolt módon lehet az univerzum léte során nem fog probléma létrejönni és baromi jó is lehet. Én nem szoktam kockáztatni, érzékeny pontot millió kilóméterre utaztatni, egy biztos hibaforrás felé (gondolom a ki/be kapcsoló körül lesz a trafó is...) ,aztán visszatérni megint az elejére, hogy onnan a bemenet felé erősítsem a jelet, ami az áramkör legérzékenyebb pontja, majd megszórjam nagy jelű azonos fázisú jellel. Ennyi, ahogy jónak látod, akár úgy is jó! Az ilyen fém sapkák meg "semmit" nem érnek. Ha csak annyin múlik, akkor megette a fene. Gondold el, ez nem varázslat, hogy ha van fém sapka, akkor hirtelen semmi gond, ha meg nincs ,akkor szénné zúg...Zs.
jó estét!
szeretnék csinálni a fiamnak egy kis gitárerősítőt, amivel itthon tudna gyakorolni. elég sok helyen találtam kapcsolási rajzokat, de nem voltak meggyőzőek számomra, ill. halott helyeknek tűntek. úgy látom ez eléggé aktív fórum, remélem kapok segítséget kezdő (ill. újrakezdő) lennék, kérem ezt az ajánlatok esetén figyelembe venni ![]() előre is köszönöm Iván
Igen a tap oldalon van a fokapcsolo de az elobb elirtam nem balrol jobbra hanem jobbrol balra. Pont a jobb oldalon lesz az elofok igy valoban logikusabb a onnet indulni (jobbrol!
)
Szia!
Az első kérdés az, hogy milyen hangszóróval szerelt láda adott. Ha van egy nagyon érzékeny hangszóró, pl a régi regentek, vermonák, böhm kombók alnico hangszórója vagy valami jó celestion, eminence, arra otthonra lehet építeni egy pár W -os kis szerkezetet, ami már a szomszédokat is őrületbe kergetheti. Attól függően, hogy csöves vagy félvezetős, elég alacsonyan lehet tartani a költségeket mindkét esetben. Félvezetősben mondjuk meg lehet hidalni triviálisan egyszerűen egy lm386-os kis dip8 -as tokú IC-t fél-1W körüli teljesítményre lehet számítani és túl is lehet keményen vezérelni. Előfokozatnak meg attól függ milyen szolgáltatások kellenek, tiszta/torz...de ilyen kis méretben célszerűbb az egyszerűségre menni, olyan ami tud tiszta is lenni, meg be is tud torzulni... Csövesnél meg egy régi rádiót lehet vaterán fillérekért venni, el84 -es vagy ecl86 -os végfokozattal, kis átalakítás, új doboz, elé még egy kettőstrióda és kész a szintén 1-2W -os kis gyakorló erősítő. Annak idején kísérleteztem pcl86-al , valami kapcsoló táp tervemet próbáltam ki rajta és még egy viszonylag kis érzékenységű hangszóróval hajtva is szüleim a konyhából jöttek be, hogy nem kéne ennyire jampizni a hangerővel...Szóval otthonra kár nagyobban gondolkozni, főleg ha nagy érzékenységű a hangszóró...Szerintem először az igényeket kéne lefixálni és utána lehetne tovább lépni! Szép napot! Zs.
köszönöm Zsozsóónak a kimerítő válaszodat! őszintén szólva nem is gondoltam ezekre a dolgokra, de teljesen logikusnak tűnnek ...
tehát, konkrétan semmim nincs, se hangszóró, se vmi régi csöves cucc tudom, hogy a csöves alkatrészek a legjobbak hangtechnikánál én mégis maradnék az IC-s megoldásnál. ez a 1-2w teljesítmény sztem is elég, különösen mert emeletes házban lakunk, lényeg, hogy kicsit megszólaljon a gitár, legyen elektromos hangja. tudnál ajánlani vmi olyan kapcsolást ami egyszerű, IC-s végfokkal, és lehet egy kicsit torzítani is? amint az első megszólalásomba írtam, nem vagyok nagy spiller elektronika terén ezért kérnék olyan kapcsolást ami már ki lett próbálva, és működik, kaphatók hozzá alkatrészek. köszönöm Iván
Szerintem (főleg a torzító miatt) az egyik legfontosabb kérdés, hogy milyen stílushoz szeretné használni a fiad? Ez pl. egy egyszerű kis cucc, bár a végfokpanel elkészítése, vagy beszerzése jelenthet nehézséget. Ez egy egyszerűbb kapcsolás, bár én nem szeretem az ic-s hangzást. Házba, fejhallgatóhoz jó lehet még ez is, ennek az eredetije éppen nálam dekkol és és árulom vaterán mert egy csöves projektre kell a pénz rohadt jó hangja van, de inkább csak blueshoz ajánlanám, ha hangszórót teszel rá és nem fejhallgatót. Am. van egy szerintem neked megfelelő hangszóróm meg sok hasonló, kisebb teljesítményű cucc, írj privát üzenetet ha esetleg érdekel!
ciao
nos, hát még nincs igazán stílus. most kezdte, habár inkább rockos a vonal sztem kezdem a legegyszerűbbel, és majd megyek tovább köszi az ajánlatokat
Akkor akkor torzítónak érdemes építeni bele distortion/fuzz effektet illetve valamilyen zengetőt.
Egy kezdő gitárosnak szerintem felesleges zengető, főleg az első kombójába/erősítőjébe. Nagy meló és semmi értelme. Rockhoz nem kell, csak langyi zenékhez szvsz.
Főleg szólóknál szoktak használni zengetőt rockban. Nem kikerülhetetlen, de nem árt. Mellesleg nem muszáj rögtön beleépíteni, lehet akár külön pedálformát adni neki. Vannak már ic-s zengetők is, amiket viszonylag egyszerű és olcsó megvalósítani és első kombóban is helyet kaphatnak.
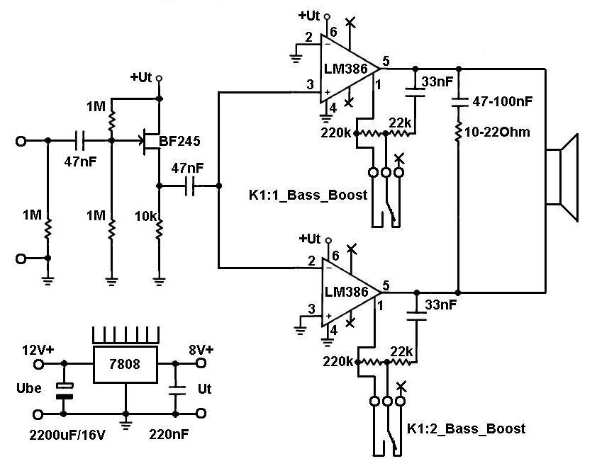
Egyetértek. Egy kis pár W-os gépnek nem kell semmi extra, legyen rajt egy hangerő, talán egy tone sem árt, hogy legyen egy kis tekergetni való, esetleg egy gain. Felesleges űrsiklót építeni. Pillesoft: Én továbbra is tartom, hogy 2 darab lm386 -pár filléres IC - hidalva. Az adatlap szerint beépítve még pár alkatrészt, egy bass boost funkciót is lehet bele applikálni, esetleg kapcsolhatóan is, ami ad neki egy kis dögöt. Ennél egyszerűbb kis teljesítményű végfokot nem tudok elképzelni. Ez elé természetesen kell egy előfokozat, aminek a kimenete mindenképpen alacsony impedanciás legyen, nem kell túl tisztának lennie, úgysem lesz ez tiszta...Ebben is tudok majd segíteni. Persze végfokozatnak akár egy tda2030 is lemehet ,akkor már 10W okról beszélünk...abban tény, hogy lesz egy kis tartalék, de nem baj, ha a végfok is túlvezérelhető, azért jó a kicsi!
Nomeg a kis megoldás elmegy egy dugasztápról is! És jó buli építeni egy ilyet! Mellékelek egy megoldást a végfokozat ötletemről, applikálok elé egy olyan áramkört is, hogy bármit elé lehessen kötni, nagy impedanciával fogad, a végfokot meg kicsivel eteti. Csak tipp a részemről! A jó szand alapja a jó táp, szerintem egy stab kocka ebben az esetben bőven jó megoldás. Ha a bass boost megoldás nem kell, akkor lehagyható minden az 5 és 1 lábak közül, még egyszerűbb lesz. K1 egy 2 áramkörös 2 állású váltó kapcsoló. A hangszóró kapcson a zobel tag értéke nem kritikus, ami kéznél van abban a nagyságrendben, ha lehagyod sincs semmi tragédia. A hidalt megoldást inkább 16 ohmra, max 8 ohmra érdemes használni, 4 ohmnál szerintem megfőnek az IC-k, akkor csak a sima 1 IC-s változat a célravezető. Rajzért elnézést, nem egy mérnökhöz illő dolog tudom, "erre futotta" most. Szép napot! Zs. A hozzászólás módosítva: Feb 24, 2013
Elnézést, hogy közbeszólok, de nekem ez nagyon bejött. Saját készítésű stabil tápról megy, semmi mellékzörej, búgás nincs. Előfok + hangszín már készül. (7815 a táp IC.)
A hozzászólás módosítva: Feb 24, 2013
"És jó buli építeni egy ilyet!"
Bizony jó! Mellékelek egy ötletet én is. Lehet (PVC) csöves erősítőnek is nevezni. 16 cm-es hangszóró 160-as PVC idomba sziloplaszttal beragasztva.
Ez sem rossz ,de a mai világban érdemesebb a TDA2030 helyett inkább a modernebb kapcsolástechnikájú és szerintem nem csak szubjektíve jobb LM1875- öt alkalmazni helyette(igaz az ára ellene szól). Gyakorlatilag ugyanaz a a tokozás és ugyanaz a lábkiosztás is, direkt a 2030 egy alternatívájának készítette a National. A tápfeszültség elnyomása a TDA 50dB körüli értékével szemben 90dB nagyságrendbe esik ,ami 40dB különbség, ami gyakorlatilag 100x olyan jól nyomja el a táp felől érkező "zajokat", mint TDA testvére. Semmiféle regulációra szükség nincs, csak tényleg egy korrekt pufferre. Szerintem a nagy testvérek LM3875, 3876, 3886 nagy PSRR-je az oka, hogy a gainclone-oknak félelmetesen alacsony puffert ajánlanak, 1-2mF körül, nem pedig mindenféle "dinamika, meg így szól jól" okok miatt. Kis hangerőn megfelel ,de a nagy tápáram okozta fesz esés nem tesz jót a hangnak, az biztos, de tény, hogy próbáltam már 3886-ot 1mF pufferről és semmi brumm, akármi nem volt menet közben sem, még nagyobb teljesítményen sem. Tessék mindezt megpróbálni egy 7294-el... A 1875 adatlapban a belső rajzról közölt ábráról is látszik, hogy az intermoduláció és tranziens intermoduláció szempontjából is előrelépés az áramkör a 2030 -hoz képest, amik a legkritikusabb torzítás fajták hangszererősítő esetében. Persze ezzel nem azt mondom, hogy a 2030 rossz, hanem a 1875 jobb. És ha lehet- vagy akarunk választani és nem éppen pár elfekvő 2030-unk közül szeretnénk olcsón valami működőt csinálni, akkor érdemesebb a National áramkörét választani. Esetleg érdekes tapasztalás lehet ugyanabba a panelbe betenni egyiket, majd másikat és meghallgatni... Szép estét mindenkinek! Zs.
Nagyon jópofa, de komolyan
Igazi Buli-erősítő! Grat! Zs.
Kössz!
Ez még üres, de már érik a belseje. Előerősítője kész, potik, gombok meg vannak. Végfok egy TDA2030 lesz, mert a SAL hangszórónak kell a feszültség, hogy szóljon. Van alja is. Viccnek indult, de amikor rátettem a gitár fejre, leesett az állam. Ilyen kis légtérben ez a "subwoofer" -nek titulált hangszóró meggyőző közép magast is produkál. Komolyan mondom, hogy, ha egy átlagos gitár hangszóró a 10-es szint, ez megüti a 7-est.
Köszönöm az info-t, ennyire nem merültem bele a témába. Köszi!
Sziasztok!
Tud-e valaki segíteni egy Marshall JFX-1 effekt problémájának megoldásában. A jelenség: a készülék magától ki-majd bekapcsol a 9V 1,2A AC külső tápról. A tápegységet kimérve, az jó, másik táppal is ugyanezt csinálja. Belenézve az egyenirányító diódák típusát nem tudom pontosan leolvasni (talán 1N4007P),de gyanús hogy itt lesz a hiba; olyan, mintha a felületük repedt lenne. A szűrőkondik jónak tűnnek, de további méréseket és kiforrasztást nem végeztem, mert a nyákon szereplő szöveg szerint "sztatikus feltöltődésre érzékeny környezet, csak az eszközöket földelve/testelve lehet használni. Kérdések: van-e valakinek kapcsolási rajza (a neten nem találtam, csak egy amerikai fizetős oldalra utalást) Tud-e valaki megerősítést adni/cáfolni a diódákat illetően? Tud-e valaki szakmailag tapasztalt kolléga tanácsot adni, hogy megfelelő odafigyeléssel (forrasztóállomás+ nyák test és forrasztást végző személy azonos potenciálra helyezésével) elvégezhető-e a munka vagy speciális szervízi körülmények szükségesek? Köszönettel: Öregmoha
Sikerült megcsinálni a JFX-et, valóban a diódákat kellett cserélni, a forrasztási körülményekre a fentiekben leírtak alapján ügyeltem.
Üdv: Öregmoha
Üdv mesterek!
10 éve foglalkozok zenével, főleg metál kategóriában, és most arra a döntésre jutottam hogy "keményítek" az eddigi hangzásomon valahogy egy effektpedállal Amim eddig van: Cort gitár EMG 81-85ös aktív hangszedőkkel Boss MT2 metál pedál (néhány modulációs pedál) és ez megy egy Marshall MG102FX kombóba. Nagyon érdekel ez a szakma, az elektronika.. stb. Ezért is döntöttem hogy nem venni akarok egy pedált hanem csinálni, hogy tanuljak vele. Szeretném ha már csinálok valamit hogy az eddigi hangzásomat valamivel még metálosabbá tegyem, csak még kérdéses hogy mivel. Egy plussz torzítóval vagy boosterrel? Ehhez kérném tanácsotokat, annak függvényében hogy egy kezdő pákaforgató is meg tudjon vele bírkózni. Tehát ami a lényeg: Valamilyen pedál ami minél olcsóbb, nem túl bonyolult a megépítése, és dobna egy kis pluszt, hogy karcoljon a gitár |
Bejelentkezés
Hirdetés |




! Ilyen lesz. 








