Fórum témák
» Több friss téma |
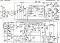
Egyszer én is összeakadtam egy ISG 1000-rel, és mivel én sem találtam rajzot hozzá sehol, elkezdtem visszarajzolni, nem túl sok sikerrel. Amennyi a javításhoz kellett annyit sikerült kibogarásznom. A lényeg: valamivel később, ha jól emlékszem éppen ezen a fórumon valaki feltette a Telwin Technica 144-164 rajzát (lehetett egy éve is, talán több). Amikor átnéztem, kiderült, hogy nagyon hasonlít, vagy talán meg is egyezik az ISG 1000-el, de az akkor már nem volt nálam, így nem tudtam leellenőrizni. Most nem találom a hozzászólást, a rajz sincs kéznél, de ha érdekel megkeresem és felteszem.
aramos
Előre is köszönöm a segítséget!A hegesztő saját,de javításában segítenének ha lenne rajz.
Ne fáradj, itt az említett rajz.
Ha Telwin-re hasonlít, akkor inkább erre tippelnék már csak a teljesítménye miatt. Az ISG 1000 gondolom 100A max. áramot jelent, de lehet hogy tévedek, nem néztem utána a neten.
Erre nem hasonlít ?
A rajz 2.részét itt megleled.
Sok ismerősöm szenved EINHELL hegesztőtrafóval (bátyuskám is) és azik a trafók is nevetségesek. Találkoztam már néhány inverteressel is és van nálam most egy döglött ESAB Caddy Tig 2200i is... pedig az sem olcsó...
Ha összehasonlítottad a rajzokat az ISG-vel, írd meg, hogy hasonlít-e valamelyikre. Most már kíváncsi vagyok.
Hello!
AZ ISG1000 teljesen egyezik evvel az awelco géppel kivéve az alkatrész pozicio számok. E-mail-be válaszoltam, nem tudom megérkezett-e.
Régebben már irtam a BT100 IW és az isg1000 belölről teljesen ugyanaz csak a neve más.
Mindkettő einhell
Sziasztok. Kaptam egy Energia 130as invertert . Úgy kaptam, hogyha életre keltem megkapom ha nem akkor így járt. Hang és füst jeleket küldött legutóbb. Szétszedtem, a bordán találtam egy szétrobbant fetet. MF 8 névre hallgat IRFP460. Ezt kivettem. Ahogy észre vettem a 3as lába valami módon (valószínű kosz, fémpor) nekiért a bordának. (ott látok égésnyomot, innan indulhatott a dolog). Akkorát robbant ez a fet, hogy a mögötte levő kondit ellökte. De baja nem lett. A másik bordán az MF1 mellett volt egy dióda ugyan azon a bordán ami szintén szétrobbant az azonosíthatatlanságig. A kérdésem, hogy érdemes-e vele foglalkozni? Egyszer volt már javítva a gép akkor az össze fet cserélve lett ez látszik is, és a necces helyeken megerősítve a vezetősáv. A fetekre mérve sokféle adatot kapok, gondolom kiforrasztva kellene mérni, nincs-e zárlat.
Mit ajánlotok? Egyik ismerősömnek van egy ugyan ilyen gép így a szétrobbant dióda is beazonosítható. Csak kérés, hogy érdemes-e rá költeni. Mert a 8 fet közel 8E ft már és akkor kitudja fog-e a működni.
No. Kivettem a feteket a maradák 7 ből 2 zárlatos. Így 5 fet ami ép.
Ám. A feket gate lábára mennek egy- egy ellenállások. Ezek értéke 4,7 ohm. Találtam 4db szakadt ellenállást a 8ból. HA jól gondolom akkor ha azok szakadtak voltak nem ment jel a fet gate lábára így azok a fetek nem is működtek. Vagy rosszul gondolom? Emelett találtam még egy zárlatos 18V-os zenert is. A többi elkatrész a környéken jónak néz ki.
Első körben meg kellene próbálni rajzot vadászni hozzá, az alapján már könnyebben eldönthető hogy érdemes-e vele foglalkozni. A tapasztalatom az, hogy hiába tervezték azt meg valaha és működött jól mondjuk 1-2 évig, az eredeti állapot helyreállítása csak arra garancia, hogy később újra tönkre fog menni. Ezért jó ha van rajz, át lehet nézni, és esetleg módosítani rajta hogy a későbbi hibákat megelőzzük. Hasonlókra gondolok itt hogy pl. vezérlő áramkör módosítása, a maximális áram limitálása a gyári érték mondjuk 85-90%-ára, 90-95 fokos hőkapcsolók cseréje 80-85 fokosra stb.
Lehet hogy a megrendelőnek elsőre nem fog tetszeni hogy a gépből kevesebb lesz a kivehető áram, valamint hogy folyamatos munkánál előbb lekapcsol a hővédelem, de majd később tetszeni fog, amikor nem kell újra ezreket költeni a javításra.
Igen egy rajz nagyon jó lenne mert ugye van egy eldurrat dióda ami nem azonosítható. Véleményem szerint nem maga az áramkör hibája miatt történt a baj, hanem valami külső anyag hatására. A gép belseje főleg a bordánál ahol a hővezető zsír van tele van fémporral. Látszik is az elrobbant fetnál, hogy a 3as lába hozzáérhetett a bordához (ami a fetek 2es lába) és ezért történt a baj. Az alun van egy kis kráter ott...
15. oldalon a jobb oldali van. Sajnos eddig csak ezt találtam... A D2 felismerhetetlen és a MF8 okozta a bajt a zárlatával.
"A gép belseje főleg a bordánál ahol a hővezető zsír van tele van fémporral. "
Amit eddig láttam (nem sokat), abból nekem az jött le, hogy a felhasználókhoz nem nagyon jut el az, hogy ezek már nem az egyszerű, elnyűhetetlen trafók , hanem egy kicsit több figyelmet kivánó készülékek. Pl.: megy a készülék, nem hegesztenek vele, jár a ventilátor, a mellette flexelnek, bemegy a vaspor, hideg nedves időben beviszi a párát, stb., és ennél több nem is kell neki. Ja, és még eddig senkit nem láttam aki tudta, vagy érdekelte vona az, hogy mit jelent az adattáblán a Bi%, max.-on nyomják amíg megy. Persze a gyárak se nagyon igyekeznek ezt kivédeni, gondolom jó okuk van rá.
Valószínű ezzel is ez történt. Egy műhelyben volt használva nem csodálkoznék, ha a bekapcsolt gép mellett flexeltek volna...
A bordán látszik hogy valami idegen anyag zárta rövidre a fetet... Érdemes bele vegyek feteket vagy hagyjam? Kivettem a vég kis tranzisztort megmértem azok jók. A feketből 5 darab mutatkozik jónak. 2-nél a a gate zárlatban van a S lábbal. A hozzászólás módosítva: Dec 16, 2012
Az összes FET-et, és a meghajtó trafó utáni alkatrészeket cseréld ki. A 8db FET-et mindenképpen azonos gyártótól származzon, és lehetőleg azonos szériából származó típusokat kell beépíteni. A Gate ellenállásokat, a zenereket is cseréld, függetlenül attól,hogy esetleg jónak méred őket. De mindenek előtt a meghajtóáramkört vizsgáld meg egy szkóppal,hogy az működőképes-e?
A kitöltési tényező max. 40% lehet.
Sajnos nincsen szkópom... Esetleg ha a sz-gép hangkártyájára tudom, kötni mert ahhopz van program, de ahhoz kellene nekem részletes útmutatás mit hogyan.
A hozzászólás módosítva: Dec 16, 2012
A hangkártyás szkóp megoldást sohasem használtam, nem tudom milyen lehet, így sajnos információval sem tudok szolgálni a működésére vonatkozóan. Talán lesz a fórumon olyan, akinek van tapasztalata ezzel kapcsolatosan.
Igen, itt is van. Írtam is már. Pontosan hova kéne kössem a szkópot? 3 trafó van a gépben, illetve 4. Egy hálóüzati nyák trafó, a nagy főtrafó, egy kisebb EE magos 5 kivezetéssel, ahogy nézem ez megy előre a tranzisztorokhoz onnan a fetekhez, és van egy nagyin pici trafó.
A trafóra kéne kössem vagy a fetek gate lábára menő ellenállásokra?
Először is valamit a legelején tisztázzunk. Hálózati feszültségre kötött inverterrel semmiféle mérést nem csinálsz, mert még a szomszédodban is elmegy a villany.
![]() Csak a szabályzókört táplálod meg, külső szigetelt tápról, a kapcsolófokozat nem kaphat a hálózatról feszültséget!!! Ez a legalapvetőbb biztonsági intézkedés egy inverter javításánál. Ez két okból is rendkívül fontos: egyrészt életvédelmi szempontból, másrészt a készülékben igen komoly kárt tud okozni egy félrecsúszott tapintócsúcs. Ha minden feltételnek eleget tettél, ami a saját életed védelme és a gép biztonságos tesztelése érdekében szükséges, akkor a vizsgálatot a PWM IC-től a FET gate elektródái haladva kell elkezdeni. Kérlek, vedd komolyan amit a biztonságra vonatkozóan leírtam, mert azon túl hogy a saját életeddel játszol, tönkre tudod tenni a számítógépedet is és az inverteren is tudsz még egy halom selejt alkatrészt csinálni.
Értem. Akkor hálózati feszültséget nem. A szabályzó kör az lehet, h9gy van egy kis panel rengeteg smd alkatrésszel, több ic-vel? Ez gondolom kis feszültséget kap. Talán a nyáktrafó a hálózati pont ezt táplálná?
A hozzászólás módosítva: Dec 16, 2012
Az EP System a régebbi gépeinél vegyes tápfeszellátást alkalmazott. Volt a hálózati trafó, ami előállította a szabályzókör feszültségét, és volt egy ellenállás osztós megoldás, amivel egyrészt a feszültségfigyelést, másrészt a PWM IC tápellátását biztosította. Ez a kör addig volt aktív amíg a kapcsolófokozat be nem indult, onnantól a főtrafóra tekert 1 menetes tekercs tehermentesítette az ellenállásosztó tápellátási feladatát. Megvallom, nem tudom pontosan, hogy az a széria, amilyen a te géped is, milyen tápfeszellátással rendelkezik, de ha a kis hálózati trafó graetz egyenirányítója után adsz neki egyenfeszültséget a stabkocka előtt,akkor már el tudsz indulni a hibakereséssel. A feszültségfigyelő részt be kell csapni, hogy a PWM kör elinduljon. Egyes EP System gépek "S" besorolásúak, ezeknél a kimeneten alapállapotban 12V van, majd amikor az elektróda a hegesztendő anyaghoz ér, azonnal elindul a PWM fokozat. A hegesztés befejezése után az üresjárási feszültség még pár s-ig megmarad, majd ismét 12V-ra esik. Ezt a biztonsági funkciót egy 220ohm 25W-os ellenállással lezárt kimenettel ki lehet kapcsolni.
Értem. Holnap csinálok pár képet és átvizsgálom, hogy mi merre megy. A főtrafón van egy vékony tekercs.
Az a vékony tekercs a segédfesz. Ha a gép nem "S" fokozatú, akkor a ventilátor is arról megy.
A ventillátor 12V-ról megy. Holnap megpróbálom visszakövetni, hogy honnan kapja a feszültséget. A kimenet részen van a vezérlő panel a közeléen egy kis graetz egy bordára szerelt to-220 tokozású valami, amit sajnos nem tudok beazonosítani mert útban van a vezérlő panel. De mérésekkel talán ki tudom deríteni, lehet hogy egy stab kocka.
Üdv:
nekem van egy transpocket 1400 inverterem, semmi baj nem volt vele, de egyik nap bekapcsolom villog a túlmelegedést jelző lámpa és nem lehet vele hegeszteni.Ventilátor megy. Ezen kívül viszont semmi más hibát nem vettem észre. meg köszönném ha tudnátok valami okosat hozzászólni. |
Bejelentkezés
Hirdetés |












