Fórum témák
» Több friss téma |
Fórum » Impulzus, frekvencia érzékelő készítése
Témaindító: Dr.God Man, idő: Júl 14, 2011
Témakörök:
ÜDV Mindenkinek!
Ismételten van egy újabb speciális problémám amire nem sikerült megoldást találnom , ezért kénytelen vagyok ismét a segítségeteket kérni! Nekem egy olyan kis és egyszerű eszközre van szükségem ami képes érzékelni ha pl egy jel pulzál és erre relét húz. Konkrétan azt szeretném elérni , hogy megtudjam egy csőben folyó folyadékról azt , hogy mozgásban van-e vagy sem és egy eszköz relét húzzon ha a folyadék áramlásnak indul. Viszont amikor a folyadék megáll akkor a relé alaphelyzetbe kerüljön. Én úgy képzeltem el , hogy a cső közé beiktatok egy egységet ami mágnes és egy forgó lapátkerék segítségével egy nyomtatóból kiszerelt pozícioner tárcsát (kör alakú átlátszó műanyag lap a szélén körbe fekete csíkocskákkal) Megforgat és infra kamuval elektromos jelként tudom fogni ha forgásnak indul a tárcsa. És ehhez kellene egy egyszerű kapcsolás ami megtudja különböztetni , hogy a kapott jel szaggatott-e vagy nem és ennek függvényében húz egy relét. Eddigi talán a leg életképesebb ötletem az , hogy egy TSOP1738-as infra szenzor lenne a vevő a tárcsánál mert az eddigi tapasztalataim alapján ez egy bizonyos frekvenciától működik. Sima folyamatos ir jel hatására a kimenetén nincs mérhető jel. Ha minden igaz a tárcsa forgására a szaggatott infra jelet érzékeli és a kimenete aktív lesz.Ezzel pedig már megtudom oldani , hogy húzzon egy relét. Esetleg tudtok életképes ötletet adni amiben nincs kontroller , a megépítése pedig egyszerű? THX!
Esetleg egy 555 monoflop, a bemeneten kondival levalasztva. 555 adatlapokban van ilyen impulzuskimaradas erzekelo mintakapcsolas.
Ha már van benne mágnes ami forog, akkor egyszerübb lenne azt érzékelni pl. egy tekerccsel...
Az 555 nem a legjobb ilyen alkalmazásra, mert újraindítható monostabil multivibrátor kell ( 555-el csak külön kiegészítő áramkörrel oldható meg ! ) !
Újraindítható MMV-ra keress rá a neten ! Steve
Szervusz!
Csak egy reed cső és egy mágnes kell! mechanikailag meg kell oldani, hogy a folyadék áramlása a reed reléhez közelítse a mágnest...
Mi a folyadék?
Tiszta, szennyeztett? Milyen hőmérsékletű? 1. Kapacitív áramlásmérővel nem is kell a folyadékkal éritnkeznie semminek. 2. Kerülővezeték és diff. nyomáskapcsoló. 25mbar-os diff. nyomáskapcsoló kb. 200Ft 3. Rotaméter, és egy mágnes - ahogy a kolléga javasolta. Sok megoldás lehet, csak több infó kell, hogy mi az optimális.
Egy tranyo az idozito kondi melle megoldja.
Sajna a reed csöves módi nem a led jobb mert ha a mágnes a csőnél áll meg akkor folyamatosan aktiv állapotban lesz a cső,
A csőben tiszta forró viz folyik a hőmérséklet elég magas 90-95°C körüli és van némi alap nyomás ami kb 0,5 bar körüli. Van egy szivattyú ami után egy visszacsapó szelep van majd egy nyomáskapcsoló. Az áramlás érzékelőre azért lenne szükség mert a szivattyú gyorsan 2 bar nyomásra tolja fel a vizet és ha a cső végén vizvétel van akkor a kapcsoló állandóan kapcsolgat és a viz nem folyik egyenletesen. A dolgot bonyolítja , hogy elég magasra is fel kell juttatni a vizet tehát ez a szivattyú ellen dolgozik és magasabban másak a nyomási értékek. A szivattyú teljesítményét nem vehetem visszább illetve a 2 bar nyomásra is szükség van ezért a nyomáskapcsolón már nem állithatok tovább. A magasabb ponton viszonylag kevés folyadék áramlás van igy nagy gondot okoz a nem egyenletes vízmennyiség! Sajnos nyomásfüggően nem oldhatom meg a dolgot , a leg-kézenfekvőbb egy áramlás kapcsoló. Ennek az alapját egy vizóra adná.
Miért álna meg? Kell valami visszatérítő erő (pl rugó vagy rugalmas lemez) ami ellen az áramlás dolgozik.
De ahogy nézem a problémádat, az inkább hidrodinamikai természetű, az áramlásérzékelő nem fogja megoldani. Ha a szivattyú teljesítménye jóval nagyobb a szükséges kapacitásnak, azon (puffer)nyomástartállyal (hidrofor) lehet segíteni.
Próbáltam egy puffertartállyal is kibőviteni de csak annyit ért , hogy minimálisan csillapitotta a ki-be kapcsolási mennyiséget. A probléma továbbra is fennáll! A szivattyú szállitási mennyisége kb megfelelő a használatra, 38Liter/perc és ennyi kell mindenképpen.
A problémát szerintem vagy egy speciális pontos digitális nyomáskapcsoló külön-külön állitható maximális és minimális nyomás értékkel vagy egy áramláskapcsoló tudja csak megoldani. Ár miatt a készitett áramlás kapcsolót választom. Azért is tudja megoldani a problémát mert ameddig érzékeli , hogy áramlik a viz a csőben , addig nem hadja lekapcsolni a szivattyút még ha el is érte a max nyomást.
Én is úgy látom, hogy ez hidrodinamikai probléma. Egyszerűen be kell illeszteni a rendszerbe egy nyomáskiegyenlítő tartányt ( nem tartályt, mert az nyitott
) és a tartányban levő légnyomás mindig kiegyenlít. Esetleg a tartány után be kell tenni a rendszerbe egy nyomáshatárolót, a tartány elé pedig egy visszacsapószelepet. A tartány nyomását lehet mérni és azzal meg van oldva egyúttal a szivattyú ki-be kapcsolása is mindenféle elektronika nélkül.
A gyári ilyen eszközökben is ez van .A szerkezetet függőlegesen kell szerelni.Van benne egy mágnes ,ha a víz áramlik akkor a mágnest egy két cm megemeli.Ott van egy reed cső ,és ennyi az egész, nincs több hókusz pókusz,max annyi hogy egy alsó nyomáskapcsoló ha kifogyott a csőből a víz /kinyitották a csapot indul a motor.Leállításnál van kb 2sec időzítés ,hogy minden vacakra ne kapcsoljon ki.
Ha a lapátkerekes mellett döntesz ,egyszerű kész lapátkerék egy régí nem hiteles vízóra.ebben is mágnes viszi át az áramlási jelet.(legalábbis ami a panelben volt a mamámnál) Az 555 pedig ki tudja egyenesíteni,monostabil módban az impulzusokat .Esetleg egy újraindítható lépcsőházi időrelé..
Hali!
Semmiképpen nem forgó áramlásérzékelőt javasolnék, hanem valamilyen kapacitív, vagy induktív elven működőt. Bővebben: google, kapacítív áramlásérzékelők. Pl. a Kvalix-nál, a Nivelco-nál vag a C+D -nél kezdeném. Ebből következik, hogy nem javaslom a barkácsolást.
Ez gyakorlatilag úgy néz ki amire pont szükségem lenne
Megépítem a kapcsolást és ki is próbálom! Remélem jól szuperál a ketyere! Köszike!
Szerintem a nyomáéshatároló beiktatásával nem oldódna meg a gont mert majdnem , hogy azt lehet mondani a nyomáshatároló az maga a jelenlegi felállás. A szivattyú kb 2,5 bart tud és egy nyomáskapcsolóval 2bar nyomásra van állítva. Az én esetemben az okozza a gondot , hogy a magasabban lévő csapnál annyira csekély a víz áramlási mennyisége , hogy a szivattyú gyorsan eléri a csúcs nyomást és le is áll. Nem túlméretezett a szivattyú mert a vízigény változó és a max szállított mennyiség tökéletes csak akkor jelentkezik a gond ha kevés í vízigény de az folyamatosan kellene biztosítani ilyenkor jóval nagyobb mennyiséget szállít a szivattyú mint ami a vett vízmennyiség.
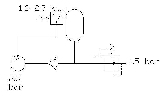
Én nem a bemeneti, hanem a kimeneti nyomás határolásáról beszéltem. Tehát a szivattyúd 2,5 bar nyomással tölti egy visszacsapószelepen kereszül a tartányt - vagy ahogy te fogalmazol, a puffert. A tartányban tehát a maximális nyomás 2,5 bar. A tartányból kilépő vezetékbe iktatsz egy nyomáscsökkentőt, ami a fogyasztói nyomást mondjuk 1,5 barra limitálja. A nyomáskapcsolót pedig úgy állítod be, hogy ha a nyomás 1,6 barra csökken, akkor indítsa a tápszivattyút, és 2,5 barnál állítsa le.
Hát igen hidrofor vagy hidromat ez itt a kérdés..A hidromat egyszerűbb,olcsóbb (szerintem).Egy kis dobozka a motor után azt kész.(áramlásérzékelő -egy felemelkedő mágnes a víz útjában, egy nyomáskapcsoló -ha leesik a nyomás az üzemi alá ,indítja a szivattyút ,és egy időzítő -ha 2 secig nincs áramlás leáll a szivattyú.) mindezt szerintem már 8-10 eFt ért kapható készen.
Így már értem a dolgot! Így is megoldódhat a problémám! Bár egy minimális szállítási mennyiség ingadozás lenne a puffel ben lévő nyomáscsökkenéskor míg be nem kapcsol a szivattyú de a fő gond megszűnne! Utána is járok , hogy mibe kerül egy határoló szelep , remélem nem horror az ára... Eddig 2 életképes alternavíva van már , ez ez egyszerűbb , kipróbálom és megírom mi a helyzet!
Köszi!
Akkor állítsd a bekapcsolás határértékét magasabb nyomásra
Tehát 1,6 bar helyett 1,8-ra. Ki kell kisérletezni, hogy mikor a legjobb. Ez persze függ a tartány méretétől, a benne levő levegő mennyiségétől. Vagy csökkentheted a kimeneti nyomást is, ha nem szükséges 1,5 bar. Innentől már csak rajtad múlik.
Ami sajnos továbbra is fennáll az a szivattyú folyamatos be és kikapcsolgatás...Ami gondolom nem egy egészséges dolog a szivattyúnak.
Kezdünk messze eltérni az elektronikától, de amíg a moderátor nem csap a tarkónkra.....
Melegvízről van ugye szó. Kell egy tartány, amiben van egy rézből készült spirál, amiben a forró víz folyamatosan áramlik. (A szivattyúd tehát folyamatosan üzemel.) Ez adja át a hőt a tartányban levő vízmennyiségnek. A tartányba be van kötve a hálózati víz (hidegvíz) és van egy kivezetés a fogyasztó felé. Amikor a fogyasztó kinyitja a vízcsapot, akkor a tartányból a benne levő melegvíz folyik ki, helyére a hálózatból hideg víz áramlik be. A kimeneti nyomás megegyezik a hálózati nyomással. Ezt hőcserélőnek hívják. Ha akarod, akkor le is rajzolhatom, bár azt gondolom, hogy érthető amit leírtam. Tekintettel arra, hogy a hideg víz MINDIG alul van a tartányban és a melegvíz MINDIG felül, a tápláló vezetéket úgy kell megvalósítani, hogy a tartány aljára adja a hidegvizet, míg a fogyasztó a melegvizet a tartányban levő vízmennyiség felső részéből veszi le. Tehát, ha alulról csövezed be a tartányt, akkor a rövidebb cső a hideg, a hosszabb cső a meleg.
Sziasztok!
Egy olyan kérdéssel fordulnék hozzátok, hogy 12 párhuzamosan kötött sáváteresztővel ellehet-e azt érni, hogy egy bejövő vezetéken 12 különböző frekvenciát külön-külön érzékelje? Elmondom a részleteket hátha úgy érthetőbb ![]() Van egy detektor ami mozgást érzékel erre jelet generál. Ebből van 12 egy vezetékbe húzva. Azt szeretném elérni, hogy ha az általam épített berendezésre rádugom a 12 különböző frekvenciát tartalmazó jelet akkor az valamilyen módon jelezze nekem, hogy melyik frekvenciát érzékeli. Én arra gondoltam, hogy minden sáváteresztő végére egy ledet kapcsolok. A jelzés egyelőre nem lényeg. Szerintetek életképes? Mik a mellékhatásai? Köszi előre is
Sziasztok!
Van eben a témában még valaki? Nekem egy olyan érzékelő szerkezet kellene, ami egy leden kikapcsolt, bekapcsolt, vagy villogtató impulzust érzékel. A led testelve van, a kapcsoló jel a pozitív. A készüléknek az előbb elsorolt állapotokat kellene megkülönböztetni két módon. Ha a led kikapcsolt, tehát nincs rajta pozitív feszültség, és ha a leden impulzus van (tehát villog 1Hz frekvenciával) akkor az érzékelő kimenetén test legyen. Ha a led folyamatosan világít, tehát folyamatos tápfeszültség van, akkor az érzékelő kimenetén is legyen folyamatos tápfesz, konkrétan 12V amivel relét tudok működtetni. Köszönöm az ötleteket....
Tehát a LED három állapotát kívánod megjeleníteni. Ezekből kettő egyszerű, ha ki van kapcsolva akkor 0 V, ha be van kapcsolva, és folyamatosan ég a valamilyen pozítiv feszültség. Ha villog, az egy kicsit komplikáltabb, kell csinálni egy integráló tagot, (soros ellenállás, testre kondenzátor) a kondenzátoron megjelent feszültséget egy ablakkomparátorral figyelni kell, ami akkor ad kimeneti jelet, ha a bemenetén sem nem 0 V, sem nem a LED pozitív feszültsége, hanem valamilyen a kettő közötti feszültség van jelen. Ha mind a három kimeneti jelet logikai szintre konvertálod, akkor azok logikai kapcsolatával mind a három állapotot kijelezheted. (bár nem tudom hogyan, mert egy relé csak két állapotú) Ablak komparátor 41 oldal.
Bővebben: Link
Egy ellenálláson és egy diódán keresztül egy testre hidegített kondit töltesz a jellel. Az eredő jelell egy ellenállason és/vagy zener-en keresztül tranyót vezérelsz. Ha az impulzus szélesség eléri a beállított értéket pl 2mp akkor a kondi eléggé fel tud töltődni ahhoz (kisebb kitöltésnél kisül a hidegítés miatt, tehát nem tud feltöltődni), hogy zárja a tranyót, ami meg egy relét vagy akár közvetlen a 12V-ot is kapcsolhatja. Csak az RC tagot és a tranyó előfeszítését kell meghatározni. Analóg, olcsó, egyszerű.
A hozzászólás módosítva: Márc 12, 2015
Elgondolkodtató amit írtok. A logikai összefüggés amit meg kell oldani a következő:
Ha a led nem világít, a kimenet 0 Ha a led villog, a kimenet akkor is 0 Ha a led folyamatosan világít, akkor a kimenet 1 Tehát nem kell mind a három esetet külön jelezni, az első két esetben a relé nem vezérelt, a harmadik esetben igen. Elfelejtettem írni, a villogási frekvencia szemre kb 1Hz, és 50% a kitöltési tényező, ezek állandóak, nem változnak. Zoszka, erről az elrendezésről amit írtál tudnál nekem csinálni egy móricka rajzot? Köszi... A hozzászólás módosítva: Márc 14, 2015
Akkor egyszerű a helyzet, készítesz egy komparátort, ami csak akkor vált , ha a bemenetére + táp kerül. Pl. a komparátor pozitív lábára a pozitív tápról leosztott referencia feszültséget kapcsolsz, ami megegyezik a LED -en levő feszültséggel, esetleg trimmer potival beállítható módon, a másik lábára a LED anódját Egy integráló tagon keresztül. A komparátor átbillen, ha a két feszültség megegyezik, egyébként nem.
|
Bejelentkezés
Hirdetés |




) és a tartányban levő légnyomás mindig kiegyenlít. Esetleg a tartány után be kell tenni a rendszerbe egy nyomáshatárolót, a tartány elé pedig egy visszacsapószelepet. A tartány nyomását lehet mérni és azzal meg van oldva egyúttal a szivattyú ki-be kapcsolása is mindenféle elektronika nélkül.
Megépítem a kapcsolást és ki is próbálom! Remélem jól szuperál a ketyere! Köszike! 
Tehát 1,6 bar helyett 1,8-ra. Ki kell kisérletezni, hogy mikor a legjobb. Ez persze függ a tartány méretétől, a benne levő levegő mennyiségétől. Vagy csökkentheted a kimeneti nyomást is, ha nem szükséges 1,5 bar. Innentől már csak rajtad múlik. 





