Fórum témák
» Több friss téma |
Fórum » Inverteres hegesztőtrafó
Szia Barátom!
Kérésed parancs Ha létezik olyan rajz, ami nekem esetleg megvan,szívesen segítek.
Üdv mindenkinek.
Korábban már Tubi56 és erdgab is készített, hővédelemmel kapcsolatos áramkört, még a fórum kezdetén ha jól emlékszek. Ezzel csak annyi bajom volt ha lehet annak nevezni, hogy csak 2 hőérzékelőt lehetett rákötni. Ebben a kapcsolásban 3, szükség esetén kisebb módosítással, még 1 hőérzékelőt lehet beiktatni. Mellékelem a kapcsolási rajzokat, illetve a nyák tervet amit, Sprint Layout 5-ben készítettem. Mivel én csak egy szimpla autóvillamossági szerelő vagyok, megtenné valaki hogy átnézné, van-e hiba benne? A kapcsolási rajzot a Multisim 11.0-ban készítettem, így szimulálni is tudtam, bár nem tudom hogy mennyit ér egy ilyen teszt. Idézet: „Ezzel csak annyi bajom volt ha lehet annak nevezni, hogy csak 2 hőérzékelőt lehetett rákötni.” Vagy az alapban zártból sorosan,az alapban nyitottból párhuzamosan amennyit akar valaki,határ elvileg a csillagos ég.De .... de az általad konstruált áramkör annyival jobb,hogy a ledeknek fogalmat lehet alkotni ,Pl: IGBT vagy főtrafó vagy diódák,negyediknek tudomisénmi,mondjuk bemeneti egyenirányító és a jelzés felvillanásával azonnal látható mi melegedett túl.A fáradozásodért köszönet,mentettem a rajzot és meg is fogom építeni majd.Örülök,hogy ilyen hozzászólások is segítik a fórum munkáját.
Még annyit,hogy az áramkör Attila86 kapcsolására alapulBővebben: Link,itt olvasható róla bővebben,annak akit érdekel.
Bővebben: Link
Én ezt csináltam meg, egyszer leteszteltem még az építés során, tökéletes. Szerzek majd infrás hőmérőt és akkor pontosan is le tudom mérni a kapcsolási hőfokot, de a cikkben lévő nagyjából stimmel. Annyi a különbség, hogy ventilátor helyett ezzel kapcsolom a védelem reléjét.
Szia! Nagyon szép munka! Én is FET el szeretnék építeni, már majdnem letettem róla (már IGBT- ben gondolkodtam) mikor látom hogy te FET el csináltad meg
Valami rajzot tudnál feltenni hogy min kel változtatni a fetes meghajtáshoz? Valamint a meghajtó panelról mutatnál képeket? Előre is köszönöm!
A gép fetes részéről a 174 oldalon vannak a képek és megtaláltam a kapcsolást is. A "Maci"és ez a kapcsolás van össze gyúrva és ebből született a gép.
Készül majd egy másik gép is Ge Lee kolléga kapcsolása alapján,de még csak a panel terveknél tartok. Köszönöm mindenkinek a segítséget.
Üdv.
Amiatt kezdtem ezzel a kapcsolással foglalkozni, mivel legolcsóbban klixont 1600-1800 Ft/db áron tudnék venni. Ezzel a kapcsolással megúszhatom az egészet 1500 Ft-ból. Ezt elfelejtettem írni hogy Attila86 munkája volt az alap, bocs érte. Idézet: „Ezzel csak annyi bajom volt ha lehet annak nevezni, hogy csak 2 hőérzékelőt lehetett rákötni.” Ezt azért írtam, mert a Schottky diódákat ha jól tudom nem lehet sorosan vagy párhuzamosan kötni ebben a kapcsolásban, mert akkor más feszültség értékeket adna, de természetesen javítsatok ki hogyha tévedek. Még egy rajzot elfelejtettem csatolni, amin a relé található. Amit írtál 1,2Mohm-os ellenállás helyett 750Kohm-osat tettem, mert így ha helyes a szimuláció akkor kb. 80 mV-al emeli meg az erősítő pocitív ágát. Így 162-163 mV feszültség lesz az alap. Attila mérése alapján az MBR10100-as diódán 50*C-on mért feszültsége 161,22mV. Ezzel az ellenállás értékkel 50*C-on kapcsol vissza. Lehet jobb lenne ide is egy helitrimm potot tenni, így a hiszterézis is szabályozható lenne. Jövőhéten megpróbálom összeszedni az alkatrészeket és elkészítem a panelt.
Ha megkérdezhetem, akkor mi bajod az igbt-vel, hogy mindenáron feteset akarsz építeni? Ahogy nézem az a 8db fet többe kerül, mint a 4db igbt.
Igen,jól írtad,de én a megoldást mondtam neki,mert ha tudta volna azt amit írtál,nem kérdezte volna.Meg elnézést tényleg a kitöltés nem változik,terhelés nélkül.
Csupán csak annyi hogy itthon van 25-25 olyan fet ami tud 500V 540W 46A-t Szeretném hasznosítani...
Hiba nélkül indult/ működik minden? Mert már rég óta készülök lelkiekben egy hegesztő inverterre!
Így már más. Akkor bele is vághatsz, van bőven tartalék.
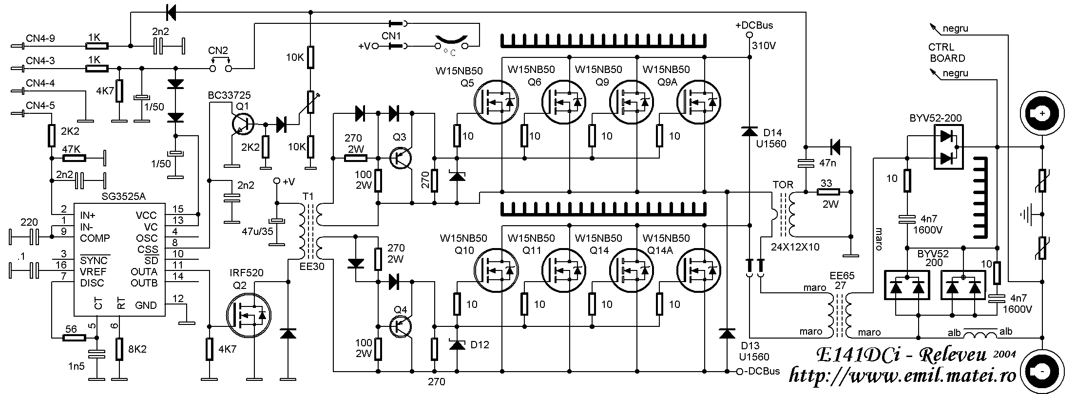
Rajz is megvan úgyhogy gond nincs.
Elsőre indult,de első indítás egy 48V trafóról történt.Nincs szkópóm így csak egy kézi műszerrel ellenőriztem kollégák által sokszor leírt feszültség értékeket.A 48V trafó után rákapcsoltam a 230-ra és most is megmértem mindent majd egy fél órát ment alapjáraton.Nem melegedet nem füstölt semmi úgy,hogy nem láttam akadályát a hegesztésnek.
A rajzomhoz még annyit hogy a nyákon csinálj helyet 4db 4148-as diódának is a BD tranyók C-E közé. Nekem nem kellett bele (nyák függő), de volt aki utánépítette és neki igen. A gate trafón lévő tüskéket vezetik le hogy azok ne zavarják a vezérlést.
Köszönöm szépen a jó tanácsot.még nagyon az elején tart az építés de amint valami elkészül teszek fel képeket.
Csak úgy ötletként felmerült bennem. Mi lenne, ha rezonáns tápot használnék ilyen célra. Mezei hipersil kb. 500 Hz-en járatva. Az 1,6 Tesla és a könnyebb (olcsóbb) szekunderoldali egyenirányítás miatt.
Megfelelő méretezésnél mérsékelten rövidrezárható és kevés zavart termel.
Van ilyen gép. A Castolin csinálta kb. 20 éve, 500A a névleges árama 60%Bi-vel. A trafója akkora mint egy 1000-1200VA-es hagyományos trafó 50Hz-en. A vas nem hipersil hanem E-I. De a kimeneti egyenirányítók gyorsdiódák. Az 1,6T gerjesztés 500Hz-en nem sok egy kicsit?
"Megfelelő méretezésnél mérsékelten rövidrezárható és kevés zavart termel." Ezt viccnek szántad? A hegesztőgépek 1s alatt többször is kerülnek rövidzárási állapotba a cseppek leolvadásának időtartama alatt. Tehát majdhogy nem azt mondhatjuk hogy ez a normális üzemi állapotuk,mármint a zárlati állapot.
A mezei hipersilnek 500Hz-en már elég nagy vesztesége van. Ilyen alacsony frekvenciára óriási rezgőköri elemek adódnának. A gyorsdiódák nem sokkal drágábbak, mint a hálózatiak. Különben, lehet...
Egy 3 fázisú gép teljesítményfokozata 14 Fett 4 védődióda.Szerintetek jogos és szabályosaz,hogy a védődiódák 2-2 sorbavannak kötve? vagy buherálva volt a szerkezet?
Sikres munkát mindenkinek.
Szia!
Ezek nem FET-ek, hanem bipoláris tranzisztorok.
Szóval vakvágány ?
Nem tudom. Erre voltam kíváncsi. 400 Hz-es hálózatokban tudomásom szerint nem használnak spéci vasmagokat ill. diódákat. B1000C50000F Graetz adatlapjából nem derül ki mekkora frekin használható még. Katt ! igaz, de az L értéke nagy, ehhez viszonylag kisebb C tartozik. Nem hát nem, csak egy ötlet volt.
Találkoztam 7 KHz-en működő tekercselt hipersil magos hegesztőinverterrel. Azt nem méregettem, milyen vastag lemezekből tekerték.
Egykor a 20 Hz-22000 Hz-es hangfrekvenciás kimenőtrafókhoz legfeljebb 0,35-ös lemezt kerestek, de nem kellett valami szuper minőség. Csupán alacsonyabb gerjesztésre méretezték. A 400 Hz-es rendszerekbe se. Gyanítom, ha vékony lemezből van, az 500 Hz-et bírja a hiperszil. Persze nem szabad kihajtani, talán 1-1,2 T-ig. Nem árt előtte egy próbatekercselés. A normál diódáknak az 500 Hz-et simán el kell viselniük. A 30-40 évvel ezelőttiekre nem merném olyan bátran ráengedni, de ez még nem nagyfreki.
Sziasztok,
Kicseréltem az 1,8k ellenállást egy 2k-ra és megszűnt a sipolás.A folytó lefogatása 3mm átmérőjű sárgaréz huzalból készült,mindenképp átalakítsam két külön álló lefogatásra?
A "hipersil" csak egy elnevezés. Sok fajta van belőle és különböző vastagságban. Még a Vacuumschmelze vágott vasakra is ezt mondják, pedig annak egész más a neve. Van olyan is, ami 0,05 mm vastag lemezből van. Kicsit drága... De itt egy mezeiről volt szó.
Szia! Ami alapján megépítetted a FET es hegesztőt, azokat a nyákterveket fel tudnád tenni ide?
Előre is köszönöm!
Helo,
Láttam a képeket a gépedről, nagyon jól néz ki. Nálam is folyamatban van egy Maci építése, ezzel kapcsolatban kérném a segítséged. Engem a főtrafó ill. a fojtó érdekelne. Milyen anyagokat használtál a tekercseléshez és hol lehet ilyeneket beszerezni? Üdv!
Szervusztok!
Szükségem lenne az AWELCO MICRO 164 inverter villamos doksijára. Ha valaki tudna ebben nekem segíteni, azt nagyon megköszönném.
Üdv mindenkinek.
A napokban elkészítettem a hegesztő házát, gondoltam megosztom veletek. Kap még egy festést és kész is lesz. |
Bejelentkezés
Hirdetés |







Valami rajzot tudnál feltenni hogy min kel változtatni a fetes meghajtáshoz? Valamint a meghajtó panelról mutatnál képeket? Előre is köszönöm! 
Rajz is megvan úgyhogy gond nincs.









