Fórum témák
» Több friss téma |
Köszönöm az infókat.
Már kezdem kapisgálni. Ettől kvázi rezonáns üzemű lesz a táp (bizonyos terhelési tartományon belül). Ahhoz képest hogy milyen egyszerű, azért elég bonyolult az elvi működése. Talán csak a lágyindítás nem tud alaphelyzetbe állni gyors áramkimaradáskor. Viszont lágyindítás nélkül meg kapásból túllendül és mire visszatér a kimenet újabb kapcsolást kérve, addigra az IC UVLO-ba kerül és kezdi előlről lágyindítás nélkül, túllő, vár, ULVO... Ezt hamar ki lehet deríteni szkóppal rámérve az IC tápra meg a feedback részre.
Ez igaz, csak gondoltam hogyha az egyik nem rendetlenkedik, a másiknak, pláne újabb verziójú tápegységgel sem illene.
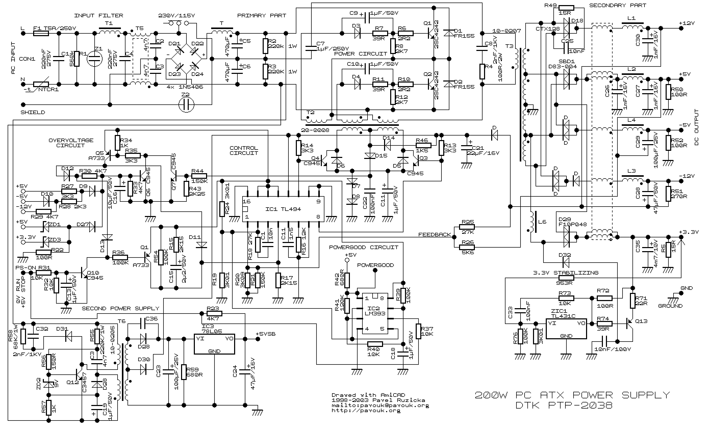
T2 egy toroid, L4 szintén egy toroid, Q2 pedig egy hűtőbordás darab. Szerintem nem hiányzik semmi sem a környékükről.
Köszi, ezt az ellenállás berakós tanácsod még megfontolom.
Reméljük, tudták..
Szkópom sajnos nincs.
Egy dolgot eddig nem említettem: Ha lehúzom a terhelést a tápok kimenetéről és úgy indítom el őket, akkor szintén ugrálnak a kimeneti feszültségek, halk, ciklusonként alig hallható pattanás kíséretében, gondolom túllő. Ezt a jelenséget ugyanakkor mindkét tápegység műveli.
A hozzászólás módosítva: Ápr 23, 2019
Sziasztok, korábban pár oldallal ezelőtt már kérdeztek ezzel a kínai táppal kapcsolatban akkor az opto csatoló ledjére ajánlottátok párhuzamosan egy ellenállás kötését az időszakos feszültség esés miatt.
Nekem picit más a hibajelenségem, egy erősítőre kötöttem és bekapcsoláskor nem indul el csak pulzálva be be kapcsol ha terhelés nélkül indítom és utána kötöm rá a terhelést miután rendesen elindult semmi baja egy óra múlva sem. Annyira nem értek hozzá de lehet, hogy az én problémámra is megoldás lenne a ha z Ic több áramot kapna? Köszönöm. A hozzászólás módosítva: Ápr 28, 2019
Sziasztok! Egy flyback tápba keresek STR-W6756 és STR-W6756N ic-t. Egy időben elég elterjedt táp volt a fórumon, talán tv-ből bontottak egy csomót belőle. Valaki tudja esetleg, hogy itthon honnan lehet beszerezni a két ic-t?
Az IC csere megtörtént, a visszakapcsolhatatlansági idő minimum feleződött. Hogy ez most annak köszönhető, hogy pár útban levő kapacitást az IC csere miatt kiforrasztottam majd vissza, vagy az IC újabb mivolta miatt, az talány. Itt és most abbahagyom sajnos a további vesződést szkóp hiányában, a tulaj nem szokta sűrűn ki- és bekapcsolni, szóval ignorálható ez a hibajelenség, részéről nem gond.
Köszönöm a segítségeteket!
Valószínűleg nagy az erősítő indulási áramfelvétele, bekapcsol a túláram védelem. Milyen erősítőt kötöttél utána ? Mekkora puffer kondenzátorok vannak az erősítőben ?
30.000uf és egy 2x50W os TPA3116 D oszttályú erősítő de egy koppanásgátlót is beletettem így már elindul vele gondolom a bekapcsoláskor keletkező nagy koppanás terhelte le.
Felesleges a 30000uF. Az helyett elég max 100uF. Ez kapcsolouzemu tap.
Sziasztok! Szeretnék némi segítséget illetve tanácsot kérni. Szeretnék csinálni PC tápból(TL494) egy 100Vdc kimenetű tápegységet I=2A. Megépítettem az asztalon egy deszka modellt ami sajnos nem működik olyan a félhíd kimenete mintha nem kapcsolgatná a tranzisztorokat , az alkatrészek teljes mértékben jól működő pc tápból lettek kiemelve. Csatolok néhány fotót az első kép az egyik tranzisztor bázisát mutatja a másiké is pont ilyen persze ellen fázisban,a második már a kapcsoló tranzisztorok C-E félhíd kimenetét (20V/div). Találkozott már valaki hasonló jelenséggel, hogy miért nem négyszög a félhíd kimenete, mert jelenleg ötletem sincs.
A hozzászólás módosítva: Jún 14, 2019
A trafó primerköre csatlakoztatva van a félhíd kimenetéhez ? A trafót feltételezem újra tekercselted. Milyen menetszámokkal ? Mennyi a primer oldalon a tápfeszültséged ?
Szia! Nos, a képen eredeti pc táp trafó áttekerés nélkül olyan 60VDC a bemenet de ugyan ez a hullám alak névleges feszültségen is (~320VDC az amplitúdó nem változik csak fél tápfesszel tolódik fel fele, de ott arányaiban már nem látszik a hullámforma ilyen jól azért csak 60VDC), azért raktam bele az eredeti trafót mert már minden kipróbáltam és persze névleges feszültségen a szekunder része egyenirányítva pufferelve 1.2VDC
Mitől lehet hogy nem hajtja meg a tranzisztor félhidat? "Mert üresen is" csak a tranzisztorokat hajtom ez a félhíd kimenet fogad???Csináltam olyan tápot amiben az eredeti panelt használtam PC táp csak kibeleztem a szekunder részét ami nem kell és újra tekertem a trafót is és pöccre indult és jól is működik , ugyanazt (de totál ugyanazt) összerakom asztalon és nem megy. Megépítem újra hátha csak valamit elnézek mert tuti valami bagatell hiba és nem látom a szememtől, de hátha van valami ötletetek. köszi
A trafó primer tekercselésének egyik fele a tranzisztoros félhíd egyik felére kötöd. A primer tekercs másik fele a sorosan kötött pufferek középpontjára van kötve ? Rajzod egy fotó az asztali modellről van ?
Jó kivezetéseket kötöttél be a trafón ? Ha a tranzisztoros félhíd pontja és a pufferek közös pontja között mérsz akkor a primer ellenállása mérhető ? Van esetleg a primerrel sorosan kötve valahol kondenzátor mint a rezonáns kapcsolásoknál ?
Van egy soros kondi(Elkók közepe->1µF->Tr primer->meghajtó trafó "gyorsító" tekercse->tranzisztorok közepe) 1µF 250V ,de itt a DC leválasztás illetve fluxus szimetriáról is gondoskodik mint az összes HB kapcsolásban. Holnap lerajzolom , illetve csinálok fotót. Köszi
ESR-re/kapacitásra mérted/ellenőrized ez a soros 1uf kondenzátort?
Ha amúgy is 60V-ról működik pillanatnyilag a kapcsolás, egy 100Kohm ellenállást kötsz az elkók közepe és a tranzisztorok közös pontja közé a tekercs a többi soros alkatrész helyett akkor a tranzisztorok közös lábán a négyszögjel megfelelő lesz ? Ha igen haladnák tovább úgy hogy a meghajtó trafó gyorsító tekercsére kötném át az ellenállás egyik pontját a másik maradna az elkók közös pontján. Szakaszolással megtalálni melyik alkatrész nem viselkedik megfelelően. A hozzászólás módosítva: Jún 14, 2019
Szia, Nos nem nem volt megfelelő a négyszögjel a tranzisztorok C-E pontján"üres félhídban csak a tranyók" szinuszos feszültség volt eltolódva féltápfeszültségre, szóval arra jutottam hogy csak is a meghajtással lehet a baj és nem is biztos hogy a primer körben ezért kicseréltem a meghajtó tranzisztorokat a meghajtó trafó előtt amik push-pull-ban kapcsolgattam és máris jó lett(bc547->bc639) tudom , hogy az előbbi nem kapcsoló tranzisztor ,de nem gondoltam volna, hogy ekkora bajt okoz pedig kapcsolóüzembe kellett volna dolgoznia.... mindenesetre köszönök mindent
Sziasztok! ismételten szeretnék segítséget kérni a korábban említett táppal kapcsolatban. A tápnak 100V 2A illetve 12V 2A -et kellene tudnia a kimenetén. A problémám a következő ha a 100V os ágról csatolok vissza a TL494-nek és azt terhelem névleges fölé is 3.5A akkor a 100V os kimeneten teljesen jó a kimeneti feszültségem 100V ugyan úgy üresjáratban is (10k terhelő ellenállás azért van ), viszont a 12V-os ágon 17-25V között változik a feszültség a másik ág terhelésétől függően. Ellenkező esetben 12V van visszacsatolva 12 V teljesen stabil viszont üresen a (100V) 123volt lesz leterhelve meg kb 40V. Viszont ha mind 2 ágat visszacsatolom akkor totál (meghülyül) a táp és elkezdenek forrni a kapcsolótranzisztorok is. Rajzoltam egy skiccet ami a szekunder kör egy részét illetve a trafó számolásomat tartalmazza, kérlek lessetek már rá, hogy mit rontok el . Szeretném ha üres járásban is a kimeneti feszültségek is névleges közelben maradjanak. Köszönöm szépen
Stabilizálni csak egy ágra tudsz. A 12V-os ágat meg tudod oldani 7812-vel, habár az pazarló.
Visszacsatolni csak egy feszültségre lehet, és csak az a feszültség lesz stabil, amit visszacsatoltál. A többi szekunder feszültség, csak követni tudja azt, ami a trafóban történik.
Ahoz, hogy a szekunder feszültségek a lehető legkevésbé szóródjanak szét, nagyon nagyon fontos a minnél szorosabb szekunder-szekunder csatolás, ezesetben fontosabb, mint a primer-szekunder csatolása Következő fontos dolog a szekunderek ohmos ellenállásai legyenek kicsik (csak elhanyagolható feszültségesét hozzanak létre). A kimeneti 47uH közös fojtó bekötési iránya is okozhat meglepetést. Próbáld ki fordítva és külön, egymáshoz nem csatolt, tekercsekkel is. Tehát ebben a kapcsolási elrendezésben egyetlen egy stzabilizált szekunderfeszültséged lehet, a többi szekunder csak vezérelt üzemben megy. Éppen ezért a szekunderek egymáshoz való csatolása a fő meghatározó tényező abban, hogy mennyire lesznek stabilak a különböző szekunderek különféle terhelési helyzetekben (stabil csak egy lesz, az amire a visszacsatolás van kötve). 33 és 4 menetet azért elég nehézkes szoros csatolásra tekerni, de a lehetőségekhez képest törekedni kell rá (pl:16 menet majd (szek 1 fele) szigetelés, 4 menet azonos szélességre széthúzva, mint a 33 menet (szek2), szigetelés és a maradék 17 menet azonos szélességben (szek 1 másik fele)). El kell döntened hogy melyik feszültségenél fontosabb a pontosság, és azt visszacsatolni. Vagy egy flyback topológiával talán jobb szekunder-szekunder stabilitás lenne elérhető. A menetszám számítása jó halfbridge hardswitch-hez, az eredményt nem ellenőriztem. Talán hagyhattál volna nagobb tartalékot benne. UbeACmin-nél egyéb járulákos feszültségvesztések miatt nem jön ki belőle a kellő feszültség (diódákon, tranzisztorokon, ohmokon is esik fesz némelyik a primeren némelyik a szekunderen. (pl: 12V szekundernél már azért számít az egy diódányi feszesés az egyenirányításában (az már 5%)) Vagy két külön táp kell, ha annyira komoly igények vannak. A hozzászólás módosítva: Júl 2, 2019
Idézet: Ennek a kijelentésnek úgy kb. az összes PC táp ellentmond. Mindkét ágra (5 és 12V) vissza vannak csatolva, csak a jobban terhelt szorosabbra, a kevésbé terhelt pedig lazábbra, így alakul ki a kimenetek feszültségében a rendes egyensúly változó terhelések mellett is. „Visszacsatolni csak egy feszültségre lehet”
Kár hogy törölted amit írtál, mert már éppen reagáltam volna rá. Szóval. Nem az egyik ágra szabályoz, hanem a két visszacsatolás eredőjére, ráadásul arányosan. Ugye, a 12V-os ág terhelése általában a negyede az 5V-os ágénak, a visszacsatolás is nagyjából ilyen mértékű, azaz mondjuk 0,1V csökkenés az adott ágon négyszer akkora változást okoz a figyelt ponton. Egy ATX rajzból ollóztam ki, a Tina pedig szépen mutatja az arányt.
Az első eset amikor minden oké, a másodikban az 5V-ot csökkentettem 0,1V-tal, a harmadikban pedig a 12V-ot. Szépen látszik, hogy melyik mekkora változást okoz a pwm szabályozó bemenetén (a feszültségforrások jelentik a kimeneteket, a VF pontok pedig az IC bemenetét).
Tehát akkor mire van visszacsatolva?
EGY olyan feszültségértékre, ami nincs is jelen a kapcsolásban, hanem vitruális feszültség, ami matematikailag van elő állítva az 5 és 12V ágak megfelelő arányú összeadásával. Az amire szabályozás történik: K1*5voltos ág + K2*12voltos ág = ref/2=2,5V ezt tartja fixen. Ettől az még egy feszültség érték. Lehet úgy nézni, hogy se nem erre se nem arra, hanem egy kicsit erre is meg arra is vissza van csatolva, de egészen pontosan 1db képzett érték tartására van visszacsatolva. Eddig nem gondolkoztam ratja köszönöm hogy vitattad az állításomat, igen töröltem mert megnéztem egy rajzot és rájöttem, de ötletes mert kisebb abszolút hibával hozza a paramétereket összességében, mint ha mereven csak az egyik vagy csak a másik, illetve párhuzamosan vagy kapcsolásban mindkettő feszültségre lenne szabályozóhurok. Asszimmetrikus terhelésre megengedi az egyik érték pozitív hibáját míg vele egyszerre a másik negatív hibáját. Mintegy szétosztva a "kötelző" hibaértéket, szemben azzal, amikor az egyik ág hibája nulla (arra van szabályozva), így a másik ágon létre kell jöjjön az teljes hibaérték. A hozzászólás módosítva: Júl 2, 2019
Most nyelvtanilag vagy műszakilag vitatkozol magaddal?
Mert egyik sem jó, nézd meg az idézett részt, épp ezért kötöttem bele. Azt senki nem vitatja, hogy egyetlen pontnak csak egyetlen feszültsége lehet. De, a kimeneten kétféle feszültség van, és bizony arra a kétféle feszültségre van visszacsatolva, így bármelyik változása el fogja húzni azt a pontot amit virtuális feszültségnek nevezel, csak eltérő mértékben. Nem virtuális az, nagyon is valós, az osztók közös pontjának a feszültsége.
Nem értek egyet.
Visszacsatolva az van aminek az alapjellel képzett különbségét azaz hibaértékét nulla közelébe próbáljuk szabályozni. PC táp pedig így egy feszültségre van visszacsatolva (nem kétfélére), az a feszültség ugyan nincs jelen közvetlenül a kapcsolásban, nem szekunderfeszültség, nem is kimeneti feszültség, hanem elő van állítva kimenetek összeadásával, de ez lényegtelen. A vitruális pont feszültésgét pontosan a szabályozás tartja helyén a beavatkozás révén. A beavatkozás hatása jelentkezik az összes szekunderen, beleértve aztokat is amikből képezve van a virtuális pont. Ha műszerrel belemérnénk a "feedback" nevű vezeték feszültségébe, ami a virtuális pont, az éppen ref/2 értéken állna bármely üzemszerű terhelés esetén. Hiszen ez egy PI szabályzó, kötelessége (amíg szabályozható tartományon belül van az terhelési állapot)! Ha felépítenénk kívül ugyanezt a visszacsatoló hálózazot dupla_vcs.jpg (27K 5,6K 2,49K), akkor is a VF nevű ponton éppen 2,5V lenne bármilyen üzemszerű terhelési állpotban, úgy hogy annak a kinti hálózatnak köze sincs a visszacsatoláshoz. Ez az feszültségérték az amire szabályozva van a táp, és ez 1db akkor is, ha nem szekunderfeszültség, akkor is, ha több kimenete van a tápnak. Szerencsére nem azt írtam, hogy visszacsatolni csak egy szekunderre vagy egy kimenetre lehet, hanem csak annyit, hogy egy feszültségre, abba még belefér az, hogy az lehet virtuális is, ami több kimenet együttes értékétől is függhet. Igaz, akkor még nem néztem meg, ténylegesen hogy van visszacsatolva egy ATX és rosszul emlékeztem rá. Attól még hogy gondoltam, hülyeséget nem írtam.
Na, akkor most amit leírtál, azt próbáld meg összehozni a kérdező által csatolt rajzzal (mert hogy ott ugyanúgy egyetlen virtuális pont van), meg ezekkel amiket reagáltál rá:
Idézet: Előre szólok, nem fog menni. „Visszacsatolni csak egy feszültségre lehet, és csak az a feszültség lesz stabil, amit visszacsatoltál. A többi szekunder feszültség, csak követni tudja azt, ami a trafóban történik.” Most akkor vagy egy feszültségre csatolt vissza és akkor nem igaz amit írtál és idéztem, vagy kettőre, és akkor ugyanúgy nem igaz.
Azt írtam hogy csak egy feszültségre lehet visszacsatolni, holott lehet két kimenetre egyszerre is, de mégsem mert, ha mindkettő kimenetre visszacsatol, akkor egyik sem lesz stabil, pedig ami vissza van visszacsatolva, az stabil kell legyen. Szóval vissza van csatolva mindkettő kimenetre és egyik feszültsége sem stabil. Meg kell különböztetni a kimenetet és a feszültséget.
Kimenetnek van feszültsége, de a feszültség nem csak kimeneté lehet. Nem vitatkozom többet ezen, legyen igazad. Valamint felületesen néztem a rajzot és párhuzamos szabályozóhurokra gondoltam akkor, de ez nem az. A problémát kellene megoldjuk. Possim azt írta, hogy ha az egyik ellenálást kiszedi visszacsatolás hálózatából, akkor az egyik kimenet stabil és jó, a másik kimenet meg használhatatlan. Ha a másik ellenállást szedi ki akkor fordítva. Ha mindkét ellenállást benthagyja, akkor rendellenesen működik a táp. Na de miért? Elöbbi okfejtések után valószinűleg egy olyan feszültséget próbál létrehozni a táp, amit nem képes. Kiül maximális pulzusszélességre és összenyitnak a fetjei. Rosszak az ellenállás értékek 390K és 39K. 390k jó a 100 Volthoz 39k jó a 12V hoz. Együtt dupla feszültségre akarnak szabályozni 200V legyen illetve 24V, az meg nem tud kijönni. 390K helyett 390k/Y 39K helyett 39k/(1-Y) ahol Y: 0 és 1 közé eső szám. Elsőnek legyen 0,5. Aztán majd kiderül hogy a trafó mit tud, nekem soknak tűnt az egy ágú "tiszta" visszacsatoláskori feszültégcsúszkálás. |
Bejelentkezés
Hirdetés |








Mitől lehet hogy nem hajtja meg a tranzisztor félhidat? "Mert üresen is" csak a tranzisztorokat hajtom ez a félhíd kimenet fogad???








