Fórum témák
» Több friss téma |
Fórum » Kapcsolóüzemű táp autóba Hi-Fi-hez
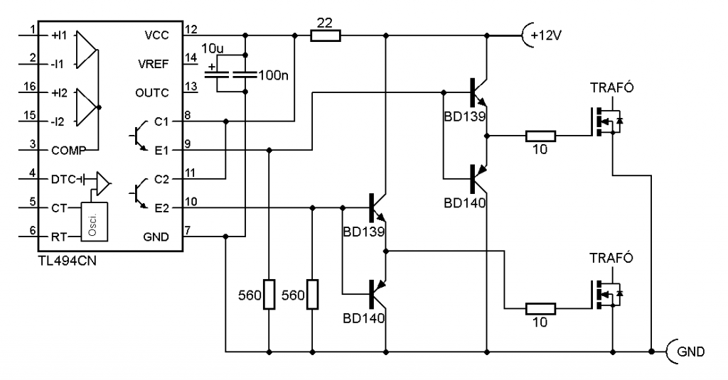
Az már majdnem tökéletes. Az IC és a tranyók (és a fetek) tápját szét kell választani. A tranyók mehetnek direktben a 12V-ról, az IC tápútjába viszont tegyél egy 22ohm-10µF szűrőtagot. Az sem baj ha van a kondival párhuzamosan egy 100nF is. A gate ellenállás lehet nagyobb, akár 10-15 ohm is.
Ha jól értem akkor így gondoltad. Remélem ezzel már egy egész elfogadható tápom lesz.
Így már jó. A trafó primerjére (vagyis a két FET drain-je közé) kell majd még tenni egy soros 4,7n-22ohm-os RC tagot (snubbert).
Értem. Az alapból is benne van a kapcsolásban csak 10 ohm 1nF értékekkel. Utánaolvastam mi is ez a snubber. A feszültség lökéseket és tüskéket hivatott csökkenteni. Az R és C értéke mitől függ? Mert lehet, hogy a frekvenciát fogom változtatni.
Nem a frekvenciától függ, hanem a körben levő induktivitásoktól és kapacitásoktól. A snubberrel az előbbi alkatrészek által alkotott rezgőkörfélét csillapítod be.
Üdv!
Lenne 1 kérdésem (valszeg. egyszerű de nekem nem az! :confused ? .A kapcsi rajzból.hogy derül ki az hogy hány voltosak a kondik?
Az értékek amiket írtam kiindulási alapnak nagyon jók, ettől nekem ritkán kellett eltérnem. Úgyis meg kell szkópolni a kész áramkört, és akkor látszani fog.
A tápfeszből. A primer 12V, oda 16V-os kondik kellenek, a szekunder pedig +/-40V, oda tápáganként 50V-os.
Rendben, csak ha már van legyen jó alapon gondoltam a saját frekvenciámra méretezek egyet. Az a baj, hogy a lehető legegyszerűbben szeretném a legjobb áramkört megtalálni és megépíteni de rájöttem, ez nem lehetséges. Vagy az egyszerűségből vagy a minőségből kell lejjebb adni. A cimopata féle kapcsolás megfelelne csak nekem elég lenne maximum 80W és szabályozni is szeretném. +-5 Volttól +-30 Voltig szándékozom a szabályzást. Üzemszerűen, tehát nem csak egyszer beállítani. R20 helyére elég lenne egy potmétert rakni?
Üdv!
Kösz! De ha képen jol látom akkor 4700,1000, 40 Voltosak és a kicsik a szek. oldalon? Kép alapján tudnál segíteni?
Inkább a PC tápokban is alkalmazott módon, a kimenetről ellenállásosztóval, direktben csatolj vissza a 494-nek. Optocsatolóval nekem nem sikerült még normális pwm szabályozást csinálni. Működni működött, de nem valami jól.
Én is jobban támogatom a ez említett visszacsatolást viszont a kimenetre szeretnék egy fezsültség mérőt rakni aminek a bemeneti 12V lenne a tápja ezért nem állhat galvanikus kapcsolatban a kimenettel. Ebből a szempontból előnyösebb lenne az optocsatoló. Gondoltam még egy segéd szekunderre külön a panelmérőnek de akkor meg annak a feszültsége is változna a kimenettel arányosan ami nem jó.
A nagyobb elkókon én sehol nem látok értéket. A kicsik elég ha 16-25V-osak, kivéve a C23 pozíciószámú 22µF-ot, oda szerintem nagyobb kell, de ahhoz meg kéne nézni a 7294 adatlapját.
Sziasztok!
Én is neki láttam erősítőt építeni a képen láthatjátok melyikről is beszélek. Egyenlőre még csak a táp részét próbálgatom gyári állapotú PC-táp trafóval. Eddig 53 KHz-en megy és üres járatban 64VDC, terhelve pedig 50VDC a 33 helyett (jah és kerek 12VDC-ről megy). Eddig nem sikerült kisebb feszültséget előcsalogatni belőle. A trafót nem nagyon akarom át tekerni... Valami egyszerűbb megoldást keresnék. Valakinek valami ötlet?
Én a 22µF-osok ból 100V-osat raktam be.
Hiába van meg az adat lapja nem találom,hogy hány voltos!!
Üdv!
Valami ilyesmire gondolsz?
Igen konkréten ugyan azt építettem meg! De látszik is a képen szerintem ..
![]() Így már lehet jobban felismerhető..??
Biztos voltam benne! Trafó megoldásra gondoltam.
Köszi a volt számot!
?Itt van az eredeti leírás. Bár lengyel de Google fordítóval lehet némi hasznos infót kiszedni belőle..
Köszi a linket!
thedespot0 kollégát kéne kérdezni,nekem ő adta a tippet. Le írnád nekem a ősz.kondinak a volt számát uf-el együtt? Előre is köszi
C1;C2;C5 47µF 16V
C4 4700µF 25V C7; C10 1000µF 60V C18 1µF 16V C17; C23 22µF 50V C24; C25 10µF 50V Ezek a minimum feszültség értékek ennél csak nagyobb legyen.
Köszi!!!
Nem egészen ide tartozik,de lenne még 1 kérdésem, A pc tápban hol és melyik az a optocsatoló?
Szia!
Keress 6 vagy 4 lábú IC-ket. Bővebben: Link
És amelyikben 2 nagy ic van? erősítőbe is az van?
Van nekem olyan amibe 1 nagy van
Nekem közben meg oldódott a problémám. Megy az erősítő is!
![]() Holnap a suliban lemérem a paramétereit... |
Bejelentkezés
Hirdetés |





? .A kapcsi rajzból.hogy derül ki az hogy hány voltosak a kondik? 






