Fórum témák
» Több friss téma |
Fórum » Kapcsolóüzemű táp autóba Hi-Fi-hez
Sziasztok skacok!
Honnan lehet toroid ferriteket rendelni, mert én megfelelő ferritmagokat nem találok neten. Ti honnan rendelitek, szerzitek, mire kell odafigyelni??? Előre is köszönöm a válaszokat! A hozzászólás módosítva: Ápr 18, 2014
Szia, ezt a ferritet lehetne - e használni autóhifi tápban ? Bővebben: Link
Mekkora teljesítményre kellene?
Tali bt. Vác, M2TNC anyag. Arra kell odafigyelni, hogy ne törjék össze a postán.
Egyiket sem, horror árban vannak. Taliéknál annyi pénzért kétszer akkora átmérőjűt kapsz, anyagát tekintve pedig egy ilyen táphoz bőven megfelel.
Most van itthon egy EI33 ebből mekkora teljesítmény vehető ki kb 35khz körül fog menni a táp ?
Az a "vas" anyagától is függ...
Az anyagát nem tudom, egy pc tápból bontottam.
Ha PC táp volt, akkor 3-400W Nem több. Azt javaslom, ha van 2 ilyen egyforma magod, akkor tegyél a tápodba 2 darabot. Aránylag könnyen össze lehet szedni ilyen magokat.
Számoltam menetet neki, kb 2*5 menet a primernek, ez megfelelő lesz?
Mondtam erre nemrég valamit: Bővebben: Link
Szerintem az 5 menet sok lesz. Hogy jött ki neked ez? Írj róla. Ezzel érdemes számolni. Bővebben: Link Egyszerű, nem tér ki mindenre. Jól használható.
Köszi még1x a segítséget!
Szia, találtam itthon egy toroidot, az van ráírva, hogy AE061 54038-4K ( gondolom , hogy amidon 061-es anyagból van) , nem tudom miben volt, szerinted ezt lehet használni egy ilyen autós tápegységben? A méretei : 13.1mm magas 38mm az átmérője, a belső átmérő pedig25 mm . Majdnem elfelejtettem, hogy az egész piros színű.
A hozzászólás módosítva: Ápr 26, 2014
Sziasztok a segítségeteket kérném,akarnék építeni autóba erősitőt az erősitő már készen van és nekem kellene egy olyan kapcsolás amelyiket már megépítették és be is vállt kb.400-500W kellene.
Már kaptam egy rajzot de abbol nem nézek ki 400-500W-ot. Köszönöm. A hozzászólás módosítva: Ápr 30, 2014
Hello nekem kellene egy kapcsolas amelyik biztosra mukodik egy 500W erositohoz kellene elore is koszonom!!
A hozzászólás módosítva: Jún 11, 2014
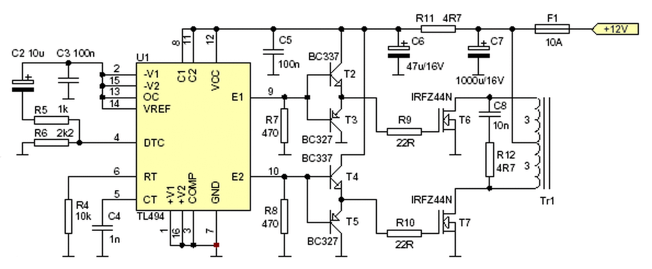
Tessék. A 494-es, SG-s, stb. megoldásoknál jobb, egyszerűbb. Ha egy komplementer emitterkövető párral megerősíted a meghajtást, izmos feteket használsz és a trafót is normálisan megcsinálod, akkor több mint 1kW-ot is át tudsz vinni rajta.
Az IC adatlapjában minden le van írva, ki lehet egészíteni tiltással ha elszállna a végfok, stb. stb. Nyáktervet ne kérj mert már nem tudok mutatni. Egy 200Ft-osnál alig nagyobb méretű trafóval meg 1-1db combos fettel simán kiszolgált egy 24V/400W-os állóhelyi fűtést. Persze a trafó elkészítése a lelke az egésznek, ha az nem megfelelő akkor a 60V-os fetek is el fognak durrogni. A mikéntje le lett írva, vissza kell lapozni.
Sziasztok!
Szeretnék készíteni egy lehetőleg minnél egyszerűbb tápot. 2*30V(+-5V) DC kimenetel 12Vból, max 100W. Ez megoldható: A tervem:
Lomex-ben kapható, de ha nem használod nagy hidegben akkor a 3808 is jó (-40 kontra 0 Co).
Hogy a képen lévő is az lehet e fogalmam sincs.
Rendeltem a TI-töl mintát ha elküldik akkor elkészítem ezzel, máshonnan nem tudom beszerezni...
Push-Pull üzemben nem megy ez az IC vagy miért gond? Elméletileg félhí dban is meg lehetne valósítani...Sőt félhídra a trafót is könnyebb el készíteni... Vagy??? A hozzászólás módosítva: Jún 14, 2014
Helló!
Bővebben: Link ezt az áramkört szertném megépíteni, úgy hogy 300w ot produkáljon (2xtda7294-t hajt majd), akkor nem kell semmiféle módosítást csinálni? Másik kérdés nem tudom hogyan kell a PC táp trafót bekötni, nekem csak 6 eres a GND-be vezetett huzal. Bővebben: Link
Találtam egy képet egy trafóról: Bővebben: Link Akkor aza 12V ahol szimplán van kihúzva egy szekunder, nem pedig kettő?
És hogyan kellene bekötni a transzformátort? Amit te linkeltél az 4 darab tda 7294 chipnek elegendő tápegység, 600W teljesítményű, nekem csak 300 kell, én úgy olvastam, hogy amit linkeltem azzal a FETtel használva 300W a kimenő, de 1 chiphez elég egy kisebb FET is. A hozzászólás módosítva: Júl 1, 2014
Elolvasva mégegyszer a leírást kiderült, hogy a transzformátor 5v-0-5v kivezetéseit a primer részhez kell kötni, a 12v-0-12V- os részt pedig a szekunderhez, és a közös GND tekercs kimeneteket a trafó tetejéről szét kell bontani, és különválasztani a szekunder és primer GND-t
Ezeket a SCHOTTKY diódákat lehet alkalmazni egyenirányításnak? SB1640PT,STPR2020CT,SB2040CT, ahogy a mellékelt rajzon ábrázoltam? A szürke vontallal öszekötött rész szükséges? A tápegység kiemenetén 5A jönne ki max. A hozzászólás módosítva: Júl 2, 2014
Megcsináltam a régebben linkelt kapcsolást, de a trafó bekötését és a szekunder oldalt úgy terveztem, mint ahogy a következő linken van: Bővebben: Link
A kimeneten +/-27V jelent meg csak 0,3V -ot változott a trimmer állításával. Sajnos nem figyeltem oda a schottky dióda melegedésére, az egyik elfüsölt, és rövidzáros lett. Miután kicseréltem, megfigyeltem hogy a kapcsoló fetek nagyon hirtelen melegednek, a trafó furcsán zörög. Mi lehet a baja? A feteket kicseréltem jókra, a meghajtó tranzisztorok nem zárlatosak.
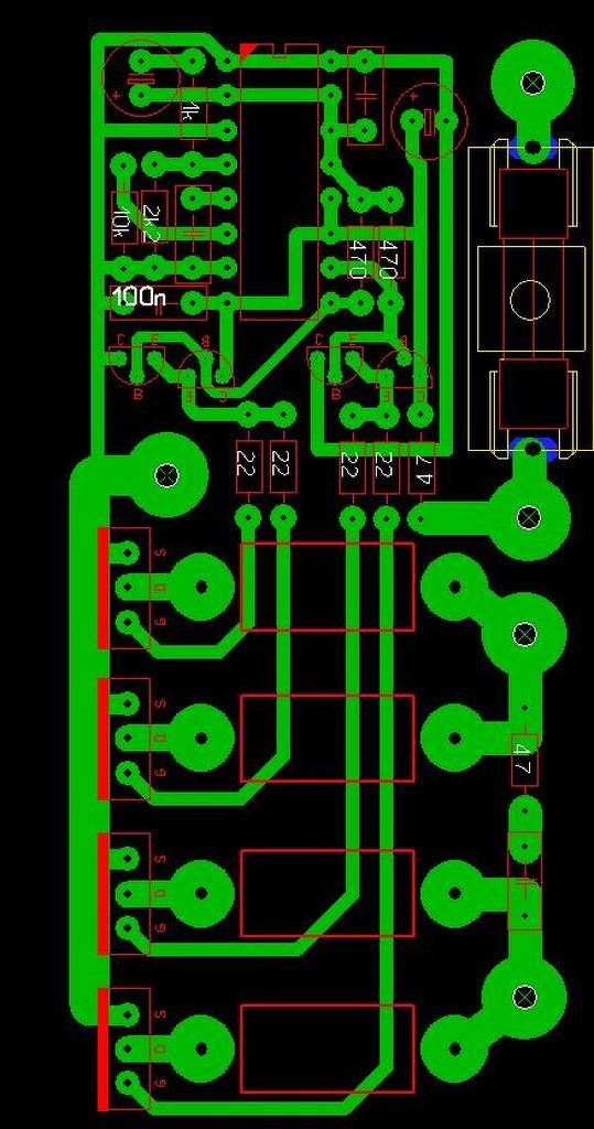
Sziasztok! Elkészítettem a mellékelt kapcsolási rajznak a nyáktervét, szólt Reloop kolléga, hogy kapcsoló üzemben nem kellenek az drain/source wattos ellenállások. (oda átkötések fognak kerülni) Ahogyan visszakereste/olvastam, láttam valaki már ajánlotta ezt a kapcsolási rajzot másnak, de trafónak pc-táptrafót ajánlott. Kérdésem az lenne, hogy hány Hz-en működik a kapcsolás, es hogy sime EI vasmagos trafót használhatnék-e úgy mint ahogy a szünetmentes tápokban van?
Hasonló kapcsolást építettem egyet, működik. Ehhez a kapcsoláshoz ferrit mag kell, szünetmentes tápban lemezelt trafó van nem? Az ilyen kapcsolás 40-100 kHz-en megy.
most olvastam, vasmagos nem jó, ferritmagos kell:monitor, sz.gép táp...(légrés nélküli sorkimenő pl...) A hozzászólás módosítva: Aug 1, 2014
|
Bejelentkezés
Hirdetés |






dban is meg lehetne valósítani...Sőt félhídra a trafót is könnyebb el készíteni... Vagy??? 







