Fórum témák
» Több friss téma |
Fórum » Kapunyitás gombnyomásra olcsón! - avagy automata kapu házilag
Témaindító: szabi83, idő: Feb 2, 2006
Igen, ez egy kritikus kérdés számomra is.
Ugyanis a garázsajtókhoz bevált egy néhányezer Forintos akkutőltő, és ide is azt vettem. De az sajnos ezt nem bírja el, ha nem ideálisak a körűlmények. (pl szélben nem nyílt). Most átmenetileg egy komolyabb akkutőltő van rákötve, (orosz, így van benne nafta..) ezzel szépen megy, és 6A-t mutat. Induláskor valóban kicsit erőlködik, de nem vészes. (Egy csavar meghúzásánál jobban szenvedett.) Most tápot keresek, sztem ki kéne próbálni 14V 6A-el. De hol van ilyen táp?? Ha más nincs veszek egy komolyabb csepptöltésre is alkalmas akkutőltőt.
Tiszteletem Uraim.
A napokba összedobtam egy 2 szárnyas kapunyitót elektronikával (távvezérlős) öt délután alatt, meló után szinte meglévő anyagokból. Viszont van 1-2 dolog amit finomítani szeretnék. Mielőtt elkezdenénk nagyon belefolyni szeretném leszögezni hogy én Gázvezeték és készülék szerelő vagyok , az elektronikához annyit értek ami a sok kérdezősködésemből rám ragadt.(amúgy szeretem). Leírom miből is van. motorok: LADA ablaktörlő motor az áttétele levágva egyből a tengely hajt áttételt én csináltam.(még módosítva lesz). mechanika 2*60 cm 3/4 " cső, 2*50cm 1/2" cső 2*50cm 12-es menetes szár kipróbáltam mennyit bír én elégnek találtam hosszírányban elég erős, 2* 12-es m.szár toldó, meg 1 darab lapos vas. elektronika:8db relé 4db végállás kapcsoló 1db univerzális kp zár 2db távirányítóval. összesen olyan 12000 huf ( a motorok megvoltak.) + ma tettem bele 1 mz indexrelét (brimetáros) meg 1 MTZ indexet hogy legyn sárga villogóm. most itt tartok és működik vagy 2 hete. Amit szeretnék. Mivel a kp zár modulja csak 2 s-ig ad ki jelet ugye nem tudtam rákötni a motorokat (megnézettem azt mondták nem éri meg átalakítani hogy több ideig adjon jelet mert nem tudom miért) így muszály voltam magam megoldani (és most kéretik nem kacagni, ne feledjük csöves vagyok.) ![]() így hát az elektronikában is van mechanika amit szeretnék kiküszöbölni. ezért fordulok hozzátok. csatoltam képeket ott láthatjátok a mostani felállást. van benne 1 kp zár motor amit a távnyomi vezérelugye nyit / zár tettem a motorra 1 darab drótot ami melett van 2 csavar a drót a + és a két csavar az érintkezők, nyit/zár amiről megy a jel a végálláskapcsolókon keresztül a rellékhez. na ezt szeretném kiváltani valami biztonságosabb elektromos megoldással. mert ugye a motor beragadhat nem nyit/zár a csavarok vagy drót oxidálódhat megint nincs jel (áram) nomeg igy mindig kapja az áramot a végállás és ha nem kapcsol le mert mondjuk beég a motorok is kapják a menkűt leégnek. jah amit a modul ad jelet az 2 drót változó polaritással erre a jelre kellene működnie az összerakott elektronikának.+szeretnék bele időkorlátot ha a végállás nem kapcsol akkor se égjenek le a motorok. Valakinek ötlete a kérdéseket is várom a mechanikával kapcsolatban. A kapum nyitási ideje akumlátorrol ami már kocsit nem indított 45AH 19-S ha ráteszem a régi ruszki töltőnket 14 másodperc alatt megvan. Bocsi a szófosásért várom a hozzászolásokat.
Szia
Legegyszerűbben egy olyan relével tudod (sajna a nevét nem tudom) ami átbillent egy kapcsolót (trabant wartburg fényváltó relé volt ilyen, elég hulladék is volt ) tehát amikor a jelet kapja akkor átvált.A kp zár vezetékeit rákötöd és meg is oldottad a gondot Az a sok relé miért kell? Dobhatnál képet a végálláskapcsolókról is mert szerintem az is egy achilles sarok, az áttételezésről nem is beszélve. Szóval lesz ezzel még gondod. Üdv
Szerintem bistabil relére gondolsz, én finder tipusút használok ha kell és nem találtátok meg lemegyek és leírom a tipusát. Egy adott impulzusra meghúz , majd a következőre elenged és így tovább.
Az lesz, szóval bistabil relének hívják, jó tudni, nekem is van ilyen itthon, csak a nevét nem tudtam.
Bár ez esetben fontos lenne, hogy 2 áramkörös, tehát NO és NC, + min. 16A terhelhetőség, meg, ha jól látom itt minden 12V-os, ami szintén megbonyolítja a dolgot. Nehéz lesz ilyet találnia, de a trabant fényváltót nem ajánlanám. sose értettem, hogy egy ennyire megbízhatatlan cucc hogyan hagyhatta el a tervezőasztalt
Szóval a finder ezt impulzusrelének hívja és 26-os széria.
Bővebben: Link innen rendelhető például és a "válassz feszültséget" fülecskébe állítható be hogy milyen feszültségű relé kell tehát nem csak az az egy van!
Hali.
az a sok relé azért kell mert máshogy nem tudtam megoldani a fázisváltást 1 motort 4 relé üzemeltet 2nyit 2zár és két motor van külön körön. az áttétel meg lesz oldva bicikli lánccal. azt a relét amiről beszéltek nem ismerem de én mégis valami nyákos megoldással szeretném megoldani amiben van időkapcsoló is. A végálláskapcsolóim meg a legolcsobbak voltak a boltban. ez még csak 1 prototipus amit fejleszteni akarok de eddig hibátlan. Lesznek még itt bajok a táppal is csak előszőr az elektronika áljon össze. Akkor valami nyákos ötlet?
Szia
Azt írtad az előző hozzászólásodba, hogy csőszerelő vagy, ezért is ajánlottam a legegyszerűbb megoldást. De ha neked egy időzítővel ellátott nyák-os vezérlés kell akkor ahhoz mélyebbre kell ásnod, nem tudom milyen szinten vagy az elektronikába, de ez már nem kispályás feladat. Egy kb 25-40 másodperces időzítőt 555-ös IC-vel lehet megoldani, nézz szét ebben a témában, vagy akár ebbe a topicba is találsz már kész projecteket. Tegyél föl egy kapcsolási rajzot a mostani megoldásodról, mert még most se világos miért kell 8 relé. Üdv
Szia.
elektronikához?én ? nem értek csak szeretem. most akarok megtanulni nyákot csinálni de nekem az is jó lenne ha valaki meg tudná csinálni nekem nem tul drága pénzért. kapcsolási rajzot meg nem tudok csinálni de annyi a lényege hogy egyszerre áramot kap 4 relé PL nyitáskor. egy motoron van 2 relé 1 +ad a másik testet. a végálláskapcsoló meg a relék tekercsét szakítja meg nem a motoráramot.nekem kevesebb relével nem jutott eszembe semmi. abbol meg van ithol 1 marékkal még a ladámból maradt. ezért csináltam így.
Bár pontosan én sem értem hogyan működik a nyitod, de ez nem is érdekes működik ez a lényeg. A távirányító jelét akarod időben meg hosszabbítani mert a 2 sec kevés ezt értem . Erre talán ez is megfelel. Ha pozitív jelet kap meghúzza a relét az időzítés idejét a pótméterrel állíthatod KB 2- 30 sec között. Ha kevés ez az idő is tegyél nagyobb elkót.
hát nekem ez nem sok mindent mond.
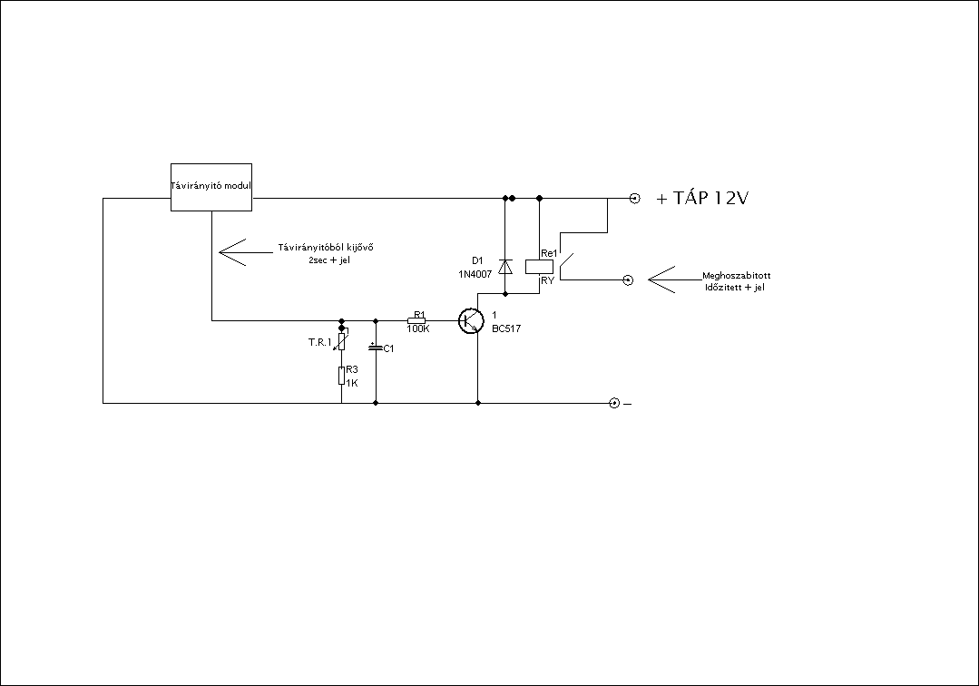
nekem a vevőből kijön 2 db kábel. és váltva ad egyszer +/- másszor -/+. ez lenne az alap vezérló mert ez megvan. és ehez kéne olyan ami ha megkapj azt a 2 sec jelet(+) továbbadja mondjuk 30 sec-ig akár 1 relének am a motort táplálja. megpróbálok rajzolni valamit hogy most hogyan is működik.
Szerintem az időt felejtsd el! Maximum biztonsági tartaléknak jó , de csak a végállást kell használni a motor megállításához. Én magam építettem a vezérlőmet és a
szoftvert is én irtam bele(pic). Szerintem ez összetettebb minthogy egyszerű relézéssel megoldható lenne. Persze ha lemondasz a villógórol, a fotocellák kezeléséről, elektromos zár kezeléséről, esetleg a kiskapu funkcióról akkor esetleg.
szia.
két oldallal visszább a 660762 hsz-embe van az én "elektronikám". Szintén nem értek hozzá, ezért csak reléket tartalmaz. A rajz alsó részét ajánlanám figyelmedbe ahol 2 db relé adja a polusfordítást. Ha az 1-es pont pluszt kap akkor az egyik, ha a 2-es akkor a másik irányba megy a motor. Nekem a két kapuszárny motorja pedig párhuzamosan van kötve. Fent egyébként két különleges végálláskapcsoló, és két öntartó relé van. Meg az indítógomb (távvezérelve).
mellékeltem 1 kézzel rajzoltat.
Ha ezt sem értitek akkor vagy én vagyok ejstejn vagy. de most működik.
hm
nem egyszerű , de tetszik ez a logika. és ha mozgás közben megnyomod a gombot, megfordúl a mozgásirány?
a villogó a legkevesebb mos tis MZ index relé villogtat infra se kell elektromos zár felesleges aki be akar jönni átugrik. a kiskapu meg talán.
nekem erre telett csiöves létemre
így nem szakítom meg a motor áramot. ha csak 1 pillanatra nyomom meg megáll mert nem megy átt a KPzár motor a másik érintkezőig ha tovább nyomom szimplán megfordul a forgásirány.
nekem külön körön mivel az egyik szárny kb 80 fokra nyillik ki a másik meg vagy 120 nem derékszöges a porta az utra.
ezért az egyik kapu 11 sec alatt zár / nyit a másik meg 17. ugyhogy külön kell vezérelni
jah az idő csak biztonság lenne ha meghalna a végálláskapcsoló.
Ja úgy jó az enyém is olyan , a sok gagyi gyáriba divat az időre működés.
Talán így már érthetőbb.
érthetőbb sokkal de ha van 1 kis időtök pill és megpróbálok énis mutatni valamit.
így működik a távvevőm.
bár lehet eddig is tudtátok.
Sziasztok!
Látom, most nagyon benne vagytok ebben a barkács témában... ...ezért most kérdezek... Tolókapura tudtok-e valami olcsóbb megoldást, mint a gyári fogaslécet? Ki lehet valahogy váltani, ami olcsóbb? Köszi!
Az max 40 cm, ha jól emlékszem. Nekem 4,5m kellene
Szia, természetesen van megoldás. A fogasléc helyére kifeszített lánc a motortengelyre hozzá való lánckerék nagyobb terhelésnél terelő görgőkkel omega alakban megvezetve a láncot a lánckerék körül.
Szupi! Pont ilyesmire gondoltam én is. Én arra gondoltam, hogy egy szögvasra heggeszteném fel a láncot. De a te megoldásod egyszerűbb és jobb, mert a feszítőgörgőkkel elkerülhető a fogátugrás. Kerékpárlánc elégséges lehet, vagy komolyabb kell? |
Bejelentkezés
Hirdetés |









) tehát amikor a jelet kapja akkor átvált.



