Fórum témák
» Több friss téma |
Vegyél egy Laskomex lakáskészüléket, fordítsd ki a panelt, fotózd le . A fotón bejelölöm, hogy hova forraszd a kondikat.
Sziasztok
Ha valaki olvasna es tud erdemben hozza szolni kerem tegye meg! Olyan "okos" belteri kaputelefon keresek ami tudja nyitni a lepcsohaz ajtajat BT vagY wifi halozaton keresztul. Regi tarsashaz, kb 9-12 lakasos regi minimum 30 eves kaputelefon valoszinulag sima analog.egnyomod a gombot csenget beszelsz aztan beengeded ha akarod. Erdekel olyan megoldas is ha nincs kesz belteri keszulek, hogy esetleg wifis relet a nyitogombhoz beiktatva, vagy barmi. Otlet?
Szia !
Jó lenne egy kép a kaputelefon központról, úgy sokkal könnyebb érdemben hozzászólni az általad felvetett témához !
A belteri belsejerol van egy kepem. Ha ujra megyek a lakashoz csinalok a kulso reszrol is. Hanem veszem le a kagylot is nyit a gomb megnyomasara
Végülis wifis konnektor van, abba egy jelfogót dugva már célnál vagy. Lehet a kapcsoló érintőjét lehet a hálózattól függetleníteni azzal egyszerűsödik a kérdés. Lehet van 12v változata is, abban gondolom eleve független az érintő.
Nem ertelek hogy jon ide a konnektor. En abszolut nem hozza ertokent valami wifis reles megoldasba gondolkoztam eddig. Az also fekete gomb feltol egy fem pockot ami szerintem osszezarja a fekete es kek kabeleket. Jarhato ut lenne ezeket parhuzamosan egy ilyen wifis relevel osszekotni? Igy meg maradna a kapcsolo funkcioja is plussz a wifi?! Amugy nem ertem hogy a regi rendszerekhez mert nem talaltak mar fel ezt kesz kent kaphato formaban
Mi a célod a távoli kapunyitással ?
A lakas ajtajara is szeretnek egy smart zarat, es kulcs nelkul nyitni. De semmi ertelme ha megis kell kulcsot magammal hordani a lepcsohaz miatt
Én egy ilyen eszközt alkalmasnak tartok.
Es ez mondjuk? Bővebben: Link Es akkor telefonrol mehetne a dolog extra taviranyito nelkul. Csak azt nem tudom, hogy kene bekotni
Én nem bíbelődnék a telefonommal, sokkal kisebb egy rádiós távkapcsoló. Nem kel elővenni, applikációt megnyitni. Nem vagyok híve annak, hogy mindent okostelefonról vezéreljünk, hallottam más WIFI-is toalettpapír adagolóról is.
Lehet igazad van, de sajnos a telefon mar a zsebben van. Plusz egy taviranyito ugyan az mintha a kulcsot kellene magamnal tartani. Akkor mar szamomra semmi ertelme nem lenne
Ha senki nem látja, hogy milyen "menő" vagy, akkor már nincs értelme ?
Nem akkor nincs ertelme. Az nem erdekel ki lat vagy ki nem. A lenyeg azon van hogy nem akarok plusz dolgot magamnal tartani. A telefon igyis ugyis nalam van. Kulcs vagy taviranyito az mar ugyan az
Nem értelek ! Egyéb kulcsokat nem is használsz, munkahellyel kapcsolatos kulcsok, kocsikulcs, postaládakulcs, stb ?
Kocsikulcsot vilag eletembe kulon hordtam a lakas kulcstol a postalada kulcs nem erdekel ha a lakasba marad mert 2 meterre van a lakas ajtotol. A munkahelyi kulcsok meg az irodamba vannak,oda se kell kulcs. Tehat az egyetlen kulcs ami a zsebembe maradna az a kocsikulcs,minden fele csungo tarto nelkul.
Ez lenne az eredeti terv, ha megvalosithato, ha nem akkor lehet hajlok a taviranyitos megoldasra, mert egyenlore nem latom ag a wifis megoldast
Azt hiszem ezzel fogom kiprobalni! Bővebben: Link Momentan ezt tunik a legtisztabb megoldasnak. A B terv szerint usb tap ebbe a relebe aztan a sonoff appjan keresztul kapcsolhato. 1mp re automatikusan kapcsol aztan ujra bont.
Sziasztok!
A csatolt képen látható kaputelefonnál, tudja esetleg valaki, hogy melyik bekötési ponton "mi történik" ? Van valami szabvány a bekötési pontok elnevezésénél?
Celegyenesbe a kapu nyitas telefonrol. A kerdes, ha osszezarom a T1 es a 3 kabeleket, szerintem ezek felelnek a nyitasert. Mondjuk egy kabellel, okozhatok kart a kozponti egysegben, ha megsem ez a nyitas?!
Sziasztok, Szakik! Segítséget szeretnék kérni! Codefon- MKT típusú kaputelefon nem csönget. Sem a földszinten lévő lakásszám beütésekor, sem a zárt folyosón kívüli nyomógomb megnyomásakor, sem pedig a lakás bejárati ajtaja melletti gomb megnyomásakor. A készülékre rámértem, a 12 V-os feszültséget megkapja. Mi lehet a probléma? A segítséget előre is köszönöm.
Sziasztok!
A lakásban ahol lakok nem működik a kaputelefon, amikor kintről megcsörgetik a kaputelefont fent a lakásban csak cseng de nem érzékeli azt sem ha felvesszük a kagylót, sem a kapu nyitó gomb megnyomását, süket a telefon. Gondoltam szétszedem, megnézem mi is lehet a probléma de egy kicsit elbizonytalanodtam. A helyzet a következő: a lakásba 3 kábel fut be, nincsenek szín kódolva. Kettő van bekötve a telefonba, harmadik levágva rövidre és félrehajtva. Feszültség nem mérhető sehol sem a kábelek között (lehet csak akkor lenne ha hívnák a kaputelefont, még nem próbáltam ki). Készítettem szétszedés közben egy kapcsolási rajzot, hogy mi mivel van összekötve. A telefon egy régi analóg remek, "ед101" és "Made in Bulgaria" felírat olvasható csak a hátulján. Kerestem volna információt róla de nem találtam semmit. Nem tudom hogy működik ez a fajta telefon, ebben kérnék egy kis segítséget, hogy kideríthessem. A telefon belsejében a bekötések gyárinak tűnnek de van pár elvágott drót ami nem vezet sehova. A kapcsolási rajzot csatolom. Miközben mértem a kábeleket, hogy mi hova mehet, azt tapasztaltam, hogy borzasztó nagy ellenállásúak a kábelek, elképzelhető hogy egy újraforrasztással működésre lehetne bírni a masinát. Csatolok egy képet a valós bekötésről is. A szürke kábelek a lakásba bejövő kábelek, a kép tetején lévő lecsavarozott lemezek azok kapcsolók, a telefonkagyló felvétele és letétele kapcsolja át őket, a kép alján lévő 2 db kék kábel egy nyomógombhoz vezetnek, gondolom az lenne a kapunyitó gomb. Köszönöm szépen előre is a segítséget, remélem működésre tudom bírni a telefont. A hozzászólás módosítva: Dec 14, 2018
Szia !
Ne szenvedj ezzel az őskövülettel, soha sem lesz jó ! Debrecenben kapható MKT rendszerű kaputelefon lakáskészülék ( a Teslát javaslom ) , 4200-Ft körüli áron. A 3-6 jelű sorkapocsba bekötöd a két vezetéket, és működni fog !
Szia!
Köszönöm a válaszodat. Elsősorban szeretném ezt életre kelteni, nem szeretnék újat venni amíg van egy kis remény arra, hogy ezt meg lehet csinálni. Persze ha nagyon nem fog menni akkor beszerzek egy újat. Esetleg tudnál egy kis információt mondani arról, hogy ez a régi fajta kaputelefon hogy működik? Lehetett valami szerepük az elvágott drótoknak a kapcsolási rajz alapján? Illetve meg tudnád mondani, hogy Debrecenben hol lehet beszerezni MKT kaputelefont?
Talán a bontó villák nem érintkeznek. Ezek az MKT telefonok általában két vezetékkel működnek, a polaritás nem érdekes.
Köszi a kapcsolási rajzot! Az lenne a kérdésem, hogy azok a kábelek amik csak szólóan vannak (pl: 2, 4, 7, 9 csatlakozók) azok csinálnak valamit? Nekem eredetileg az 1, 3 pontra volt kötve a bejövő kábel, ezt a kettőt zárta rövidre a kapu nyitó gomb. Jó úgy a bekötés? Kihagyhatom újraforrasztáskor azokat a kábeleket amik csak egy helyre vezetnek (és talán nem csinálnak semmit) ?
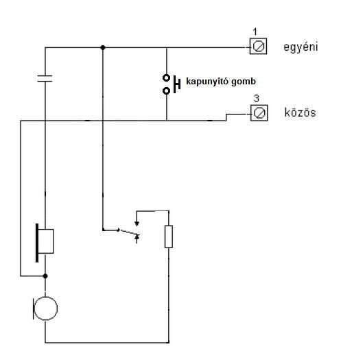
Az 1. kapocs a közös, a 3. a lakásszál. Ezt a kettőt kell bekötnöd. A polaritás nem lényeg. Az 5. kapocsra ajtó csengő oszcillátor jelét lehet kötni, de nem kötelező. Régebbi, 3 vezetékes rendszereknél a 9. kapocs nyitotta az ajtót, de a mostani központoknak nem kell bekötni a harmadik vezetéket. Helyette a 3. és a 9. kapcsot rövidre kell zárni.
Sikerült megcsinálni, ki is próbáltam, működik minden. Köszönöm a segítséget! Kicsit leegyszerűsítettem a kapcsolási rajzot amit küldtél, be is csatolom. Nem volt türelmem egy tüskére forrasztani sok kábelt így csináltam egy NYÁK-ot neki, beleragasztottam, beforrasztottam a kábeleket ami kell és működik. (NO- normally open switch, NC- normally closed, SP- speaker, MIC- microphone, 470 pedig a kondi) Végül az ajtócsengőt kihagytam a bekötésből, azt akartam tudni, hogy így a 2 kábellel működik e vagy sem.
A hozzászólás módosítva: Dec 19, 2018
Sziasztok! A kaputelefon szeretném összekötni a kulső egységgel. Melyik vezetéket hova kell kötni? a 2 szürke a 12v, a többit nemtudom. A kaputelefonba be vannak kötve, es azt kéne összehozni a külső egységgel. Linkeltem két képet, mert nem tudom ide hogy lehet feltölteni. Köszönöm!
Bővebben: Link Bővebben: Link A hozzászólás módosítva: Dec 29, 2018
|
Bejelentkezés
Hirdetés |




















