Fórum témák
» Több friss téma |
Szia! Ennek a fényfüzérnek csak két csatornája van? Mi kapcsolgatja a ledeket, tirisztor? Az elágazásoknál kellene megnézni a kötéseket. A "csatorna" kimenetnél kell először megnézni, majd a füzér végén a visszafutó szálat. A két szín valószínű, sorosan kapcsolódik egymáshoz de a füzérben léptető sorban helyezkednek el.
Nekem könnyű dolgom volt a frissen vásárolt 16m-s rizsszem izzós füzérrel, mert a vallatásnál kiderült, hogy nem működik a vezérlője a mínuszokban, így hídba kötött kettő MCR100-6, A-K pontjait rövidre kötöttem és világít mind a 480 izzó. R, G, B, Y színek vannak és 24db van sorba kötve egyszerre. Gondolom az izzók így kb. 9.5V-t kapnak, de 12V lehet a feszültségük egyenként.
A ledeket egy pici tranzisztornak kinéző dolog kapcsolgatja, igen a kék és a zöld sorba van kötve, úgy alkot egy csatornát. A vezérlő működik mert ha a sárgapiros csatornájára forrasztom rá akkor se megy. Egyébként az eleje felé néhánynak levált a műanyag körbecsavarozása és frankón kilátszik az ellenállás a 220 dc-vel egyett, a vezérlőben meg a kis hangyafasznyi vezeték rávan forrasztva a panelra, oszt jónapot, semmi más nem tarja, úgyhogy szerintem full életveszélyes, de ha működik gyönyörű színei vannak. Neki is állok akkor keresgélni az elején s a végén. Ha a ohmmérés vizsgálófeszétől pislákol a led akkor ugye jó? vagy lehet olyan is hogy világít de mégsem enged át elég áramot?
Szia!
A kimeneten nagy eséllyel tranzisztorok vannak,mivel egyenfeszültséget kapcsolgat. ( akár lehet tirisztor is mivel nem szűrt az egyenfeszültség, de nem ez a lényeg) A hibás LED-et úgy keresd meg,hogy multimétert DC 1000V-os állásba állíttsd. Egyik mérővezetéket csíptesd a közös pontra a vezérlőben a másik mérővezetéket egy sorkapocsba kösd be a sorkapocs végére tegyél egy vékony acél tűt. Először fényfüzért felezd meg és a Led szigetelését szúrd át lehetőleg minél közelebb a kivezetésekhez a szigetelés alatt szúrd meg,hogy a szúrás nyoma is a szigetelés alatt legyen. Ahol nincs 230V vagy határozottan csökken ott lesz a szakadás. Vigyázz ne érj hozzá a tűhöz, egy jó gumi vagy bőr kesztyű nem árt.
Heló.Lenne egy karácsonyfa izzósorom aminek behalt a villogtatója.Nos ezt mivel tundnám helyettesiteni igazán?Nem muszáj több villogási funkció elég egy is.
Szia!
Én pár éve a legegyszerűbben egy fénycső gyújtóval oldottam meg. Igaz volt egy kis rádiófrekis zavar... De egyszerű volt és nem szabályosan villogott . Üdv: Józsi
Sziasztok!
Ma a karácsonyi égősorunk beadta a kulcsot! Jópár éves 200 izzós, piros-kék-zöld-sárga villogós-zenélős, /piezós/ potméteres vezérlős. Néhány éve rosszalkodott a zenélője, és beállítottuk abba a helyzetbe ahol fixen világít az összes égő. Tegnap kipróbálva 5-6 egő nem világított, de minket ez nem zavart, az viszont már inkább, hogy ma fél óra után elaludt az egész. Szétszedtem a vezérlőjét, hát totál nem értem a működési elvét. Belemegy a 230V ami találkozik 4 diódával, ott egy 50V-os elko amin hálózatba dugáskor kb.: 3,5V-ot mértem és az folyamatosan csökkent, de még hálózati feszültség alatt volt. / Volt úgy hogy felvillant 1-2 másodpercre bedugáskor minden égő, de aztán el is aludtak, de később már abszolút nem világítottak. Mindkét esetben is csak annyi feszt produkált. / Mekkora feszültséget kellene mérnem, azaz mennyi kell a fűzéreknek és az DC? Hirtelen nem is tudtam pontosan mit mérjek, de lábak érintkeznek, ellenállás értékek, diódák, 4 tranyó jónak tűnnek, viszont a paneről 3 vezeték megy az égősorok felé ahol 0=Nulla Voltot mutatott a műszer. Egy kis "égett" féle szag van a dobozkában ami nem tűnik újkeletűnek, de egyik alkatrészen sem látszik füstölgés nyoma. / Csak a piezó sötétebb "kormosnak" tűnő. / Egy trimpot van ami (eredetileg nem, de ma már) teljesen körbe forog, de működik és egy Toshiba IC van benne. Be lehetne kötni direktbe, hogy az összes égő világítson? / Az áramkör alapján nem a 230V, hanem egyenfeszültség működtethetné az egészet!? Nincs szükségünk a villogásra meg a zenélésre.../
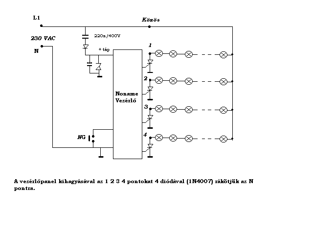
Az általam látott fényfűzérek vezérlője kb. a melléklet szerint működötek.
1000 Ft-ért az ember ne várjon csodát. Gyerek kezébe nem adnám, én is csak óvatosan piszkálgatom. Érintésvédelem, IP65, vezetékek minősége, szerelés minősége, nem egy életbiztosítás. Akinek nem tetszik maga is megcsinálhatja. Vesz 200 db. rizsszemízzót (vagy ledet), 50 fm vezetéket, egy dugvillát, 4 db tirisztort, egy dobozt,néhány egyéb alkatrész. Felprogramoz egy PIC-ket, legyárt egy egyszerű nyákot, és 2 nap kemény munkájával összeforrasztgatja az izzókat, vagy LED-eket. Szerintem vezérlő nélkül ( 4 db diódával ), folyamatos fénnyel működik.
Sziasztok!
Vettem a fáradtságot és "kibeleztem" egy ilyen occószágot. Döbbenet! A hálózati feszültséget egyenirányítva egy több megaóhmos (2.2-5.1) és néhányszáz kiloóhmos (150-160) ellenállásokkal leosztva a feszültséget a noname vezérlőnek és a fénysornak, majd PCR406 (ugyan az, mint az MCR100-6) mini tirisztorral kapcsolgatják az ütemet. A ledes változathoz olyan silány vezetéket használnak, hogy a ledek kötési pontjainál "csipked" a feszültség a szigetelésen keresztül és a vezetőér olyan vékony, mint a pókháló. A képeken miniizzós vezérlőjét lehet látni, de mostanság mindegyik "vezérlő" belseje így néz ki, amit a nagyon távoli keleten gyártanak a nyugatnak.Majd elfelejtettem! A tirisztorok 800mA terhelhetőségűek, a maximális áramfelvétel pedig 830mA. Ki van hegyezve a dolog, még a téli időjárásban is.
Ennyi pénzért ennyit. A 800 mA-es tirisztor lenne a legkevesebb probléma, mert az csatornánként 184 Watt-ot jelentene. (nem vasalni akarunk vele)
A táp résznél a rajzomba egy régebbire emlékeztem, vagy kevertem egy más kínai kütyü táprészével . Nem fogdosni kell, hanem 5 méterről nézni.
Fogdosni pedig még kellene, mert mire felraktam az egyik ledes változatot addigra két csatorna nem ment. A vezérlő pedig jó, de a soros kiképzése a köröknek, csak megnehezíti a javítást. Tegnap az egyik füzérnél egy csatorna nem ment, kiderült, hogy egy helyen el volt szakadva a pókháló szerű vezeték és celluxal volt javítva. Annyira nem rossz még szemem, de egyesével kellett átnézni a szálakat, mire megtaláltam hibát a víztiszta szigetelésű műanyagon.
Ennyi pénzért.akkor inkább semmit!
Szerintem a biztonság fontosabb,mint a kínai csicsa gagyi Ezek a vackok tűz és életveszélyesek,nem véletlen,hogy leginkább a vásárokban piacokon árusítják hamis CE jelzéssel. (az IP védettség nem érintés védelem,az első két szám a szilárd testek elleni a második kát szám a víz elleni védelmet jelöl)
A "nagy" áruházakban is ugyan azt árulják, csak szebb csomagolásban drágábban.
Az IP65-öt a kültéri használat miatt említettem. Amennyiben minden érintésvédelmi előírásnak megfelelelne és megfelelő minősítéssel rendelkezne, akkor 10 eFt alatt csak "AKCIÓSAN" lehetne kapni.
Biztosan nem ugyanazt a ......... láttuk.
Amiket én láttam,(mert hozták javítatani) azok közül voltak vásárban,ill piacon vásároltak,no ezek voltak vékony hajszálnyi réz vezetővel és szintén vékony szigeteléssel ellátva. A szigetelés emlékeztetett a valamikori kerékpároknál használt vezetékére vagy még annál gadyibb volt. Még az egyiknél a hosszabbítás !!! céljából felszerelt lengő dugalj vezető erei is kilátszottak. Az áruházban vásárolt(nem védeni akarnám a multikat és biztosan drágább is ott) lényegesen vastagabb szigetelésű, - kb.,mint az MKH- és vastagabb kb.0,75mm2-es vezetővel volt. Nem véletlen,hogy a vásárokban árusítják őket ott ált csak szemét van. De igaz a "nagy áruházakban" is van belőle bőven. Akinek ilyen kell vagy egyszerűbb és olcsóbb vagy drágább, de a biztonság fontosabb,mint a csicsa. A Karácsony enélkül is Karácsony.
Volt egy kis időm foglalkozni a kék ledes karácsonyi füzérrel. A képeken jól látszik a led formája és a ráforrasztott előtét ellenállás, amiből csatornánként 4db van és értékük 3kohm/db. Ezek az első ágban vannak beforrasztva a ledek elé. Még négy szakadást találtam a rendszerben és egy előtét ellenállás forrasztása levált a lábról és a ledek csak halványan világítottak. A vezérlője az az előzőleg is említett PCR406 tirisztorocska csatornánként. A megdöbbentő az, hogy a tesós 24V-s trafós füzérre rávert a piaci occó kínai gagyi. A 240 izzós fűzért kültérinek adják, de nem állja meg a helyét a csapadékos környezetben, mert a mostani csapadékok elég jó elektrolitok ahhoz, hogy tönkretegyék. A lelógó izzók zsugorcsöves szigetelése megtartja a vezeték által bevezetett "elektrolitot" az izzók lábainál. Ezért ahol rövidzárat csinál a csapadék, az a többi izzónál feszültségnövekedést okozva kiégeti az egyiket és így az egész csatorna nem világít. Elég sok az a 80db nem világító izzó egyszerre és persze követi a többi is a pusztulásban. Most azon gondolkoztam, hogy a képeken látható kék ledekkel talán fel lehetne támasztani a füzért. Ha tudna valaki információval szolgálni a képeken látható ledről és annak beszerzési lehetőségéről az írja meg. Az mini izzó is szóba jöhet, csak akkor minden csatlakozási pontnál sziloplaszttal tömíteni kell (240db).
A mini izzók pedig így néznek ki, 1.6V-s 0.112W/db.
Ez gyári megoldás lenne vagy házibarkács??
Glimmlámpák vannak benne, de nem egyszerre kapcsolnak fel bedugás után, sőt némelyik vibrál majd villog is. Nagyon jól néz ki egy fenyőgyantától tocsogó fenyőfán... DSokkal tartósabb és szerintem igencsak jópofa ez a megoldás. Most kaptam.
Az én ledeim amik rajtvannakl ezen a piacos csodán (tényleg gyönyörű 2eFt-ért) és pont az a baja hogy 1 csatornája csak nagyon nagyon halványan világít
Sziasztok! Az előző tavalyi probléma is még fennáll.
- Aktuális kérdésem: vettem egy 100db-os fehér hosszúkás izzós (gazdaságos) égősort, mert sajnos színes nem volt, pedig azt szerettünk volna. Viszont van sok színes izzóm, ami egy 200db-os illetve egy ismeretlen hosszúságú fűzérdarabon található. Arra gondoltam, hogy átrakom az új füzérbe a színes izzókat vagy legalábbis egy részét színesre cserélem (az izzók mérete azonos, de a foglalataik minimálisan mind eltérnek.) Szerintetek ezek között van valami különbség, az eltérő darabszámú izzókat nem is lehet cserélgetni? A fehéreknek nagyjából csak a fele az ellenállása, mint a színeseknek...
Sziasztok.
Egy PCR 406-ot mivel lehetne helyettesíteni, hogy nagyobb áramot bírjon el mint 830mA. Egy karácsonyi égősorhoz kellene amibe ilyen alkatrész van, csak szeretnék több kis izzót rákötni. Előre is nagyon köszönöm a segítségeteket.
800mA x230V = 180W . Hova kell tobb?
Ha 24V/40mA -os kis egoket hasznalsz 10 egot sorbakotve ,20 ilyen egosort hajthatsz meg vele . Vagyis elvileg 200 kis egot . Modjuk teszel csak 10 egosort igy magven a biztonsagi hatar is .100 egovel. Ezt igy nagyjabol szamolva , az egoket villogtatod tehat csak rovid idore hasznaljak a maximalis aramot .
Sziasztok.
Segítségre lenne szükségem. Adott egy kínai égősornak a vezérlője amiben valami névtelen vezérlő egység van, viszont a kapcsolgatást PCR 406-os tirisztor végzi. Kérdésem az lenne, hogy mit lehetne a PCR406 helyett alkalmazni, hogy nagyobb áramerősséget bírjon a kapcsolás? Ittaz eredeti vezérlő. Előre is köszönöm.
Szia.
Konkrétan egy 2*100 db-os rizsszem izzós fényfüzért szeretnék rákapcsolni. Tehát ezek a fényfüzérek eredetileg 100 izzóból állnak, de 25 -ösével vannak csoportosítva. Na én ezeket a csoportokat egybe kötöttem hogy egybe világítson az egész füzér. Ebből a 100db-os füzérből is kettő db. lenne párhuzamosan kapcsolva, így 200 izzó lenne egy füzér. Nos ezt a 200db-os füzért szeretném a kínai vezérlőnek 1 kimenetére kötni.
Szia
Nem elég a tirisztor 0.8A kapcsolása? Szerintem ilyen kis TO-92 tokozásban nem igen fogsz találni másik tirisztort ami nagyobb áramot bír. Ilyen tokozásban én 1A triakot találtam csak, próbálj meg vezetékkel bekötni ha belefér a dobozba egy TIC 106-t ez már 4A/400V bír.
Szia.
Köszönöm, hogy segítesz!!! A nagysága az nem probléma, azt megoldom ![]() A tokozása is mindegy, ha úgy alakul akkor csinálok hozzá egy másik nyákot is. Másik dobozba fogom beépíteni a kapcsolást, tehát a fizikai tényezők nem számítanak, csak az lenne a lényeg hogy a PCR406 tirisztor helyett találjak egy olyan tirisztort ami nem csak 830mA-t tud kapcsolni. Sajnos már 100 db rizsszem izzó mellett is melegszik egy kicsit a PCR406. Szerintem ha rákotném a 200 db-ot akkor vége is lenne. Akkor azt mondod hogy a TIC 106 jó lenne helyette? Szia
Ha nem okoz problémát a mérete akkor szerintem bőven használhatod ez már közel 900W képes kapcsolni és szerintem ennyi nálad összesen sem lesz.
Erre gondoltam!
Köszönöm szépen a segítséged. Kipróbálom, remélem jó lessz.
Sok sikert, ha esetleg mégis úgy döntesz hogy újj nyákot tervezel akkor azt majd szívesen megnézném.
|
Bejelentkezés
Hirdetés |





Döbbenet! A hálózati feszültséget egyenirányítva egy több megaóhmos (2.2-5.1) és néhányszáz kiloóhmos (150-160) ellenállásokkal leosztva a feszültséget a noname vezérlőnek és a fénysornak, majd 

















