Fórum témák
» Több friss téma |
Fórum » LC mérő
Ricsi!
Nem mondod, hogy Mátészalkán 17.000 emberből egynek sincs PIC programozója. A Frászbuk mire jó? Híroldalra máris lehet kirakni, hogy neked ilyenre van szükséged. Egy PIC nagyjából 500Ft, ehhez jönne minimum 1000Ft postaköltség. Megéri ez? Tessék ismerkedni a szomszédaiddal! Valakinek csak akad egy programozó eszköze abban a városban is.
Nos ha Pestről rendelem a PIC-et akkor is jön a postaköltség. Ha valaki pesti megveszi, felprogramozza, akkor is van, de olcsóbb, mintha a bolt postázná, mert ez simán elmegy levélként 200Ft-ból. A frászbúkot meg nem használok, van, de kb havonta nézek fel, meg kb 20 ismerősöm van ott.
Ha van a közelben egy kolléga, akinek van programozója, az lehet, hogy rendelni is szokott, vagy akár lehet a fiókjában is. De ha nem érdeklődsz, és mindenképp ki akarod fizetni a postát, azt is lehet.
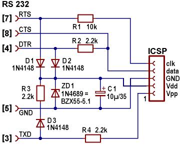
Akinek nincs programozója PIChez, itt egy egyszerű, percek alatt, megépithető megoldás. Én ezzel irtam át a PIC-et, köszönet az új "egzotikus-kijezőbarát" HEX-ért (harmadáron vettem "ciril" betűs kijezlőt, persze angol+ciril, az új HEX-el tökéletes). A soros-port-nak nem elég a tápja programozni, ezért az LCM3 tápját be kell kapcsolni, az L/C és a NULL kapcsoló nem mindegy milyen pozicióba van (az R8 és R9 nem legyen a testre kapcsolódva!). Ha a "Pic info" felismerte a PIC-et a kapcsolat jó, lehet programozni. A program amit használtam a "PIC-16Fxxx-Programmer" letölthető innen: http://www.softpedia.com/get/Programming/Other-Programming-Files/PI....shtml
A telepités után a "Prommer" könyvtárban megtalálható a programozó rajza, de ott az LCM3-hoz képest fel van cserélve a GND és a VDD! a csatolt képen jó.
Szia!
Ne reklámozzuk a JDM klónokat. Neked nagy szerencséd van - vagy a COM portod elég jó (régi fajta) illesztő áramkörökkel van felépítve. Sokoknak nem működik a JDM féle kapcsolás, mert a meghajtók már nem azok, amire a "terv" készült. Ahogy Watt társunk honnlapjáról megtudható, a "terv" olyan paramétereket is kihasznált, amiket a szabvány nem követel meg...
Ha ilyen nagy a szerencsém évek óta, lottóznom kellene.
Vicc nélkül, a JDM, külső táp nélkül, nálam sem müködött soha, de egyik "klónját" a ponyprogot évek óta használom, több számitógépen is, főleg epromokat, de 1-2 PIC-et és AVR-t is programoztam vele. A feszültség szintekkel nem lehet gond, mivel szerintem a soros port nem 3 vagy 5 voltal "dolgozik" hanem 12-vel, innen próbálnák tápozni is a PIC-et, de persze ez álltalában túl kevés. A PIC-nek szükséges max. 5 voltot a clock-data vonalon a D1, D2, ZD1 fogja vissza. A "Vpp" lehet még problémás, ha a PIC-nek kellene a 13 volt, bár lehet tévedek, de itt sem magához az iráshoz kell a feszültség, hanem a PIC átkapcsolásához programozó módba. Akik hetente programoznak PIC-et, valószinüleg már épitettek/beszereztek egy "igazi" programozót, én inkább azoknak akartam segíteni akik szeretnék megépíteni az LCM3 nevű zseniális szerkezetet és nem tudják beprogramozni a PIC-et hozzá. Aki ezek után is, saját felelősségére igy próbálná a PIC-et felprogramozni, a PIC-16Fxxx-Programmer-ben először a "Pic info" felismerje a PIC-et, csak utánna lehet próbálni programozni.
Szia!
A szabvány csak azt írja elő, hogy vevő bemenetén a +3V -nál pozitívabb jel a "space" és a -3V -nál negatívabb a "mark". A +3V és -3V közötti tartomány tiltott tartomány. Ez a szint nem elég a PIC programozásához (néhány típusnál (pl: 16F690) a törléshez 4.5V kell legalább), és még inkább kevés a Vpp előállítására (16F690: minimum 10V, de van olyan típus, ahol minimum 12.5V kell). Még a PIC által kiadott logikai 0 szintjével is baj van, az alkalmazott vevőtől függ minek érti. Egy hiszterézises bemenetű eszköz át sem billen. A régebben alkalmazott MC1488 meghajtó a belső +12V és -12V tápról ki tudta adni a "pic kompatibilis" feszültséget. Manapság a PC -kben, laptopokban nem ilyen felépítésű áramkörök vannak: - Ha az alaplapi chip -ben még van uart, akkor újabb illesztőket használnak, amiben az összes illesztő egy tokban van. Olyanok is vannak, amik a rendszer 3.3V -os tápjáról járva maguk állítják elő a meghajtáshoz a feszültésgeket. Pl.: MAX3232 +/- 5.5V -ot ad ki. - Egyre gyakoribb, hogy az uart nem a chipset -ben van, hanem USB - uart van magán az alaplapon. Ekkor a feszültség problémákhoz még időzítési problémák is járulnak. A gépedre vigyázz, talán az utolsó széria, amivel a JDM még működik... Nézz át a "Pic programozó" és hasonló topikokba, meglátod, hány társunknak keserítette meg az életét a JDM klón.
ezért használok én inkább AVR-t, mert azt párhuzamos portról 4 ellenállat meg egy kis vezeték segítségével nevetve programozható..
Szia dB_Thunder.
Ha nem vetted volna észre, ez az LCM3 topicja. De ettől függetlenül érdekelne, melyik AVR-be írnád be az LCM3 programját? Arról nem beszélve, hogy a korszerű gépekben nem található paralel port.
Szia.
Az én monitoromon azt látom, hogy ez az "LC mérő" topicja, és lehet meglepő, de van AVR-es LC-mérő is. A korszerű alaplapokról: nem minden fórumtárs használ ennyire "korszerű" alaplapot, bár úgy tűnik az én s939-es athlon64-em már nagyon öregnek számít. Az új alaplapok közt is van com/paralel-portos, csak néha nincs a hátsó panelre rászerelve, de van belső csatlakozója a lapon. De azt hiszem lassan nagyon eltérünk az "LC-mérő" témától is... Van egy 8,4 voltos Ni-MH akum. azon gondolkodom beépítem az LCM3-ba valami "okos" töltővel, otthon használnám tápról (+töltés), ha elviszem, működne akuról... Idézet: „a korszerű gépekben nem található paralel port.” De soros sem. :yes:
Szia louis73
Ha már megszólítottál, akkor válaszolok. Gondolom a dB_Thunder-nek írt hozzászólásom késztetett erre. Ugyan nem néztem végig visszamenőleg a topicot, de emlékem szerint itt csak az LCM3-al és a Hutale féle LC mérővel találkoztam. Mindkettő PIC-el működik. Ha visszaolvasol dB_Thunder is a PIC-es LCM3-at szeretné megépíteni és ezért nem értettem, miért hozakodik, elő azzal, idézem „ezért használok én inkább AVR-t, mert azt párhuzamos portról 4 ellenállat meg egy kis vezeték segítségével nevetve programozható..”. Lehet, hogy a PIC-et is ezzel a módszerrel akarta programozni?. Mert, mint írta sikeresen tönkre tette a PIC-et. A válaszom lényegére térve csatlakozva Hp41C szakmailag nagyon alapos és korrekt hozzászólására JDM megépítését senkinek sem ajánlom, ha fáj is Neked, de korszerű gépeken nem használható, fennáll a veszélye, hogy az eltérő illesztőt tönkre teszi. Találkoztam már ilyen esettel !!! Durván 4-5 évvel visszamenőlegesen gyártott gépek nem tartalmaznak sem kívül, sem belül soros, ill. párhuzamos portot. Ezért van oly nagy keletje a Serial-USB és a Paralel- USB átalakítóknak. Noha ezek az átalakítók csak korlátozva helyettesítenek. Pl. JDM-et nem tudja kezelni. Ha már programozó építésére buzdítasz, javasolom a PicKit2, vagy az ICD2 megépítését. Ezek, nem csak programozók, hanem fejlesztő eszközök is (Debugger). Egyébként PIC-hez részemről ICD2-t, AVR-hez Digilent JTAG-ot használok. Ez utóbbival programozom az FPGA-t is. Mindkettő fejlesztő eszköz is.
Szia!
Csak a pontosság kedvéért, a Hutale féle műszer AVR-rel van megépítve. Az égetővel kapcsolatban egyetértek azzal, hogy a programozáshoz a soros vagy párhuzamos portról külső táp nélkül használt eszközök nem megfelelőek. Üdv.: Feri
Köszönöm a pontosítást. Magát a kapcsolást csak futólag néztem át és vészesen hasonlit egy EDU-n ? megjelent LCF mérőre (vélhetően ez képezi az alapját) és abban PIC volt forráskóddal. Így valóban minden gond nélkül átültethető AVR-re.
Kicsit úgy érzem "párhuzamosan" beszélünk...
Minden jó szándékkal, én azért osztottam meg másokkal a PIC-programozási tapasztalatomat, hogy (leírom még egyszer, remélem utoljára) akinek nincs "igazi" programozója, 4-5 ÉVNÉL RÉGEBBI AZ ALAPLAPJA, és nincs a szomszédban, barátoknál, rokonoknál senkinek "igazi" programozója (de esetleg talál ott régi öreg PC-t), meg tudja építeni az LCM3-at. A PicKit2 vagy az ICD2-ról: Biztos nagyon jó programozók, de nem biztos, hogy az LCM3 pic16f690-jének programozása miatt (ha csak évente 1-2 PIC-et használ) valaki vegyen 23.000-ért PicKit2-t, vagy ha nem tudta mivel programozni az LCM3 PIC-jét, beprogramozza az ICD2_USB-hez a PIC18F4550+PIC18F877-et... Ha valaki tényleg VÉGIGOLVASTA amit írtam, a kockázat szerintem minimális, de tegyen mindenki saját belátása szerint. Különben abban sem lennék biztos, hogy egy lelkes "amatőr" nem tudna tönkretenni PIC-et a frissen vásárolt PicKit2-vel is. Láttam én már leégett LCD monitort, mert a laptop 19-voltos tápja pont "ugyanolyan" volt mint a monitor meghibásodott 12-voltosa... Részemről lezártam a témát, most már inkább használgatom az LCM3-at... Adios.
[OFF] Nem véletlenül írtam az egészet off-ba, mit ahogy ezt is !
Hogy a korszerű gépekre milyen portokat tesznek az külön kérdés.. az biztos a fél hónapja újonnan vett mini ITX alaplapos gépen is van soros meg párhuzamos port is. Az hogy pár alaplapról már lespórolják...hát nem kötelező olyat venni. Természetesen kell változtatást eszközölni a programban... AVR más környezet. ..nekem már van LCM3-am, már vagy fél éve.
Szia dB_Thunder
Gratulálok az új szerzeményedhez. De, ha nem veszed zokon, lenne egy –két megjegyzésem. Idézlek „Az hogy pár alaplapról már lespórolják…”. Ez nem lespórolás , ők a jövőbe tekintve tervezik meg a készülékeiket. Nem a négy ellenállattal működő AVR, vagy soros portról működő JDM-hez tervezik a készülékeket. Hanem a jelen és a jövő korszerű eszközeihez. Párhuzamos portról működő nyomtatókat nem gyártanak, soros portról működő egeret, modemet már régóta nem. Mindezek már USB portról működnek. Sőt a legújabb nyomtatók, már WIFI-ről is működnek. 1-2 éven belül a jelenleg használt USB-s eszközök is elavultak lesznek, a jóval gyorsabb USB3-as eszközök veszik át a szerepüket.
Most már kérném az off-olást végleg befejezni, ezeknek a dolgoknak semmi keresnivalójuk egy LC-mérős témában.
Sziasztok!
Nagyjából elkészült az LCM3. Az induktivitást szerintem cserélni fogom, mert nem a legjobb, szerintem nem is annyi az értéke, mint ami rá van írva. Megépítés és kalibráció után elkezdtem méregetni vele, nagyjából jó értéket is mutatott. utána találtam két remix kondit, amire kézzel van ráírva az érték. egyik 100pf, másik 221pF. A 100pF-ra 111pf-ot írt ki, a 221pF-ra pedig már kicsit nagyobb eltéréssel, 247pF-ot írt. Ezeket az értékeket írtam fel, amit jelzett a műszer: F0: 542,3k Fcal: 385,6k Re: 0,223kOhm Uesr: 95mV Fesr: 88,3k A relét is magam csináltam, egy reed cső, ami egy 4mm-es tekercstestben van. A tekercstestre meg relétekercs huzalából tekertem fel jó sokat, meg megfejeltem egy smd tranyóval, ami kapcsolja, hogy ne a PIC-nek kelljen táplálnia a tekercset, mert kb 70mA-t vesz fel.
Az F0 frekvenciából tényleg az látszik ha jól tudom, hogy valamelyik vagy az 1nF kondi vagy a 100uH tekercs értéke nem annyi.... Viszont az a 70mA az elég sok, ha van lehetőséged, lehet érdemesebb lenne venned egy relét kb 4-500Ft-os kategória és az egész műszer, kb 10mA-t fogyaszt... (bár én konkrétan nem mértem, valahol errefelé olvastam, viszont amit tudok, hogy az elemmel tényleg eléggé takarékos)
Holnap még megpróbálok az induktivitással valamit csinálni, mert szerintem is annál lehet a gond. A relé az nem gond, lithium cellákról fog menni a szerkezet, meg a relé sem megy folyamatosan, így nem jelent számottevő fogyasztást.
Szia Ricsi89.Látom beindult a LC mérőd.Az induktivitást cseréld ki és biztos javul a pontosság ,de egyébként ha az eredeti kapcsolás alkatrészeit használod 100%-os a siker.Nekem is több példány üzemel és nagyon takarékos .Az első amit megépítettem ,a9voltos elemmel azóta is müködik üdv szepi003
Üdv Ricsi89!
A reléből nem kell nagy ügyet csinálni, heleyettesíthető egy tranzisztorral. (néhány oldallal előbbre van sch ) Nem ezen múlik a pontossága. A mérési elvből következően a Ccal 1n kondi értéke határozza meg a mérés pontosságát. Az időbeni pontosság pedig a megválasztott alkatrészek stabilitásának függvénye. ( L és a C döntöen a többi kevésbé kritikus) Az eredeti beállított Ccal érték 998pf, ez azonban a pic EEPROMban változtatható. A jó háttér támogatásnak köszönhetően részletes leírás tartalmazza az egyszerű eszköz leírását és használatát. Célszerű áttanulmányozni, mint ahogyan az előzményeket ahol számtalan hozzászólás és eredményes megépítésből keletkezett tapasztalat áll rendelkezésre. Üdv M-V
Neked relé nélkül működik az LCM3 ? A mérés pontosságát ez nem rontja le? Milyen tipusú tranzisztort használtál? Valamilyen nagyfrekvenciás tranyót, esetleg FET-et, vagy sima BCxxx-t?
Üdv. ekkold
Igen ,nincs relé. Ha van adat CE kapacitásra az adatlapon ,akkor lehetőleg a legkisebb legyen, általában a nagyfrekisek tipusok ilyenek, de a 100Mhzes határfrekis már megfelel. Egyébként sima BC-vel is elmegy. Üdv M-V
Szia ekkold
MAGA VAN ajánlásának megfelelően kipróbáltam a tranzisztoros megoldást az alábbiak szerint: Hirtelenjében egy S9013 típusú NPN akadt a kezembe ezt szereltem be a relé helyett. A BE és a CE közé egyaránt 6k8-as ellenállást (ez volt kéznél) kötöttem. A beépített példány előfeszítés nélküli CE kapacitása 3.9 pF szemben a relé 0.5 pF-es kapacitásával. Ennek megfelelően Fcal 503.3 kHz helyett 502.9 kHz lett. A relével mért kerek 1000 pF-os érték helyett 1006 pF-ot mért. Induktivitás mérésnél, hasonlóan 0.6 százalékkal alacsonyabb értékeket mértem. Ez a lényegtelennek mondható eltérés szoftveresen korrigálható. Még egy lényegtelen eltérést tapasztaltam, nevezetesen , hogy a hitelesítés elvégzése után a nullázás ~6pF-ről indul, és szép lassan számol vissza nullára. Összegezve a fentieket, akinek REED beszerzési problémája van nyugodtan használja a MAGA VAN által javasolt tranzisztoros megoldást.
Üdv. Jano36
A tanzisztor CE-közé nem szükséges R-t rakni. PIN dióda lenne optimális, de az általában nincs kéznél, és feleslegesen bonyolítaná az áramkört. Amint tapasztalatad a hirterlen elővett alkatrész sem okoz jelentős hiba%-ot. Üdv. M-V
Most toltam fel az új PICbe a 1.125-ös hexet.(mert a régi kimúlt, feszültség alatt lévő elkóra mérés közbe)
Szóval: honnan is tudja hogy merült az elem??
Szia MAGA VAN
Értelemszerűen elírtam a CE-t. A két ellenállást a BE és a relé +táp és bázis közé kötöttem.
Most nem, vagy nem jól jelzi a kimerült elemet vagy tényleg érdekel hogyan?
|
Bejelentkezés
Hirdetés |











