Fórum témák
» Több friss téma |
Olvasom ezt a hsz.-t, ebből nem tiszta, hogy a led is rossz, vagy csak a meghajtó áramkör.
Nem vered magad tragikus költségbe, ha az általad linkelt kapcsolást összerakod, és a meglévő diódákkal kipróbálod. Egy kísérletet még légszereléssel el is el lehet végezni. Annyit kell módosítani, hogy a sorba kötött 12 ledet 6-6-ra osztod és polaritás helyesen összekötöd.
Ki fogom próbálni annyit tényleg megér.
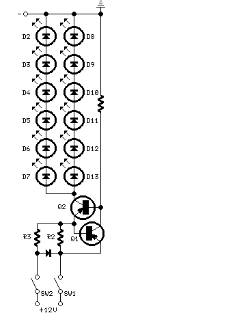
A rajzon is 6-6 van soronként. Csak az elektronika rossz. A ledek megvannak hozzá.
A sajnos nem értek a kapcsolási rajzhoz ezért muszáj megkérdeznem hogy hogyan kell a tranzisztorokat és a diódát bekötni. Berajzoltam az elképzelésem. Remélem jó.
A dióda egyértelmű, a tranzisztor típusát írd a gugliba és töltsd le a datasheet-et (adatlap). Ott le van rajzolva a lábak kiosztása. Az a biztos.
Kicsit változtattam a kapcsolási rajzon. Gondolom így is megfelelő. Az eredeti rajz alapján külön szálon kell 12v-ot adni.
Úgy látom elvágtál egy vezetéket. Csak SW2-re így nem fog kapcsolni. Ha nincs állandó 12V-od a Q1 emitter számára, akkor az elvágás helyére diódát kéne kötni.
Igaz így csak akkor működik a fék ha ég a helyzetjelző. Tehát így sem jó.
Az a baj az eredeti rajzzal hogy külön 12 voltot kellene hátravinni lámpákhoz. Valahogy így kéne megoldani. Tudom nem jó így csak az elképzelésre gondoltam.
Lehet hogy ki fogtok röhögni, de így nem jó?
Ja és most vettem észre hogy 33 Ohm helyett 30 Ohmos ellenállásokat kaptam.
Készítettem egy rajzot, kissé még elemezni kell, hogy jó-e.
Üdv.
Miért kell megbonyolítani tranzisztorral a ledes féklámpát? 3 éve csináltam. Azóta hibátlan. Nem égett ki 1 led sem. 3 sor fél fényerő a helyzetjelző 5 sor teli fényerő pedig a féklámpa. 110-110 db led. 4esével sorba kötve és a blokkok párhuzamosan. Ledes féklámpa. A gyári 21W-os izzónál leheletnyivel nagyobb fényerőre beállítva.
Hali!
Nézd vissza egy kicsit a hozzászólásokat. Gyárilag ledes lámpába kell új elektronikát csinálni. Amiben 12 db led van és a helyzetjelző és a féklámpa is ugyanaz a 12 db led.
Egyébként nagyon jó lett!
Majd én is elkezdem megcsinálgatni full ledesre a gyárit.
Nekem tetszik, de hogy jó e? Azt majd eldöntitek ti
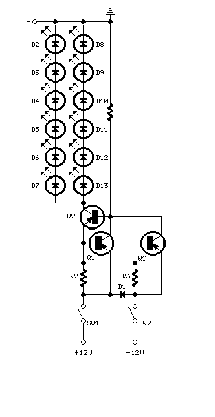
Szerintem ha az eredeti felvetésed akarod megfelelően alkalmazni, akkor így próbáld meg...
Nem inkább így? Az sw1 a helyzetjelző.
Ja nem. Az áram irányát rosszul tudtam a diódán. Googleban megtaláltam
Kiváló az ötlet. SW1-re nagyobb áram fog folyni, az R2-t növelni kéne. A háromféle áramerősség arányai változni fognak, ezt ki kéne próbálni a gyakorlatban.
Nem.
Gondold végig a rajzot amit adtam. Mi történik, ha zárod az sw1-et, merre halad az áram? Ugye végighalad a diódán, és így mindkét ellenálláson, ami úgy fog kinézni, mintha a két ellánllást párhuzamosan kötnéd, így kissebb ellenálláson kell áthaladnia. Ez azt eredményezi, hogy megnő az áramerősség ugyan azon a feszültségen. Nem mellesleg a rajzomon szereplő pirossal jelölt "vezetéken" megkapja a tranyó is a 12V-ot. Mi történik, ha zárod az sw2-t? A dióda megakadályozza, hogy elmenjen mindkét ellenálláshoz az áram, így csak a rajzon felette lévő ellenálláson keresztül tud folyni, ami nyílván nagyobb, mint az előzőleg említett párhuzamosan kapcsolt ellenállások. Magyarul kissebb áramra áll be a dolog. Ezek alapján nyílván sw2 a helyzetjelző és sw1 a fék, de ez csak megnevezésbeli eltérés ![]() Na és mi történik, ha mindkettőt zárod? Nyílván az áram se hülye, arra halad, amerre jobb neki, tehát az áramerősség a nagyobbik lesz.
Értem. Az eredeti rajzon is hibásan van akkor megcsinálva a dióda iránya. Akkor az R2 és R3 is helyet cserél, mert az R2 a nagyobb. De így már felfogtam
Akkor csak megfordítottam a diódát és az sw1 re kötöm a tranyót és kész.
Igazából az R2 és R3 számolgatható. A megszokott jó öreg képleteket használd csak hozzá
![]()
Teljes értékű a rajz. Itt az R3 pozícióban lévő ellenállás szorulhat növelésre. Milyen dióda lesz benne?
Már attól félek valamelyikőtök megtalál és megüt a sok hülye hozzászólásaim és kérdéseim miatt.
És jön a kérdés: Mit is számolok ki ezzel? Azt hogy ha mind 2 kapcsoló be van nyomva mekkora lesz az ellenállás? |
Bejelentkezés
Hirdetés |













