Fórum témák
» Több friss téma |
Helló!
Szertnék építeni egy ledes stroboszkopot csak sajnos nincsen hozzákapcsolási rajzom. Tudnátok ebben segitteni?
Olyan kapcsolásra gondolsz ami egy LED-et stroboszkó szerűen villogtat?
Igen, de nekem egy olyan kellene ami egy poti segitségével szabályozható a villogás sebessége.
Szia!
Ezt egy picit átalakítva: Link Egyik led helyett átkötés, ill egyik ágba poti berakás. (megint egy felesleges topik)
Köszönöm a segitséget, de én nem egy ledet szeretnék vilogtatni hanem mondjuk 20 db-ot egyszerre. rendes stroboszkopként mindha az rendes villanócsőves lenne csak én ledekből szeretném megépitteni.
Bővebben: Link
Bővebben: Link Bővebben: Link Ez utobbi Link kozepen rakatintasz a kepre. kép De lehet egyszerubben is megcsinalni. Rakhatsz 100 ledet is. aA lenyeg, hogy a kapcsolasi frekvenciat tudjad szabalyozni. Gondlom, hogy Diszko akarminek kell. De ilyesmivel komoly mereseket megfigyeleseket lehet tenni mozgo forgo targyakrol.
Az áramkör ugyan az, csak akkor a 20 darabot kötöd be, soros, párhuzamos vegyes kapcsolással, figyelve az áramra, és a feszültséget eszerint méretezed.
Eredmény: gyári strobi olcsón. Ennél egyszerűbb nemigen van. max 555-el.
Egy egyszerű IC-vel 5 perc alatt összedobod (NE555, pár forint).
A képen Az R2 egy 47K ohmos potméter, amivel tudod szabályozni a villogás sebességét, de a potival köss sorba egy 1K ohmos ellenállást!!! A C egy 47µF-os elko kondi. Mondjuk ha sok LED-et akarsz használni akkor az OUT és a GND közé beraksz valami erősebb NPN tranzisztort, amivel kapcsolod a LED-eket. Bővebben: Link Ha kell megrajzolom a tranyós változatot.
Szia !
Itt is találhatsz egy villogó áramkört 555- ös IC-vel. Ezt egy kicsit módosítanod kell, úgy hogy a pnp(alsó) tranzisztoros részt elhagyod. A 150 kOhm-os ellenállás helyére potmétert teszel, valamint lecseréled a LED-ek előtétellenállását 160 Ohm-ra (hagyományos piros LED-ek esetén). Üdv.
Na itt van...
A hozzászólás módosítva: Dec 14, 2014
Köszönöm a segitséget! Még a héten neki is látok a megépittésnek. Esetleg még egy kérdés hogy ezt a vezérlés meg lehetne-e oldani ugy hogy azt lehessen vezérelni sima stroboszkopvezérlővel is?
Szivesen
Sima stroboszkópvezérlő alatt mit értesz?
nem dmx 512
hanem ugytudom a sima stroboszkopvezérlő 0-10 v között ad ki feszültséget(vagy nem is tudom ,hogy fogalmazzak) amira a stroboszkop villanik egyet!
Most nézem van egy rokontéma
igaz nem sok hsz-szel... Bővebben: Link Ott van egy áramkör ami bír ütemre villogtatni akármit..
Halihó!
Emlékszik még valaki, hogy réges-régen hogyan oldották meg a kültéri karácsonyfa-izzósort? Mert ezen agyalunk egy hete. A helyzet adott: egy db kb. 2 m széles, 4m magas fenyőfa, házikótól (tehát a transzformátor beltéri elhelyezésének lehetőségétől, bár azt be is lehet "csomagolni") kb 10-15m-re. Erre kellene valami ötlet, hogy milyen módszer lenne a legmegfelelőbb strapabíró izzósor készítésére. Tőlem lehet LED-es, mikro, mini, vagy oltári nagy (E27-es) izzós, bármilyen, a lényeg az, hogy bírja a téli kiképzést a fán. Ja, csak finoman, mert nem vagyok egy szakzseni, tehát tőmondatokban, ha lehet... Előre is köszi!
Itt targyaljak a sracok a problemad:
Bővebben: Link Egyszer szogezd le hogy hany egot akarsz alkalmazni osszesen. Miutan eldontotted akkor biztosan kapsz valaszt valakitol. Szerintem erdemesebb venni kesz izzosorkat es azokat alkalmazni mert a huzalozas , forraszgatas sok idot vesz fel. Termeszetesen lehet kesziteni hazilag is , nem komplikalt de egyszer szogezd le, pontosan az egok szama. Na meg, hogy villogjon vagy nem, es lehetne sorolni. Jo koran felkeltel !! PS. Legegyszerubb lenne neked egy atlatszo muanyag csobe szerelt soros ledes (szinesek) kapcsolas torpefeszultsegrol (24V-48V), igy 10 -20 ledet tudnal sorbakotni egyszerre egy egy csohosszban. Tobb ilyen leddel felszerelt csovek alkotnak a karacsonyfa viladitasat.
Egy alap kapcsolas:
Bővebben: Link
Kedves Edgar!
Köszönöm a linket (igen hasznos volt) és a válaszodat. (Le se feküdtem amúgy....) Bocsánat, hogy nem tudok jól kérdezni, de legalább igyekeztem. A lényege a kérdésemnek az lett volna, hogy nagyon érdekelne, hogy réges-régen a '80-asok elején (ovis korom táján....) hogyan oldották meg a kültéri dekorfénysorokat. (És nosztalgiából szeretnék hasonlót, de mivel jó lenne már most is feldíszíteni a fenyőfámat, gondoltam bármilyen ötletet elfogadok addig is.) Arra emlékszem, hogy nagy (mostmár tudom: E27-es foglalatú) síma körte tungsram-izzók voltak a zsinóron (némelyiket festékbe mártották, vagy ecsettel syínezték kívülről, hogy színes legyen, ilyet csinálhattam én is), a hosszabbító alja pedig rácsavarozott falap volt (nagypapámnak még van ilyen), bár ez nem lényeges. A fénysorom hossza, az izzók száma teljesen mindegy, bármilyen ötletet megfogadok, viszont nem cifráznám, folyamatosan világítson, az bőven jó. Ami lenyűgöz, és érdekelne, hogy hogy nem robbant szét az izzó mondjuk ha víz cseppent rá, hiszen az izzó forró, bár láttam már csillárégőről folydogáló vizet... A másik, hogy különleges foglalatot (volt kültéri???) használtak, vagy csak a símát. Bocsi a fárasztásért, de én nem tudok annyit mint Ti itt, viszont szívesen veszem az okítást. Köszi: Vanda U.i.: Nem baj, ha aprólékos a munka vagy forrasztani kell, megcsinálom!
Az alabbi linkan kapsz egoket:
Bővebben: Link Van szines is, lehet valasztani. Hirtelen az alabbi megoldas jutott eszembe (csatolt kép) Hogy aztan te sorba , parhuzamosan, 230 rol vagy torpefeszultsegrol uzemelteted az egoket az csak tolled fugg.
Kedves Edgar!
Bocsi hogy csak most valaszolok, de elegge lefarasztott a csiszologepem, ujra kellett vezetekezni, meg csomot forrasztani, kapcsolot reparalni. Tudom, vehetnek egy ujat, de olyan jo kis gep, (6-7 eves) sajnalnam kidobni. Az izzos linket mar en is megtalaltam, de koszi, a rajz maga a tokely, koszi. Az olyan AnalfaBelaknak mint en ilyen kell. Hozza is latok amint mindent beszereztem, mar vezetekem is van, vezerlesnek megprobalom felhasznalni egy regi ventillator alkatreszeit, a foglalatok meg az izzok hianyoznak csak. Koszonom, hogy idot szantal ram: Vanda
Hetvegem va idom, ugy hogy szivesen rajzolgatok.
Mit csiszolsz?? En is szeretek csiszolgatni (mar reg nem) optikai lencseket, feldraga koveket is keszitettem es sorolhatnam.
Helló!
Nekem egy olyan kapcsolásra lenne szükségem, amivel 2 színű ledet lehetne villogtatni, felváltva a 2 színt. Olyanra lenne szükségem, amivel akár 50-100db ledet is lehetne üzemeltetni 12V-ról! Amelyik kapcsolás szerpel a linkedben, az átalakítható ilyenre? Köszi Hali
Szia !
Át lehet alakítani. Készítettem egy lehetséges megoldást közös anódos duo ledekkel, melyek nyitófesze 1.7 V, és 15 mA áram folyhat át rajtuk. Maximum 100 darab duo ledre van méretezve, ennél kevesebb lehet, de több ne legyen ! Az egész kapcsolás mehet 12 V-ról, de legyen a tápodnak tartaléka (bírjon legalább 2,5-3 A-t). A kapcsrajzon csak 2 duo led van berajzolva, értelem szerűen , ha többet akarsz, akkor ezekkel párhuzamosan pakolgatod őket maximum 100 db-ig. A Feteket hűtőbordára kell rakni ! Azt javaslom, először próbáldd ki az elrendezést pár darab duo leddel, ha működik, akkor többel is fog. Üdv.
Sziasztok! :wave:
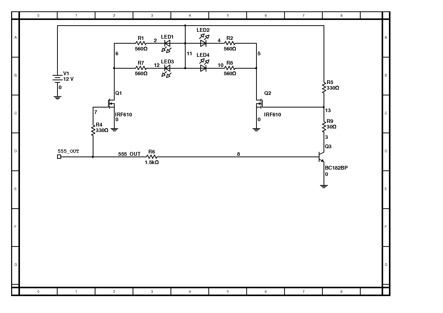
Led-es stroboszkópot szeretnék. Nemtom mennyi erős hatása van, a két víztiszta fehér Led-nek..., (de végülis csak puszta kíváncsiságból, szóval nem komoly használatra kell.) Több helyen olvastam, hogy 555-ös IC-vel is meg lehet építeni. Kapcsirajzot keresek , mert azt nem találok. Egyszerű legyen, potival szabályozható villanás-sebesség és 2 LED (estleg 3 vagy 4). Azért akarom 555-el csinálni, mert van itthon pár darab és még nem használtam semmibe se ilyet!
Köszi!
Basszus szombaton néztem is ezt a topicot és meg is találtam, de közbe már jártam azóta a vaku-strobi témán is, meg több helyen... és elfeledtem... pedig nem is iszom...
Hello!
Na már majdnem összeállt a kép. Lehetséges, hogy (két gombelem feszültsége 2,78V és ezzel megvilágítva) narancs és gyenge sárga LED áramfelvétele kb.: 0,028A; és az erősebben világító fehér LED-eké csak 0,002A? (Jó állásba lehetett a műszer? Egyenáram és a "2"-es jelzésre volt állítva, mivel a többinél egész furcsa értékeket kaptam...) Amit beraktál LED-sor rajzot, biztos minden stimmel rajta? Az 50 ohm-os előtét ellenállás nem inkább felülre a kollektor oldalra a LED-ek elé kell, hogy kerüljön? És alul meg csak simán találkozik a Gnd-vel? (Mert szinte az összes rajzon amit találtam úgy van és, tudtommal a + fesz oldalra kell az ellenállás a LED-hez...) Ha mégsem így van akkor miért? Előre is köszi!
A LED-ek 0,02A-t vagyis 20mA-t esznek.
Amit belinkeltem kapcsit, annak jónak kell lennie, az ellenállást mindegy hogy felülre vagy alulra rakod.
Sziasztok !
Valami fogalom-zavart érzek. Olyant szeretnétek, ami ütemre villog, vagy a vaku-izzós strobit szeretnétek leddekkel megoldani ? Az első viszonylag egyszerű, a második -szvsz - nem annyira. A lényeg az impulzus. Egy led-villogó esetén az impulzus kitöltési tényezője akármennyi lehet (pl 50%, vagy 2%, stb), de az impulzus pozitív ideje a frekvencia függvényében változik. Egy rendes vaku-csöves strobi viszont un. tűimpulzusokkal dolgozik (az ütemadó valami segítségével - triac, tirisztor, stb. a trafón keresztül jó nagy - néhány ezer voltos - "pofont" add a csőnek, amitől az felvillan). Ez nem változik a frekvencia függvényében. Rendes becsületes stroboszkóp hatást ezzel lehetne elérni, nem beszélve arról, hogy impulzus üzemben jócskán túl lehetne hajtani a ledeket. P.
Szia!
Boldog karácsonyt! Bocsi, hogy csak most válaszolok, de itthon vagyok Magyarországon, és itt még nincs netem csak barátoknál. Mit csiszolgatok? Tipikusan női műkörmöket (mostanság többnyire csak a sajátjaimat), de legutóbb ajándékba gravíroztam fába, illetve fényvisszaverőket alakítottam át jelzőtáblához, mert különben nem találok haza Viccen kívül tanyára költöztünk és nincs lámpa, se jelzés, és tényleg nehéz különben észrevenni a kaput. Jó lett, csak a végére eléggé meghalt a gépem. Régi egyszerű kis vacak, de szeretem. Egyelőre nem volt időm csak újra forrasztani úgy nagyjából az összes helyen a zsinórokat, meg átfújni tisztító spray-vel. Na, nem fárasztalak. Szeretek egyébként mindenféle felületre díszíteni, van mindenféle fejem meg tartozékom hozzá. A legmacerásabb egy pár esküvői üvegpohár kidekorálása volt, de az is egész jó lett. Nem volt kedvem kiadni a boltiért majdnem 5ezer forintot... Megőrültek ezek a boltban.Egyébként néha arra vetemedek, hogy késeket, ollókat, pedikűrös eszközöket élezek még a géppel. De ha tudom, akkor ezt inkább igazi szakemberre bízom. Egy adottra, mert már többször ráfáztam. Csak sos-ben és ha nem ér rá, akkor kontárkodok bele. Milyen köveket csiszoltál, és milyen módon? Alapkövet alakítottál (metszettél, csiszoltál, stb.), vagy különleges formákat alakítpttál ki? Én swarowski kristállyal is dolgozom néha, vagy csigaházzal, apró kagylóhéjjal, de az nagyon durva amikor ki kell szedni a körmökből. (Ismét tipikusan telefonokat is díszítek velük.) BÚÉK: Vanda |
Bejelentkezés
Hirdetés |





hanem ugytudom a sima stroboszkopvezérlő 0-10 v között ad ki feszültséget(vagy nem is tudom ,hogy fogalmazzak) amira a stroboszkop villanik egyet!
igaz nem sok hsz-szel... 

pedig nem is iszom...
Megőrültek ezek a boltban.




