Fórum témák
» Több friss téma |
Fórum » PC táp átalakítás
Király köszi! Elvégeztem a módosításokat(a fenti karikázást kihagytam az UVAC -t a földre húztam), de még nem merem bekapcsolni, mert a multiméterem nagyapámnál maradt, szemre kötöttem ki és át a dolgokat, szóval még egy mérést ejtek holnap vele mielőtt ráengedem Paksot.
A hozzászólás módosítva: Jan 4, 2016
Sok sikert hozzá, az eredményt feltehetnéd a módosítás rajzával együtt hátha másnak is lapul valahol ilyen tápja, én elajándékoztam ami volt, mert néhány 494 után belefutottam(buktam) egy Astec vezérlős pc tápba (egy 14 és egy 16 lábú tok dolgozik benne össze, nem bírtam átverni) azóta ebben a témában inkább kerülöm a meglepetéseket.
Amint működőképes lesz a dolog felküldöm a módosított kapcsolási rajzal együtt.
Még egy kérdésem lenne, szeretném megerősíteni a -12 V -t 2 darab 10A -s diódával, ugyanakkor nem értem miért van ott az a D19?
Jó ha azt áthidalom és a D7, D10 -t 10A -ra cserélem?Ami a szűrőtekercset illeti, a nagyobb áram miatt a -12V -s ágat átkötném az 5V ferittmagjára.
Ok!
Most néztem csak, a képről nem derül ki Az izzó sorba van kötve a táp bemenetével. Bekapcsoláskor felvillan, ez nem baj, de ha valamilyen szinten világít terhelés nélkül az már bajt jelez, ha terheled a kimenetet világítani fog az izzó és furákat fogsz mérni, magyarul, ha terhelés nélkül jónak ítéled vedd ki a soros izzót. Elnézést a kiemelésért.
A D19 egy nyitó feszültségnyit ejt(kb 0,8V) a kimeneten, hogy biztosan ne legyen magasabb feszültségszint mint a pozitív ágban, ha külön figyeled, vagy szimmetrikus ágat akarsz akkor igen, de viszont több megfelelő gyors-diódával a két oldal közötti különbséget szépen be lehet állítani tized volt pontossággal.
A D7, D10-et olyan diódára cseréld aminek a paraméterei hasonlítanak a D6-ra, mindenképpen legalább 200V tűrésű, SCHOTTKY, gyors válaszidejű legyen.( Az rajzon szerintem kicsit alul van méretezve, mert ott 120-180V-os fesz. csúcsok is lehetnek a kimenet függvényében a TL494-nél legalábbis ez a helyzet. 12V-nál lehet hogy 60V alatt marad. ) A fojtó úgy nem lesz jó az 5V-ra van méretezve max 9-10V ig használható. Kiveszed a +12V fojtót kiveszed, megszámolod hány egész menet van rátekerve, majd fogsz ugyan olyan átmérőjű szigetelt rézhuzalt(Akár egyeres villanyszerelési huzal is lehet) és az eredeti tekercselési iránnyal szemben a lehető legszorosabban ugyanannyi menetet feltekersz, ez lesz a negatív ág fojtója, természetesen, ha 2-3 szálról van szó egyszerre, egymás mellé fogva csévéled, csak így lehet jól és egyszerűen szimmetrikusra készíteni, külön fojtóval csak kínlódás.
Úgy érzem haladok, egy 1K -s elleállásssal fel tudom húzni 26V -ra, most már csak lefele kell megoldanom
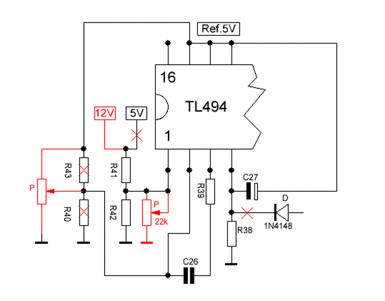
Mellékelem a módosított kapcsolási rajzot az adatokkal feltüntetve. A problémám, hogy nem tudom hogy tudok 12V alá menni...
Az IC IN lábán 2.4V van. Szerintem a feszültségosztónál kell mókolni de mikor hosszányúltam ugráltak a feszültségek... Ja és az a feszültségosztó 2,5V fölött levág, 2.3 alatt szintén, össze tudom hozni 5V -ról ezt a 2.4V -t ha szükséges, csak tudjam lefele is szabályozni. A hozzászólás módosítva: Jan 6, 2016
Itt találtam még egy kis segítséget Bővebben: Link, ezen kívül egy Orosz oldal és, hogy változatos legyen egy talán Olasz.
Az utolsó linken van egy összehasonlító rajz a 2003-as tokkal, ami kicsit bővíti a lehetőségeket. Az IC IN-re úgy kell variálnod a szabályzást, hogy a két érték között maradjon, ha ez nem teljesül... nos ezt már tapasztaltad. Ez mondjuk 494 átalakítás, de ötletet adhat Bővebben: Link Bővebben: Link a kép innen származik.
Szaisztok!
A cikk alapján nekiestem egy MPA-88X (350W) tápnak, amivel kétszer is zátonyra futottam... (Az egyik meg is halt). Visszaolvastam itt a topikban jó pár oldalt, és két kapcsolási rajzot is találtam (azt hiszem mind a kettő Ge Lee műve). Viszont nem igazán sikerült megérteni, hogy mit tesz lehetővé ez a mod. Szóval ha az "alakított" szerint csinálok mindent, és a negatív ágban is kicserélek mindent, ami a nagyobb áramokhoz szükséges, akkor a negatív és a pozitív ág feszültsége is fog változni?
Ide
Idézet: egy másik linket szántam Ezt.„Ez mondjuk 494 átalakítás, de ötletet adhat” A cikkek között már nem láttam, de a kereső még megtalálta.
Nézd meg a következő bejegyzést is.
Szia! Milyen cikk és mit akarsz a táptól, esetleg egy link az előzményhez.
A rövid válasz igen. Ami csak sejthető, hogy érdekel arra: Ha mindent úgy csináltál mint a rajzon van, akkor van egy egyszeres, tehát nem szimmetrikus, feszültség és áram-korlátos a tápod, a rajzon a negatív ág diódái földre vannak kötve, de az nem a szimmetrikus középpont.
Amarton cikke alapján haladtam.
Csak a szokásosat szeretném: 0-20V, és a belőle (biztonsággal kiveheteő legnagyob áram, lehetőség szerint áramkorláttal. Két tápom volt, az elsőt az említet cikk alapján kezdtem átalakítani, de nem jött össze. A másikban volt pár púpos kondi, amik miatt nem indult. Ezeket cseréltem, de mielőtt újra nekiestem volna, már komolyabban belemerültem (tehát a második tápon még nem végeztem semilyen átalakítást). Tehát ha jól értem, ha ez alapján a kép alapján mindent helyesen csinálok + az Amarton féle cikk alapján alakítom át a negatív oldalt, azt fogja tudni, amit szeretnék. Vagy valamit félreértettem?
Amit most linkeltél az másról szól, az "alakított" úgy tudom az utolsó két Linkről származik eredetileg. A két cikkben leírtakat ne keverd mert abból megint kudarc lesz.
A mostani alanyt hozd működőképes állapotba mielőtt elkezdenéd az átalakítást. Amarton féle cikkben az levő áramszabályozást-és csak azt a másik esetben is alkalmazhatod, ha elég a kb. 4A, ez fordítva is igaz, az R.Chirio féléből sokkal nagyobb áramot tudsz kivenni. A tekerccsel variálva nagyobb feszültséget is ki lehet venni a tápból. Szerintem aludj rá egyet, döntsd el melyik verziót szeretnéd. Mindkét leírás végigvezet az egész folyamaton, Amarton rengeteg érthető magyarázatot ad a táp működésével kapcsolatban, amiből tanulni lehet. Ha elakadsz kérdezz nyugodtan, nálam sokkal okosabbak is olvassák a fórumot akiktől esetleg korrektebb választ is kaphatsz mint tőlem. A hozzászólás módosítva: Jan 6, 2016
Sziasztok!
Egy PC-tápot át lehet egyszerűen alakítani úgy, hogy 12V mellett 450V-os kimenete is legyen? Nyilván így a trafó után új egyenirányító, meg kondik kellenek. Hi-Fi célra kellene. (Vagy érdemesebb egyet 0-ról megépíteni?)
Egy ilyenből attekerés nélkül max 50V vehető ki.
Mihez kell a 450V? Elektroncsőhöz? Mekkora terhelhetőséggel? Más megoldást keress, ez már feszültség emelés, a pc táp trafója pedig nem erre lett megtekerve.
kb. 200W nem ártana.
Ha áttekerni macera, akkor építek valamit, csak még sose építettem kapcsolóüzem tápot, és mivel Hi-Fi célra kell, a szűrés sem utolsó. Igen, elektroncsöves erősítőhöz kell.
ATX tápból 450V -on 200W teljesítményt kihozni gyakorlatilag lehetetlen...
A hozzászólás módosítva: Jan 9, 2016
A transzformátor áttekercselésével talán megoldható, de az a trafó ami benne van kicsi lesz hozzá, hogy ráférjen a megfelelő menetszám, és szigetelés azt hiszem.
A másik meg az, hogy a pc táp step down módban működik, a vezérlést is át kéne alakítani step up -ra... De majd a szakik kijavítanak ha tévedtem...
Egy erősítőhöz nem kell stabil feszültség, tehát mehet 50%-os kitöltéssel (visszacsatolás nélkül). Bár, ha megfelelő fesz. osztó van a visszacsatolásnál, akár mehetne pwm-el is.
Esetleg feszültség sokszorozó?
Így viszont már inkább egy új tápot érdemes építeni.
Sziasztok! En is belekezdtem egy kis 200 w os tap atalakitasaba. A cel a maximum feszultseg amit ki lehet hozni +/-48V, most szinte a felenel(kicsit tobb +/-27.7V nal jarok) eddigi valtoztatasok: dtc teljesen gndre kerult, es kivettem a feedback ellenallast, meg kivettem nehany tranzisztort. Mit valtoztatsak meg rajta?
A hozzászólás módosítva: Feb 1, 2016
Már leírtam. Feszültségkétszerező egyenirányítást kell alkalmazni. Ehhez szét kell bontani a trafó középkivezetését (a hosszú sodratot ami kilóg belőle) hogy elkülönüljön a két szekunder oldal. Pufferből nyilván kétszer akkora kell, mivel sorba vannak kötve ezáltal a kapacitásuk feleződik. Tehát ha mondjuk normál kétutas esetben 2db 1000µF kellett volna, akkor most 4db 2200µF fog kelleni.
Hogy mekkora fesz lesz a végén az majd kiderül, szerintem a fojtók miatt nem lesz 54V hanem valamivel kevesebb. Ha mégis sok lenne, akkor meg kell emelni a DTC lábon a feszt, és csökkenni fog a kitöltés, amit a kimeneten lévő LC tag átlagol. Nem árt terhelést is tenni a kimenetre, legalább 0,1-0,2W-ot.
Sziasztok! Szeretnék egy pc tápot általános, fix feszültségű tápként használni, főként az 5V és 12V-ot. Úgy tudom, kell egy minimális terhelés, hogy a névleges feszültség legyen a kimeneten. Ez mekkora terhelést jelent, és melyik ágakat kell terhelni? Ellenállást tennék bele.
Előre is köszönöm!
Oh, mostmár értem, akkor mindent jól készítettem el, csak a trafonál kell még "játszani". Köszönöm szèpen! Minden pöccre indult máskülönben.
PC tápból van ezerféle, Van olyan amelyiknek nem is kell terhelés, de általában az 5v-os ágat figyeli amelyik figyeli. Az induláshoz elég 10mA, de szerencsétlen esetben hogy a 12v-ot használni tudd arányosan terhelni kell az 5v-ot is. (átalakítás nélkül)
A táp most kényszerből a monitorom hajtja (12v 2-3A), így megmértem: a 12v csak 10,9v, az 5v pedig 5,3v. Úgy látszik ez a szerencsétlen eset. Rendelek néhány teljesítmény-ellenállást és megpróbálom mindkét ágat terhelni néhány wattal. Nem kell pontosan tartsa a feszültséget, de jó lenne 0.5v-on belül maradni.
Köszi! |
Bejelentkezés
Hirdetés |

















