Fórum témák
» Több friss téma |
Egyes 4*40 karakteres LCD modulokat két darab 2*40 -esként kell kezelni. Az adat , RW, C/D kivezetések össze vannak kötve már a modulon és két egyedi E kivezetés van rajta.
Ha kedved tartja az adatvezetékeken és a RW, C/D más információ is kiadható vagy beolvasható, ha az LCD -k E bemeneteire alacsony szintet kapcsolsz. A hozzászólás módosítva: Márc 6, 2017
Kedvem lenne hozzâ, csak tudásom nincs hozzâ.. ugyhogy ez nem az èn projektem lessz!
![]() Talàn majd kèsőbb. Amugy igen ... különbözö infokat akartam rajta megjeleniteni!
De köszönöm nagyon az informáciokat...
Sajnos èn pic-rt csak flowba tudok programozni... Esetleg ugy tudom elkèpzelni hogy felvàltva futtatom êk külön makroba a 2 lcd-t ês az E làbat meg külön kapcsolgatom... nem a karora bizom! Na megyek is a topikjàba ès kèrdezgetek!
Őöö... most egy kicsit megkeveredtem... akkor alacsony szint kell az E bemenetre vagy magas?
Idézet: „Ha kedved tartja az adatvezetékeken és a RW, C/D más információ is kiadható vagy beolvasható, ha az LCD -k E bemeneteire alacsony szintet kapcsolsz.”
Ok csak Pali meg pont az ellenkezőjèt irta.... de akkor alacsony szint a jo!
Köszönöm
Hd44780 32. 33. oldal.
Ha kedved tartja az adatvezetékeken és a RW, C/D vonalon más (nem az LCD -nek szóló) információ is kiadható vagy beolvasható, ha az LCD -k E bemeneteire alacsony szintet kapcsolsz. A hozzászólás módosítva: Márc 6, 2017
Ha írsz rá külön programot csak olvasni az rb3 bemenetet, amit valami kimenetre kiraksz egy próba ledet meghajtani, tudod kapcsolgatni azt a ledet?
A jelzett kapcsolástechnikában nem kellene baja legyen a magas szint érzékeléssel. Esetleg leszedheted azt a 10k-t 1k-ra, de nem kellene gondot okozzon. Talán csak ha elnézted a színkódot, és egy 10 megás ellenállás dolgozik a tranzisztor szivárgási áramára.
Nem írtam az ellenkezőjét, pont azt írtam mint Hp41C is csak más megközelítésből. De úgy látom nem ártana elolvasnod az LCD-k működéséről szóló cikket: Bővebben: Link és Bővebben: Link
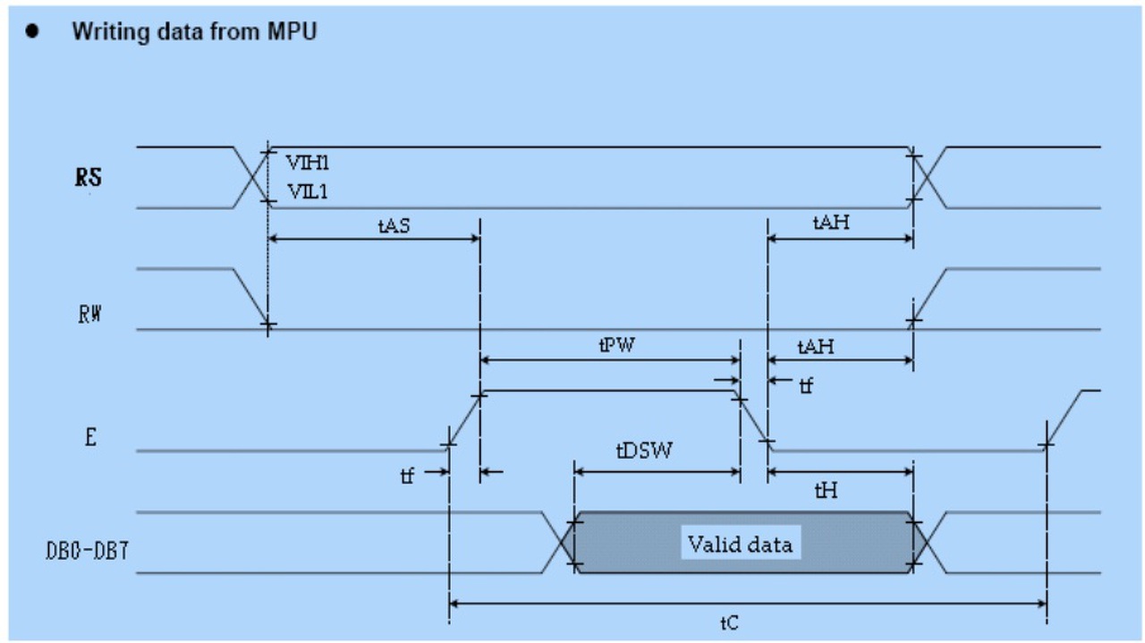
Nos egy kép többet mond mint száz szó.
Ennél az LCD-nél, amit mintának választottam: E felmegy magas szintre. Majd megkapja az adatokat. Utána minimum tDSW időnek el kell telnie. E lemegy alacsony szintre. Minimum tH ideig kint kell hagyni az adatokat. Tehát írásnál tulajdonképpen E lefutó élére zajlik az írás. Nyilván a többi időzítés is fontos, de szerintem a legtöbbje nem kíván programmozást. Mire a programmod odaér, már elég idő eltelt. De itt érdemes számolgatni. A hozzászólás módosítva: Márc 6, 2017
Az általad javasolt próba ledet használtam én is. Kidekáztam, hogy merre és miért jár a progi.
A sok próbálgatásnak szerencsére az lett az eredménye, hogy tökéletesen működik. A motorindítási löket lecsengésére 406 mSec is elég lett. Egyedül a rádiófrekis relét helyettesítő mini nyomógomb nem működik elég megbízhatóan. A távirányítóban lévő relé remélem pergésmentesebb lesz. Most jön a kipróbálás ténylegesen a függönnyel. A korábbi zsinórfeltekerő hengert is lecseréltem. Korábbinak az átmérője 26 mm volt, az új 20 mm-es. Ez nagyobb húzóerőt eredményez. A hozzászólás módosítva: Márc 6, 2017
Úgy néz ki megtaláltam a hibát. Komplementer üzemmódban nem szereti a PDC ha 0-hoz közeli értékek hullámoznak. Ezért volt mindig csak a komplementer oldal a hibás. Sima szinusz függvényt is próbáltam rajta, ugyan ez a baja, ha tompítom a görbületet a tetején akkor már nem tüskés hiba lesz hanem hullámzik. Ha hagyok kb 5-6% "távolságot" a 0-hoz képest akkor jól működik.
Ettől függetlenül elég szomorú vagyok hogy nem lehet normálisan kihajtani minimumig (gate trafónál nem lenne probléma, de opto meghajtónál előnyösebb volna, úgyhogy lehet trükközni).
Nem olvastam végig a problémádat de ennek a típusnak az errata szerint is van jó néhány gondja a PCPWM moduljával. Nézz bele hátha van valami javaslat ami segít.
Ha nem túl nagy frekivel használod, egy szoftveres pwn sem a világ vége. Vagy lecserélheted a típust olyanra, ami hibamentesebb.
Már olvastam, de mintha ez a jelenség nem szerepelt volna benne. Mindegy legalább már tudom a hiba okát és ez nagyban segít kitalálni valami.
Szoftveres PWM ... azért annyira még nem rossz a helyzet. A hozzászólás módosítva: Márc 7, 2017
Szerintem a 100% kitöltésre vonatkozó rész az, de mivel nem néztem át a kódod, meg, hogy mit csinál ezért csak a leírásod alapján tippelek. Ha kicsit kilapítod a szinuszt akkor lehet jó lesz.
Mert mind a 0, mind a 100%-os kitöltés a PWM speciális esete. De mint írtam pl. a bootstrap-es FET meghajtók úgysem szeretik ha az alsó FET nem zár le néha.
Estét!
PIC18F26K80, AN4 -es csatorna. Ha növelem rajra a feszültséget, jóval lassabban reagál, mint kellene. Rajzoltam egy grafikont, hogyan jön vissza az ADC eredménye. Másnál is jelentkezett a gond, megoldás nélkül: Bővebben: Link. Egy érdekes részlet az adatlapból, lásd melléklet. Nincs TRISA5 igaz, nem tudom, hogy ez mennyire érdekes illetve mennyire függ össze a hibával. ANCON0=0b 00011111 Valakinek van ötlete, mitől jelentkezhet a hiba? AN0, AN1, AN2 rendben van, AN3 referencia feszültségnek van használva.
TRISA5 van, a 4-es nincsen, mivel oda a Vcap-ot kell kötni. Az AN4 az RA5-ös lábon van.
Ez szarvas hiba volt tőlem.
Így mindjárt más a leányzó fekvése. Köszi!
Ok, csak ez nem Bootstrap-es.
De azért nem hiszem el hogy nem lehet úgy legyártani, hogy működjön. Mindegy valahogy megkerültem, csak nem olyan elegáns és szép megoldás (legalább is nekem).Egyébként a PWM-nél a postscale mire való? Nem igazán látom semmilyen hatását, megadtam 1:2 és 1:4 is, de semmi látványos változás. Pedig azt hittem hasonló a hatása mint a prescale-nek és a PWM frekijé lehet vele állítani.
Az az IT utóosztója, hogy hanyadik PWM ciklusra adjon IT-t.
Sziasztok!
Ismeri valaki ezt a 2 programozot? kis sárga Illetve ezt a klont Legalàbbis gondolom hogy csak klone ennyièrt A hozzászólás módosítva: Márc 8, 2017
Üdv
Van egy assemblyben megírt kis LCD (1602) meghajtó programom P16F84a-ra. Működik a PIC Simulator-on és a valóságban is, a próbapanelen. Szeretném átköltöztetni P16F877a-ra. A konfigurációs részt átírtam, de csak azt, mert ugyanazok portok elérhetők a nagytestvérben is. A PIC Simulátoron le is fut, megjelennek a karakterek, pont, mint a 84a-val, viszont a próbapanelen nem. Értelemszerűen a hardver ugyan az (ami a 84a-val ment), csak PIC van cserélve és átdugdosva az eltérő lábkiosztás (és szám) miatt. Az Mplab x ide-vel hiba nélkül lefut a fordítás, és hibaüzenet nélküli a feltöltés is. Csak épp nem műkszik. A pic jó, más programot sikerül rátenni és megy (ledes futófény 8 ledre). Mit nézzek meg?
Remélem látszani fog a kód. Ötleteket kérek a tapasztaltabb kollégáktól tisztelettel
Nincs királyi út, töltsd le a két típus adatlapját, olvasd el és hasonlítsd össze őket.
Szembeötlő különbségeket fogsz találni... Hol kezdődik az általános célú memória? Hogyan lehet a portokat digitális -ra kapcsolni? Van-e a 16F87x -nél más konfigurációs mező, amit be kell állítani? A 16F87x -ben milyen regisztereket használ fel a CBLOCK 0x00C ... endc?
Ezeket a különbségeket a PIC Simulátor nyilván ismeri (be kell állítani a konkrét PIC típust, frekit, az LCD meghajtását, stb.
Ha azon fut, a próbapanelen miért nem ?
Mert nincs mögötte a hardware vagy mindenben egyező működésű program.
Visszakérdezek: Miért jó Neked, ha a cblock -kal leforglalt változók nem az általános célú memóriában vannak? A programod a del nevű változót a PIR1 (az 5. és a 4. bit csak olvasható), a cmd nevű változót a PIR2 (a 7., 5., 2., 1. bit nem létezik, mindig 0), a temp nevű változót a TMR1L, az i nevű változót a TMR1H regiszterre helyezi? Nem lenne egyszerűbb kiolvasni az adatlapból, hogy hol kezdődik a GPR? 0x20 -nál.
Egy szóval sem írtam, hogy az én szerzeményem, mert egyenlőre meghaladja tudásomat sajnos.
Csak használni szeretném egy saját feladat részeként beépítve. Persze próbálom visszafejteni, mit miért csinál? A Pic Simulátor mutatja a portokat, regisztereket, azok tartalmát lépésről lépésre, stb. Tehát ismeri a hardvert, ha más pic-et állítok be, nem is lesz kijelzés - kipróbáltam. Persze az már a hex-et futtatja - ami nyilván más mint a forrás. Azért ott feszül némi ellentmondás, hogy a szimulátor szerint mennie kellene, de mégsem.. Nem?
Idézet: „Ismeri valaki ezt a 2 programozot?” A "kis sárga" programozót ismerem, én is vettem belőle. Én a fejlettebb ICP02-v2 változatát vettem, ami 3,3 V-os PIC-ekhez is jó (az általad belinkelt ICP01 csak 5V-os PIC-ekhez használható!). Az ICP02 és ICP02 sajnos, csak programozásra használható, hardveres nyomkövetésre nem. Emiatt nem javaslom a megvásárlását.
Melyik Pic Simulátor -t használtad? Az a tény, hogy a szimulátorban végigmegy a programon még nem jelenti azt, hogy azt csinálja, amit szeretnél.
- A GPR memória a 0x20 címen kezdődik. Ide kellene helyet foglalni a változóidnak. - A 16F87xA rendelkezik alacsony feszültségű programozási lehetőséggel (LVP). Ahhoz hogy a RB3/PGM lábat digitális I/O -nak lehessen használni, az LVP -t ki kell kapcsolni. |
Bejelentkezés
Hirdetés |









Így mindjárt más a leányzó fekvése. Köszi! 




