Fórum témák

» Több friss téma
Fórum » PICKit2 klón építése
Lapozás: OK   78 / 211
(#) watt válasza kaqkk hozzászólására (») Jún 7, 2010 /
 
A FET-ek simán tönkremennek a forrásztáskor, ha nem megfelelően nyúlsz hozzájuk. Illik leföldelni magad előtte karlánccal, de legalább megtapizni egy PC házat, vagy radiátort. Az se baj, ha vezet a forrasztópadod...
(#) herzsolt válasza kaqkk hozzászólására (») Jún 7, 2010 /
 
Szia!

Te csináltad ezt a demópanelt?
(#) mazso1988 hozzászólása Jún 7, 2010 /
 
Sziasztok érdeklődnék hogy szeretném a PIC18F2320-as mikrovezérlőn az ICSP csatlakozást megvalósitani hogy áramkörön belül is tudjam esetlegesen programozni majd a picet mert elég macerás mindig szátszedni a dobozt amibe szánom.
láttam erre vonatkozólag rengeteg kapcsoást de igazábol nemtudtam eldönteni melyik is lenne a legmegfelelőbb tudna esetleg valaki egy már bevált működő kapcsolást feltölteni erre vonatkozólag.
és még annyit szeretnák hogy nálam működésközben a PGD és PGC vonalak használva vannak!
erre nálam egy RTC kapcsolódik a
(#) kaqkk válasza herzsolt hozzászólására (») Jún 7, 2010 /
 
Igen saját terv , saját beültetés , de a panelt csináltattam (amikor készült még nem tudtam ekkorát készíteni) Egyébként már van hozzá egy öcsipanel
amivel a 28 lábú piceket lehet rátenni , és most készül
egy öcsi a 18 lábúakhoz .
(#) nagy_david1 hozzászólása Jún 10, 2010 /
 
Üdv!
A lehető legkezdőbb vagyok mikrokontrollerek terén. Első kérdésem máris az lenne, hogy kaptam itt a topic-ban 3 pickit2 kapcsolást, de nem tudom mi a különbség közöttük. Ha minden igaz kettőt Watt tervezett, a harmadikat nem tudom. Szeretnék egyet építeni, hogy elkezdjem kicsit a digitális világ megismerését, így megkérek valakit, hogy mondja el az általam linkelt kapcsolások előnyeit, illetve hátrányait. Esetleg valaki készített egy oldalas nyáktervet nem SMD alkatrészekkel? Mondjuk ez a legkisebb probléma, mert én is megtudom tervezni, csak megfigyeltem, hogy legtöbb helyen vagy két oldalas vagy SMD terv van. Szóval az első kérdésem a fő gond. Bővebben: Link Bővebben: Link Bővebben: Link. Előre is köszönöm.
(#) cNobody válasza nagy_david1 hozzászólására (») Jún 10, 2010 /
 
(#) nagy_david1 válasza cNobody hozzászólására (») Jún 10, 2010 /
 
Mivel kezdő vagyok nem igazán tudom még, hogy mekkora hátrány, hogy a tápfeszültség nem állítható és hányszor fogok elkövetkezendőkben esetleg többször e miatt fenn akadni. Ha tegyük fel építek Szilva kapcsolásához egy manuálisan átkapcsolható feszültségváltót az működhet? Ettől eltekintve a kapcsolások mind azt tudják? Most vagy nekiállok és megtervezem Watt kapcsolásának egyoldalu nem smd nyáktervét vagy a mellékletben szereplő-t építem meg ami pont ízléseimnek való. Mondjuk ott kicsit hiányolom a kapcsolási rajzot.
(#) cNobody válasza nagy_david1 hozzászólására (») Jún 10, 2010 /
 
Ha Szilva félét építed meg, akkor csak 5V-os PIC-eket tudsz programozni.

A Watt féle az már tudja szabályozni a feszt. Majdnem teljes értékű. Csak a Programmer-To-Go funkcióhoz szükséges EEPROM-ok nincsenek benne. (PC nélküli égetés) (nekem ilyen van, és nagyon szuper)

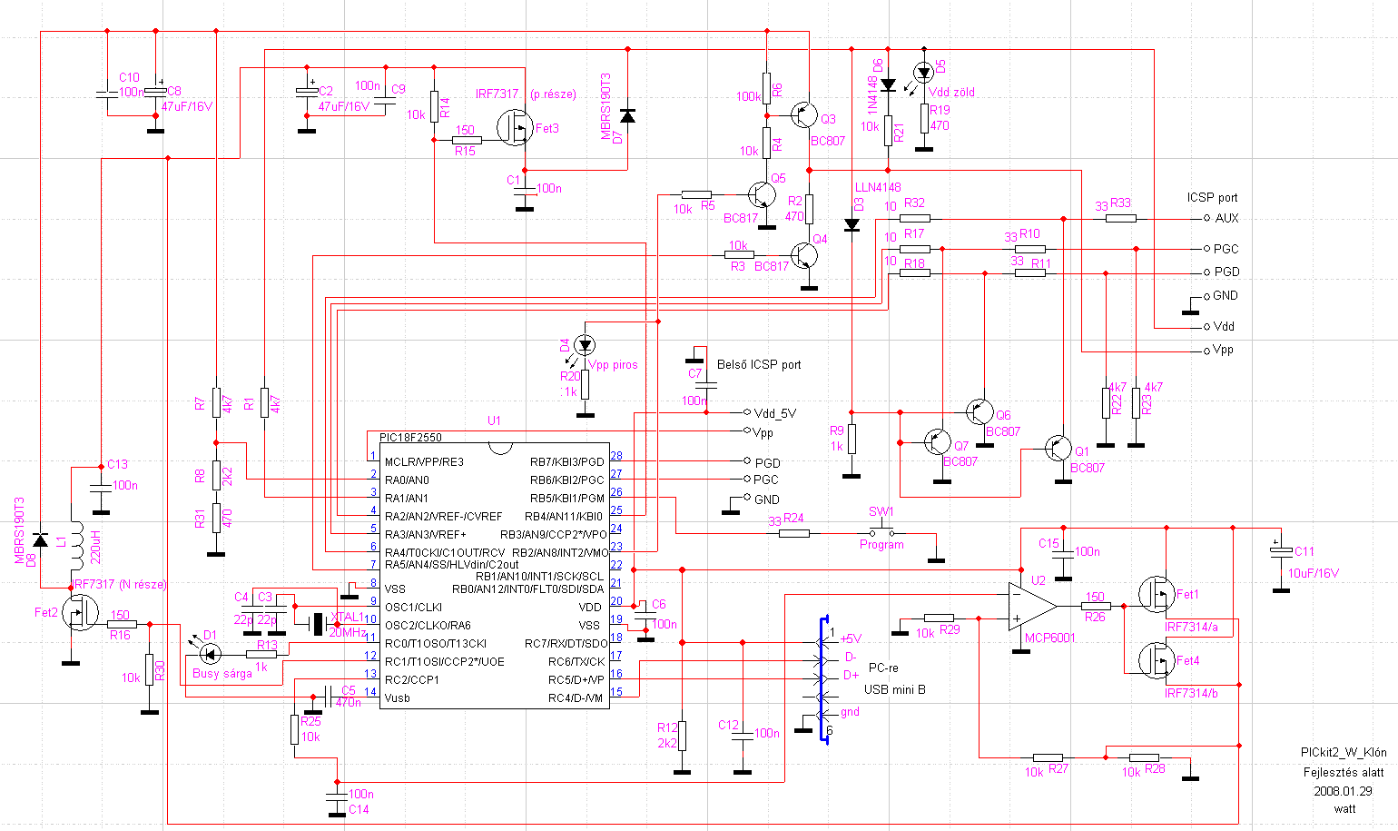
A HP41C féle klón pedig teljes mértékben a gyári kapcsolás alapján lett kivitelezve. A alkatrészjelölések is azonosak a gyárival. Bővebben: 81. oldal (Appendix B. PICkit 2 Schematics)
(#) watt válasza nagy_david1 hozzászólására (») Jún 10, 2010 /
 
Az összes kérdésedre megvan a válasz ebben a topicban, valamint a cikkekben. El kell olvasni és utána kérdezni. De ne azt kérdezd, hogy szerintünk mi jó neked, mert nem fogod megkapni a neked tetsző választ, mivel nem tudjuk. Szedd össze a szükséges infókat és dönts magad. Tőlünk legfeljebb technikai információkat érdemes kérdezni, (viszont azok, mint már említettem, le vannak már írva egyszer), illetve azt, hogy hol találod ezeket az infókat(bár ha ezt a topicot átolvasod, megtaláltad). Fordíts rá időt és energiát!
Még annyit, hogy nem ajánlott áttervezni semmit, mert ha nem vagy profi, nem fog működni! Még úgy sem biztos, hogy a kész tervből építed, mert rengeteg buktató van. Ezeket is meg kell tanulni előbb(erre is jó részben a topic).
Mostanában egyre több a "nem sikerült" alkotás(ezért egy kicsit kifelé is beszélek), nem csak PK2 terén, és mindig kiderül, hogy 0 elektronikai tudással áll neki valaki áramkört építeni. Nagy szerencse kell! Előismeretek nélkül nem fog menni. Segíteni se mindig tudunk, mert "nem érti meg a szót".
Tehát olvasni, amíg magad tudsz dönteni.
(#) nagy_david1 válasza cNobody hozzászólására (») Jún 10, 2010 /
 
Lehet én is megmaradok Watt égetőjénél és tervezek neki egy egyoldalas, smd-ket nem tartalmazó nyákot. Első ránézésre kell majd cseréljek alkatrészeket, mivel nem nagyon állnak rendelkezésemre ezek és ahol szoktam rendelni sincsenek. Remélem úgy is működőképes lesz. Az IRD7317 smd fet-et mondjuk nem tudom mivel válthatnám ki és remélem az MCP6001 helyett megfelel egy másik opamp is.
(#) nagy_david1 válasza watt hozzászólására (») Jún 10, 2010 /
 
Előszőr is amitől még nem vagyok profi attől még nem is 0 a szaktudásom, mert sokat foglalkoztam eddig analog elektronikával, vagyis eddig csak azzal foglalkoztam, leszámítva logikai kapcsolásokat. Cikkeidet már elolvastam és mint fennebb írtam a tiedet választom, mivel a tiéddel van egy jó leírás is, csak alkatrész elérhetőség terén bajok vannak sajnos. Néztem a parhuzamos portra tervezett egyszerű programozódat is, és abszalut kezdőségemre nézve biztos boven elég lenne, de mostmár csak "USB van a szobámban", a PIC-et is a régi gépemen tudnám nehezen megírni ami már más helyre költözött. Ezért is lenne előny egy USB-s égető. Köszönöm, és gratulálok a cikkeidhez.
(#) watt válasza nagy_david1 hozzászólására (») Jún 10, 2010 /
 
Látod erről beszélek! Ha elolvasnád a topicot, nem az enyémet választanád, mert van egy teljesen furatszerelt terv(Hp41C tollából), amihez nem kell alkatrészeket keresgélned és "újratervezned" egy komplett áramkört.
(#) nagy_david1 válasza watt hozzászólására (») Jún 10, 2010 /
 
A nagy probléma csak az, hogy ez a FET nálla is szerepel. Amiket be tudok szerezni az vagy kisáramu BF vagy IRF ismertebb nagyáramu szériák. És nálla még ott vannak az EPROM-ok is amik még nehezítik a dolgot, főleg nekem kezdőként. Árba is többlet és még nagyon nem olvastam utána hogy a memóriákat fel kell-e valamivel tölteni na és persze nekem ez a funkció fölösleg is. Legalább is én azt a Hp41C kolega tervét nézem most amit cNobody kolega mellékelt. Köszönök mindent
(#) szilva válasza nagy_david1 hozzászólására (») Jún 10, 2010 /
 
Végső elkeseredésünkben szerintem megpróbálhatjuk a nagyáramú helyekre N-es FET-ként az IRLZ34-et, P-sként az IRF9Z34-et. Itt a P-s a kritikus mindig, mert annak a Vgs(th) feszültsége nagyobb, mint az N-esé. Ha nem menne megfelelően (nem nyitna ki rendesen az adott helyen), akkor még érdemes egy próbát tenni BC640-nel úgy, hogy a bázisával sorbateszünk egy ellenállást (nálam a klónban 220 ohm be van építve a kapcsolásba, így az IRF9Z34 helyére a panel módosítása nélkül betehető a BC640, és kifogástlanul működik is vele).

Nemrégiben néztem a HQ alkatrészlistáját, és kiírtam pár PNP tranzisztort (néhány 2SA, 2SB és egy ZTX), olyanokat, amik elvileg "low-sat", azaz alacsony maradékfeszültségű típusok, érdemes lenne kipróbálni őket a gyakorlatban.
(#) potyo válasza szilva hozzászólására (») Jún 10, 2010 /
 
Azt érdemes tudni, hogy a katalógusban megadott Vce feszültségek felső határok, azokat általában jelentősen túlteljesítik a konkrét tranzisztorok. Az ICD2-ben is bipoláris tranzisztorok kapcsolják az egyes logikai szinteket az MCLR lábra, és a saját klónomban nemis válogattam semmit, általános tipusokat raktam be. Ha ennyire problémásak ezek a fetek, akkor szerintem meggondolandó az egészet bipoláris tranzisztorokra cserélni...
(#) nagy_david1 válasza szilva hozzászólására (») Jún 10, 2010 /
 
Tranzisztorokhoz én is jobban ragaszkodnék mert abból én is tudnék szerezni sok típust (BC, BD, 2N, 2S...) és ha lehetne akkor inkább tenném a bázisellenállásokat illetve ahova kell lehúzó vagy felhúzó ellenállásokat ha ezzel a megoldással nő is a panel. Köszi.
(#) szilva válasza potyo hozzászólására (») Jún 10, 2010 /
 
Tudom, hogy nem olyan rossz a helyzet a bipolárisakkal, és általában a legroszabb esetet szoktuk nézni az adatlapokban. Akkor problémásak a FET-ek, ha nincs megfelelő tartalék a Vgs feszültséghez, azaz például pont a feszültségszabályozós PK2-ben. Ha itt a szabályozott feszültség mondjuk 2.5V, akkor már a kimenetet kapcsoló P-s FET Vgs-e is maximum ennyi lesz. Ha ki tud nyitni a FET, akkor azonban valós az a pártíz vagy maximum párszáz milliohm, amit soros ellenállásként képvisel, ez pedig nagyon kedvező nekünk.

Egy "logikai" FET, aminek a Vgs(th) értéke 1.5V körül szokott lenni bőven jó erre a helyre, de sajnos logikai FET-et én P-sben nem találtam még, csak a watt és Hp41C által is felhasznált, SMD tokozású verziókban. N-esben léteznek, pl. az IRLZ34 is ilyen, és elvileg ennek a párja az IRF9Z34, de sajnos sokkal nagyobb a nyitófeszültsége.

A BC640-nel normál körülmények között (azaz nem százmilliampereket levéve az PK2 kimenetéről) teljesen jók az én tapasztalataim is, a saját otthoni mintapéldányomban is ilyen tranzisztor van. Azért egy esélyt adnék még a kifejezetten alacsony maradékfeszültségű bipoláris tranzisztoroknak, de még csak papírra írtam fel pár típust, nem vettem belőlük próbadarabokat.
(#) Hp41C válasza nagy_david1 hozzászólására (») Jún 10, 2010 /
 
Szia!

- Az eepromok helye van csak meg, nem kötelező be is ültetni - elsőre hagyd ki, ha egyszer kell ez a funkció akkor be lehet ültetni,
- A furatszerelt lapon dip8 foglalat van mind a két pfet helyén.
- A tápfeszültség előállító lehet IRFD9024 (a foglalat közepén), jól működik, a sajátomban is az van,
- A Vdd -t 2.5V -nál is biztosan kell tudni kapcsolni, ekkor az esetleges 0,2V maradék feszültség már jelentős lehet, az Ugs pedig kevés. A nagyobb áramú fet-ek kb 4 V-hál nyitnak, az IRFD9024 is... Ha egyenlőre csak 5V-os pic-ekben gondolkodsz, akkor itt is használható a IRFD9024. Mivel foglalatba lehet helyezni, később kicserélhető másra...
(#) szilva válasza Hp41C hozzászólására (») Jún 10, 2010 /
 
Amiket én néztem bipoláris tranzisztorok, ott 30-50mV maradékfeszeket írtak. Ezért is akarom kipróbálni a gyakorlatban őket.
(#) Hp41C válasza Hp41C hozzászólására (») Jún 10, 2010 /
 
Az előbb kimaradt: A furatszerelt klónban mind a két helyen az IRF7314 használtható...

IRF7314.JPG
    
(#) Hp41C válasza szilva hozzászólására (») Jún 10, 2010 /
 
Milyen típusra gondoltál, az egyémben ki lehetne próbálni...
(#) szilva válasza Hp41C hozzászólására (») Jún 10, 2010 /
 
Itt van a cetli előttem, az van ráírva, hogy "lo-sat PNP", de ezt kb. 1 hónappal ezelőtt írtam össze, lehet, hogy van benne hiba. A következő típusok szerepelnek rajta: 2SA1300, 2SA1012, 2SB892, D45VH10, 2SA1287, 2SB1143, 2SB733, ZTX753. Ha van kedved, nézd meg az adatlapjaikat, hogy szerinted melyik lenne alkalmas a PK2-ben a kritikus helyekre.
(#) Hp41C válasza szilva hozzászólására (») Jún 10, 2010 /
 
Sajnos csak két típust tudtam beszerezni: ZTX753, TSB772SCT.
- Mindkettővel 2.5V és 5V Vdd mellett sikeresen detektáltam és olvastam 16F648-as pic-et.
- A bipoláris tranzisztor másként működik: Nem megy át áramgenerátoros üzembe nagy terlelő áram mellett. Az U5 p-fet helyén két okból sem lesz probléma: - az IRF7314 -nél amperes nagyságrendű lenne az áram, - a program méri az ICSP csatlakozó Vdd feszültségét, nagy terhelés esetén leold.
- Q1 helyén is lehet használni, csak az R31 ellenállását meg kellene emelni. A műveleti erősítős áramkör a bipoláris tranzisztor - p-mosfet különbséget ki tudja szabályozni ..

  1. Vdd            2.50V         5V
  2. ZTX 753     2.52V         4.70V
  3. TSB772S    2.53V         4.72V


Már csak egy kis gond van: Ezeket a típusokat sem lehet minden boltban kapni.
(#) potyo válasza Hp41C hozzászólására (») Jún 10, 2010 /
 
Idézet:
„A bipoláris tranzisztor másként működik: Nem megy át áramgenerátoros üzembe nagy terhelő áram mellett.”


Átmegy
(#) Hp41C válasza potyo hozzászólására (») Jún 10, 2010 /
 
Igazad van - pontosítok:
nem azonos karakterisztika szerint megy át áramgenerátoros üzembe...

IRF7314:
Ugs=2.5V, Uds ~0.1V munkapontban IDmax ~1.5A a telítési áram.

TSB772:
A kicsi Uce sat eléréséhez Ic = 10 Ib -t ajánlanak, a Hfe pedig egy elég széles áramtartományban 300 körül van. Tehát jelentősen túl kell vezérelni a tranzisztort, hogy a feadatát ellássa. Pl 100mA Vdd terheléshez 10mA bázis áramot kellene adni 0,1V Ucesat eléréséhez, a tranzisztor pedig 3A körül menne át áramgenerátorba...
(#) szilva válasza Hp41C hozzászólására (») Jún 10, 2010 /
 
Köszönöm, hogy foglalkoztál a dologgal! A mért értékekhez tudsz valami kis magyarázatot adni? Pl. 5V-nál miért akkora az eltérés a névlegestől? Mennyi az USB-ről kapott feszültség, milyen terhelés mellett mérted a kimenetet és leginkább magán a tranzisztoron mennyi a feszültségesés ezekben az esetekben? Még egyszer köszönöm, hogy veszed a fáradságot ezekre a mérésekre!
(#) Hp41C válasza szilva hozzászólására (») Jún 10, 2010 /
 
TSB772: Vdd: 2.5V, 100 ohm terhelés, Ucesat 7mV
TSB772: Vdd: 4.7V, 100 ohm terhelés, Ucesat 7mV
ZTX753: Vdd: 2.5V, 100 ohm terhelés, Ucesat 20mV
ZTX753: Vdd: 4.7V, 100 ohm terhelés, Ucesat 17mV

IRF7314: Vdd: 2.5V, 100 ohm terhelés, Ucesat 0,6mV
IRF7314: Vdd: 4.7V, 100 ohm terhelés, Ucesat 0,6mV

Pontosabban nem tudok mérni...

Vusb 4.94V

A Shottky dióda az 5V -tól való eltérés oka. A PWM szabályzás 2.5 V-nál ki tudja kompenzálni a feszültség esést, 5V-nál már nincs miből.
(#) szilva válasza Hp41C hozzászólására (») Jún 10, 2010 /
 
Nagyon köszönöm, ezek nagyon hasznos mérések! Azért az látszik, hogy tényleg a maximum egy-két tíz mV-os tartományban lehet maradni velük. 4.7V-nál pedig már nem is "jelképes" a levett áram, majdnem 50mA.

Idézet:
„Vusb 4.94V
A Shottky dióda az 5V -tól való eltérés oka.”


Világos, ha nincs miből dolgozni, akkor ne is várjunk csodákat. Még egyszer köszönöm a hasznos infókat!
(#) patexati hozzászólása Jún 14, 2010 /
 
Sziasztok! Új felfedezés a melegedő tekercs magas USB fesz témában.. Van egy ABIT NF7 lapom ez van a műhelyben.. Lecseréltem bent a processzort és most nem jó vele (magas az USB fesz) a klón simán... Tehát nem csak az alaplap hanem a processzor is befolyásolhatja..
(#) potyo válasza patexati hozzászólására (») Jún 14, 2010 /
 
Ebben a helyzetben én a processzor áramfelvételét és a tápegységet tartom lényegesnek. Sajnos nem tudom biztosan, de az a gyanúm, hogy az NF7 a táp 12V-os ágából állítja elő a tápfeszültséget a processzornak. Ha itt változik a terhelés, az befolyásolja az 5V-os ág feszültségét is, ami így könnyen megemelkedhet, ha a processzor többet fogyaszt.
Következő: »»   78 / 211
Bejelentkezés

Belépés

Hirdetés
XDT.hu
Az oldalon sütiket használunk a helyes működéshez. Bővebb információt az adatvédelmi szabályzatban olvashatsz. Megértettem