Fórum témák
» Több friss téma |
Fórum » Renault elektronika
Témaindító: Ifjbockgaben, idő: Dec 12, 2009
Témakörök:
Sziasztok!
2003-as 1.4 16v Thaliával klímagondjaim vannak. Mostanában többször csinálja, hogy 1-2 nap állás után indítás után nem tudom bekapcsolni a klímát, hiába nyomom a gombot, nem világít, és nem is kattan a klímakuplung. Ha megyek az autóval 15-20 percet, utána általában be tudom kapcsolni és dolgozik is szépen. A klíma egyébként pár hete lett átnézve (pár tömítést cserélni kellett rajta) és feltöltve megbízható szaki által. Gáz biztosan van benne elég, mert ha elindul, akkor hűt rendesen. Mi lehet a probléma? (valami szenzor, vagy annak a vezetékelése, esetleg maga a kapcsoló gomb?)
Hali!
Digit klíma, vagy manuális? Ha a nyomás szenzor nem működik, vagy alacsony rendszernyomást érzékel, attól még be lehet kapcsolni, csak a kompresszort nem fogja soha rákapcsolni (legalábbis nálam így viselkedett). Digitális klíma esetén vezérlő hiba lehet. Csere egyszerű, ki lehet pattintani a helyéről, de nem lehet túl olcsó szerintem. Érdemes bele kukkantani, hátha valami forrasztás. Maga a kijelzős egység a vezérlő. Manuálisnál nem tudom hogyan van.
Legegyszerűbb elmenni egy bontóba, a fejegységet kicserélni próbaképp - ha nem jó, nem veszed meg. De a hibalehetőségeket máris felezi. Egyébként bontottan (a Lagunából kiindulva) kb 10e lehet a fejegység, ha ez a hiba.
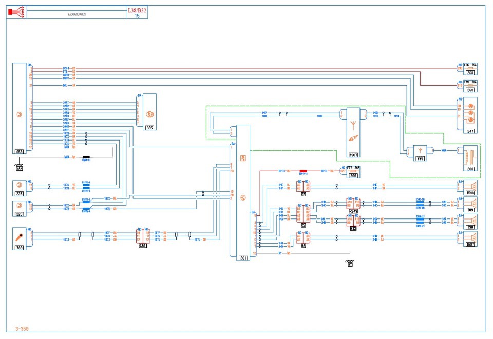
Sziasztok Meg tudná valaki mondani hogy a rajzon mi lehet a 225 tel jelölt eszköz ?
Valami CAN buszos eszköz. A listában nincs benne? Ott szokott lenni a bal oldalon, lehet számok és lehet megnevezések szerint csoportosítani.
A 6. és 14. Pin-ből én OBD csatlakozót mondanám.
Franciáknál jellemző a másik Can háló is. Bár mintha egymással szemben lennének általában a can párok,de hát végül is francia-miért ne lehetne a 12-13 pin-ben...
Sziasztok Köszönöm a válaszokat Csak azért érdekel mert az asztalon nem tudom elindítani a kijelzőt
Előzmény: Sziasztok Renault gyári 2012 es usb s rádiót a saját kijelzőjével lehet asztalon működtetni? Csak azért érdekelne mert nekem nem sikerült. A rádió sz: 281153992r : A hozzá tartozó kijelző sz:280348813r Ezek a rajzok alapján próbáltam Már arra is gondoltam hogy a kormánytáv hiánya is lehet a probléma forrása /Talán valami visszacsatolás hiányzik/?
Van egy felesleges (azt hiszem francia, és valami Citroen) LCD műszerfali kijelzőm, ha esetleg valakit érdekelne.
Igaz, nem kimondottan ide, a Renault témához tartozik, de Citroen-es fórumot itt nem láttam.
Csak kijelző , vagy van hozzá-rajta vezérlő ic is ? Egy két képet feltehetnél róla
Üdv,
Amit a másik topicban írtam, a remote jel eljut a rádiótól a kijelzőhöz? A can hálózatot is összekötötted? Esetleg mérj rá a canH és canL közt (lekapcsolt tápfesznél) hogy mérsz-e 60-120 ohm közti ellenállást. Ha szakadás,esetleg próbáld "lezárni" a can hálót 120 ohm-mal. Előfordulnak olyan vezérlőegységek, amik nem kommunikálnak addig amíg a hálózat eredő ellenállása nem lesz 60-120 ohm.
Szia Sajnos jelenleg nincs remote A rádió can -t természetesen összekötöttem Ahogy írtam első lépésben asztalon szeretném elindítani Ha esetleg kéne hozzá valamit venni létszíves írd meg
Gondolok pl:can emulátor vagy can decoder vagy valami hasonló Ha majd sikerül a projektem végére érni úgy is megosztom mindenkivel Projekt: Szeretném ezt egy Scenic 2/2-es be beépíteni Persze tudom hogy a legnagyobb szívás az a Scenic gyári kijelzőjével lesz
Sziasztok!
Nekem is hasonló a problémám a Thaliámmal, csak nekem bekapcsol működik, megállok, vagy menetközben kikapcsolom, akkor nem tudom visszakapcsolni (Gomb sem világít). Másnap indulok és látom hogy megy a klíma, gomb világít, kompresszor megy, hűt. Van valakinek ötlete?
Sziasztok!
Kicsit kutakodtam a Thalia be nem kapcsolható klíma ügyben. A manuális klíma panelben van egy pcb, amin a bekapcsológomb van. A videó alapján van egy ic és egyéb alkatrészek is, könnyen lehet valami forrhiba. Holnap megpróbálom megvizsgálni. Itt a videó linkje: https://youtu.be/uMuZaGZrwOo
Megoldódott, mechanikai probléma volt, a nyomógomb nem nyomta meg a mikrokapcsolót. Nem egyenesvonalban nyomja meg, ezért valószínüleg megkopott. Az előlap nem nyomta annyira a nyomógomb rögzítését, így nem érte el a mikrokapcsolót.
Köszi Srácok mindenkinek, aki a klímás kérdésemhez hozzászólt, sajnos nem dobott (most kivételesen) a rendszer nekem semmi jelzést a válaszokról és nagyon elfoglalt voltam, csak most tudtam visszanézni.
Nekem is nagyon hasonló dolgokat produkál, mint neked. Hogy szedted le az előlapot? Illetve utána mi lett erre a megoldás?
Úgy néz ki, hogy mégsem a manuális klíma panel gombjánál lesz a probléma, mert rapszodikusan hol bekapcsol, hol nem. Mielőtt kirobbantom a panelt leellenőrizném a nyomásérzékelő szenzort is (több helyen nyomáskapcsolóként hivatkoznak rá). Ez a cseppfolyósító felett van szerencsére egy szelepbe betekerve, így a gázt sem kell leereszteni a rendszerből, ha éppen cserélni kell majd.
Tudtok esetleg olyan akár telefonos diagnosztikai szoftvert/appot, amivel meg tudnám nézni, hogy ez a szenzor milyen értéket ad vissza?
Szia!
https://youtu.be/uMuZaGZrwOo ez alapján vettem le, clioé, ezért kicsit újabb, de ugyanúgy van minden. 1 hónapig jól működött, mostanában megint nem. Átforrasztani nem tudtam a pcb-t, mert azt nem tudtam kiszedni. Meguntam és tegnap a mikrokapcsóló helyett betettem egy billenőkapcsolót, amit közvetlen a csatlakozóra forrasztottam. Most működik, erősen kontakthibára gyanakszom, de igazolni nem sikerült... most tesztüzem van.
Köszi, én is ezt a videót találtam hozzá, akkor ez alapján majd nekiesek egyszer. Közben egyébként azt a tippet kaptam a klímás barátomtól, hogy érdemes lenne a nyomáskapcsoló jelét is ellenőrizni, mert időnként az is el tud romlani ezekben, és akkor sem engedi a klímát bekapcsolni, ha a szenzor szerint alacsony a nyomás. Szerencsére elég jól hozzáférhető, ki kell szedni a levegőszívó csövet és ott van alatta a cseppfolyósító felett. Könnyű cserélni is. Most azzal vagyok gondban, hogy kellene hozzá valami diagnosztikai szoftver akár telefonra akár PC-re, amivel OBD-n keresztül látom, hogy milyen nyomásadatot mér ez a szenzor. Erre van valami nem fizetős cucc? (Úgy láttam, hogy a CLIP-hez nem egyszerűen csak a szoftver kell, hanem külön az olvasó hardver is, de lehet, hogy rosszul tudom. A másik autómhoz - Ford - van egy jó orosz PC-s szoftver és csak sima ELM327 kell hozzá)
Hali!
Az ELM327 sajnos kevés hozzá (csak minimális információt tud kinyerni). Legalábbis, ha a körüli évjáratú a járgány (2003), mint az enyém. Sajna a CLIP HW+SW elég drága mulatság otthonra.
Szia!
Köszi az infót, akkor nem is keresgélek tovább (az enyém is 2003-as), majd megyek tavasszal úgyis egy nagyobb karbantartásra, akkor megnézetem a szakértővel. Per pillanat úgy stabilan működik, hogy soha nem kapcsolom ki a klímát (egyébként is csak leállítás előtt kapcsoltam ki, indítás után meg egyből be a párátlanítás miatt).
A ddt2000 egy viszonylag egyszerű hardverrel (ha kwp-s a kommunikáció)?
Az én 2002-es Laguna2-esemmel megy.
A nyáron futottam bele egy clio klíma hibába. Nem hűtött nem is működött. A szélvédő alatt van egy elektronika, nem nehéz kibontani. Az volt rossz, a szervizben vagy 50 ezret mondtak a cserére. Kompletten. Bele ne menjen senki, az egység bontható és kis kapargatással hozzáférhető benne a nagy TO tokozású fet. Vegyetek egy minél kisebb ellenállású DS átmenettel rendelkező fetet, menni fog! 500 magyar királyi fabatkából megoldható!
Az előtét ellenállásra gondolsz?
Nem, digi klíma volt. A fet nyitott ellenállására.
Ez jó kérdés, kíváncsi lennék én is rá. Ha jól tudom, akkor ennél az évjáratnál vegyesfelvágott a rendszer a kommunikáció részéről. Egyszerre van CAN és valamelyik másik.
De egyenlőre ezt a DDT2000-et sem egy egyszerű dolog beszerezni.
Csináltam már vagy 50db-ot belőle a Lagunaklub-nak.
Ha jól emlékszem, si9243 a lelke és egy ftdi alakitja usb-vé. 2000 ft körül volt az anyagköltsége. Ha tudsz öreg laptopot, akkor sima soros porton egy max232-es és kész. A program meg...
Szia! Nekem is ugyan ez van, ha bekapcsolva állítom le, mindig jó. Most a direkt kapcsolóval mindig tudom, hogy bekapcsolt állapotban van-e, tudtam próbálkozni. Direkt lekapcsoltam, visszakapcsolva nem indult, elkezdtem tekergetni a ventilátor kapcsolót, egyszer csak elindult. kontakthibára utalhat... ilyen hibáktól kicsit feszült leszek, főleg hogy szűk a hely, úgyhogy kicsit jegelem tavaszig a további szerelést
Szia!
Nekem az a furcsa, hogy ha egyszer bekapcsol, akkor utána stabilan tudom ki-be kapcsolgatni, olyan sosincs, hogy kikapcsolom, és utána nem tudom visszakapcsolni. Csak úgy nem tudom bekapcsolni, ha közben leállítottam az autót. Folyamatosan bekapcsolva hagyva is csinált most pár nap után olyat, hogy a következő indításkor már nem világított, de kb. 15-20 perc múlva újra be tudtam kapcsolni. Úgy hogy én azért továbbra is gyanakszom a nyomásszenzor hibára, majd diaggal megnézetem, ha odajutok.
Szia!
Tegnap menet közben kikapcsolt, elkezdtem tekergetni a ventilátor kapcsolóját össze-vissza, egyszer csak bekapcsolt... elvileg ha a ventilátor kapcsolója 0 állásban van, a klíma bekapcsolásakor a ventilátort bekapcsolja 1-es fokozatra, 1 relével. Kíváncsi leszek a diagra, majd számolj be légyszíves! |
Bejelentkezés
Hirdetés |

















