Fórum témák
» Több friss téma |
Hali.
Van egy beléptető kártyaolvasóm. Doksi szerint képes soros (RS232) kapcsolatra, de csak TX van rajta.. (külső, 12V tápfesszel megy) Képes lehet így kommunikálni a szgéppel? (hiperterminalban bekapcsoláskor nem ír ki semmit) Kössz előre is a válaszokat! ![]()
Igen, a test és a TX bekötésével(az RX-re!) működhet a dolog.
Lehet, hogy csak akkor küld amikor "olvas" (egyébként valóban elég az egy láb -TX- )
Próbáld meg ezt a progit...Van egy sajátossága, akkor müködik helyesen ha a venni kivánt Byte-ok száma egyezik a küldöttek számával... A bal oldalon Add és Del -ekkel növelhetsz és csökkenthetsz. Ez jó szokott lenni az esetek többségében... A portsebességet és a sorszámát állítsd be...
Nagyon köszi az eddigi válaszokat!
Csabi, a progi mit is csinál? Mert hamar kiírja, h time out. Attól még vesz? Ráálltam szkóppal; úgy néz ki, tényleg csak akkor AD, ha kártyát "olvas". Holnap megyek kártya-beszerző körútra, mert ami nekem van, azt nem érzékeli.. ![]() Üdv és kellemes 7végét! ![]()
Jobban jársz, ha a Brayterminalt használod.
Vesz természetesen csak a mezőkbe beállított darabszámú byte-ot várna, ezt be kell játszani amint már említettem...
Ha valami más a probléma úgy is "reklomálna"...
Halika
![]() Végre kaptam oan kártyát, melyet ismer és csipog is ![]() Ám kommunikáció nincs.... ![]() Lehet, hogy hülye kérdés, de szkóppal meg tudom nézni a soros porton van-e kommunikáció? Mert ráálltam, de nem látok semmit... Vagy hogy máshogy deríthetem ki? (elnézést kérek, ien mélyre még nem hatoltam hw vezérlésben..)
Sziasztok rs232 Guruk!
Nekem a következő problémám támadt: Adott két pic környezet (18f452 és 18f4520 + mindkettőnél max232). Van egy XP-s laptop amivel megy a Terminál tehát ír és olvas is. Adott 5+ asztali gép (többféle op. rendszerrel, 2000, Xp, linux) és egyik asztali géppel se tudunk normális soros kapcsolatot létesíteni. Az rs232 kábelezésileg ezeket hasznjuk rx, tx, gnd és a PC oldalon a 7-8 (RTS-CTS) van összekötve. Ötleteket várok miért nem megy asztali gépen a soros.(amúgy az asztali pc-s portok élnek mert ha összekötjük önmagára akkor visszajönnek a betűk, s az egér is megy róla) A Terminálban a soros beállításoknál 9600 baud és nincs átvitelvezérlés (próbálgattuk az átvitelvezérlést is állítani, de nem nagyon jött össze sehogyse) Előre is köszi a tippeket!
Azt nem írtad, mekkora távolságokat kellene áthidalni. 2 m-ig ennél a sebességnél szépen mennie kell, 4 - 5 m és afölött már lutri, vagy nem is megy.
Üdv.
Cpan-ról letöltött soros portot kezelő külső perl csomag (SerialPort-0.19) telepítésénél a perl csomagkezelője (ppm.bat) nem látja a letöltött csomagot, és a winapi csomagot sem. A csomagkezelő ablakban C:/Perl/lib-re van állítva az elérési út, ide vannak a csomagok kitömörítve. Egy rövid magyarázatra lenne szükségem, hogy mit kell pontosan hová bemásolni ahhoz, hogy a csomagot felismerje a csomagkezelő.
Üdv!
Igazából 2-3 méteren kellene mennie, de ha közvetlen az asztali gépnél van akkor sem megy ( <50 cm ). laptopról meg akár 3-5 méteren is stabilan megy, de csak a laptopról. :-s Tehát még mindig az a kérdés, hogy mi lehet a baj az asztali gépekkel miközben laptoppal jól megy. András>
Ezt eddig mindig fordítva láttam, vagyis ami asztalin ment, az laptopon nem. Ettől függetlenül, az ok valószínűleg ugyanaz, valamiért nem jók a soros vonali feszültség-szintek a MAX232-nek. Mekkora kondikkal raktad körül? Esetleg, ha nem titok, a környezetéről megnéznénk egy kapcsolási rajzot.
Helló!
Egyelőre próbanyákon van a kapcsolás, ha jól emlékszem akkor vagy 100nF vagy 1µF van a max232 mellett a tápelőállításban. A tápfesz szintek a maxon mérve: + - 8 Volt. Kondi értékeket nem tudom, most épp nincs nálam az áramkör, szombaton tudom megnézni. Szerinted mit érdemes a max mellé pakolni? 100nf/1µF (gyári pdf-ben 1µF volt) Üdv: Andás Idézet: „gyári pdf-ben 1ľF volt” Na most nem értem a kérdést, de ha netán 100n van benne, akkor talán a gyári értékeket javasolnám! :heureka:
Helló!
Annó több netes kapcsolásban is találkoztam azzal, hogy csak 100 nF volt betéve, a 8 Voltok így is létrejönnek a maxon. Sajnos nincs elöttem a panel, de már készül a normálisabb nyák, normálisabb áramkörrel. De ha 1 µF-val sem megy akkor András Idézet: „Annó több netes kapcsolásban is találkoztam azzal, hogy csak 100 nF volt betéve” Van olyan RS232 illesztő amibe 100n kell! Ezért kell az adatlap! És még annyit had tegyek hozzá, hogy amit a neten látsz, az nem feltétlenül jó! Idézet: „De ha 1 µF-val sem megy akkor” Azon a hídon majd akkor menjünk át... Megnyugtatásul mondom, hogy nekem még nem volt olyan, hogy ne ment volna elsőre, ha minden jól volt bekötve és a programok is rendben voltak.
Nem én voltam a marha.
Megnéztem, a max232 körül 1 µF tantál kondik vannak. Tipikus hardveres-szoftveres egymásra mutogatás volt. Mivel az áramkörök a laptoppal rendben mentek, elkezdtük cserélgetni az asztali géppel a kábeleket, comport beállításokat, terminál beállításokat. Végül a megoldás: a vezérlőnkbe lévő programnak ahhoz, hogy parancsokat tudjunk neki küldeni, kell egy "enter" tehát egy soremelés kocsivissza. Ha a Terminálban nincs bekapcsolva a sorvégek küldése soremeléssel, akkor semmilyen parancsot nem hajt végre a vezérlőnk, miután bekapcsoltuk ezt, a soros portos gondunk megoldódott.
Sziasztok.
Lenne egy nagyon buta kérdésem de nem igazán értek az elektronikához. Egy egyszerű hardverrel 3 bitnyi adatot kellene küldenem a soros portra. Meg tudnátok mondani nekem melyik lábra küldjem és hogyan az adatot és mekkora feszültséggel? Start bit stop bit? Hogyan kell kezdeni és lezárni a kommunikációt. Esetleg egy kép a láb kiosztásról ahol utána nézhetek.. Nem az adat kiolvasásával van gondom hanem, hogy hogyan tegyem rá. Előre is köszönöm! Üdv mindenkinek.
Először nézz szét a Google-val és a sok találat közül mazsolázz! :google:
Ha majd konkrétan nem értesz valamit, akkor kérdezz, mert mindenkinek tanulnia kell, ennyire ne egyszerűsítsük le a dolgunkat, hogy csak bedobjuk a kérdést és jön a válasz! Steve
látogass el ezen fórum következő topicjára itt egy példaprogi...
ehhez kéne egy egy segédprogi, ami szintén ott megtalálsz (úgyanis a win terminal nem szokott olyan kezes lenni) Az RScheck.exe fel van téve ide ez bevált... a bitet át kell alakítanod Byte-ra még ha rövid is... használj mikrokontrollert az említett topicban megtalálsz mindent, ha nem ismered, onnét meg is tanulhatod, anyagköltsége az egésznek 1000 alatt van... ha kell rajz azt is küldök, a PIC-et meg ha nem ismered égettesd be valakivel a progi ott van, vagy írd le pontosan mit akarsz és módosítom az szerint... RS példaRS progi
Köszönöm a választ!
Elhihetitek gugliztam eleget de aáltalában amit olvasok az nekem kínai. Rendszerinformatikus vagyok nem műszerész. Ha valaki tud segíteni azt megköszönném. A kövezkező hardverre lenne szügségem röviden: Van 10 vezetékem vagy 10 láb (nevezzük akárhogyan). Ha ráteszek (x?) voltot az első vezetékre akkor a soros porta küldje el pl: 00000001 Ha a második vezetékre (lábra) teszek x(?) voltot akkor küldje el a soros portra: 00000010 És így tovább... Erre szeretnék megoldást kérni a tisztel uraktól amennyiben lehetséges. Egy kapcsolási rajz a megevezett összetevőkkel ha ez nem okoz problémát. Ha valakinek kérdése lenne cisco 7200 vagy 6500 konfigokkal kapcsolatban akkor én is szívesen válaszolok.. Mert van hogy a google kevés..
Még annyit elfelejtettem hogy nem biztos hogy kellene start meg stop bit ha nem szükséges feltétlen. Csak ez a hardver lenne fixen a serial porton melyet folyamatosan olvasnék.
Ha van adat akkor feldolgozom ha nincs akkor nem. Üdv és előre is köszönöm!
Ezt én egy PIC-el, (vagy más általad ismert mikrovezérlővel) tudnám elképzelni nagyon egyszerűen, de sajnos azt fel kell programozni, így hiába rajzolom le, nem sokara mész vele!
általában itt sem műszerész sok fórumozó...
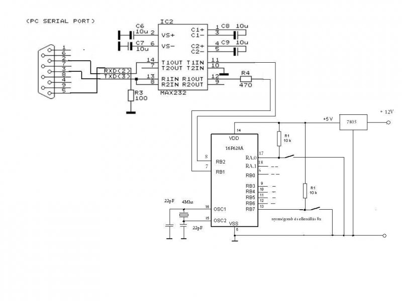
Mint, hogy informatikus sem... Szerintem innéttől kezdve, ha ezt megoldod, egy lépéssel közelebb leszel hozzá. Teszek fel egy rajzot, ezt egy un. próbanyákon (előre kifúrt "pöttyös" panel) megépíted, vagy megkérsz valakit. az IC-k nek tegyél foglalatot. A programot amit küldök (...hex) azt meg "beégetteted" valakivel akinek van programozó készüléke (ez egy egyszerű kis cucc) A már említett Rscheck exe progit (vagy a terminált ) elindítod és szépen byte-onként az éppen a lenyomott vagy bekapcsolt "drótvéged" sorszámának megfelelő értéket mutatja...(addig amig be van kapcsolva az adott kapcsoló...A portsebesség 9600... Ennél egyszerűbb megoldást nem igen tudok javasolni... RS-monitor
Nagyon nagyon köszönöm!
Megpróbálkozom vele! Üdv:2G
Igazán respektálható, hogy megírtad, megérdemelnél az 50 ponton kívül is többet, de a pontokat mindenképpen! Gondolom ha olvassa egy moditársunk,
majd eldönti!
Hali!
Akár 100 pontot is érdemel! Nem győzöm megköszönni ezt a nagyvonalú hozzáállást!! Közben próbálom beleásni magam a témába, lezöltögettem a progikat, a parsicot is. Beszerzem a szügséges alkatrészeket és megépítem a kapot instrukciók alapján. Előre szeretnék elnézést kérni, nem szeretnék visszaélni a jóindulatoddal dcsabi de szügségem lenne még egy hasonló megoldásra. Szintén Pic es dolog. (ez az utolsó lépés hogy megvalósítsam a tervem) A feladat az lenne hogy egy olyan PIC kellene nekem ami úgy működik mint egy stopper óra. A géppel küldök neki egy jelet, akkor elindul, majd egy másik lábára érkező külső jel hatására leáll, az addíg tárolt adatoka pedig a soros portra küldi. Elküld egy saját előre megadott azonosítót majd egy perc,másodperc,századmásodperc adatot és ujraindítja a számlálást. Van még egy kérdés: Több ilyen pic lenne egymás után ugyan azon az adat buszon, ha egyszerre szeretnének adatot küldeni akkor van e bennük valami ütközést kezelő protokoll? megvárja e az egyik a másikat amiíg az adatot küld vagy azt egy külön multipexerrel kell kezelnem? Nagyon megköszönném a segítséget mert gyors megoldás kellene. Még fizetni is hajlandó vagyok érte. Mégegyszer ezer köszönet az előző megoldásért!!Üdv:2G
lehet egy címet adni minden PIC-es "szolgának" és csak arra regál...( ezt már kipróbáltam, müködik)
Csak ne legyenek messze a PC-től 30-40m még biztonságos... a Byte küldős nyomógombos progi bemenetek a rajzolt módon invertáltként értelmezendők és a progit módosítottam ez szerint, ha beégeted ezt égestd... A másik is müködik, csak az értékek negálva lesznek , kipróbálhatod azt is...
Nagyon köszönöm!!!
A fentebb említett kérdésemre szerinted van megoldás? Üdv:2G |
Bejelentkezés
Hirdetés |







Mert van hogy a google kevés..






