Fórum témák
» Több friss téma |
Fórum » Sprint-Layout NYÁK-tervező
Alkotó fórumtárs Sprint Layout 6 leírása: sp6_alkoto.pdf
Ez a ground plane. Ahol a rétegeket váltod (bal alsó sarok), a mellet közvetlen jobbra lehet be/ki kapcsolni. a ground plane funkciót.
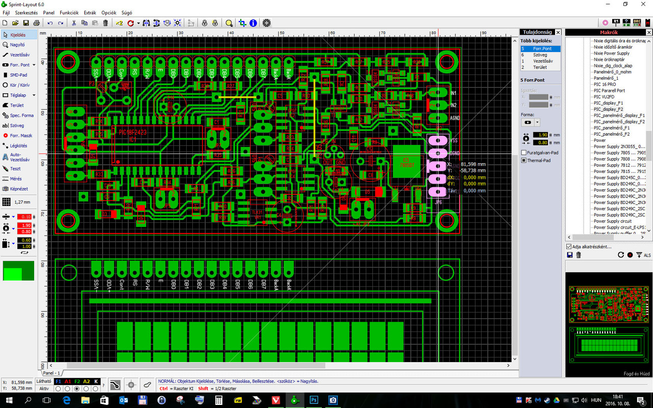
Sziasztok.
Segítségeteket szeretném kérni. Eddig ExpressPCB nyáktervezőt használtam, főleg az egyszerűsége miatt. Próbálok átállnia Layout tervezőre, de nem találok benne egy nagyon hasznos funkciót. Egy vezeték egyik végét rögzítem a másikat pedig mozgatom tetszés szerint. Érthetőség kedvéért mellékelek egy képet is: Előre is köszi a segítséget. ![]() Üdv. A hozzászólás módosítva: Okt 8, 2016
Alul van egy gomb, egy körtére emlékeztető valami van rajta. Ha azt benyomod az alkatrésszel együtt viszi a vezetősávot, ha erre gondolsz.
Melyik verziót használod, mert erre csak a 6.x-ben van lehetőség
Az ötöst és egy négyes magyar verziót. Már szedem is le a hatos kiadást.
![]() Köszi a segítséget. Idézet: Mármint a demo-t, hogy utána megvásárold az eredetit, ugye? „Már szedem is le a hatos kiadást.”
Pl. van egy IC-d, rajzolsz egy vonalat, ahol lenne a kiinduló pont.
Utánna rákattintasz a rajzolt vonalra, megfogod a végét (feketére változik a nyíl vége) és oda illeszted, ahova akarod. Vagy összekötöd a két alkatrészt, utána megfogod az egyiket, és oda teszed, ahova akarod. A hozzászólás módosítva: Okt 8, 2016
Az ok.
Én az IC-t vagy mondjuk egy tömböt szeretném arrébb vinni és a vonal másik vége maradjon a helyén. Főleg akkor ha az már kötve van egy másik alkatrészhez. Főleg akkor érdekes ha egy nagyobb majdnem kész munkánál szeretnénk egy kis helyet csinálni vagy igazgatni.
Bocs. Először csak az első kettő kép jelent meg.
Tessék
Erről beszéltünk mi is, de ezt csak a 6-os tudja.
régebbi verziót nem ismerem.
Ez az
![]() Látom valami komoly dolog terveződik...
Csak egy PIC-es panelmérő ...
ez így nem igaz teljesen, ha lenn azt a "körtét" piros kereszt is jelöli, akkor a vezetéket nem viszi magával, ha kikapcsolod, csak a körte körvonala van akkor viszi, sőt érzékenységet is lehet állítani, ha kicsi a körte, az érzékenység kicsi, ha nagyobb, akkor nagyobb az érzékenység
Sziasztok!
Lehet exprotálni a programmal grebert, és külőnböző marás - fúráspálya formátumokat. Mi olvassa azokat? Milyen program kell még hozzá, hogy NC fájl legyen? Belülről úgynéz ki, mint egy G kód, de nagyon nagyok az értékek, és mach3 sem ismeri. Cad, rhino sem ismeri.
Üdv!
Olyan gondom akadt, hogy tegnap este óta nem tudom használni a Magyarra frissített verziót.Folyamatosan frissítést kér.Már 2-szer töröltem a gépről teljesen.Újratelepítés után se javult meg.Ilyenkor mit lehet tenni??? Szép napot Win7 rendszer van a gépemen.
c:\Users\Public\Documents\Layout60\
Csak a MAKROS mappát hagyd meg, a többit töröld, telepítsd újra. A Magyarra frissítésél mindenképpen vásárolt licence kell, ha nincs egy speciális Layout60_hu.exe fileod. Az c:\Program Files (x86)\Sprint-Layout60\ mappából meg töröld az AutoUpdate_hu file-t.
nekem a "Google" a barátom ...
nehezedre esik beírni a keresőbe: "gerber file megnyitása" "hogyan lehet megnyitni az nc file-t" A hozzászólás módosítva: Okt 9, 2016
MIndegyik export fájl marásra képtelen. Googlitam, de mit tegyek, ha ennyire "fussa".
A kérdés azvolt, milyen program kell a sprint után, ami kezeli ezeket az exportokat. Bocs, hogy kérdeztem. A hozzászólás módosítva: Okt 9, 2016
Importálni lehet gerber file-t ugyanezzel a programmal (Sprint Layout).
Exportálni lehet "marás" file-t. megnyitni pedig hasonlóan keresd meg a google-n hogy mivel lehet.
Bővebben: Link
A hozzászólás módosítva: Okt 9, 2016
Szia!
Akkor se lehet elindítani, ha kitörlöm a frissítés parancsot.Ahogy rákattintok a magyar indítóparancsra egyből frissülni akar.Megjelenik az update parancs.
Már megbocsáss! Ezért Q-ára kár volt billentyűt ragadnod. Ez volt a felesleges válasz.
Kb. ezt vártam.
Hogy Te is megértsd. A kérdés az volt, Hogyan lehet a SL által exportált fájlból, a Mach 3 számára érthető G kódot generálni?
és melyik volt a rossz válaszom?
A "nagy éretékek"-re jó eséllyel megoldást jelent, ha beleképzeled a tizedes vesszőt. Akár mm, akár inc egységben generálod a fájlokat, be tudod állítani a tizedesek számát. Ha ezt a nagy értékekre "rávetíted", akkor már barátságos adatokat fogsz kapni.
A gond, hogy egy olyan barátomhoz vittem a komplett terveket - programmal együtt, aki ért ehhez. Egy programja nemvolt ami kezeli ezeket a formátumokat. Archicadet használ, és ebből keresi a kenyerét. Lehet más "előtétek kellenének. Ezért kérdeztelek titeket. Hátha van a sprintnek kiegészitése.
G kódba milliós X;Y eltérések voltak. Biztosan nemis Gkód, csak hajaz rá. Átolvasom A hozzászólás módosítva: Okt 9, 2016
|
Bejelentkezés
Hirdetés |














