Fórum témák
» Több friss téma |
Üdvözletem mindenkinek!
Lehet, hogy rossz a topic...de lenne egy kérdésem. Vettem pár napja egy 2001-es 3 ajtós swiftet. Kidobtam belőle a kazettás magnót. Megcsináltam az átalakítót az iso csatihoz. Bekötöttem mindent ahogy kell...Minden rendben ment egészen addig amíg el nem jutottam addig, hogy beszereljem a hátsó hangszórókat. Ugyanis nem találom a hangszórók kábeleit...pedig a műszerfalban még ki van vezetve. Valaki megtudná nekem mondani, hogy hol vannak elvezetve a kábelek, csak, hogy ne kelljen mindent darabokra szedni érte? ![]() Köszönet előre is!
Sziasztok!
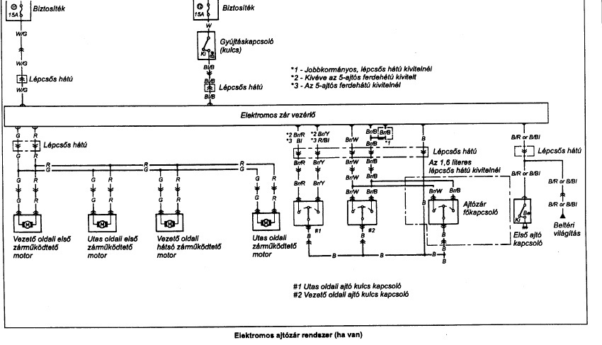
Van egy '99-es Sedan GLX-em gyári elektromos központi zár rendszerrel. Vettem hozzá egy vezeték nélküli vezérlőt amit szeretnék a vezérlőre rákötni. A vezérlő úgy működik, hogy két öt eres és 2 két eres motort kezel, de én a nyitó/záró jelet szeretném a gyári vezérlő gomb lábaira rákötni. Feltéve ha ez lehetséges. Ha nem, akkor a kimenő kábeleket kötném rá a gyári korbácsra. Ha nincs más, attól nem zárkózom el, hogy kiegészítő áramkört forrasszak, de nem akarom szétkaszabolni a gyári kábelkorbácsot. A rádiós elektronika 5 eres része két, motorhoz való tápkábelt (polaritásos) és két vezérlőjelkábelt (polaritásos), és egy földet tartalmaz (úgy sejtem a vezérlőjelekhez) Előre is köszönöm a segítséget!
Örömmel jelentem, hogy megtaláltam a kábeleket....bár azt hozzáteszem, hogy nem keveset * vele, hogy azt nagyon vékony műanyagot el ne törjem. Egyébként nem a tornyoknál volt...gondolom valaki már piszkálta mert a hátsó ülés mellett találtam meg a kárpit alatt a kasztniban....
De azért köszönöm a tippet! Hasznos volt! A hozzászólás módosítva: Jún 14, 2013
Szia!
Ez egy igen jó kérdés...nekem is kellene valamit alkotnom a 3 ajtósba. Csak a két elsőhöz. A motor bent van...és elektronikám is van két fajta. Egy riasztós patrol line...amiről lövésem sincsen, hogy hová miért és hogyan. Illetve van egy olyan amin csak 4 vezeték van. +-12v be és +-12v ki. egy ilyennel egyszerűbb lenne megoldani szerintem, ha közvetlen a bal első zár áramát tudnád kapcsolni. Bár lehet, hogy nem jól gondolom. Mert elméletileg, ha azt az ajtót nyitod nyílik az összes többi. Viszont ennek az a hátul ütője, hogy ha valami elcsesződik a távirányítóval akkor csak egyesével tudod nyitni. Legalább is azt hiszem... De erre tényleg jó lenne egy hasznos ötlet! ![]() Amit vettél zárat nem adtak hozzá egy huzalozási rajzot? Mert ha igen akkor elméletileg az alapján gyerekjáték a bekötés.
Szia!
Adtak hozzá, azzal tényleg egyszerű bekötni, de az volt az eredeti tervem, hogy a gyári kábelezésen megy, úgy, hogy a nyitó és a záró jel rá lenne kötve a gyári vezérlőre, mintha a bal első kárpiton nyomogatnám a központi zár gombját. Na de a gyári kapcsolás olyan irgalmatlanul keszekusza, hogy nem sikerült rákötni, és ezért írtam, hátha itt már valaki csinált valami hasonlót, vagy jobban érti a gyári vezérlő működését és tudja, hogy mely lábakra kell ráállni. A hozzászólás módosítva: Jún 15, 2013
Sziasztok!
Tudna nekem segíteni valaki? 94-es Swift 1.3-ba szeretnék beépíteni klímát. Ahogy nézegettem az eladó klíma szetteket a neten, nagyjából megtaláltam mindennek a helyét a motortérben. De! A klíma hőcserélőt, hova, és hogyan kell beszerelni az utastérbe? Mi vezérli a klímát, hova kell csatlakoznom? A kompresszor felfogatásában sem vagyok biztos. Mikre kell odafigyelnem, ha vásárolok egy klíma szettet, miknek kell meglenni? Nézegettem már javítási kézikönyveket is, semmi sincs a klímáról.
Feltettem a központi zár gyári rajzát. Remélem ez alapján sikerül megoldanod.
Sok sikert! A hozzászólás módosítva: Jún 27, 2013
Szerintem ne fogj neki otthon, vidd klímáshoz. A klíma nem az a berendezés, amit kiveszünk az egyik autóból és átteszünk egy másikba. Persze nem lehetetlen, de a gázfeltöltéshez már célberendezések kellenek.
Sziasztok!
Olyan megfejthetetlen problémával találkoztam ami nem mindennapi.Van egy 2001-es Suzuki Swift 1.3-as Sedanom,rángat az autó ha fékre lépek a fordulatszám leesik 400-500-ra,ez még semmi az üzemanyag fogyasztásom 10-12 liter lett úgy,hogy ki lett benne cserélve:gyertya,motorvezérlő,benzinpumpa,MAP szenzor,hidegen-melegen indító. Számomra érthetetlen mindez, mivel jóformán ki lett cserélve minden ami a hibát megszüntetné. Légyszi valaki aki találkozott már ilyennel,vagy hasonló problémával kérlek osszátok meg ha van rá megoldás,vagy irjatok priviben a milan1@citromail.hu-ra.Köszönöm előre is! Üdv:Milan
Lambda szonda van az autóban?
Az enyémben van, és nekem ez okozta a magas fogyasztást és a megtorpanásokat. Nem mindig jelez a komputer meghibásodást nála, de attól még lehet rossz. U.i.: Még megnézném a motor hőfok jeladót is, az is tud érdekes dolgokat művelni. A hozzászólás módosítva: Júl 1, 2013
Szerintem van, az autó katalizátoros a hibakód kiolvasó az autóval nem is kommunikál.Ja és a kipufogó dobba meg valami zörög.
Idézet: Nem lehet hogy a kuplungoddal van valami baj? (nem old a tengelykapcsoló) „Sedanom,rángat az autó ha fékre lépek a fordulatszám leesik 400-500-ra,ez még semmi az üzemanyag fogyasztásom 10-12 liter lett”
Sziasztok!
Ezt a kp.zár vezérlőt hogyan kell bekötni?(suzuki swift lépcsős hátú 2000körüli gyártás) http://coolautoo.hu/kozponti-zar-vezerlok/3089-univerzalis-tavirany...o.html Üdv Köszi a segítséget
Szia! Ott van mellette a letölthető bekötési útmutató.
Sajnos a színek nem passzolnak és nem akarom kinyírni az elektronikát elsőre
![]() Esetleg van konkrét tipped? A hozzászólás módosítva: Aug 14, 2013
Gépjármű villamossági szerelő.
5000-ért berakják A hozzászólás módosítva: Aug 14, 2013
Nem lenne nagy kaland ,ha tudnám a színeket ,hogy melyik mi lehet.
Ma este próbálkozom még
Javítási kézikönyv 162-164 oldalog részletesen le van írva és rajzolva.
Bekötöttem de nem csinálja a dolgát.
Központ ---- Kocsi (így kötöttem be) Zöld--- Zöld szürke négyzetes jelekkel Kék---Piros-szürke négyzetes jelekkel Barna---Barna fekete csíkos Fehér---Barna-fehér csíkos Fekete--Test Piros---+12V Szóval megkerestem a tápot aztán ugye fekete volt a test.. A zöld és kék vezetéknélküli központ vezetékeket egy helyen rákötöttem a kocsiban lévő Piros-szürke négyzetes jelekkel és a Zöld szürke négyzetes jelekkel vezetékekre. Azért csak egy helyen mert elvileg összesípolnak a vezetékek ahogy mértem.(a 4 motor egyszerre zár vagy nyit) Ezek után bekapcsoltam és megnyomtam a gombot a távirányítón. Azt hallottam hogy a kis központban kattan 4szer kattan a relé de nem történik más. Zöldet kéket megcseréltem kék zöldre--->semmi javulás Aztán a barna fehérrel is ugyanezt csináltam akkor sem javult meg. Szerintetek mi lehet a hiba? Köszi a segítséget
Közben észrevettem azt is hogy vészvillogó nem jó.Ennek mi lehet a baja.
Annyit kiderítettem hogy index van, ha nincs benyomva a kapcsoló,ha benyomom akkor viszont nem megy a vészvillogó. Mi lehet ennek is a baja?(biztosítékok jók az utas fülkében és a motor térben is) Köszi szépen a választ A hozzászólás módosítva: Aug 15, 2013
Szia! Van egy 96-os sedan suzukim, és az ajtókapcsolók nem működnek,a vezetőoldalit kivéve. Egyvezetékes ajtókapcsolók és elvileg azok jók!Először az egyik nem működött, majd a másik, most már a harmadik sem. Valami ötlet esetleg! Köszi!
Sziasztok!
Esetleg valaki tudna segíteni hogy pontosan, hogyan is működik ez az elakadásjelző a swift-ben? Mert múltkor volt vészvillogó most megint nincs. (lehet csinálni kellene inkább egyet) Köszi előre is Üdv A hozzászólás módosítva: Aug 21, 2013
Sziasztok!
Vettem ma egy fejegységet 2001-es Swiftbe, kipróbáltam egy régi akkumulátorról, amivel már nem indul a kocsi, rendesen működik, erősítőt rákötöttem, szól szépen. Viszont ha rádugom az autóban a csatlakozót, nem kapcsol be, még az óra se jelenik meg rajta készenléti módban. Az az érdekes, hogy az ISO csatlakozóra rámértem (a testet az antennáról vettem le), és üresen rajta van a 12V, de ha rádugom a lejátszót, leesik 1.7V-ra. Mivel egyébként működik, csak arra tudok gondolni, hogy az autóban van a hiba, de nem jövök rá, hogy hol. Minden biztosíték rendben van. Van valakinek valami ötlete, esetleg valaki találkozott már ilyennel? Előre is köszönöm a segítséget!
Szia!
A biztosítékod, illetve a kötéseket át kellene nézni, illetve vedd ki az akksit, majd mérd meg az ISO csatin a táp és az akksi + csatija közötti ellenállást. Ha ez nem 0 (vagy max pár tized) ohm, akkor ott lesz a baj. Remélem tudtam segíteni. Misi
Sziasztok!
Egy kis segítségre lenne szükségem. 1999-es SUZUKI SWIFT SEDAN jobb oldali távolsági fénye nem működik csak a tompított. Az izzó jó, a biztosítékok jók, a relét hallom az utastérben, hogy kattan, de nem találom. Meg tudná mondani nekem valaki, hogy merre kellene lennie? A választ előre is köszönöm!!!
Hogy lehet szét szedni a swift műszer részét ahol a kilóméter/fordulatszám mérő is van? Ki éget benne égők és most sötétbe nem látni a kilóméter óra egyik felét. Köszi!
Üdvözletem mindenkinek!
Kb. egy hónapja kiégett az egyik műszerfal izzóm ami eszméletlen zavaró volt, így arra gondoltam, hogy akkor "beLEDesítem". Rendektem is neten pár darab T10-es 5 SMD LED "izzó"-t. Ki is cseréltem hatalmas szentségelések közepette és kb. egy hónapig működött is simán, gond nélkül. Mostanság pedig a következő a jelenség: Amikor beindítom az autót és felkapcsolom a világítást minden okés de egy 10-15 perc után elkezdenek vibrálni a ledek...azt elhalványulás és kikapcsolás. Na most az érdekes az az, hogy ezek ugye 5-5 SMD LEDből vannak összerakva, amik egyesével alszanak ki. De most jön a fordulat. Villany lekapcs...10 perc után vissza és megint jó. Nem értem mi lehet a gond...Áramkorlát probléma? Vagy túlmelegszik? konkrétan ez a kettő jut eszembe. Bár ehhez hozzá teszem, hogy helyzetjelzőben is LED-ek vannak...sőt az órában is, és azok nem csinálják. Csak az a három ami az órákat világítja meg. Ha valaki járt már így kérem segítsen. Köszönöm ![]() Csatoltam képeket. Am. szerintem királyul néz ki nem vakít, nem is halvány. Pont jó a fénye, csak ne szórakozna.
sziasztok!
Következő lenne a problémám,97-es 1.0-es swift műszerfalon a hőfok visszajelző mutató menet közben gázadástól függően felmegy max jelzés fölé majd ha megállok normál helyzetbe kerül,később betársult az üzemanyag szint jelző is. Hőfok mérő gomba cserélve ,műszerfal kiszerelés után csatlakozók kontakt spray-vel megtisztítva,csatlakozók megmozgatva.tudnátok segíteni? |
Bejelentkezés
Hirdetés |





Holnap meg is nézem




