Fórum témák
» Több friss téma |
Üdv! Olyan problémám lenne, hogy ma olcsón hozzájutottam egy Commodore C64 PC-hez. Tápegységere rámértem , a feszültségek 12v és 5v. Amikor a tv-hez csatlakoztatom hiába keresem bármely sávban (uhf, vf3 stb.) nem találja. A led se világít, rámértem és csak a lednek 1.8v jut. 1-2 IC melegszik, és nem tudom, hogy jó-e egyáltalán. Más a csomagban nem volt csak a tápegysége és az alapkonzol. Ha valaki tudna segíteni ebben a témában megköszönném!
Szia!
Rákerestem a gugliban, kiadott egy oldalt, ahol szerviz könyvecske is van. Elég részletes, szerintem onnan el lehet indulni. C64 service manual Remélem segítettem
Gyakorlatilag ha rossz akkor ezek az IC-k lehetnek rosszak
U4 (KERNAL ROM), U17 (PLA) U7 (6510 MPU), U3 (ROM) U8 (7406 IC), U19 (VIC II) U9-U12 (4164 RAM) U21-U24 (4164 RAM) BT2, CR4, VR1
Előszöris... milyen verziójú az alaplap? Még a régi nagy alaplap, vagy az új kicsi van benne? (Azokból is van többféle, de nem olyan nagyok a különbségek.)
Érdemes alapvető hibakeresést végezni, pl. hogy csak kép nincs, vagy nem is fut a BASIC interpreter. Ezt vakon begépelt parancsokkal (LOAD, POKE, stb.) a legegyszerűbb ellenőrizni. A váltó 9V is megvan?
Csináltam róla pár képet. Nekem még nem volt sohasem Commodorom, úgyhogy nem tudom, hogy nagy vagy kicsit az alaplap, szerintem a képekből ki lehet deríteni. Ha beírom, hogy LOAD, akkor mit kellene neki produkálnia, ha nincs is rá csatlakoztatva semmilyen adathordozó? A gépet 1987-ben gyártották. Hátulján az áll, hogy C64C (gondolom classic?). Feszültségeket mindjárt mérek.
Igen megvan az egyen 12v és 5v is és a váltó 9 volt is.
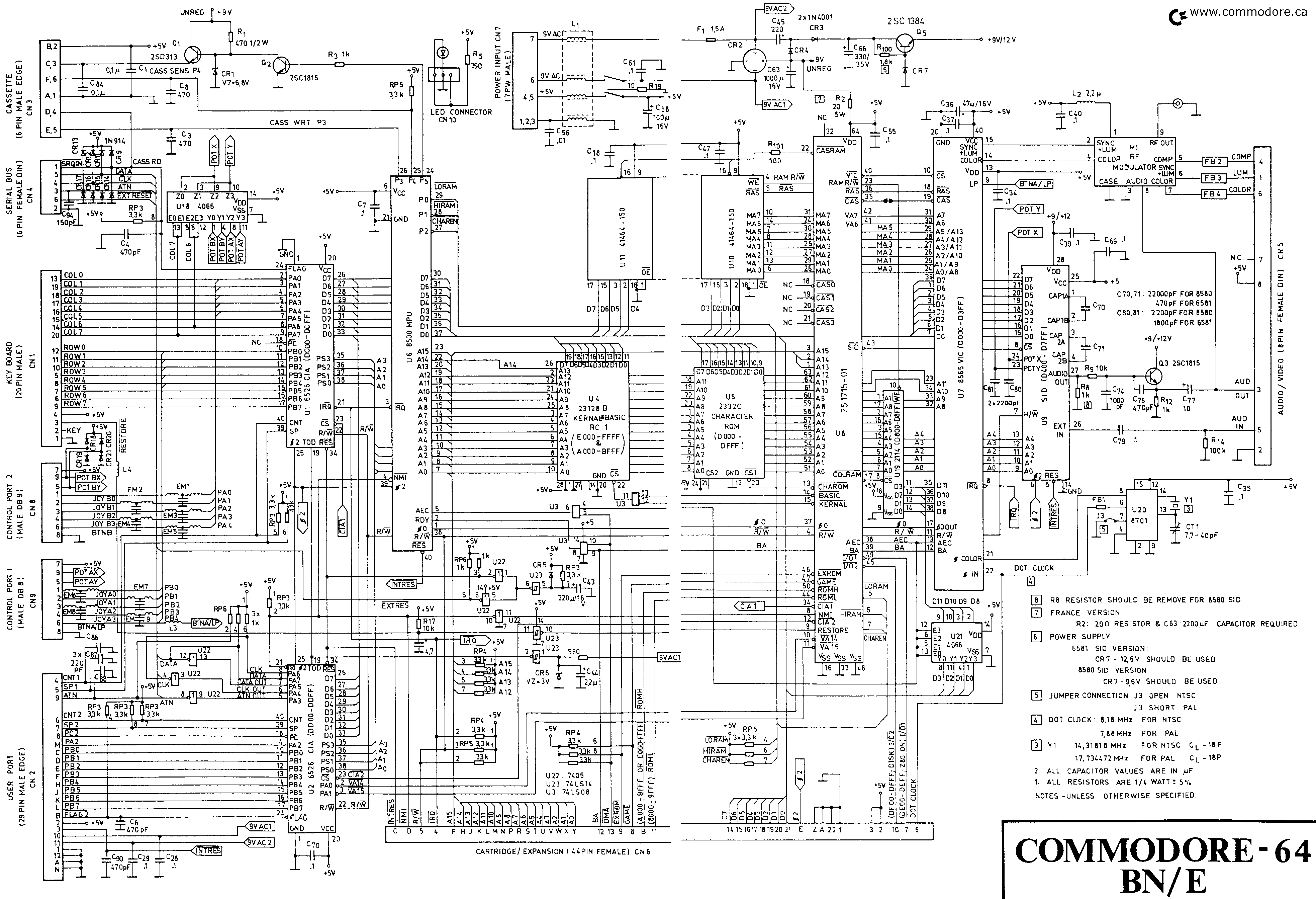
Ez egy C64C, vagyis az újabb modell az újabb alaplappal. Mellékelek kapcsrajzot.
A gép csak +5V-ot és ~9V-ot (két vezetéken) kap. Mérd meg a feszültségeket az alaplapon is! Ha nem stimmelnek mérd meg hogy nincs-e zárlat a tápvonalakon. Ha a feszültségek rendben vannak, akkor bekapcs után írd be a POKE1,0 parancsot; erre a Kazetta port 3. lábán kb. 6V-nak kell megjelenni, ha fut (futott) a Basic interpreter. (A parancs hatására a gép lefagy, így ki/be kapcs kell majd.) A LED csati középső és két szélső tüskéje között egyébként kb. 5V-nak kellene lenni ha nincs rádugva a LED vezetéke.
Hoppá! Most vettem észre! Miféle tápod van? Szerintem ez nem hozzá való!
A testtüskének (0V) alul kellene lennie, így viszont a +5V és a 0V záródik! Másrészt hogy mértél te +12V-ot rajta? (A tüskéknek nem szimmetrikusan kell elhelyezkedniük.) Csinálnál egy képet a tápegység feliratáról?
Ez a táp talán a floppy meghajtóhoz való. A C nem a gyártás helyére utal? Nekem van egy C64G és egy C. A c kínai a g német.
Nem hiszem hogy csupán a gyártás helyére utal a betű, inkább a revizióra vagy variánsra. Egyébként Japánban, Hongkongban és az NSZK-ban gyártották őket.
Egy kép az én C64-II gépem (C64C) tápjáról; látható hogy máshol van rajta az egyik tüske.
A gyártási hely Hong Kong, de nem baj az a tápról is készítettem a 2-es din (ground) és a 4-es pin között van 12v, rá is van írva a tápra, na nemár, hogy csak ennyi baja van....remélem nem nyírtam ki vele, mert gyárilag egy 250v-os 5A-es bizti van az alapgépben, pedig sehol nincs ott 250v
Igen meg is találtam ez egy floppy meghajtónak a tápegysége márcsak új tápot kell építenem valahogy... remélem nem lett baja. Ráadásul ez egy Amiga-é. Valaki tudna nekem egy pontos pin beállítás mellékelni mellé, mert megépítem akkor most.
Ez egy amerikai szabványú, 120V-ra készült C64 táp rajza, és a csatlakozó kiosztása, kiindulásnak jó lehet.
Pontosan ezt kerestem, csak nem találtam köszönöm szépen!! Szerinted károsodott a Commodorom?
Hát, azt nem tudom, meg kéne nézi, hogy azok a tüskék amiken az Amiga táp feszt adott, melyik tüskére estek a C=64-en. Itt egy alaplap sematikus ábra, megnézheted, hogy mibe vezette bele pl. a 12V-ot és hasonlók.
Kicsit off: a C64 nem PC vagyis personal computer hanem HC vagyis home computer. Bocsi, nem tudtam megállni...
Bocs énse tudom megállni, de ezen ez áll, hogy personal computer....
Hát ez szívás...
Akkor lehet, hogy a korabeli szakirodalmak azért HC-zték le mint a többi kisgépet, hogy megkülönböztessék a Commodore PC-től...? Ami egy valódi 4.77MHz-es XT PC volt, olyasmi mint az Intel gépe. A kérdés akkor adott: mibe vezetted bele a 12V-ot?
Nem vezetem semmibe már neki is keztem egy olyan trafó gyártásba ami szimmetrikus, 9v-ot ad le váltóba, majd 5 voltos stabkockával leviszem 5v-ra a 9v-ot és előtte egyenirányítom a másik oldalt. még 10 perc és kész is mondom az eredményeket
Ööö... az első hozzászólásodból azt vettem ki, hogy már csatlakoztattad az Amiga tápot valahogy a C64-hez, félreértettem volna? Mert ha volt benne, akkor a 12V valahová bement...
És igen igen, világít a piros led mindenkinek nagyon köszönöm, hálás vagyok márcsak az a kérdés, hogy meg tudom-e jeleníteni a tv-n mégegyszer mindenkinek köszönöm szépen a segítségét!!
Emlékeim szerint UHF 36-os csatorna, koaxon keresztül.
Még csak vezetékelés volt, de még nem sikerült megtalálnom ezidáig, az 5v-os stabkocka forró lett, majd kap holnap egy hűtőbordát, és szerintem a 9 voltos ac oldalhoz pedig kicsi a trafó, mert berezeg meg hangos tőle holnap majd eszkábálok egy rendes trafót, és majd értesítem az oldalt, megyek elteszem magam holnapra.
Ha már így belejöttél az építésbe: C64 A/V - Euroscart csatlakozó.
Néztem én is, de mivel valószínűleg junoszty tv-vel fog működni ezért nincs szükségem rá.
Egyszerűbb vele tesztelni, vagy van kép vagy nincs. A koaxon meg nem tudod, hogy nem működik vagy csak nem találtad meg.
Ja! Vizornak igaza van; sokkal egyszerűbb ha Composit vagy S-video csatival próbálod, mert úgy nem kell keresgélni a csatornát, ráadásul minőségileg is jobb. Könnyü hozzá kábelt csinálni.
Hát megpróbáltam a video részt bekötni, nem sikerült,de nem baj, sikerült működésre bírnom koaxon keresztül és tényleg ott van az uhf 36-os csatornája körül. Minden funkció működik, előjött a kék kép szóval rendbe van. Egyébként mit lehet kezdeni csak az alapgéppel?
A 250V nem azért szerepel ott, mert van is akkora fesz. Az alkalmazott wittman betét 250V/5A típusú. Azért, mert ez csereszabatos, univerzális, könnyen beszerezhető, olcsó, stb..
Egy picivel többet, mint egy háttértár nélküli PC-vel.
Bekapcsolás után egyből fut a Basic interpreter, így alapból kiadhatsz neki Basic utasításokat, vagy írhatsz és futtathatsz kisebb Basic programokat. (...Vagy ha fanatikus vagy akár gépikódut is, amit POKE utasításokkal viszel be a memóriába.) Háttértár nélkül egy számítógép sem túlzottan használható. Sem betölteni nem tudsz, sem elmenteni. Mindenképp ajánlott hozzá egy hajlékonylemez-meghajtó vagy egy kazettás egység. Esetleg szerzel hozzá valamilyen játékkártyát (cartridge), amit az Expasion portba dugsz, és játszhatsz vele. (...bár többnyire joystickre is szükség van az irányításhoz.)
Van egy módszer amivel PC hangkártyáról úgy lehet betölteni programokat, mintha kazettáról töltötted volna be. Mondjuk elég lassú, van olyan is ami a floppy meghajtót emulálja, sajnos az csak DOS alól megy. Floppy elmulátor. Program, amellyel a PRG fájlokat hangfájllá alakíthatod. A PC hangkártyája és a C64 kazettaportja közé kötendő jelformáló ák. A játékhoz lehet akár joystickot is építeni:Kapcs. rajz.
|
Bejelentkezés
Hirdetés |













Akkor lehet, hogy a korabeli szakirodalmak azért HC-zték le mint a többi kisgépet, hogy megkülönböztessék a Commodore PC-től...? Ami egy valódi 4.77MHz-es XT PC volt, olyasmi mint az Intel gépe. 