Fórum témák
» Több friss téma |
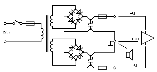
Akkor ez csak valami kreálmány?Csak beleakadtam a neten,gondoltam megosztom Veletek!
Tiszteletem
A kiindulopontja ennek az erositonek az a Quad 405-os,csak a valtoztatasok miatt mar nem Quad 405-os. Nem is szol rosszul. Minden jot
Ez egy alaposan agyonmodolt Quad. El is teszem a többi közé a gyűjteménybe.
Akkor ez még akár jol is szólhat?Miért van kétféle tápja?
Ismered?
Mivel FET-es, csak mod lehet.
Amit tudni érdemes róla, hogy nagyobb árammal dolgozik (elméletileg), mint az eredeti Quad, és a hangja is más... Olyan FET-es.
Gondolom a jobb kivezérelhetőség miatt van a kétféle táp. Ha engem kérdezel szerintem borzalmas hangja lehet, de ez akkor derül csak ki ha megépíted (a ma kapható audió célra gyártott fetek tekintetében ez nem lesz olcsó, IRF és társai itt nem játszik). Az 1k-s gate ellenállás szerintem sok, ott max. 47-100 ohm lehetne. Aztán a nyugalmi áramot sem stabilizálja semmi, és áramkorlát sincs benne.
Egy román oldalon talátam a kapcsolást,gyártják és árulják is egy bemért készre szerelt ilyen panelért cirka 120 ezer forintnyi eurót kérnek,ha jól láttam!Olyan rizsával vezeti be a pali hogy korábban ő is csinált quadot,de hát ez jobb!Azért tudjátok én hűséges maradok a jó kis quadomhoz,nagyon szépen szól,mos is azt hallgatom,állat jó!
Üdv:Gabesz
Szia tudsz adni nekem egy linket, engem érdekelne, meg nézném azt az oldalt. Köszi.
A link:http://www.vicol-audio.ro/quasar.php
Na hát annyit biztosan nem ér.
Ez úgy néz ki, hogy 4db 3773-as dolgozik benne, és ahogy írod, 8ohm 200w, 4ohmnál elvileg korlátoz, de igazából nem is 4-re van szánva, ilyen irányú teszteket nem is végeztem, 8ohmos PA hangfalakhoz készült, egy kis klubba, +-70v, 600VA és 2*17.000 kondi. Szerintem jó hangja van nagyon. Készült egy 100w-os is, hát ez keresztbe hosszába lenyeli. ITT találsz képeket róla.
Sziasztok, ha valaki olvassa egy gyors valasz kene.
Amikor egy kettos tapot ado trafot egyeniranyitok szurke femkulseju graetz hidakkal (2 vel) akkor ezek osszeerhetnek mukodesuk kozben?
Szia!
Mármint a házuk? Igen, összeérhet, mert az el van szigetelve a diódáktól, de ezt egy multiméter segítségével magad is ellenőrizheted.
Koszi, nem volt kedvem meresi hiba miatti karhoz.
A parhuzamos kondik miatt ilyen rendszerben leht valmi problemam?
Jól kell bekötni mindent és akkor nem lesz problémád. De ha van egy rajzod erről a megoldásodról, akkor mutasd azt meg.
Azota megmertem jo, csak mindig annyira felek attol nehogy ramrobbanjanak.
Mondjuk azt hallani leht azonnal atrafon ha valami nem ok. Most felteszk csakazert is egy olyan rajzot, hogy azt gyakorlatilag azonnal torolni kene az izles sulyos megsertese cimen. Osszepainteztem, mert vissza akarok menni, hogy bekossem a veget es meghallgassam az astabil tapomtol kaphato egyoldalu egyenfeszt. Nemtudtam maskeppen bekotni, mert a mar elhelyezett dolgok rogzitve vannak. Az a poen, hogy azert kotottem at kozosfoldesbol, hogy ne bugjon annyit se mint esetleg. Es azert is, hogy megnezzem mit hagytam ki eveken at. Halvanyan emlekszem, hogy mindenki aki a kozepfoldet nekem mondta azt is elkohintette, hogy van jobb is. Na nezzuk.
Ezt probalom megvalositani csak 2 kondival.
Erdekes, hogy szol halkan de csak szaggatottan.
Helló mindenkinek. Lenne egy olyan kérdésem, hogy van-e valakinek birtokában olyan QUAD kapcsolás ami nem IC-vel van megoldva. Hallottam már tranyósat is és IC-set is és hát a tranyósnak lelke van, egyszerűen él.
Az az igazság, hogy megnéztem és nem ez az amit kerestem. Ami az ismerősömnek van az régi BD gomb tranyóval van.... és ahogy nézem ez nem is 100w-os. Elméletileg ugyan az a kapcsolás csak IC helyett tranyó van.. és az a része érdekelne.
És miért nem csinálsz egy szimpla tranyós (esetleg merészebben csöves) előfokot?
Kioperálod a quad-ból az előfok részt és máris kész.
Mert annyira nem értek ezekhez, egy quad-ot meg tudok építeni úgy, hogy gyönyörű hangja legyen és kb ennyi. Csöves elektronikához még nem volt szerencsém sajnos.
5 oldallal ezelőtt csatoltam egyet, abban a tranyó egyben a bemeneti fokozat is. De abba meg kell a DC szervó, ezért van benne az OPA, ha nem is a jelútban.
Quad 520, 909 és társai, ic visszacsatolás miatt van benne.
Sziasztok!
Olyan problémám lenne,hogy tegnap megakartam izzasztani a Quadom,de mikor felemeltem a hangerőt maximálisra a számítógépen akkor egyszerűen az egyik hangfal elhallgatott. Megnéztem a biztiket és kiment a hangfal biztije. A hangfal védelem viszont nem húzott be. Kicseréltem a biztit gondoltam kipróbálom,hogy megjavult-e. nem nagyon szólt az-az oldal amelyikkel a baj volt. gondoltam elkezdem emelni a hangerőt megint. nagyon recsegve-torzítva szólt az-az oldal és erre kiment a végfok biztosítéka(6.3A). itt inkább be is fejezem a tesztelgetést. a hangfal szerencsére nem halt meg,viszont a védelem megint nem kapcsolt le csak ugye mikor kiment a bizti,de hát akkor meg is szűnt az áramellátás. kicsit büdös szag jött a végfokból. a végfok az eredeti tervek alapján készült több mint 20éve. mi történhetett,hol keressem a hibát? mi szálhatott el? 2n3442 van benne.
Szia !
Hát így látatlanban szerintem először szemrevételezéssel nézd meg, hogy látszik-e valami "elfüstölés", azután jöhet a félvezetők mérése (szakadás-zárlat), először a végtranzisztorokon, aztán az előttelévőkön, diódákat is meg lehet nézni. A végfok mindkét biztije kiment (nekem eddig mindig csak az egyik ment ki, ha baj volt vele)? Ha csak az egyik, akkor jól működött a védelem, mert a másik tápágból mehet rá az egyenfesz ilyen esetben. Aztán még a tapasztaltabb fórumtársaknak biztos van egy-két ötlete. Esetleg fotót küldhetsz, hátha valami kiderül. |
Bejelentkezés
Hirdetés |











