Fórum témák
» Több friss téma |
Miért lenne elég kevesebb?
Amúgy ennek mi köze a "Be/ki kapcsoló egy nyomógombbal" témához? A rajzodban kapcsoló van még a relé is felesleges elég egy váltókapcsoló. Persze, ha nem több 1000W fényforrást akarsz kapcsolni. [off] bár akkor ott a relé is karcsú
Az hogy mi köze kérdezd Köbzoli-t.Ő rakta át ebbe a fórumba.és igen a rajzon sima kapcsoló van és nem váltókapcsoló.én ebben kértem a segítséget.Sima kapcsolós rajzzal.De köszönöm már kaptam egy remek információt.
Sziasztok!
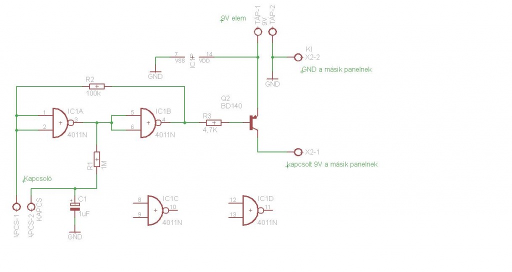
Építek egy 6 nagyfényerejű ledből álló kapcsolást CD4060-as IC-vel, ami vezérli és keveri a színeket, azzal, hogy melyik ledet/ledeket kapcssolja be éppen Szeretném ezt kibővíteni egy egy nyomógombos ki-be kapcsolóval. A kérdésem az lenne, hogy a mellékelt kapcsolás alkalmas lenne-e a célra, azzal a változtatással, hogy a BD137-es tranzisztor nem egy relét vezérel, hanem a led "villogtató" kapcsolás 9V-os tápját kapcsolja? (így éretelem szerűen kivenném a relét a vele párhuzamosan ellenirányban bekötött diódát is) Köszi szépen!
Így gondoltam. (mellékelve)
Szerintetek működhet a dolog ahogy az előbb leírtam?
Helo, szerintem egy CMOS kapu nehezen nyit ki egy ilyen tranzisztort, használj inkább darlingtont.
Hello!
Inkább PNP tranyót használj, közös-emitteres kapcsolásban. Vagy is emitter a tápra, kollektor, meg kapcsolja a 4060 tápját. Akkor kisebb a maradék feszültség. üdv! proli007
Így gondoltad? Mást nem kell változtatni?
Szabadon lógva nem hagyunk CMOS IC bemenetet!
Tessék a nem használt kapuk bemenetet vagy a tápra, vagy a földre kötni...
Szóval a 8,9,10,11,12,13 lábakat mind kössem közvetlen GND-re vagy tápra? Melyik a jobb?
Tranzisztor így jó a korábban leírtaknak megfelelően? A hozzászólás módosítva: Szept 12, 2012
Mondom bemenet
A 10 és 11 az kimenet. Ezeket ne kösd sehová. A bemeneteket meg kötheted ide is, oda is., ahogy tetszik. Csak ne lógjanak a levegőben (da ha lógnak akkor is működik, csak ronda). A tranzisztor jó ahogy proli007 írta.
Most ahogy olvasom tovább, Medve Mesternek abban igaza van, hogy parlagon hevernek a nem használt kapuk.
Még jobb megoldás: Nem használt kapukból csináljunk maghajtó fokozatot: Minden kimenet párhuzamosan és minden bemenet is...
Rendben, GND-re kötöttem a 8,9,12,13 bemeneteket. 9V a táp, BD140 kollektora megy a 4060-as panel +9V táp pontjára, GND közös mindkét panelnek. Akkor így ennek már működnie kéne, igaz?
Ezt a maradék kapukból meghajtó fokozatot nem nagyon értem...
Várjunk csak.... Jól értem, hogy azt akarod, hogy a nem használt 10 és 11 kimenetű kapukat kössem párhuzamosan a 4-es kimenetű kapuval ami vezérli a tranzisztort? Tehát, hogy ezek is "beszálljanak" a tranzisztor meghajtásába?
Hello!
Inkább a párhuzamos Buffert, tedd, az IC1b kimenete és az R3 közé. Akkor a tranyó terhelése, nem zavarja a 100kohm-os visszacsatolást. Ha az IC1a bemenete és a GND közé teszel egy 40..100nF-os kondit, lesz alaphelyzete a kapcsolásnak. (Táp ráadásakor ki lesz kapcsolva.) üdv! proli007 A hozzászólás módosítva: Szept 12, 2012
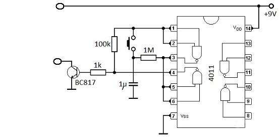
Köszönöm a segítséget, de találtam egy tranzisztoros kapcsolást ami remekül működik!
Sziasztok. Nekem lenne egy olyan kérdésem hogy NE 556 -os IC vel ténylegesen tudok egy ki-be kapcsoló áram kört csinálni? Ha igen hogyan. Tudnátok segitení benne? A nyák tervezésében még nem nagyon vagyok otthon. :S
Köszönöm. A rajzot. De én még most tanulom ezeket a dolgokat mélyebben. És még nem tudok Nyákot tervezni. :S Tudnál esetleg segíteni a nyák tervezésben az NE 556 hoz? Progim az van amin tudok csinálni Nyák
tervet. Csak én még nem tudok rendesen meg tervezni illetve le olvasni a kapcsolási rajzot. :S A hozzászólás módosítva: Okt 6, 2012
Szerintem egyenlőre hagyd az 556os áramkört.
Sokkal egyszerűbb A linken egy sokkal egyszerűbb kapcsolás van, és azt is lehet 2xesbe építeni. A paneltervezés is könnyebb. Az SMD tranyó helyett használhatsz nem SMD-s kivitelt is.
Helló. Sprint-Layout50 ez a progi van meg nekem. És legalább magyar nyelvű. Most olvasta, azt amit írt nekem a Gabó. Az sem rossz. Csak olyan IC nincs itthon. De az is nagyon jó. Előre is köszi a segítséged!
Sziasztok!
Olyan kapcsolást keresek, ahol egy nyomógombbal tudom megoldani a további fogyasztó bekapcsolását -akár relén keresztül- de csak 0,8 sec időtartamra, viszont a nyomógomb hosszabb ideig -akár órákig is- zárva marad. Tehát valószínűleg egy monostabil multivibrátor kapcsolásra lenne szükségem, ami csak a felfutó, vagy akár csak lefutó élre kapcsol, de az időzítés lejárta után nem indul újra a vezérlőjel meglétének ellenére sem, csak annak megszűnése után. Sajnos eddig csak olyanokat találtam, ahol rövidebb jel szükséges az időzítésnél, mert különben újraindul, többek közt az 555-ösé is ilyen.
Szia!
Kondenzátoron keresztül csatold be az indítófeszültséget és így akármeddig benyomva maradhat a gomb. Bővebben: Link
Készítettem egy kapcsolást, illetve kettőt, amit ki is próbáltam. Mindkettő működik. A 100u-val tudod az időt beállítani. Túl nagy értéket ne válassz. Ezzel a 100u-val kb 0,6 másodperc.
Köszönöm!
Megpróbálom ezt is, mert az 555 monostabilban valahogy nem akar nekem menni. Astabilban rengetegszer használtam sikeresen, de most csak melegszik és folyamatosan alacsony a kimenete. A rajzokon ugyan nincs jelölve, de nekem úgy tűnik, hogy a felső kötés a + UT, ahova a BC212 emittere a 10 k-s ellenállással, illetve a relé is csatlakozik. Talán a 0,6 sec is elegendő lesz egy autó központizár-motor vezérléséhez.
Igen, pontosan, az a +UT, ahogy gondoltad. Ha a 100u-t kicseréled 220u-ra, kb 1-1,5 másodperc lesz belőle.
|
Bejelentkezés
Hirdetés |












