Fórum témák
» Több friss téma |
Ritkán fordul elő, hogy a szakadt LED újra vezet, de igazad van, lehetnek csodák. Ebben az esetben azonban visszaáll az eredeti üzemszerű állapot.
De én nem ezt kérdeztem.
Nekem tök mindegy, hogy mi miatt szakad meg az áramkör a LEDeknél. Én olyan hatalmas képzelőerővel rendelkezek, és olyan álomvilágban élek, hogy el tudom képzelni, hogy akár vezeték, vagy forrasztási/rögzítési hiba is okozhat érintkezés kimaradást, ami ha megmozdul, akár újra vezethet. Sőt, tapasztaltam is ilyeneket, de lehet, hogy csak álmodtam, mint ahogy ezt az eszmecserét is.
Jössz ezzel a "de nem ezt kérdeztem" -mel.
Idézem néhány kérdésedet: "mit véd a Zeneres Tirisztoros kombináció?" "Zeneres Tirisztoros védelem mit csinál?" Válaszom volt: "Arra van a védelem, hogy a LED sor szakadása esetén az elkó ne durranjon szét." Ismét a Te kérdésed: "Miért teheti tönkre C2 Th1-et?" Erre most válaszolok: A kondiban tárolt energia miatt. Sok mindent kérdeztél egyszerre, de a többinek nincs értelme a már elmondott okok miatt. Amúgy örülök, hogy beszélgethettem veled álmodban...
De a kondiban tárolt energia, hogy teheti tönkre, ha a LEDeket nem teszi tönkre? Ha a LEDeket nem teszi tönkre, akkor a Zener, a kondi, és a LEDek feszültsége nagyjából egyforma akkor is, ha a LEDeket leválasztjuk.
Tudom, hogy bele fogsz kötni, szóval, ha a LEDeket leválasztom, akkor azokon nem lesz feszültség. De mondjuk 5 LED van sorba, akkor 16V-tól nagyobb feszültségre nem töltődhet a kondi szakadás esetén sem. Ez a 16V-al feltöltött kondi, hogy teheti tönkre a tirisztort, ha a LEDeket nem bántja?
Nekem nincs ezzel bajom, mert kisebb helyen elfér, és kevesebbet fogyaszt elvileg.
De azt nem értem, hogy a nem túltöltött kondi, hogy teszi tönkre a tirisztort. Ha a kondi mégis túl van töltve, akkor a zenernek, és tirisztornak nincs szerepe, mert a kondi, és a kimenet ugyanazt kapja, mint zener+tirisztor nélkül. De ha már zener is van benne, valahogy csak szabályozza a feszültséget. De akkor miért kell megvédeni a konditól? Kevesebb energiát visel el, mint a LED-ek? Mert a LED-ek nem égnek ki, ha a kondi nem töltődik túl.
Ha a tirisztor begyujt akkor kb úgy viselkedik mint egy nyitóirányba vezető dióda. (inkább, mint kettő sorosan... kb 1,4V esik rajta. szerk.: Sebi) Ha a kondenzátor nem lenne elválasztva egy diódával, akkor azt is teljesen kisütné, ami miatt igen nagy áram folyna - akkora, hogy károsodna a tirisztor.
De szerintem egyszerűbb több csoportra bontani a ledeket, mert akkor nem kell semmilyen külön védőáramkör. Amúgy a kis trafók (1...5W) hatásfoka általában csak 50...70%, az előtétkondis táp sok esetben kisebb veszteségű, azaz jobb hatásfokú. Persze érintésvédelmni szempontból a trafó a jobb, de a megfelelő érintésvédelem másképp is megoldható.
Jó, de ha csak 1 Power LED-et, vagy pár db. LED-et akarnék üzemeltetni hálózatról, akkor 1 csoport is kevés, na meg nagy kondi kéne. Ezek így kisebb helyen elférnének, és ha jól veszem ki, a Tirisztoros hatásfoka jobb, illetve szakadás esetén sem fogyaszt többet.
Power LEDnek elég lenne ennyi védelem, vagy még ez után kéne kötni egy áramgenerátort is, ha előtétkondis tápról van szó? Idézet: „Jó, de ha csak 1 Power LED-et, vagy pár db. LED-et akarnék üzemeltetni hálózatról, akkor 1 csoport is kevés, na meg nagy kondi kéne” A kondi mérete nem füg attól, hogy milyen a védelem megoldása. 1...2db powerledhez nem érdemes ilyen megoldást használni, mert alacsony fesz mellett relatíve nagy áram kell hozzá. Kis teljesítményű ledek esetében pedig már akár 4db-ot is szét lehet osztani pl. 2 csoportra. Idézet: „...ha jól veszem ki, a Tirisztoros hatásfoka jobb, illetve szakadás esetén sem fogyaszt többet.” Nem jól veszed ki, a hatásfok nem a védelem megoldásától függ. Idézet: „Power LEDnek elég lenne ennyi védelem,...” Nem a lednek kell a védelem, hanem az áramkörnek... Idézet: „....vagy még ez után kéne kötni egy áramgenerátort is, ha előtétkondis tápról van szó?” Ha ilyet kérdezel akkor halványlila gőzöd sincs róla hogy működik ez az előtétkondis áramkör. Inkább ne építs ilyet mert még áramütést kapsz. Esetleg próbáld mégérteni az áramkör működését (ne a védelemét, hanem a mezei előtétkondis megoldást), és akkor legalább kérdezni tudsz majd.
Na de ha a kondenzátor védve van a túltöltődéstől, akkor a ledek is védve vannak attól, hogy kontakthiba után túl nagy feszültséget kapjanak.
Szerintem, ha egyik védelem beépítése többet fogyaszt a másiknál, a nagyobb fogyasztás miatt rosszabb lesz a hatásfoka attól, amiben kevesebbet fogyaszt. Azt írták a védelemről, hogy terhelés nélkül a zener jelentős teljesítményt disszipálhat. Ezt akadályozza meg a tirisztor. Vagyis hibás működés esetén a sima zeneres megoldás többet fogyaszt, mint a tirisztoros. Attól azért függ a kondi mérete, hogy van-e védelem, vagy nincs. Mert egy 600V-os elkó picit nagyobb egy 16V-osnál. Idézet: „Szerintem, ha egyik védelem beépítése többet fogyaszt a másiknál, a nagyobb fogyasztás miatt rosszabb lesz a hatásfoka attól, amiben kevesebbet fogyaszt.” Azért az alaphelyzet a normál működés szokott lenni... ebből kifolyólag a védelmi működés nem gyakori. A védelem hatásfoka a világítás szempontjából lényegében mindíg 0, hiszen olyankor a lámpa nem működik.. legfeljebb veszteségről lehetne beszélni, de a fentiek miatt ez nem túl fontos szempont. Szóval a veszteség és a hatásfok eléggé mást jelent nem kéne keverni a kettőt. Idézet: „...függ a kondi mérete, hogy van-e védelem, vagy nincs. Mert egy 600V-os elkó picit nagyobb egy 16V-osnál.” A több csoportra osztott led is egyfajta megoldás, és nem kell hozzá nagyobb elkó mint a tirisztoros vagy a zeneres megoldáshoz. 600V-os elkó pedig még elvileg sem kellhet, mert a hálózati fesz csúcsértéke 320V körüli. A hozzászólás módosítva: Szept 24, 2012
Tudom, hogy nem a hibás működés a normális, de előfordulhat. És a nagyobb veszteségű kisebb hatásfokú. Ha rossz, vagyis nem világít, de az egyik többet fogyaszt a semmiért, mint a másik, akkor az egyik rosszabb hatásfokon működik. Te világítás szempontjából, én fogyasztás szempontjából nézem. Te csak jó működéskor, én nem csak akkor. Ennyi a különbség.
Az, hogy valaminek jobb a hatásfoka nem azt jelenti, hogy ugyanazt képes kevesebb energia fogyasztásával megtenni, mert kevesebbet fogyaszt hasztalan célra? A több csoportra osztott led pedig a vezeték esetleges hibájától csak úgy védené meg a kondit, ha minden csoport a kondi kivezetéséhez lenne kötve. Vagyis csoportonként 2 vezeték. Nekem a 400V-os is nagy.
"Azt írták a védelemről, hogy terhelés nélkül a zener jelentős teljesítményt disszipálhat... Vagyis hibás működés esetén a sima zeneres megoldás többet fogyaszt, mint a tirisztoros. "
Nem. A zener feszültségét mindig a sorbakötött LED-ek nyitófeszültségeinek összege +2..3V értékre választjuk. Amíg a LEDek meg nem szakadnak, addig zener ki sem nyit, áram nem folyik rajta.
Szerintem Skori igen korrektül leírta az amúgy kezdő kapcsolásnak a működését. Aki ezt nem látja át, vagy a magyarázatot nem érti meg, az egyelőre ne foglalkozzon elektronkával 48 V fölött.
Ha a LEDek megszakadnak, az hibás működés.
Nem állítottam, hogy más feszültségre méretezik. Arról van szó, hogy hiba esetén a zeneres mondjuk 5W-ot fogyaszt, a tirisztorosba pedig elég mondjuk egy 1W-os zener.
Szerintem be kellene fejezni ezt a meddő vitát.
A Zener nem "fogyaszt", hanem annyi a tűrőképessége. Ezért kell a Thiri, ami erősíti.
De fogyaszt. Ha a tűrőképessége 10W, vagy 20W lenne, és 5W-ot elfűtene, akkor 5W-ot fogyasztana.
Ahhoz, hogy eldőljön a dolog, annyit kéne csak megmondani, hogy szakadás esetén a magányos zener (5W)disszipál-e többet, vagy a tirisztor, és zener(1W) együtt, vagy ugyanannyit, pl. ha a zener 1W-os, akkor a maradék 4W-ot a tirisztor disszipálja el?
Ez meddő vita ugyanis, ha a lámpa nem világít csak fogyaszt, akkor épeszű ember lekapcsolja és nem hagyja úgy.
Idézet: „Ha rossz, vagyis nem világít, de az egyik többet fogyaszt a semmiért, mint a másik, akkor az egyik rosszabb hatásfokon működik.” Nem! Többet fogyaszt, de attól még a hatásfok mindkét esetben nulla : tehát ugyanannyi! Ez bizony fogalomzavar, és abszólút helytelen a védelem hatásfokára hivatkozni. A helyes a védelem által eldisszipált veszteség lenne - a hatásfokot hiba belekeverni ebbe. Tehát mégegyszer a nem világító lámpa esetén a hatásfok nulla, függetlneül attól, hogy a veszteség 5W vagy 0,5W. A tirisztoros védelem nyilván abből a szempontból jobb, hogy a védelem lényegesen kevesebbet disszipál, mivel a tirisztoron kicsi feszültség esik, lényegesen kisebb mint a zeneren. Idézet: „A több csoportra osztott led pedig a vezeték esetleges hibájától csak úgy védené meg a kondit, ha” Ne haragudj de hülyeség a vezetk meghibásodásával számolni, mert akkor ezzel az erővel számolhatnál a védelem hibájával is, és építhetnél még védelmet védő másodvédelnet is . Valahol meg kell húzni a határt, és a maximum amit érdemes erre fordítani az a tirisztoros védelem, a minimum meg egy erősebb doboz ami akkor is megvéd, ha szétmegy benne a 16V-ra méretezett kondi. A kettő közötti legjobb kompormisszum pedig szerintem e ledek csoportokra bontása. De ha a maximális biztonságra törekszel, akkor eleve nem előtétkondis megoldással kell fogalakozni, hanem egy törpefeszültségű biztonsági trafóval kell kezdeni... Persze annak a hatásfoka kisebb lesz, de valamit-valamiért ugye...
Köszönöm, én csak ennyit akartam tudni, hogy jól értem-e, hogy terhelés nélkül (pl. szakadás, vagy egyéb érintkezési hiba esetén), a tirisztoros kevesebbet fogyaszt, mint a zeneres? Szóval igen. Vezeték, és vezeték végeinél a mozgás lehetősége miatt nagyobb esély van megtörni, letörni, leszakadni, mint egy nyákra forrasztott fix alkatrésznek.
De ha már a védelem védelménél tartunk, azt még meg kérdezném, hogy a tirisztor és/vagy zener meghibásodása esetén mi történik? Szóval mondjuk a tirisztorban zárlat, vagy szakadás keletkezhet? Csak mert ha zárlat keletkezik benne, akkor ha a füstöt észre lehet venni még mielőtt szakadássá ég, akkor lehet, hogy legalább a kondi nem durran ki. Tudom, nem olyan nagy veszteség egy kis kondi, de erős doboz nélkül nem árt, ha van előjele a durranásnak. A zener, gondolom, vagy jó, vagy szakadást produkál. Idézet: „A tirisztoros védelem nyilván abből a szempontból jobb, hogy a védelem lényegesen kevesebbet disszipál, mivel a tirisztoron kicsi feszültség esik, lényegesen kisebb mint a zeneren.” Miért is? Mind a kettő (tehát bal és jobb ábra) ugyanannyit disszipál azonos értékű zenerekkel és azonos értékű előtétellenállásokkal, csak a jobb oldali ábrán a thiristor disszipál, nem a zener. Idézet: „Mind a kettő (tehát bal és jobb ábra) ugyanannyit disszipál azonos értékű zenerekkel és azonos értékű előtétellenállásokkal....” Nem! Persze, ahoz, hogy megértsd miért, ismerned kellene a tirisztor/triak működését. Asszem van is ilyen téma - ajánlom figyelmedbe.
Egy konkrét példa ledek 80V 60mA -> 4,8W; zener 85V 60mA -> 5,1W;
Tirisztor: ha eléri a fesz a 85V-ot,akkor begyujt és esik rajta kb 1V (szinte rövidre zárja a graetz kimenetét), 60mA mellett -> 0,06W. Emiatt kell a további dióda is, hogy az elkót ne zárja rövídre. Ha ez nem elég a működés megértéséhez, akkor érdemes alaposabban utánaolvasmi az alapoknak, és kissé eljátszogatni vele egy áramkörszimulátorban.
Értem, persze, csak valamiért mindenáron tranzisztorban gondolkodtam thiri helyett.
Sziasztok én akváriumot szeretnék kivilágitani ledekkel kb 15-20 db-al szerintetek lehet enyitt 230-ra kapcsolni azért kérdem mert még nem csináltam ilyet.
Az előzőnél korrektebb Skori kapcsolása. és érdemes elolvasni a hozzá írt szöveget. Nem veszélytelen a megoldás!
Sziasztok!
Az lenne a kérdésem hogy ehhez a feszültség szabályzó áramkörhöz szeretnék egy ledet hogy kijelezze hogyha az áramkör áram alatt van és egy 5-10 ledből álló kivezérlést hogy nagyjából lekövethető legyen hogy mennyi áram folyik át éppen a kapcsoláson! Kivitelezhető dolog vagy elég bonyolult lenne egy ilyen egyszerű kapcsoláshoz? Válaszotokat előre is köszönöm!
Üdv. Viszonylag kezdőnek mondható vagyok a témában, de szeretnék egy ledes világítást megvalósítani. Nem kell, hogy olyan fényt adjon, mint egy 100 wattos izzó. Pont az lenne a lényeg, hogy pár ledet különböző helyeken elhelyezve a szobában gyenge, egyenletes fényt adjanak. Tudom, hálózati feszültség és vigyázni kell, volt már pár élményem vele, szóval tudom mi a helyzet. Az egészet egy fém dobozba raknám, ami földelt lenne
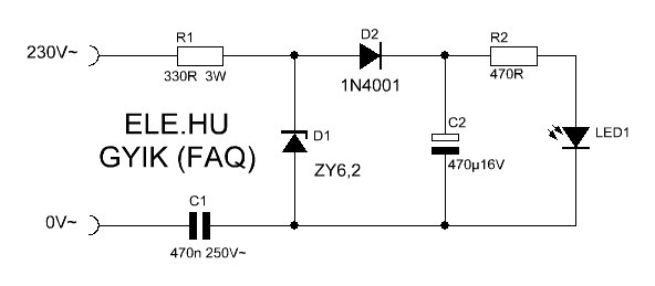
Tehát ellenállásnál tudom, hogy ohm a mértékegység és színkódokkal jelölik a tűréshatárt stb. Ezzel nem is lenne gond. A kondenzátoroknál is a farad mértékegységgel tisztában vagyok. De pl. a graetz egyenirányítóról nem sok fogalmam van. Nyilván tudom, hogy mire szolgál és miért kell, de hogy ennek van-e "mértékegysége vagy terhelhetősége" stb. azt nem tudom A zener diódával és a trizisztorral sem barátkoztam még meg közelebbről. Szóval szerintetek az ezen az oldalon lévő rajzzal meg tudnék birkózni? A számolásokat elsajátítom azzal nincs gond, de egy szakboltban ha kérek egy 330nF 250V AC-s kondenzátort, 1 wattos zenert, stb. akkor tudnak adni? Nem szeretnék leégni Köszi előre is és bocsi a kezdő kérdésért
Majd arra ügyej, hogy azonos színű és fajta ledet vegyél.
Hello!
Ha gyakorlatból indulsz ki, akkor sokkal célszerűbb egy egyszerű tápegység használata, mint közvetlen a 230V-ra kötés. - Ha készítesz egy tápegységet, ami pld. 1db. 230/24V/1VA-es trafóból, egy Graetz egyenirányítóból (vagy négy mezei diódából) és egy 100µF/50V-os kondiból áll, akkor már is van 30..32V egyenfeszültséged. - Erre már sorba köthetsz fehér Led-ből 9db-ot. (Pontosabba annyit Led-et, aminek nyitófeszültségének összege nem közelíti meg 2V-nál jobban a tápfeszültséget. Vagy is nem érdekes a színe, csak az áramok legyenek azonosak.) A Led-ekhez használhatsz áramgenerátort. Ez két tranyóból és két ellenállásból áll. Az 1VA-es kistrafó, ebből a Led sorból, kettőt elvisz. - A tápfeszültséget mindenképpen a Led-ekhez kell vinni. De nem mindegy, hogy a 230V-ot, vagy a veszélytelen 32V feszültséget. A 20mA áram miatt, akár "cérnán" is vezetheted a villanyt, ami nem mondható el a 230V alkalmazásakor. - A kondenzátoros 230V-os táplálásnál, X2 tűzbiztos kondit kell alkalmazni, ami alig lesz kisebb, mint a kis trafó. Ráadásul kevésbé üzembiztos, és kapacitív terhelést jelent a hálózaton. Egy hálózati tranziens, de akár csak egy kontakthibás kapcsoló esetén, simán leéghet a soros ellenállás. üdv! proli007
Köszi! Van elég sok fölösleges kész tápegységem is itthon különböző feszültségekhez. Majd akkor ahhoz képes kötöm őket sorba és párhuzamosan
|
Bejelentkezés
Hirdetés |




A zener diódával és a trizisztorral sem barátkoztam még meg közelebbről. Szóval szerintetek
Köszi előre is és bocsi a kezdő kérdésért

