Fórum témák
» Több friss téma |
Akkor lehet, hogy ez okozza a problémád.
Rengeteget ronthat egy rossz, rosszul megválasztott relé a hangban. Próbára akár átkötheted az érintkezőit...
Oké köszi, akkor teszek be diódákat, a rajz amúgy megegyezik Skori oldalán lévővel elvileg, de nem is ez a lényeg.
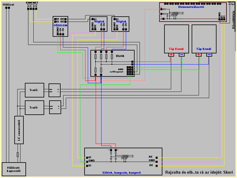
Üdv! Ma betettem a diódákat, és nem hagyott nyugodni, hogy még brumm hallható közel hajolva a hangszórómon, ezért neki álltam kisérletezni. Nálam a puffer elkók föld pontjáról megy mindenhová a GND. Az előerősítő stab ic-ken kap +-18V-ot. Ha az előerősítőről lekötöm a GND-t akkor megszűnik a brumm. Próbálgattam sokféleképp rákötni, de egyedül az hozott javulást, ha a végfok panelról kötöm rá a GND-t, így is van brumm, de csak közel hajolva a hangszóróhoz hallható halkan, ennél jobb sehogy sem lett. Viszont miért így jó, hiszen elvileg csillagpontosan kellene jónak lennie?
A hozzászólás módosítva: Júl 15, 2013
A "totális" csillagpontosság sosem volt jó megoldás. Ez a maflák zászlójára hímzett varázsige, ami nem jelent semmit, de szépen lobog a szélben.
Úgy kell huzalozni, hogy lehetőleg ne alakuljanak ki olyan hurkok, amikben brumm tud képződni. Ehhez biztosan nem a csillagpont a megoldás. Bizonyos lokális részeket kell így huzalozni, de a részegységeket már "felfűzik" egymás után. Ha kicsit tágabban nézed a kérdést, akkor beláthatóbbá válik a dolog. Pl ha feltételezel egy forrást (CD lejátszó) + előfokozat + végfokozat, és ezt mind külön dobozban helyezte el a gyártó, akkor azokat szépen felfűzöd egy GND vonalra, és eszedbe sem jut csillagpontokat kialakítani. A végfokozat azért lóg ki a sorból, mert ott jelentős áramok folynak a vezetékekben, amiknek van némi ellenállásuk, és így feszültség esik rajtuk. E miatt lényeges azok csillagpontos huzalozása, de mihelyt a végfok dobozába egyéb fokozatok is kerülnek, akkor már félre kell tenni a vak-hitet, és okoskodni kell, keresve a jó megoldás, és még így is a próbák alapján kell választani a lehetőségek között.
Elfogadom a gondolat menetedet. Én nem ragaszkodom a csillagponthoz.
Van egy- két ötletem, holnap kipróbálom. A hozzászólás módosítva: Júl 15, 2013
Nem lehet,hogy az előfok a táp GND-t és az árnyékolt jelvezetéken keresztül a végfok GND-t is megkapja egyszerre?
Az vezetet hasonló eredményre.
Sziasztok! Nekem úgy szűnt meg a brumm,hogy a GND-t csak az egyik panel kapta meg a táp kondik közös pontjától.Az egyik panel GND csatiról vittem egy vezetéket a másik panel GND csatijáhot,és teljesen csendben maradt.Legalább is nekem így sikerült kiküszöbölni a brummot.
Szia! Ezt a lehetőséget is megvizsgáltam, de ha nem adok GND-t az előfoknak akkor nem jó (mármint az előfok zajos, lebeg, tehát nincs gnd-je rendesen), pedig a végfokról is kap pontosan ahogy írod a jelvezetéken, ez is érdekes miért nem jó mégse, csak külön gnd-n.
Beringer600: ezt is kipróbáltam én is, úgy sem jó. Ma ráérek lekötök mindent, és addig tesztelem amíg jó lesz, egy biztos pont van, ha az előfokról lekötöm a gnd-t akkor teljesen brumm mentes. A hozzászólás módosítva: Júl 16, 2013
Van a qvad-405 nek be vezetékelési vázlata.Ha gondolod,el küldöm.
Üdv!
Engem érdekelne,mert azén quadom alkatrészei még szanaszét hevernek és jó lenne látni miként köthetem össze.
Elküldheted, köszi!
Nos ma egész napomat elszúrtam a Quad-ra, úgyhogy elegem lett belőle. Készítettem egy kis tesztet. A teszt teljesen a meghallgatásra szorítkozott (ahelyett hogy a strandon ülnék ).Szóval van itthon egy bontott STK461-es icvel szerelt végfokom, ő volt az ellenfél, a teszt nem a hangerőről szólt, csak is a hangzás élményéről, szépségéről. Próbáltam a Quad előerősítőjének utána kötésével CD lejátszóról, valamint úgy is, hogy a CD lejátszóra rákötöttem csak a végfokokat. Sajnos mindkét esetben elbukott a Quad . Na azért nem olyan csúnyán, de egyetértő véleményben megállípítottuk, hogy az ic-s végfok teljesebb hangképet ad, teltebb, a Quad olyan fakó hozzá képest, és nem olyan szép a magas hang. Egyedűl a mély teltebb, szebb a Quad hangzásában. Most elszomorodtam nagyon, persze lehet az én végfokom gyengélkedik, elég rég készűlt, nagyon kiváncsi lennék az R. Ludwig féle változatra. Azonban nem tudom érdemes e megépíteni, félek, hogy az is hasonló, reloop írta nem rég, hogy a régi és az újabb Quad-ja hasonlóan szól. Félreértés ne essék ezzel nem állítom, hogy minden Quad ilyen, de az enyém igen, pedig közben már cseréltem több régi alkatrészt is, még az elkók vannak soron. Nem tudom a fólia kondik mennyire öregednek, még talán kapnak egy esélyt. Az a probléma ha kicserélek mindent újra akkor már építhetek ennyi erővel új panelokat is, de mi van ha az sem szól szebben? Bocsi kicsit hosszú lett.
Elnézést lemaradt, hogy hárman hallgattuk a tesztet, ebből ketten nem tudták, hogy mikor melyik szól, tehát csak én voltam elfogult, de hiába.
Szia! A Quad405 azon ritka erősítők közé tartozik, ahol nem közvetlen a kimenetről jön a visszacsatolás, ami az erősítést kézben tartja. A Quad csak következtet arra, hogy mi hagyja el az erősítőt. Manapság keveset beszélünk róla, de régen többen hangoztatták: nem mindegy mekkora impedanciával terheljük és milyen induktív és kapacitív jellemzője van a hangsugárzónknak - szóval nem "mindenevő".
A hozzászólás módosítva: Júl 16, 2013
Szia! Ezzel arra célzol gondolom, hogy más hangládával lehet, hogy sokkal kellemesebben szólna. Egyszer már teszteltük egy másik hangdobozzal is, ott is elbukott szegény. Nem baj azért nem dobom ki
. Egyébként arra is rájöttem, hogy attól függően milyen stílusú zene szól van olyan ami úgyszólván jobban "fekszik" neki, szebben szól. (Most látom a fényképezőmön nincs beállítva a megfelelő dátum, idő.) A hozzászólás módosítva: Júl 16, 2013
Oké, de a teszt csak végfokokkal történt, és ugyanazon CD lejátszóval, és hangdobozzal. Már lenyugodtam, örülök hogy van.
Én is azt érzem, hogy nem a quaddal van a baj, hanem az igényeitekkel, a quad, akárhogy van megépítve, szinte mindegy milyen félvezetőkkel, az csak erősít, nem szinez, lehet, hogy ti a loudosabb hangot kedvelitek, ezért nem jött át a quad hangja, milyen dobozzal hallgattátok?
Én is így voltam vele régen még amikor suliba jártunk. Nem tetszett volna ez a hangzás, ami most a Quaddal tetszik. Szerintem szubjektív, de nekem a megépített 4 pár közül a Ludvig-Alkotós verzió hangja tetszik a legjobban (de sajna az még nincs dobozolt állapotban, így a régi verziót hallgatom).
Szerintem szokni kell a "tiszta" hangot. Sok év telt el, mire hozzászoktam. Nem ment egyik napról a másikra.
Ezt most nem értem, egy STK végfok ic szinezi a hangot ezek szerint?
769gregory: hát a tiszta hang nem keverendő a rossz hangzással, ez valóban szubjektív. A hozzászólás módosítva: Júl 16, 2013
Eddigi méréseim és tapasztalataim alapján állitom, hogy az stk nagyon jó ic-s végfok, de ha müszakilag kellene lineárisabb, hifibb erösitöt választani, egyértelmüen a quadra szavaznék. A hangjának tetszése más kérdés, az szubjektiv, de nehéz a quadnál müszakilag etalonabb erösitöt csinálni kommersz alkatrészekböl. Ezt a kapcsolás technikájának köszönheti. Ha megfelelö illesztö fokozattal a quad elé tennéd az stk-t, ugyanazt a hangzást kapnád mint nélküle ez alátámasztaná azt, hogy a quad nem szinez.
Hát ha ez így van, hogy az STK színez, akkor probléma megoldva.
Már annak idején a megboldogult Hifi Magazin szerkesztőgárdája is arra a következtetésre jutott, hogy jó erősítő a Quad405, de vannak nála sokkal jobbak. Később ha lesz egy jó műsorforrások és igazán jó hangú hangdobozaid majd szépen "kinövöd", nem szabad leragadni egy stabil egységnél, sokat kell hallgatózni, hajrá csak előre. Nem vitaindítónak szántam én már kinőttem (100-nál többet biztosan építettem belőle életem során, az elsőt vagy 25 éve).
Jelenleg a CD-nél nincs jobb műsorforrásom (mi lenne az?), nem akarok leragadni, mint írtam régebben ezt 15 éve szereztem, majd ráuntam, a pincében hevert, most előszedtem, megint fellángoltam, de lassan el is múlik.
(Gondoltam tud ez jobb hangzást is, de lehet, hogy ez a jó hangzás ahogy írták, a többi szinezett.) A hozzászólás módosítva: Júl 16, 2013
Persze attól, hogy műszakilag valami tökéletes, az csak egy dolog, a csöves erősítő is szinez, meg torzít, mégis ez kellemesebb a fülnek. Kolléga jól mondja, sokat ki kell próbálni, hallgatózni, ez a szép ebbe.
Hello mindenkinek!
Az én Quadom panelje az M12368 ISS9 ,ISS10 névre hallgat és eddig az volt az észrevételem vele hogy egy furcsa zaj jelenik meg a kimeneten üzemi hőmérsékleten mintha a vezeték nélküli mikrofonnál menne el a jel.Eddig még csak számítógépről próbáltam mert az meg tudja hajtani előfok nélkül is. Néhány változtatás történt az értékek terén mert a boltban nem volt 560R/2W csak 680R/3W munkaellenállásnak valamint nem volt 3,3 pF az IC mellé ezért az ottani kondi 4,7 pF lett. Jelenleg +-30V-ról üzemel a jó öreg 2N3055-tel de amint pénztárcám s időm engedi kap egy ''upgrade"-et MJ15003-ra és kap egy toroidot is.Nos a fenti problémát nem tudom mennyire befolyásolják ezek az alkatrész változások,erre kérnék egy hozzáértő választ. Jelenleg a problémát úgy oldottam meg hogy kíváncsiságból tapogattam a panel különböző pontjait míg egyszercsak elhallgatott. Az egyik zener zajolt be neki,kapott egy 100 nF kondit a lábaira és síri csend lett. Most már csak közel a hangszóróhoz hallatszik némi búgás a szűkös táp elkók és az ideiglenes ''drótkupac'' kábelezés miatt.
Hellosztok!
Kaptam 2 ilyen panelt, mint ami a képen lesz, de csak annyit tudok róla, quad405. Egy beültetési rajzzal nem tudnátok segíteni?
Nekem megvan. De elég gerjedékeny panel, Nekem is volt vele problémám. Végül kidobtam az erősítőből és a Ludvigost építettem bele, ami azóta is szépen működik.
Ha mégis kell a beültetés, írj privit és megkeresem meg beszkennelem.
Szia! Vesd össze ezzel.
Szia!
Köszi neked is, végül is ez is stimmel, ha jól nézem.
Helló mindenkinek nekem van 1 quad 405 épített erősítőm én építettem 5 évvel ezelőtt ,eddig hibátlanul működött. Most viszont az egyik oldal csak halkan szól kb 0.5 w-ig addig hibátlanul szépen szól nagyobb hangerőn viszont betorzít és recseg minél nagyobb hangerőt adok annál rosszabb, de azt is csak halkan olyan mintha erőtlen lenne. A panel a gyári kapcsolású csak az átvezetés nincs az alkatrész felőli oldalon mert az is a nyákon van elvíve alul. A nyákba alulra bele van marva a vörösrézbe hogy The acoustical mfg co ltd huntingdon england quad 405 . Ahova ez van írva ott vezeti át a + tápfeszültséget a túloldalra. A panel 2n3442 végfok tranzisztorokkal van szerelve. A másik panel hibátlanul működik nagy hangerőn is. A 2 panel közös tápon van. Előre is köszönöm a segítséget!
|
Bejelentkezés
Hirdetés |




Van egy- két ötletem, holnap kipróbálom. 
. Na azért nem olyan csúnyán, de egyetértő véleményben megállípítottuk, hogy az ic-s végfok teljesebb hangképet ad, teltebb, a Quad olyan fakó hozzá képest, és nem olyan szép a magas hang. Egyedűl a mély teltebb, szebb a Quad hangzásában. Most elszomorodtam nagyon, persze lehet az én végfokom gyengélkedik, elég rég készűlt, nagyon kiváncsi lennék az R. Ludwig féle változatra. Azonban nem tudom érdemes e megépíteni, félek, hogy az is hasonló, reloop írta nem rég, hogy a régi és az újabb Quad-ja hasonlóan szól. Félreértés ne essék ezzel nem állítom, hogy minden Quad ilyen, de az enyém igen, pedig közben már cseréltem több régi alkatrészt is, még az elkók vannak soron. Nem tudom a fólia kondik mennyire öregednek, még talán kapnak egy esélyt. Az a probléma ha kicserélek mindent újra akkor már építhetek ennyi erővel új panelokat is, de mi van ha az sem szól szebben? Bocsi kicsit hosszú lett. 





