Fórum témák
» Több friss téma |
Van valami módszer arra, hogy a számítógép zaja ne hallatszódjon be? Van, hogy nem szól zene akkor viszont kihallom a hangszóróból ahogy dolgozik a masina, vinyó vagy akármi ciripel és rááll a fülem ami nagyon idegesítő egy idő után. Tda9294 -el nem volt ilyen problémám. Vmi ötlet?
Milyen tápegységet használsz? A mostani erősítődre rákötötted talán a hálózati védőföldet?
Amit a reloop is kérdez, valószínű a laptop kapcsolóüzemű táp lehet a ludas, hiszen ez összeköttetésben van a hálózati védőfölddel. Ha olyan a laptoptöltőd, aminek a 230 V-os csatlakozója 3 ágú, cserél ki egy 2-es piskótára próbaképpen. Ha megszűnik a zaj, akkor ez lesz a hiba.
Nincs védővezető a konnektor csatlakozón, sőt még magán a laptoptöltőn is csak 2 kimenő tüske van. Cserélni fogok mindenképpen vmi sima trafóra (nem tudom honnan lehetne megfelelőt beszerezni jó áron) de egyelőre csak ez van. A PC és az erősítők elosztói is külön fali aljzaton vannak. Viszont még annyi van a 2 végfokom között, hogy a 7294-es hátsó csatlakozóról megy, a zajos 2030-as pedig az előlapiról ami alatt 2 usb- is van. Mikor másoltam adatot a pendrivera akkor valami szakaszosan mégjobban belezümmögött, lehet ott lesz a gubanc. Kipróbálom hátlapi jack-el.
A csatival lesz a probléma, nekem is sokkal zajosabb az első csatlakozó a gépeimen. Sajnos nem tudom, h az alaplap a ludas, vagy csak a kábelezés, de én emiatt a hátsó csatlakozót szoktam kettéosztani, és az elsőt nem használom. Bár nálam a hátsó csatin is jön le halk sistergést, hallom amikor a hangkártya driver bekapcsolja a kimenetet.
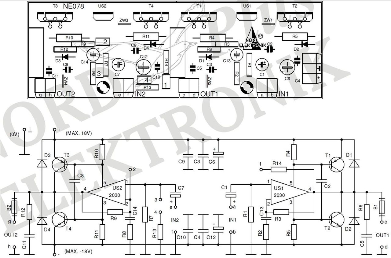
Mielőtt még bevásárolok, lenne egy kérdésem. A csatolt kapcsolásba jó a TDA2050 is vagy csak 2030-cal működik?
Szerintem működnie kéne, de a szimpla táp miatt nem vagyok benne biztos
Akkor TDA2030A-t rendelek majd. Mekkora hűtőborda kellene erre? Egy AMD hűtő elég (persze ventilátorral)?
Van valami mód arra, hogy a png képet be tudjam tenni sprint layoutba? Csak átrajzolni legalább.
Processzorhűtő + ventilátorral tökéletes lesz.
A Sprint-Layout, vagy a NYÁK-rajzban segítség témába illik a kérdésed második része. Dióhéjban: a képet bmp (6.0-nál jpg is) formában Extrák - Képbeszúrás alatt megnyitod és a felbontást a reális furattávolságra állítod. Valóban át kell rajzolni, de nagyon haladós. Gyakran alkalmazom, érdemes megismerkedni ezzel az eljárással.
Valaki meg tudná mondani, hogy mitkell leszednem az eredeti lapról és hogy utána mit hova kössek? Csak mert a kapcsolási rajzon nem tudok elmenni.
Mi nem világos a rajzon? Szívesen segítek, ha pontosítod a kérdést.
A kapcsolási rajzon ott van a cuccok neve, viszont nem tudom, hogy mi hogy néz ki. Van amit megtaláltam mert rá volt írva, de nem mindent találok meg. Sőt, elég kevés amit megtalálok.
Nincsenek esetleg felület-szerelt ellenállások a forrasztási oldalon?
Nem tudom igazából hogy mit keressek bocsi, de kezdő vagyok eléggé
Pontosan így képzeltem! Az a helyzet, hogy egyszerűbb új ellenállást venni példa mint beletanulni a felület-szerelt technológiába. Az elektrolit kondenzátorok sem időtálló dolgok, azok cseréje sem megrázó.
Az IC-k amik igazán menteni valók. Ezt láttad már? A TDA2040 jó bele.
Kérhetek egy listát, hogy mikre van szükségem?
A link linkjén (
) minden ott van. Azért ez pont oda mutat az egyszerűség kedvéért.IC-d már van ugye, ajánlásom szerint még egy 47µF 25V kondi kéne hozzá.
Ilyenem nekem is van a fiókban, megéri osszeraknom? Jól szól?
Hát meg ensem probaltam ki hogy hogyan szoll.En eredetileg TDA2050-et tettem bele ugy csak az egyik fele mukodott es az eleg jol szol:TDA2030-al nemtudom
Szia! Bővebben: Link
Akkor nem is lehet osszehozni sehogysem?Alkatresz cserekkel sem?Mert csak TDa2050-hez van trafom.
Nézd, kipróbáltad TDA2050-nel - működött. Mi lenne itt a kérdés?
Egyik fele normalisan mukodott masik fele meg halkna szolt es melegedett az ic.
Igen, megfelelőek.
Szia reloop Hasonló kapcsolással én is sokat birkóztam de ti itt konstruáltatok egy ehez hasonló kapcsolást úgy emlékszem tda2030 hídkapcsolásba variáltátok bele a tranzisztorokat. Ha nagyon keresgélnék meg is találnám itt,és szerintem nagyvonalakban erre rá nézve majdnem ugyan ez ha hídban üzemel.Idő hiányában nem csináltam meg csak,de én szerintem az életképes.Ha a2030 hidban stabil akkor táp áram vezérelt tranzisztorokkal is jó ,én szerintem elméletileg .Bár tudom te nem vagy híve ennek a megoldásnak,ki is fejtetted itt már, persze megint csak hozzá teszem te vagy a szakmabeli.
Szia! Összefoglalva a problémát, a tranzisztoros rásegítős kapcsolásban a TDA2030-nak nincs a testhez képest tápszűrése. Nem is lehet, mert ez megakadályozná a tranzisztorok vezérlését.
A kimeneteik a híd kapcsolás által össze vannak kötve, és azon keresztül mint farok a kutyát csóválják egymást. Ez roppant könnyen torkolhat gerjedésbe. |
Bejelentkezés
Hirdetés |









) minden ott van. Azért 





