Fórum témák
» Több friss téma |
Fórum » PC táp átalakítás
Nem, ez nem lehetett baj! Megtennéd, hogy a fentebb is említett kapcsolási rajzot elforgatod, bekarikázod a kérdéses részt, és publikálod?
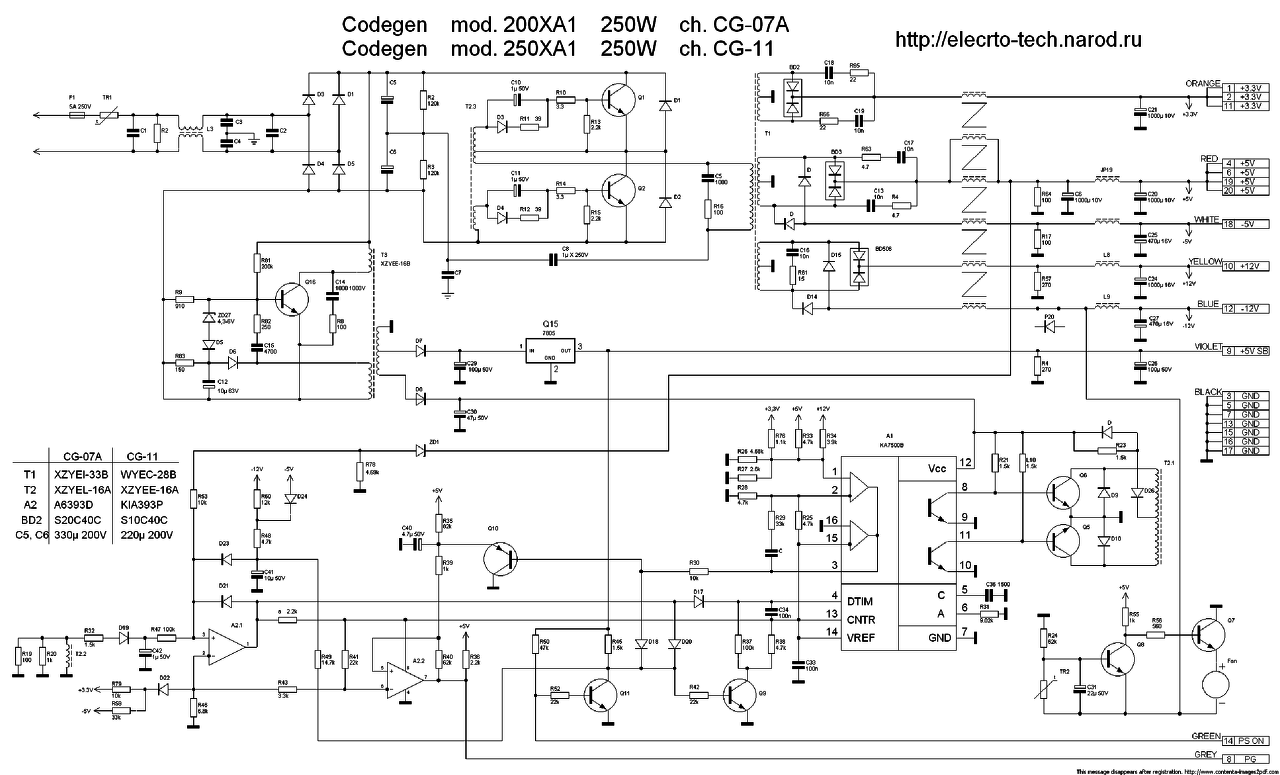
Csatoltam a kapcsolási rajzot. Pirossal jelöltem az általam már módosított részeket (meg a zárlatosnak tűnő diódát is). Kékkel jelöltem három területet, aminek a szerepe számomra kérdéses:
1) a PR1004 típusú D? diódát, ami a +12V-os ágtól szállít tápfeszültséget az IC-nek. Ez miért szükséges, ha eleve van az IC-nek egy 5V-os külön bejáratú segédtápja? 2) a több diódából és ellenállásból álló hálózatot, ami az LM339 5-ös lábához vezet. Ennek mi a szerepe? Hogy viselkedik, mit "számol ki"? 3) az R29 ellenállást, ami nagy valószínűség szerint csak power good pull-up szerepet tölt be, de azért biztos ami biztos, megkérdezem, hogy ezt le szabad-e csatolni az immár szabályozatlan 5V-ról, káros mellékhatások nélkül? A komparátoros okosságot a TL494-től jobbra is nagyon szeretném megérteni, de annak a témának még jobban utánaolvasok, aztán majd kérdezek, ha nem sikerül! Köszönöm szépen a segítségeteket!
Szia!
Olvasd a fórumot, mert a legtöbb kérdésedre már tartalmazza a választ! Például az első kérdésed tárgyáról nem régen beszéltem LaciSupreme -mel itt ebben a topikban. Idézet: „Ez miért szükséges, ha eleve van az IC-nek egy 5V-os külön bejáratú segédtápja?” Nem, nincs neki olyanja! Ha az IC lábán 5V -ot mértél, akkor az csupa véletlen! 1) Azért van rá szükség, mert a vezérlő kör (ebbe az IC is beletartozik) jóval nagyobb teljesítményt vesz fel, amikor "megy a táp". Tehát a "PR1004 típusú D? diódát" nem, nem törölheted! 2) Alap esetben az IC 7-es lábán kb. 2,4V van. Ebből következvén a 6-os lábon is, és ez leginkább akkor lehetséges, ha az 1 -es láb 3,75V -on van. Ha PS/ON -t lehúzod földre, akkor az 1-es láb kiakad Vcc -re, tehát R39 és D35 (ha jól látom a poziciószámot) értelmezhető szakadásnak, mert a dióda nem nyit. (kiindulva abból, hogy a műv. erősítő bemenete a Vcc -jétől nagyobb feszültséggel már nem tud mit kezdeni, tehát nyilván nem kényszerítik ilyen mostoha körülmények közé) Az IC 4-es lába 1,22V -on van (mindig). Ha a +5V kimenet feszültsége meghaladja a 6,2V (ZD2) + 0,65V (D35) + 1,22V (4 -es láb!) feszültségét, akkor a komparátor (aminek az 5- ös láb a nem invertáló bemenete) ki fog akadni Vcc irányába, és tiltja az IC működését. R59 és D39 pedig ezt a kiakadást pozitívan csatolják vissza. Tehát ha már egyszer kiakadt, akkor nagyon nehezen billen vissza. A többi kérdésen is gondolkodok majd, de már elfáradtam. A hozzászólás módosítva: Dec 12, 2014
3) Igen, az általad említett R29 valóban csak egy felhúzó ellenállás. Most nézem csak, hogy az LM339 open collector -os kimenettel rendelkezik. Ennek tükrében érdemes átgondolni, az előző hozzászólásomban említett kimeneti feszültségértékeket. A sok dióda rejtélye most megoldódott: például D34 azért van ott, hogy maradjon valamennyi feszültség az IC 4-es lábán. Tehát amit mondtam:
Idézet: ez nem igaz, mert ha elindul a táp, akkor a 4-es láb leesik 0,8 köré.„Az IC 4-es lába 1,22V -on van (mindig).” A P.G jelzés pedig nem is garantálja az összes tápfesz megfelelő szintjének meglétét. Ha a Feedback láb elért egy bizonyos feszültség szintet (átlag érték), akkor magasabb szintre kerül a 14-es láb, vagy valami ilyesmi. Szóval az egész LM339 kiírtható. A tipped: Idézet: pedig nem helytálló, mert az opamp nem néz rövidzárat, viszont a TL494 képes rá, és ki is van használva. (A vezérlő IC másik hibajel erősítője által, mint ahogy azt rendesen szokás, és mint már javasoltam itt valakinek...)„Sejtem, hogy a power good számolása mellett a túláram- és rövidzárvédelmet is ez végzi (mert a 494 olyat nem tud).” D? maradjon bent, a többit meg -szerintem- kiveheted ami el van kékítve. A pirosságok közül ne vedd ki R15 -öt , és akkor jó lesz a potenciométeres ötlet. Viszont nem érdemes az 5V SB -re kötni a FAN -t, és alaposan gondold át, hogy mi lesz a többi kimenettel, különös tekintettel azok puffer-kondenzátoraira! A hozzászólás módosítva: Dec 13, 2014
Na ma rá tudtam nézni a tápra. Kiforrasztottam a gyanús dupladiódát, persze mégse volt zárlatos.
Valóban igazad volt, meg kellett mérni rendesen, kiszedve is! Nem tudom, panelre rámérve miért sípolt a multiméter.Az 5V-ot is benéztem, vmiért úgy emlékeztem, az IC kapja a 7805-ról a tápfeszt, de valóban, az csak az 5Vsb-re megy. Mindenesetre nem raktam vissza a dupladiódát, hanem inkább lebontottam a +12V-tól különböző ágakat. Nem szedtem ki az összes alkatrészt, hanem csak amit muszáj volt (+/-5V egyenirányító diódák, R9 és R21, L4, R26, R29, és javaslatod alapján D37). A feleslegessé vált puffer elkókat is kiforrasztottam. -12V diódái bent maradtak, mert nem tudtam azonnal beazonosítani őket, és ezért ott inkább L4-et szedtem ki. Így már tisztább lett a kép, eltűnt az eddigi random viselkedés és a 15V környékén jelentkező idegesítő túlfesz-védelem is, vsz D37 kiszedésének hatására. Most kb 10V..19.1V között működik a táp a potival. De furcsa módon ha nagyjából 9V alá tekerem, akkor felugrik 26V környékére, és ott marad. Ennek az okára még nem tudtam rájönni. Régebben tudott akár 4.9V-ot is produkálni, szóval most is kéne neki. A másik, hogy égésnyomokat fedeztem fel a panelen. Persze lehet, hogy eleve megvoltak, mert ez egy igen régi táp. A számítógép, amiben volt, 14 éves volt, és pár éve elhalálozott alaplapi kondenzátorpestisben. Szóval egyrészt R13 kicsit meg van sülve (R13: a rajzon a T2 vezérlő trafó alatt), a másik égésnyom pedig R02 egyik lábánál van (R02: a rajzon baloldalt). Vajon mi okozta ezeket? Mikor elkezdtem kísérletezni a táppal, az elején kipróbáltam a rövidzárvédelmet. Lehet, hogy az nem kapcsolt elég hamar?
UI: a FAN egész jól elforog 5Vsb-ről is. Esetleg ha majd melegszik a táp, akkor azt tervezem, hogy a 7805-öt kicserélem egy ellenállásra meg egy kb 8V-os Zenerre, és így nagyobb feszültséget kap majd a venti.
Hát most nem fogom átlátni a hirtelen feszültségugrás okát, ott méregetni kéne ezt-azt. (3-as lábat, Vref lábat (azt hiszem 14-es). Az LM339 -est kiszedted? Nem mondtad hogy terhelés nélkül vagy terheléssel ugrik-e fel.
R02 azért van ott, hogy egyáltalán be tudjon rezegni a segédtáp (Q2 és környéke). Érdemes kicserélni, de figyelj a teljesítményre és kivitelre! A másik megpörkölődöttet is érdemes cserélni. A pörkölődés végülis természetes, és ahány régi tápot szétszedtem, mindegyiknek legalább a NYÁK-ja meg volt néhol barnulva. A rövidzárvédelem hibáját kizárnám, mert az ellenállások a -csak- néhányszor nagyobb teljesítménytől nem szoktak megbarnulni. Akkor inkább lepattan valahol a zománc és megszakad.
LM339-et nem szedtem ki, de az ugye elvileg csak leszabályozni tudja a tápot a DTC lábon keresztül? Tehát attól nem kéne felugrania 26V-ra a feszültségnek. Egy 150 ohmos 3W-os ellenállás volt a terhelés (20V-ra méreteztem).
Az a vicces, hogy R02 már gyárilag is minimum 2W-os kinézetű. Fel nem tudom fogni, honnan kap akkora feszültséget, hogy bebarnítsa az egyik lába alatt a talajt. (Megpróbálok majd csinálni fotót.) A másikat mindenképpen kicserélem. Kicsit utánagondoltam, és valóban, simán kaphat (elméletben) annyi áramot, hogy bebarnul. Ha 26V érkezik a D? (PR1004) diódán, az a D13-R13-R10-T2-Q3-D12-D13 útvonalon eljuthat a földig, és ekkor az ellenállásokra kb 23V esik összesen. Az fejenként 1.3W, ha hinni lehet a rajznak. És ezek pici ellenállások. Sajnos ezeket a tápokat eléggé alulméretezik. Pl. az enyémre +12V ágra 9A van ráírva, hát ehhez képest a 2xPR3002 dióda elméletben csak 6A-t tud, ha jól számolok. (http://www.diodes.com/datasheets/ds26014.pdf)
Hello!
Ne féltsd az árammérőt, egy kb 1000µF -os kondenzátorba nincs annyi energia, ami az átvezetést (mint tömeggel, tehát hőtehetetlenséggel rendelkező) meg tudná ölni. 60A csúcsáramot kibír 250ms ideig, és ez 100 másodpercenként ismétlődhet. Ha biztosra akarsz menni, akkor tegyél egy induktivitást sorba még a kimenettel, ami a kimeneti áram (amúgy sem)tetszőlegesen gyors változását korlátozza. Egy kicsit még visszakanyarodva az árammérésre: Idézet: Hát jó. És mi van akkor, ha te csak 0,2A -re szeretnéd korlátozni a tápot? Akkor az a söntön (ezek szerint) 1mV feszültséget ejtene. Tehát ez már összemérhető a kommersz műveleti erősítők bemeneti offszet feszültségével. Jó, nyilván vehetsz kimondottan „Kb. 100 mV 20 amperen” -alacsony offszetfeszültségűt is, sőt olyant is, ami ezzel -egyidejűleg már 4-5V ról szépen elmegy. Sőt, akár -még Rail-to-Rail típusú is lehet ez a kis csoda. De az, hogy a vezérlő IC Vref lábáról akarod táplálni, a nekem furcsa. Én biztosan nem tennék ilyen becstelenséget. A zavarvédelmet a drága, és speciális műveleti erősítő sem tudja önmaga garantálni. Tehát rákölthetsz néhány száz Forintot, és rengeteg munkaórát még működő lesz (vagy nem). A lágyindítás pedig megoldható. Ellenállás + kondenzátor (eminensek tehetnek bele diódát is) kombinációval a megfelelő helyen. Itt is van rá példa; 8. oldal . Ha sikerül a terveidnek megfelelően, stabilan működő, olcsó, utánépíthető áramkorlátot megalkotni, akkor javaslom publikálásra rövid cikk formájában. Biztosan sokakat érdekelne. A hozzászólás módosítva: Dec 14, 2014
Igazából nem döntöttem el, hogy mivel oldom meg. Jó lenne műveleti erősítőkkel, ha nem jön össze, akkor jön a Hall elem.
Viszont ott is kell ám egy kis trükközés. Az ACS712, ami 500 Ft – nem tragikusan drága, de csak indokolt esetben veszi meg az ember – váltakozó feszültségre való. Tehát nulla áramnál a tápfesz fele van a kimeneten, nem pedig nulla Volt. Plusz adatlap szerint 7 mV zaj. Van az ACS713, ez egyenáramra való, viszont egyrészt drága, másrészt ott is van zaj, amit árammérésnél le kell nullázni. A másik a hőfokfüggés: ki kell mérni, mert számomra nem egyértelmű, mi van a valóságban: adatlap vs. beszámoló. Viszont kipróbáltam a pozitív ágas billenő komparátor ötletemet, működik jól. Ugye itt elég nehéz mérni, mert már a multi terhelése is beleszámít, de úgy néz ki, helytálló az adatlapi pár mV eltérés érzékelése. Igen, ha nagyon le akarom korlátozni az áramot, valóban gondban leszek. Viszont arra van gyengébb táp, ezt az erősebb dolgokhoz akarom használni, és ott is inkább amolyan nem tönkremenő biztosítékként. Az igazság az, hogy valódi áramgenerátorra tulajdonképpen nem igazán volt még szükségem, elég a korlát, hogy ha hibázok, ne legyen füst a vége. Ha pedig áramgenerátor kell, veszek ehhez pár százasért egy panelt Ebayen (és később beleépítem akár ebbe). Az áramméréshez valószínű lesz egy második sönt a negatív ágon. Ez így elég betegen hangzik, de valójában nem vészes. A mérő sönt 1.5 milliohm -> 20 Amper esetén 30 mV veszteség, ez lényegtelen. Cserébe pontos, hőfokfüggetlen árammérésem lesz (amíg össze nem földelem másik táppal). A pozitív ágas áramkorlát sönt pedig kompenzált, úgyhogy akár még növelhető is kicsit az érték, ha kevés lenne a 100 mV. Amit linkeltél az jó, mindjárt át is tanulmányozom! Természetesen ha sikerül több használható ötletet kiötleni, valahogy megosztom. Szerintem saját blogos cikk lesz. A hozzászólás módosítva: Dec 15, 2014
Az ACS712 egyen és váltó áramra is jó.
szucsip, légyszi segíts még egy apró kérdésben!
A rövidzárvédelem hogyan működik? Nézegettem a kapcsolási rajzot, de nem jöttem rá. Annyit tudok, hogy a 2-es hibaerősítő csinálja (ezt te is írtad). Neten se találtam konkrét magyarázatot. Egyáltalán miből tudjuk, hogy a kimeneten nagy teljesítmény lép fel? Árammérő ellenállás nincs a kimeneten. Akkor valahogy a kitöltési tényezőt figyeljük, és ha nagy, akkor lekapcsoljuk a tápot?Ha már elhangzott ez a fórumon, akkor elnézést kérek! Elkezdtem olvasni az elejétől, de még csak a 12. oldalig jutottam.
Másik kérdésem, hogy az 1-es hibaerősítő invertáló bemenetének (TL494 2-es pin) módosításával elérhető-e, hogy a táp feszültsége 4.9V-nál lejjebb szabályozható legyen? Mert ugye most ezen a lábon kb 4.9V lép fel, az R32/R47 osztó szerint. Ha kicserélem mondjuk R32-t 4.7k-ra, akkor elméletben a láb feszültsége leesik 2.5V-ra. Az az ötletem, hogy ezzel el tudnám érni, hogy a potméter teljes letekerésekor 2.5V legyen az output és így 3V-os berendezéseket is meghajthasson a táp. Cserébe persze a potit kb kétszer nagyobbra kéne cserélni, hogy ugyanúgy 19V-ig mehessen.
Ez persze csak akkor játszik, ha megoldottam a 26V-ra felugrás problémáját és rendesen működik 5V..19V között a táp. De elméletben van valami akadálya ennek a módosításnak? (Azon kívül, hogy esetleg instabil lesz a kimeneti feszültség.)
Pc tápbol hogyan lehet egyenirányitot szimentrikus tápot csinálni ugy gondolom hogy alkatrészekböl
Jól gondolod..
![]() Teszel az 5 voltos és a 12 voltos tekercsvégekre is megfelelő 2-2 diódát és azokról hozod ki a negatív feszt.. szűrőelkó, stb. és kész. Csakhát olvasnod is kéne hozzá....
Üdv!
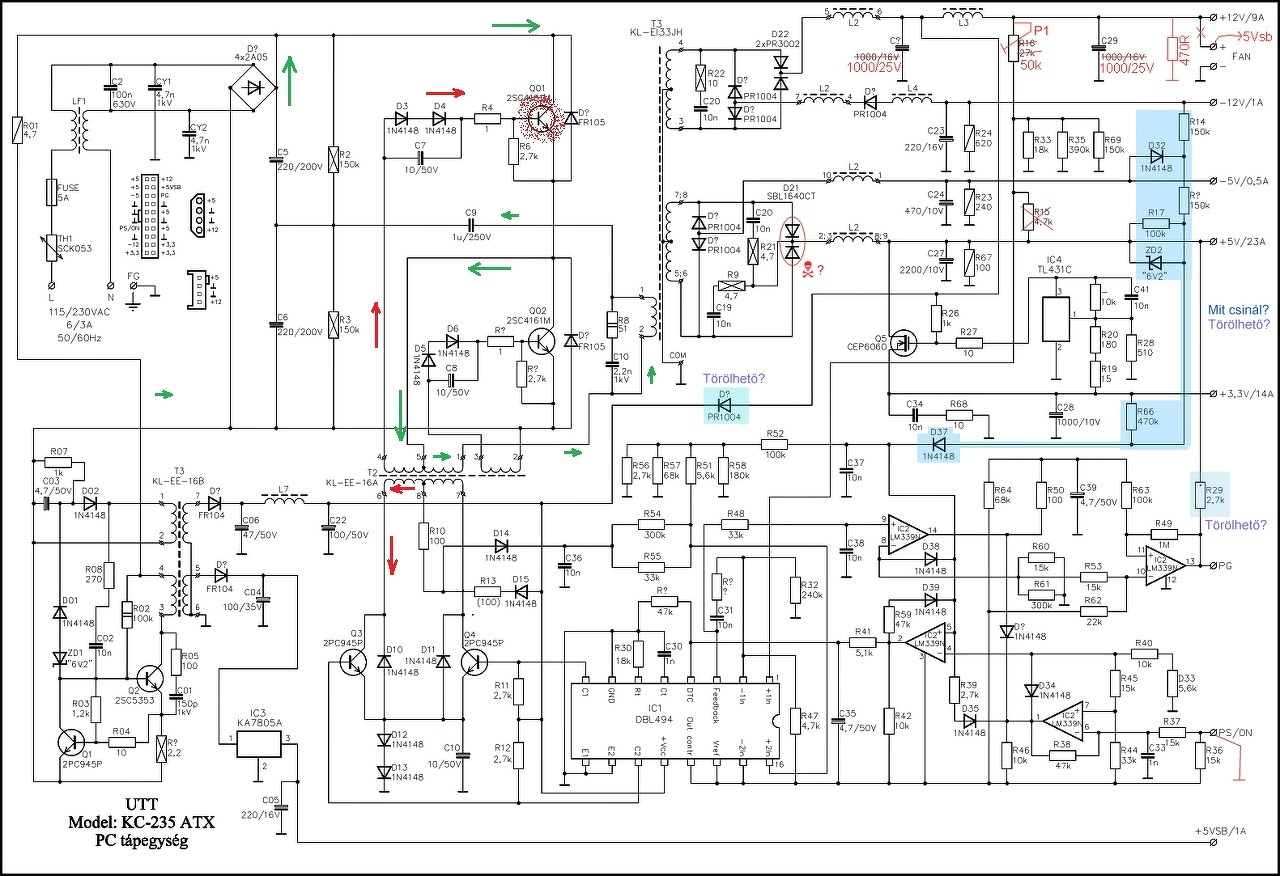
A rövidzárvédelem a trafókon keresztül aktiválódik. A 16-os láb feszültsége magasabb, mint a 15-ösé a primer túlaram esetén. Mutatok egy képet az én elképzelésemről. A piros áramnyilak jelzik a meghajtó kör áramát. Látod, hogy a pirosított tranyó nyit ezen példa alapján. Az általa a T3 trafó pirmerjén áthajtott áramot zölddel jelöltem. Ha jön a rövidzár, akkor a szekunder áram megnő. Ettől a primer áram is megnő. Ezért T2 trafó 5-ös kivezetése pozitívabb lesz,mint az 1 -es. És egyuttal a 4-es lába is magasabb lesz, mint az 5-ös. Ez a feszültségszint növekedés átmenetileg növeli a túláram mértékét, de mivel visszatranszformálódnak a feszültség és áramviszonyok, ezért a 8-as láb feszültsége megnő, a 6-osé csökken és tul. képpen C36 kondi töltődik "túl". C36 feszültsége pedig be van vezetve a másik hibajel-erősítő nem invertáló bemenetére. Mindezekből következik, hogy ha a schottky diódáknál csinálsz zárlatot, akkor elpukkan az egész táp, mert idő kell, mire a túláramvédelem aktiválódik. Remélem, hogy nem tévedek. Kérem a tapasztaltabb fórumtársakat, hogy nézzék át; nem mondok-e valótlant.
Aha! Sajnos nem mondanám, hogy teljesen átlátom, de a lényeg megvan. Azaz a T2 trafón keletkező túlfeszültséggé "konvertálódik" át a hirtelen áramlökés, ha jól gondolom. És ezt a D14 dióda vezeti el a C36 kondiba.
Ahogy most ezt a részt nézegettem, azt hiszem, megoldódott a 26V rejtélye is. Ugyanis nagyjából ekkora outputfeszültség kell ahhoz, hogy a 16-os lábra kimeneti rövidzár nélkül 5V essen. Azaz ha kikötjük az 1-es hibaerősítőt, akkor a 2-es erősítő önmagában erre a szintre fogja szabályozni a +12V ágat. Mert ugye jön a +12V ágról 3 dióda (D?, D15, D14), az 2-3V-ot jelent, aztán a maradékot egy 8.16k : 25.515k arányú osztó (C36-tól jobbra) leosztogatja, és ez megy a 16-os lábra. Így a 26V-ból lesz végeredményben 5.5..6V. De ugye nem vettünk figyelembe egy jó csomó alkatrészt, ami még bezavar ebbe az útvonalba, és azok esetleg le tudják vinni 5V-ra a feszültséget. Még azt kéne kitalálnom, hogy ha letekerem az általam betett potit nagyjából 25k alá, akkor miért lesz olyan a helyzet, mintha ott se lenne az 1-es hibaerősítő.
Nem tudom... Esetleg próbálkozz meg frekvenciafüggetlen visszacsatolással a 3-as láb környékén. (A TL494 -es adatlapjAIn látsz rá példát!)
Sziasztok!
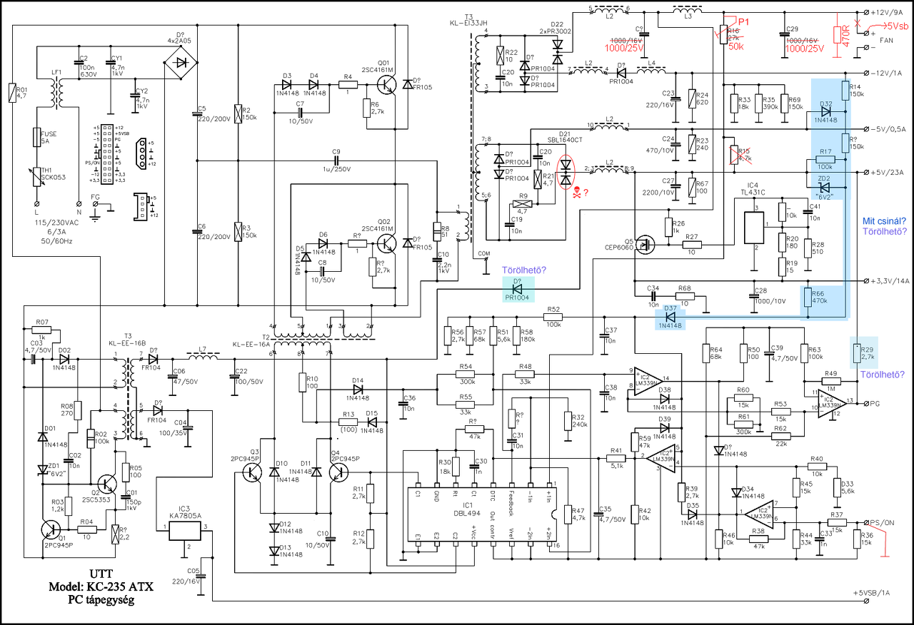
Csatoltam a tápom kapcsolási rajzát. A cikk szerint alakítom át, viszont a védelem kiiktatásában nem vagyok biztos. A cikkben az van írva, hogy a négyes lábat a GND-re kell kötni és ehhez elég a az osztó felső tagját kikötni. Az én esetemben elég, ha az R37-es ellenálást lekötöm a tranzisztorról, és azon keresztül kötöm a 4-es lábat a GND-re? Nagyfelbontású kép A hozzászólás módosítva: Dec 20, 2014
Üdv!
Nem, akkor pont az ellenkező hatást érnéd el. Inkább szedd ki D17 -et, és R37 -jelenleg kollektorra kapcsolódó- kivezetését kösd földre. Ez a legtisztességesebb megoldás, és még a "lágyindítás" is megmarad. A hozzászólás módosítva: Dec 20, 2014
Szerencsére erre nem lett szükség. Ma méregettem pár feszültséget a tápon, és elkezdtem gyanakodni a potméteremre. Kiszereltem, és valóban, az egyik lába szakadt volt, és emiatt nem volt feedback. Kicsit fura, mert kiszerelés előtt a szabályzás "fél pályán" működött, tehát kb 11V és 19V között. (Lehet, hogy a forrasztás még rátett egy lapáttal.)
Ha már forrasztgattam, akkor kicseréltem R32-t 4.7k-ra, és így a pin2-n most már 2.5V van, nem 4.9V. (Először véletlenül R31-et szereltem ki, hát úgy éreztem magam, mint aki rossz lábat amputál.) És valóban, a pin1 és +12V rövidre zárásával most sikerült levinni 2.5V-ra az output feszültséget! 100k bekötésével pedig 18V az output, tehát úgy néz ki, ha veszek egy 100k trimmert, akkor van egy 2.5V..18V tápegységem. (Jó lenne, ha lenne 110k-s poti, mert akkor 20-21V-ig is felmehetnék, ami az általam olvasottak szerint kb a stabil határ.) Persze nem akarom elkiabálni, mert biztos lesz még vele teendő, de ha tényleg sikerül, akkor lefotózom és megmutatom.
Üdv!
Érdemes a kisebb értékek felé menni (persze arányaiban), hogy zavarvédettebb legyen az egész (nem tudom, hogy van-e tényleges jelentősége). De ha már így van: Miért nem raksz sorba a 100k Ohm -mal egy 20kOhm -osat is? Lenne egy durva, és egy finom állítód. Az, hogy konkrétan a te tápod hány V-ig adna stablian, az jó kérdés. Ki kell próbálni! A trimmerekkel óvatosan, nem arra valók, hogy egész nap tekergesd. Szóval hamar kikophat a csúszkájuk.
Na, ez a két potméter nagyon jó ötlet! Köszi! Ezt fogom csinálni. És valóban, rendes potit fogok venni. Olvastam is tegnap, hogy a trimmereket kb 200 forgatásra méretezik. Na az tényleg nem sok... Lehet, hogy ettől ment tönkre.
Hát a 200 szerintem túlzás. Nekem középiskolában azt mondta az egyik tanár, hogy 10 fordulatra... (Mondjuk ennek a tanárnak az ón forrasztáskor nem megfagyott, hanem megdermedt!)
Majd arra figyelj, hogy kellően rövid vezetékeken vidd a potikat. Esetleg viheted árnyékolt kábellel is, aminek az árnyékolását a panelon is földeled, és a másik végét a PC táp dobozánál földeled. A hozzászólás módosítva: Dec 21, 2014
A feszültségszabályozós résznél pedig (1.-es láb), az R76-ot és az R33-at kell átkötni 12V-ra, ugye?
Igen, valami olyasmi. Bár én nem igazán látom az értékeket, és a pozició jeleket sem.
Ott van az eredeti hozzászólásban a link is a nagyobb felbontású képhez.
... és tényleg!
Szerintem R27, R76, R33 egyértelműen kivehetőek, és R34 -mal sorba egy 25k potit betenni. Így kb. 2V és 15,4V között lehetne szabályozni a kimeneti feszültséget.
Biztosan az R34-gyel sorba? A cikkben épp fordítva szerepel:
"Az 1-es láb feszültség osztójának az alsó tagjaival párhuzamosan rakunk egy 22K trimmert" Tehát ha az R37-et kiveszem, akkor az R26-al párhuzamba. Vagy a végeredményt tekintve ez teljesen mindegy? A 15,4V-nél van remény feljebb jutni? 20V körül már elégedett lennék.
Megfelelő mértékű potival biztosan, de 16V felett mindenképpen kondicsere szükséges a +-12V ágakon. Legalább 25V-osakra kell cserélni ezeknek az ágaknak a szűrőkondenzátorait.
|
Bejelentkezés
Hirdetés |





Valóban igazad volt, meg kellett mérni rendesen, kiszedve is! Nem tudom, panelre rámérve miért sípolt a multiméter.






