Fórum témák
» Több friss téma |
Sziasztok!
Régóta foglalkozom lézerekkel (szakaszosan, ahogy időm engedi), ez az egyik kedvenc hobbim. Építettem már modulokból több RGB lézert, ez volt az egyszerűbb. Most diódákból szeretnék egy RGB -t külön meghajtóval, védelemmel, optikákkal kompletten. Ezekről szeretnék tapasztalatokat, véleményeket cserélni ezen a fórumon, mert láttam több olyan embert is akik foglalkoztak már ilyennel komolyabban. Elkezdtem más témák közül összeszedni okosságokat, de 30 oldal átolvasgatása után nem bírtam tovább (volt minden vegyesen...), ezért indítottam újat. Itt reményeim szerint a témában jártas emberek fognak tényleg véleményt alkotni saját tapasztalat alapján. Leírom mi a jelenlegi tervem, ha valaki kiegészíti fontos infókkal, lebeszél valamiről érvekkel, ajánl valami mást, jobbat, hasonló értelmes érvekkel nagyon megköszönöm. Tehát RGB lézert szeretnék építeni, valamennyire olyat ami fehér színt is tud. Ez persze erősen pénztárca függő, tehát lesz ahol kompromisszumot kötök. Első körben pont a piros színnel, ebből csak 1W lesz 2 szín egyesítése után, mínusz a veszteségek. A kiszemelt diódák: 1x Nichia NDB7875 1x Nichia NDG7000 2x Mitsubishi ML501P73 Házaknak kizárólag vörösrézből ilyesmiket szeretnék. Meghajtók közül három akadt, de még nem sikerült eldönteni melyik lehet a jobb. Erről csak jót hallottam, de nincs felső áramkorlátja A duálnak van felső áramkorlátja. Bár nem tudom van-e olyan gyors, hogy tényleg megvédje a diódát ha valamiért túláram érné... (Az oldal régóta működik, jelenleg épp nem megy, de később hátha...) Ez itt pedig túl szép, hogy igaz legyen. Hallott már erről valaki? Optikák. Kollimátor, anamorf prizmák, cilindrikus lencsék, PBS, waveplate. Bővebben: Link Bővebben: Link Bővebben: Link Bővebben: Link Bővebben: Link Bővebben: Link Védelem a diódákhoz, hogy sokáig éljenek. Valami ilyesmi végeredményt szeretnék elérni, csak kisebb méretben és a szép sugár miatt kellene hozzá térszűrő is. Előre is köszönök minden infót, érvet, segítséget. A hozzászólás módosítva: Nov 3, 2014
Üdv!
Egy olyan problémám lenne, hogy van egy M66515FP meghajtó IC és ennek az ic-nek a kimeneti teljesítményét hogyan lehet megnövelni? Nekem 4,5V 800mA kellene de a gyári felállással lényegesen kevesebb. Természetesen lézerdiodához kellene. Eredetileg kb 5-10mW-os infradiodához van, én pedig kék, minimum 500mW-hoz szeretném használni. köszi!
Készül az új projekt.
PT 60Kpps galvo 1w 523nm 2w 450nm 1,6w 638nm ilda dmx és sd player
Bár már nem foglalkozok lézer épitéssel,néha még figyelemmel kisérem a dolgokat,rá-rá pillantok.
A kinai felülmúlta magát.Nem ragozom,a QS program felületéből lopott egy jókora adaggal. Kiváncsi leszek mi lesz erre Bill-ék válasza.Többször kérték a kinait ne használja a Pangolin márkát a termékük reklámozásában,ezek szerint nem érdekli őket,sőt. Aki kivánja ITT ishow3.0 letöltheti a programozói változatot. A hozzászólás módosítva: Dec 22, 2014
Nos igen,meg is érkezett a válasz a Pangolin LS-től.
Jogi útra terelik a dolgot,mivel a beépitett ábrák a Lightspeed Design Group (LSD inc.) tulajdonai. Továbbá a QS grafikai felülete is jogvédelem alatt áll. Komolyan veszik a dolgot. Vegyétek ti is komolyan és ne érjétek be az olcsó kinai utánzatokkal ne támogassátok a szoftware hamisitást,tulajdonjog megsértést azzal hogy az ishow-t veszitek meg,mert "az olcsó". A lézer megépitése nem filléres,megilleti a jogtiszta vezérlés ami ha drága is,de a minőség,az élmény kárpótol .Bár ha van pénzed lézerre a profi programra is kell hogy legyen! (az ishow összes verziója tulajdon jogot sért mivel a bennük található .ild file-ok javarészét csakis irásos engedéllyel lehet terjeszteni amit ők nem kértek.) Kérek elnézést a kirohanásomért.
Sziasztok.
Egy kis szegítséget szertnék kérni. Havertől kaptam egy komplekt galvo szettet, és 1-2 dologgal nem vagyok tisztában, a bekötéssel. A kapcsolási rajzot nem adta ide így kicsit el vagyok tévedve. A legfőbb a galvo és a végfokpanel bekötése, ez csak a galvon van feliratozva a panelen nincs. És a Dac panel bekötés is érdekelne. Plusz a végfokokból hiányzik 2 IC oda milyet kell raknom? Csináltam néhány fotót, hátha valaki felismeri ezt a fajta kapcsolást és tud nekem segíteni. Pláne ha valaki kívülről fujja ezt és elég ha paint-el odarajzolja mit és hova kell kötnöm. ![]() Előre is köszönöm!!!
Látom Guliver neve van a panelon. Tőle kaptad?
Hát pedig ha ő nem tudja, akkor elég esélytelen, hogy valaki más tudja. Esetleg ha véletlenül felismeri a képről.
Nem találta még meg a kapcsolási rajzot.
Szia!
Az ic-k TL084 müveleti erösítök, Bővebben: Link Amúgy Szücs Peti féle A hozzászólás módosítva: Jan 21, 2015
Az lp-s dac pedig pople féle.
Bővebben: Link Link javítva. Használd a link gombot! -moderátor- A hozzászólás módosítva: Jan 21, 2015
Szia.
Köszi szépen. Eddig nagyjából képben vagyok, de a galvo kivezetéseit nemértem még, hogy hová kössem a végfokon.
Üdv!
A galvo tekercseinek kivezetését símán a végfok kimenetére kötöd ahová egyéb esetben a hangszóró kerülne teljesen mindegy melyiket hova ha fordítva rajzolna akkor csak megcseréled a két szálat.
Jó, ennyivel én is tisztában vagyok, csak az érzékelőket hová kell, azt nem tudom pontosan.
Ha van pid áramköröd és a szupepe féle.
ami lejjebb van pár sorral akkor a jp3 csatira kötöd a két opto vevő kimenetét .
Üdv!
kértdésem lenne a következő: Hol lehet magyarországon beszerezni lézerhez lencséket konkrétan van egy gyógyászati lézerem amiben van egy műanyag lencse és már ráégett a kosz 808nm 500 mw van benne a lencse ránézésre teljesen olyan mint egy régi cd olvasó fókuszlencséje meg is van a rossz esetleg elküldeném hogy mérjék be és rendelnék pár darabot.
Szia Atis!
Ha képet tudnál fel rakni róla akkor lehet hogy tudok segíteni, van egy optikus ismerős, hátha tud valamit rá mondani. Üdv Tibi
Itt van két kép telefonnal tudtam csinálni.
ha nem jó othon megpróbálok minőségebbi képet. Szélessége 7,2 mm műanyag bár lehet hogy üveg jobb lenne ha van. amit nem tudok hogy mi a tipusa a fókusztávja és egyéb adatok.
Üdv!
Lassan belekezdtem én is az RGB projektembe, Dac és végfok megvan. Ma összedobtam a kis 3 az 1-ben áramgenerátoromat. Nekem nagyon tetszik, és ami kellemes meglepetés h minden gond nélkül elsőre működik tökéletesen. Hurááááááá ![]() Holnap jön az összepakolás, hátha estére már el tudom indítani. egyenlőre csak a vörös fog üzemelni, a többi szín még nem érkezett meg.
Hey!Majdnem olyan mint az én elsőm!
Remélem minden OK lesz és sikerül egy jó kis RGB lézer összehozni.
Tényleg mintha a kistesója lenne.
![]() Egyenlőre minden ok-nak tűnik, ez az első komolyabb lézer amit építek, remélem jó lessz.
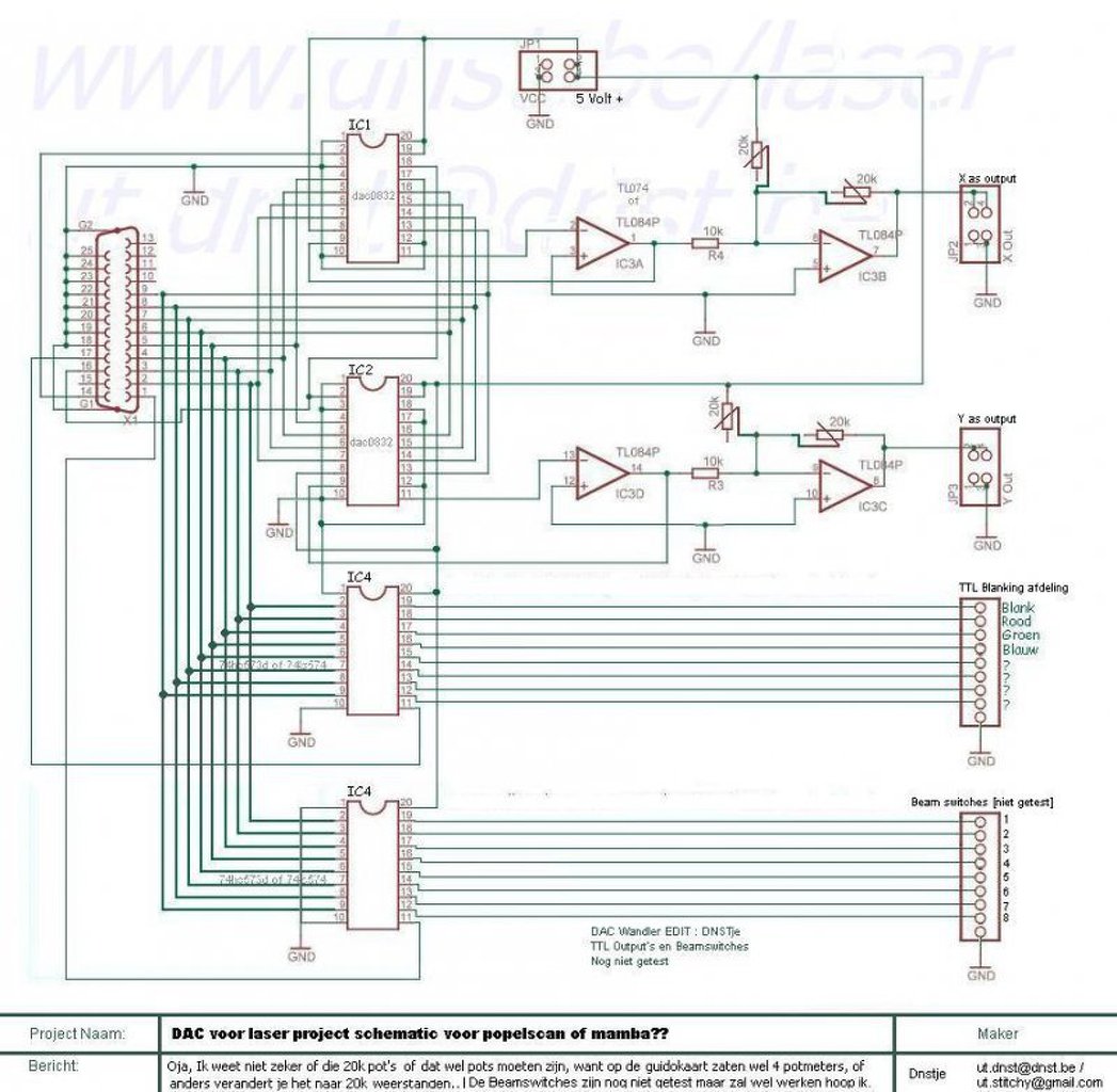
Szia!
Mellékelem a rajzát. Az IC4 nincs benne.
Hello
Honnét tudom előszedni ezt a híres "Popelscan" programot? Már kiolvastam a google-t de nem jutottam előbbre.
Hello!
Itt van 2 verzió. Ha jól tudom ezek csak a régebbi fájlokat nyitja meg.
Üdv.
Köszi szépen, de mit is értessz az alatt hogy a régebbi fájlokat nyitja meg? Nekem még új ez a program
MOT kiterjesztésű fájlokkal dolgozik. Ha jól rémlik akkor volt egy 4-es verziószáma is a proginak. És azokat már nem kezelte ez a verzió.
Találtam a gépemen már fájlt ehhez a verzióhoz. |
Bejelentkezés
Hirdetés |






























