Fórum témák
» Több friss téma |
WinAVR / GCC alapszabályok: 1. Ha ISR-ben használsz globális változót, az legyen "volatile" 2. Soha ne érjen véget a main() függvény 3. UART/USART hibák 99,9% a rossz órajel miatt van 4. Kerüld el a -O0 optimalizációs beállítást minden áron 5. Ha nem jó a _delay időzítése, akkor túllépted a 65ms-et, vagy rossz az optimalizációs beállítás 6. Ha a PORTC-n nem működik valami, kapcsold ki a JTAG-et Bővebben: AVR-libc FAQ
Még ezt ajánlom:
Generating the HEX file in AVR Studio 6 Az ATTINY13 alap Fusebit beállításai: Bővebben: Link Szerintem a CKDIV8 elöl kikelene veni a pipát! De ehez már hozzáértő valaki kel! A hozzászólás módosítva: Feb 5, 2015
Most ez jött ki de ez se olyan mint ami neked jött ki.
:1000000009C019C018C017C016C015C014C013C04D :1000100012C011C011241FBECFE9CDBF10E0A0E671 :10002000B0E0E8EDF0E002C005900D92A036B10717 :10003000D9F720D04FC0E4CF009749F0E3ECF9E0C6 :100040003197F1F700C0000001970097B9F70895C4 :100050008BE087BB17B887E886B9089597B19C7F76 :1000600097B997B1892B87B9369A3699FECF84B163 :1000700095B10895EDDF82E0F1DF81599109843B6C :10008000934018F0C19AC098F6CFC19AC09AC3980D :1000900088E592E0D1DFC39A81E090E0CDDFC29A9B :1000A00084E690E0C9DF82E0D9DFC29882569340AF :1000B000833E910500F7C39AC198C09A82E0CEDFD3 :1000C000EC0181E090E0B8DFC256D340C33ED105D9 :0800D00090F3D1CFF894FFCFAB :00000001FF Inkább belemásolom a hex be ami neked jött ki és vagy működik vagy felrobban az akku ![]() És kijött egy error is. A hozzászólás módosítva: Feb 5, 2015
Nálam ez a kód:
És az eredmény:
Done building target "Build" in project "GccApplication2.cproj". Done building project "GccApplication2.cproj". Build succeeded. ========== Build: 1 succeeded or up-to-date, 0 failed, 0 skipped ==========
Ha azt bemásolom és build-elem akkor az jön ki mint a legutóbb.
Akkor kezd elölről:
1.:Create a New C Project for GCC in Atmel Studio 6 Javítottam a kódon:
A hozzászólás módosítva: Feb 5, 2015
Elnézést kérek!
Nálam Debugon állt a fordítás, Releasen már az eredmény hasonló a tieddel!
Üdv. urak.
Rövid, igen-nem kérdésem lenne: Egy Atmega16A-PU kapcsolásban potmétert raknék.Eddig az 1K merült fel, helyette jó a 10K-s is?(nincs erről adat megadva) ..és még 1 kérdés:ha 2x megépítem, az win7 alatt ütközni fog? át kell írni valamilyen azonosítót a kódjában, vagy megoldja a win7?(C-ben van írva) Köszikécske.
Első kérdés bonyolítva:
Vegyesen rakhatok rá potikat? Azért kérdem,mert nem vagyok tisztában a feszültség esések, áramkorlátokkal(első AVR-em). USBről lesz meghajtva,nem aktív hub és nem külső táp. A vegyes potik azért merültek fel,mert egy tolópotit is raknék amiből csak 10K-sat találtam, a tekerős potik.
Úgy látszik, most mindenkinek akad más munkája?
Ezért az én véleményem, ha több potit akarsz párhuzamosan bekötni 1 PC.USB tápra? Akkor felejtős az 1K, Inkább 10K – 100K(A) lehetőleg egyformák. A 2x megépítet egyforma rendszeredet a Win7 megtudja különböztetni, mivel valószínű 2 különböző USB portba fogod bedugni. Neked lesz segítség az azonosításukban, ha nem egyformán jelentkeznek be.
Érdekes felvetés, mert szerintem az 1k-val azon túl, hogy 25mW-ot megeszik, semmi probléma nincs. Próbapanelen szoktam 1k-s potmétert tologatni, de mondjuk elemnél már nem feltétlen előnyös, mert jóval többet fogyaszt, mint az IC. Ha pedig 20 db ilyet beraksz, akkor már 0.5W-nál jársz.
A 100k-s potmétert már nem ajánlottam volna, a speckó is azt írja, hogy az ADC 10k-ra lett optimalizálva. Idézet: „The ADC is optimized for analog signals with an output impedance of approximately 10 kΩ or less. If such a source is used, the sampling time will be negligible. If a source with higher impedance is used, the sampling time will depend on how long time the source needs to charge the S/H capacitor, with can vary widely. The user is recommended to only use low impedant sources with slowly varying signals, since this minimizes the required charge transfer to the S/H capacitor.” A hozzászólás módosítva: Feb 5, 2015
Nekem is debug-on állt de itt is debug-on van.Ha átrakom release-re akkor is ugyan az jön ki. :
:1000000009C019C018C017C016C015C014C013C04D :1000100012C011C011241FBECFE9CDBF10E0A0E671 :10002000B0E0ECECF0E002C005900D92A036B10714 :10003000D9F71FD049C0E4CF009741F0E3ECF9E0D5 :100040003197F1F700C000000197F6CF08958BE0DB :1000500087BB17B887E886B9089597B19C7F97B991 :1000600097B1982B97B9369A3699FECF84B195B14E :100070000895EDDF82E0F1DF81599109C19A843B57 :10008000934010F0C098F6CFC09AC39888E592E0EC :10009000D3DFC39A81E090E0CFDFC29A84E690E09C :1000A000CBDF82E0DADFEC01C298C256D340C33E18 :1000B000D10500F7C39AC198C09A82E0CEDFEC0167 :0C00C00081E090E0B9DFF1CFF894FFCFB1 :00000001FF A program alapján meg tudod mondani hogy melyik lábra kell kötni a piros meg a zöld ledet?(egyik 5 ös lábra másik 6 osra) A hozzászólás módosítva: Feb 6, 2015
Köszönöm,mindkettőtöknek a törődést. 10k-sat veszek.
Eddigi írásaid szerint attiny13-ast használsz?
Adatlap lábkiosztás 2.oldal A programod szerint:
A Debug beállítást hibakeresésre használjuk. A véglegesen használt kódot Release ként fordítsd le! A hozzászólás módosítva: Feb 6, 2015
Így messziről nem tudom, mit szúrsz el?
Ennél jobban nem tudom elmutogatni a teendőket! Hiszen már az elején mondtam, hogy ilyen kevés háttér ismerettel ez nem fog neked menni!
Köszi, nem tudtam hogy ez is benne van az adatlapban.
Idézet: „Hiszen már az elején mondtam, hogy ilyen kevés háttér ismerettel ez nem fog neked menni!” Ezért is kértem hogy valaki fordítsa le nekem. Majd azt a hex-et használom ami neked jött ki. Köszi a segítséget!
Üdv!
Hogyan működik az ATMega8 reset lába? Mit kell beállítani ahhoz, hogy ha alacsony/magas szintre kerül, akkor induljon újra? A dokumentációban nem sikerült megtalálnom.
Mert ez nem is lehetséges!
Legfeljebb 1 külső inverter segítségével.
Fordítva viszont jól működik!
Ha H/L szintre vált újra indítja a porcit.
És amíg LOW marad, addig a proci is RESET-ben marad. Ki van ez találva, hidd el nekem.
![]() Programból szeretnéd újraindítani? Arra ott a watchdog...
Fizikailag egy gombbal szeretném. Magyarán egy felhúzóellenállás és a gomb meg húzza földre. Köszönöm!
Sziasztok! Köszönöm szépen mindenkinek a segítséget! Különösen killbill-nek és kapu48-nak, valamint zombee-nek tartozom köszönettel, de ugyanúgy hálás vagyok mindenkinek, aki segíteni próbált! Az eszköz (ltc1864) jól működik. Most egy kis ARM következik ismét. Ezzel is támadt egy új ötletem.
Szerintem a legjobb megoldás:
Bővebben: Link
Kövezzetek meg, de én figyelmetlenségből néhány segítséget leminősítettem az értékelésnél! És nem lehet visszavonni.
(((((((((((((((((((((((((((((((((Nem volt szándékos. Mea culpa! Maxima mea culpa! ((( A hozzászólás módosítva: Feb 7, 2015
Kaptam egy házilag gyártott STK500 -at. ATMega32 szeretnék vele programozni.
A win8.1-em azonban "Ismeretlen USB eszköz (érvénytelen konfigurációleíró)" mond ha csatlakoztatom a géphez. Eddig 10 drivert töltöttem már le, de mindegyikre azt mondja, hogy "Már telepítette a legjobb illesztőprogramot az eszközhöz, a windows megállapította, hogy az eszköz illesztőprogramja naprakész" Őrület! Honan tudnék win8-as STK500 drivert letölteni?
STK500 driver olyan nincs, mivel a szabvány soros porton működik. Neked az USB emulátorra kell driver. Véletlenül nem AVR-Doper? Mert ha igen akkor esélytelen.
Ez a kütyü amit kaptam (stk500 azt mondták) USB csatlakozója van.
Értem. Ha USB-s akkor lehet bármi. Azt kéne először megnézni hogy pontosan micsoda.
Pl. a win eszközkezelőben(devmgmt.msc) kellene megnézni a "VID/PID" értékét.
Sziasztok.
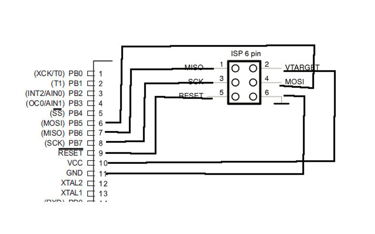
Én is megkaptam az STK500-amat. Köszi. AVRstudio6-tal töltenék egy meglévő hex-et, 1 atmega16-ra. ISP módra gondoltam, az jó lesz? és aszerint jó az alábbi kacsolás? Az STK-mon van 10pin és 6 pin csatl. is. (TPI, PDI mód nem tudom mire jó, vagy azt kéne-e használnom) Köszi ha valaki felvilágosít.
Mivel tegnap minden drivert telepítettem amit csak találtam a neten, mára amikor csatlakoztattam a kütyüt AVR-Doper -t irt ki rá az eszközkezelőben.
No meg felkijáltójelet ezzel: "Az eszköz illesztőprogramjai nincsenek telepítve. (Kód: 28) Nincs az eszközzel kompatibilis illesztőprogram. Az eszköz illesztőprogramjának megkereséséhez kattintson a Frissítés gombra." Azután ráeresztettem a könyvtárra, amiben összegyűjtöttem a sok ilyen-olyan drivert, erre ezt írta ki: "A Windows talált illesztőprogramot az eszközhöz, de a telepítés során hiba történt. Virtual communications Port. A külső gyártótól származó INF fájl nem tartalmaz digitális aláírási információt" No meg keressem meg a gyártót... Device USB\VID_16C0&PID_05E1\avrdoper was configured. Nekem nem kell digitális aláírás, ha meg nem lehet anélkül akkor minek tesznek fel olyat aminek nincs aláírása... ?! Nem igaz, hogy ennyit kell szenvedni egy sima programozóval. Valamikor régen bedugtam négy madzagot a párhuzamos portba és kész. A Basic Stamp-nál még mindig így megy. Ha lenne párhuzamos portom, esküszöm azzal csinálnám és eszembe se jutna gondot csinálni magamnak USB-vel. De hát már csak USB -van, ezért szereztem be ezt a programozó kütyüt is... |
Bejelentkezés
Hirdetés |








(((((((((((((((((((((((((((((((((




