Fórum témák

» Több friss téma
Fórum » Videoton RA 6363 és EA 6383 javítása
Lapozás: OK   72 / 124
(#) P_Laszlo válasza djhans hozzászólására (») Márc 31, 2015 /
 
Igen, az is szokott megpörkölődni/szakadni. Báááár, még az is lehet, hogy a 82 ohmos emitterellenállások nélkül beindul, ha a végtranyók a helyükön vannak.

Én fordítva voltam, korábban szórakoztam a hibakareséssel, aztán meguntam, és fő a hatékonyság, kell az idő másra. És egy idő után nincs mit tanulni már belőle.
(#) simongab hozzászólása Márc 31, 2015 /
 
Sziasztok. Még nem volt időm cserélni. Azt sem tudom van e itthon...
(#) simongab hozzászólása Márc 31, 2015 /
 
Egyébként most figyelem, nagy amplitúdós ugrálás a mélyhangokra jön elő, mélyszűrőre megszűnik. Mi ez a némítás amiről beszéltek? A 10dB-t vágó fekete gomb?
(#) djhans válasza simongab hozzászólására (») Márc 31, 2015 /
 
Némítás ha hozzáérsz a gombokhoz akkor elnémítja amíg fogod vagy átkapcsolsz másik bemenetre, illetve kikapcsoláskor, hogy nem puffanjon.
(#) simongab válasza djhans hozzászólására (») Márc 31, 2015 /
 
Azt hittem ez hiba
(#) djhans válasza P_Laszlo hozzászólására (») Márc 31, 2015 /
 
Hát igen, jogos.

Egyébként elfért volna két 10-es álló trimmer szerintem a végfokon. Egyik a diff erősítő környékén a kimeneti 0 beállításához a másik meg a nyugalmi áram áram beállító tranyó mellett. A némítás meg nem sokat ér. Bekapcsoláskor nem aktív amikor a legnagyobbat puffan. Bemenet váltáskor nem szól nagyot de le is lehet venni a hangerőt ezalatt. Ezt az erősítőt így kell elfogadni, bár én szereltem az enyémbe egy koppanásgátlót ami az egyenfesztől is véd.
A hozzászólás módosítva: Márc 31, 2015
(#) gyuszo válasza djhans hozzászólására (») Márc 31, 2015 /
 
Idézet:
„Egyébként elfért volna két 10-es álló trimmer szerintem a végfokon.”

Igen, pont erre céloztam, hogy az újabbakba be is tették. A 6386 és a 7386-ba.
(#) P_Laszlo válasza djhans hozzászólására (») Márc 31, 2015 /
 
Azokból a VT trimmerekből, amik a rádióban is vannak? Inkább ne, mert akkor a kontakthibák miatt haláloztak volna el.

Be lehet állítani úgy a némítást, hogy be- és kikapcsoláskor is lezárja a bemenetet, sokmindent lehet. Ezek a problémák (ki-bekapcs tranziens) teljes mértékben megszüntethetők egy kis utánajárással.

gyuszo, hiába céloztad, DC offset beállítás nem lett később sem.
(#) ronin75 válasza P_Laszlo hozzászólására (») Ápr 1, 2015 /
 
Idézet:
„Be lehet állítani úgy a némítást, hogy be- és kikapcsoláskor is lezárja a bemenetet, sokmindent lehet. Ezek a problémák (ki-bekapcs tranziens) teljes mértékben megszüntethetők egy kis utánajárással.”

Például hogyan? Neked van erre megoldásod?
(#) P_Laszlo válasza ronin75 hozzászólására (») Ápr 1, 2015 /
 
Vagy 10 éve volt egy trafócsere után. Megnézem pontosan. Viszont a szabályzó modult is érintette az alakítás.
(#) ronin75 válasza P_Laszlo hozzászólására (») Ápr 1, 2015 /
 
Köszönöm előre is.
(#) fabisoft hozzászólása Ápr 2, 2015 /
 
Sziasztok!
Van egy jó öreg 6363S tip. rádiós erölködőm. Ez életem harmadik ilyen készüléke, de ennél szerencsére nem jelentkeztek a tipikus betegségek a rádiót leszámítva. Mert hogy a rádió adók az enyémnél is kezdtek elmászkálni, de a trimmerek és kondik cseréje megoldotta a problémát.
Gondoltam megérdemel 2db. új pufferkondit, ha már így kezdünk belemelegedni a dolgokba....
Sajnos elböktem mert az újjak szélesebbek és pont nem férnek be a régiek helyére.
Ennek ellenére rákötöttem őket készüléken kívül és azért van különbség. Nagy hangerőn sem kezd el a nagyobb mélyeknél torzítani, szerintem jobb lett a hangja.
Csak az bosszant, hogy nem tudom őket hova bezsuppolni! Esetleg ha valakinek lenne ötlete...
Úgy néz ki egyelőre mennek vissza bele a régi "Mechanikai művek" elkók.

A kérdésem a következő lenne: mivel én csak egyszerű amatőr vagyok, magyarázza el nekem valaki, hogy mi a különbség az elkó és a másik kondi között. Ezzel gondolom nem lehet helyettesíteni az elkókat ebben a készülékben....
(#) doktor válasza fabisoft hozzászólására (») Ápr 3, 2015 /
 
Szia!
A tetőn, is tudod vizszintesen rögziteni a készüléken belül, meleg-, vagy gyors ragastóval, ezenkivül a készülék hátoldalán, oldalán akár furás nélkül a meglávő furatok felhasználásával.
A vezetékelésné , érdemes, nagyobb keresztemetszetet alkalmazni,
(#) gyuszo válasza fabisoft hozzászólására (») Ápr 3, 2015 /
 
Be lehet tenni , apró átalakítással. A hálózati bekapcsoló gomb helyett egy kisebb méretűt tegyél bele. A kép bal alsó sarkában az a fehér műanyag tömb.
Így ennek a helyére a belsejében elfér 4 db eredeti 4700µF 40V MM elkó, tehát 2 x 9400 uF.
A hozzászólás módosítva: Ápr 3, 2015
(#) gyuszo válasza fabisoft hozzászólására (») Ápr 3, 2015 /
 
Még javíthatsz rajta, ha nincs szükséged a fejhallgató kimenetre, megszünteted. A képen a piros szigetelésű csőben levő vezetékek. A csatlakozáson csak el kell végezni a megfelelő átkötéseket.
A hozzászólás módosítva: Ápr 3, 2015
(#) fabisoft válasza doktor hozzászólására (») Ápr 3, 2015 /
 
Köszönöm. És mi a különbség a két kondi között? Ami az első képen van az nem jó?
(#) fabisoft válasza gyuszo hozzászólására (») Ápr 3, 2015 /
 
Köszönöm. Kapcsoló cserét követően már valószinüleg beleférnek az új kondik.
A füles kimenet megszüntetésében mi az okosság?
(#) gyuszo válasza fabisoft hozzászólására (») Ápr 3, 2015 /
 
Megrövidül a kimenő vezeték , nem fog áthaladni a jel a fejhallgató kimeneten, ami kontakt hibát szokott okozni.
A hozzászólás módosítva: Ápr 3, 2015

ra6363.jpg
    
(#) fabisoft válasza gyuszo hozzászólására (») Ápr 3, 2015 /
 
Nekem még szerencsére nem volt egyiknél sem kontaktos a fejhallgató csatinál.
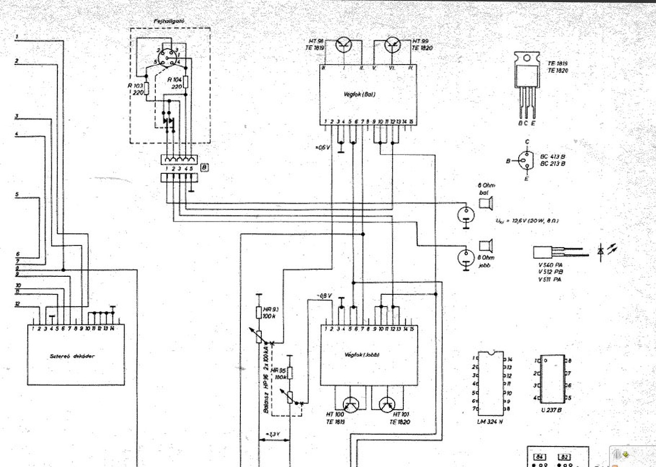
Arra gondoltam, hogy kicserélem nagy Jackre az aljzatot. De most nézem, hogy közvetlen a végfokról kapja a jelet. Ez nagyon nem szerencsés megoldás. Rosszul tudom, hogy általában az előfokról szokták megoldani?
(#) djhans válasza fabisoft hozzászólására (») Ápr 4, 2015 / 1
 
Mindenhol a végfokról kapja de azért vannak ott a 220 ohmos ellenállások.
(#) simongab hozzászólása Ápr 6, 2015 /
 
Jól látom, hogy a némító és végfok panel kisezreléséhez fel kell szedni az alaplapot is? Egy csavar tartja a modult?...
(#) steelbird válasza simongab hozzászólására (») Ápr 6, 2015 /
 
Miért kellene?
A doboz aljáról kell levenni a fém takarólemezt és egy-egy csavar fogja a modulokat alulról.
(#) simongab hozzászólása Ápr 6, 2015 /
 
Oksi..megvan, a fekete kondik 100µF-esek, nem lehet ettől a hangszóró lebegés és DC a kimenete, hangszóró leégés? Az SC1 et keresem, valószínüleg cserélve volt, merre esik?
(#) steelbird válasza simongab hozzászólására (») Ápr 6, 2015 /
 
Ne mondd már, hogy nem találsz meg egy kondit egy olyan panelon, amelyiken minden alkatrésznek oda van írva a pozíciószáma...
SC01, ha megnéznéd a rajzát, akkor látnád, hogy a modul a 14 -es lábon kapja a tápfeszültséget, ott van sorban vele az SR02, az meg rámegy az SC01 -re. Még a modul lábszámok is ott vannak a nyákon.
(#) simongab válasza steelbird hozzászólására (») Ápr 6, 2015 /
 
Dolgozom az ügyön, a kérdés inkább az, hogy az emlékei szerint 47µF cseréje 100µF-ra okozhatja e a nevezett problémát. A pozíciószámot azért nem látom mert lefedik az alkatrészek...
(#) P_Laszlo hozzászólása Ápr 6, 2015 /
 
Ez a rajz nem az a rajz, de azért a 01 és a 40 tápfeszültséget szűr, szóval mindegy kb. hogy 47 vagy 100uF.
(#) simongab válasza P_Laszlo hozzászólására (») Ápr 6, 2015 /
 
Kiszedtem az SC 01 és SC 40 es 47uF(zöld 84-es MM- állítólag elég szar a kékek jobban bírták) os elkót, a kérdés az hogy a feketék gyáriak e, mit cseréljek, és merjek e 16V ost betenni a 40 es helyére, csak az van itthon...

Mindenki egyetért abban, hogy az egyenfesz löketek lehettek ezektől az esetlegesen elöregedett kondiktól?
(#) P_Laszlo válasza simongab hozzászólására (») Ápr 6, 2015 /
 
Annyira nem tartom valószínűnek. De egy próbát megér. 47 vagy 100µF/35V kerül vagy 12 Forintba.

16V... Hol van az a bejövő kb. 25-től. Tényleg nem nézed a rajzot?

A többi 100µF amivel az erősítést növelik eredetileg is annyi, bár, szerintem kicsit túl érzékeny a bemenet ebben a fellállásban.
(#) simongab válasza P_Laszlo hozzászólására (») Ápr 6, 2015 /
 
Nézem a rajzot, ez van itthon, gondoltam ipari cucc, talán kibírja Merre keresgéljem a hibát? .P Egyáltalán a szabályzó fokozatból eredhet a probléma? És hogy a fekete kondik gyáriak? Én majdnem kizártnak tartom...
A hozzászólás módosítva: Ápr 6, 2015
(#) P_Laszlo válasza simongab hozzászólására (») Ápr 6, 2015 /
 
16V-os kondenzátor nem bírja ki a 25-öt.

Én láttam ilyen feketékkel szerelve a panelt. De mit számít, hogy gyári-e vagy sem. Nem értem. Akár gyári, akár nem, végig lehet cserélni, ennyi idő alatt legalább hat darab panelen.

Jöhet a szabályzóból az alacsony frekvenciás gerjedés. De azt is ellenőrizni kell, hogy külső forrásból üzemeltetve is jelen van-e, vagy csak a beépített tuner felől jön.
A hozzászólás módosítva: Ápr 6, 2015
Következő: »»   72 / 124
Bejelentkezés

Belépés

Hirdetés
XDT.hu
Az oldalon sütiket használunk a helyes működéshez. Bővebb információt az adatvédelmi szabályzatban olvashatsz. Megértettem