Fórum témák
» Több friss téma |
- Ez a felület kizárólag, az elektronikában kezdők kérdéseinek van fenntartva és nem elfelejtve, hogy hobbielektronika a fórumunk!
- Ami tehát azt jelenti, hogy a nagymama bevásárlását nem itt beszéljük meg, ill. ez nem üzenőfal! - Kerülendő az olyan kérdés, amit egy másik meglévő (több mint 17000 van), témában kellene kitárgyalni! - És végül büntetés terhe mellett kerülendő az MSN és egyéb szleng, a magyar helyesírás mellőzése, beleértve a mondateleji nagybetűket is!
A doksiból azt látom, hogy ez egy szabályozócsalád. A tokra az AMS3107-3.3 van írva? Mert ha esetleg AMS3107-5.0 lenne, akkor 5V bemenőfeszültség esetén pont 4,5V-nak kell lennie a kimeneten.
A bekötés biztosan jó?
Igen és igen. 3.3-s. Jól van bekötve. Amikor leterhelem maxra akkor esik le 3.3v-ra.
Sziasztok!
Egy szilárdtest relének mi jelentősége hogy nulla átmenetnél kapcsol-e vagy nem. Egy PLC vezérelt szekrénybe való sínre szerelhető 40A-os ipari kivitelről van szó.
Kevesebb zavart kelt és a fogyasztónak is kellemesebb, ha nem rögtön csúcsfeszültséget sütnek rá bekapcsoláskor.
Köszönöm! És ezek kimenetét meg lehet védeni valamivel? Mert 1 zárlat után kuka hiába van megfelelően méretezett kismegszakító. Mi jöhet még számításba? Varisztor?
Túláram (zárlat) ellen nem jó túlfeszültség ellen védő alkatrész (varisztor). Megfelelően méretezett gyors vagy ultragyors kioldású túláramvédőkkel lehet megelőzni a bajt. A biztosíték milyenségéről a szilárdtestrelé adatlapja vagy alkalmazási példája nyújt konkrét segítséget.
Ezt a jelölést hogy kell értelmezni? Hány H a tekercs értéke? És egy ilyen smd induktivitás mekkora áramot visel el?
10 uH, fél..1 amper.
A harmadik szám a 10 hatványa, mint szorzó.. A hozzászólás módosítva: Okt 25, 2015
Egyszerűen úgy lehetne mondani, hogy az első két számjegy után annyi nullát kell írni, amennyi a harmadik szám. Ha az 0, akkor nem kell utána írni semmit. Jelen esetben az érték 10, és mikrohenry-ben értendő. Ha pl. 102 lenne, akkor a szám 1000 lenne.
Az áramot adatlapból lehet leginkább megtudni.
Sziasztok!
Többször akadtam abba a problémába hogy egy kapcsolás 5 Voltos és így egy adott kimenetre is 5 Volt jön de nekem 12 voltos relém van. Tehát az lenne a kérdésem ilyen esetbe hogy válasszak kapcsolótranzisztort és hozzá ellenállás értéket? Magára a számításra lennék kíváncsi.
Szia!
Ha csak 5V áll rendelkezésedre, akkor muszáj lesz 5V-os behúzótekerccsel rendelkező relét beszerezned.
Ha van 5 és 12 V is, akkor a melléklet szerint. Ha a relé olyan, ami nagyobb áramot igényel, a tranzisztor cserélendő izmosabbra.
Ez stimm de ha csak 3 Volt jön ki? Én arra vagyok konkrétan kíváncsi hogy az ellenállást mi alapján számoljam ki? És a tranzisztornál csak az áramot kell figyelembe venni?
Hello!
Nekem nem egyértelmű, hogy csak rosszul fogalmaztál a kérdésedben, vagy nem érted a dolgot? - Ha 5V-os a kapcsolásod, akkor sehogy nem fog működni a 12V-os relével. - Ha 12V-os a kapcsolásod, akkor működhet 5V-os relével. Akkor meg kell mérni a relé tekercsének ellenállását, és a soros ellenállást ki kell számolni. Ennek módját a neten pillanatok alatt megtalálod. Vannak hozzá egyszerű progik is, de azok nem segítik a "megértést". Mivel ez kezdő kérdés rovat, ne firtassuk, hogy hogyan lehet 5V-al, 12V-os relét meghúzatni.
Az 5V Egy példa volt. A kapcsolást értem.Konkrétan az R1 ami itt a rajzon 1K Azt más feszültséghez hogy bírom kiszámolni? Lényeg az hogy 12V-os relét akarok meghúzatni kapcsolótranzisztoron keresztül úgy hogy 12V-is rendelkezésemre áll de az adott kapcsolás kimenetén 3-5vagy9V van. Remélem így érthető a kérdésem.
Ha kétszeres a bázisra kötendő feszültség, akkor dupla ellenállással számolhatsz. De szerintem maradhat az eredeti érték is, nem fog attól semmi sem túlterhelődni. Mivel a tranzisztor kapcsolóüzemben működik, ezért minél nagyobb bázisáramra (megfelelő határokon belül) kell törekedni a teljes kinyitás érdekében.
Üdv!
Ez sem egy pontos számítás, de ide szerintem megfelel. A szükséges kollektoráramot elosztod a tranyó bétájával (hFE), a kapott érték lesz a szükséges bázisáram. Innentől az Ohm törvénye segítségével ki tudod számolni az ellenállás értéket. Ha a számított bázisáramot például felfelé kerekíted, akkor biztos jó lesz. A maximálisan megengedett értékeket (és a hFE-t) pedig a tranyó adatlapjában találod.
Tehát 9V-nál a bd139-el 378Ohm Lesz? Jól számoltam? Ha nem akkor kérlek fejtsd ki bővebben
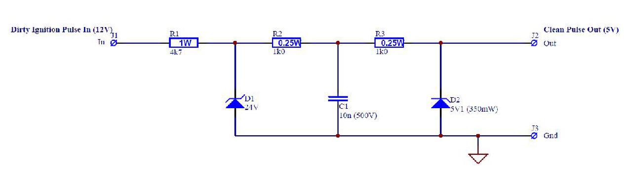
Fordulatszámmérő jel feldolgozásában kérném a segítségeteket.
Adott egy jel (t11.png). Ez egy maximum 12 voltos négyszögjel (az oszcival mérve kb 10 voltos Vpp) négyszögjel. Elég meredek a jel, viszont zajos(tüskés, kb 3 voltos tüskék), ezeket kéne eltüntetni belőle. találtam egy kapcsolást(TachFilter.jpg). Ez jó lehet nekem? Ha nem találok 10nF 500V-os kondit, tehetek bele kisebb feszültségű kondit? 100V-os van mindenhol. Miért kell ide 500V-os? Gondolom kerámia jó lenne. A négyszögjel szélessége változhat(ha nagyobb fordulaton jár a motor,sűrűsödik a jel, PWM) Nekem a cél: 5V-os kimenet és aránylag zajmentes. Gondolkoztam Schmitt triggeren még. Köszönöm a válaszokat!
Attól függ mekkora áramot akarsz vele kapcsolni. A hFE sajnos nem egy konstans érték, függ a kollektoráramtól. Lásd melléklet 4. oldali grafikon.
Igen, így már érthető. A következő válaszok részben meg is válaszolják a kérdésedre. ha a maradunk a példában szereplő BD139-nél, akkor látszik az adatlapjából (4. oldal), hogy 5mA CE áram esetében a béta legalább 25. Egy "átlagos" 12V-os relé ellenállása 1 kOhm körül szokott lenni. Tehát 12mA áram kell a meghúzásához. Ha a béta 25, akkor a bázison 12/25=0,5mA áramnak kell folynia. Ha a tranzisztor meghajtó feszültsége 5V, akkor 5V-0,65V(B-E feszültség)=4,35V-nak kell esnie a bázisellenálláson. 4,35V/0,5mA=8,7kOhm.
Ez persze közelítő számítás, és nem egy optimalizált megoldás. Különböző szempontok szerint, változhatnak a számok. Pl. ha a kapcsoló tranzisztoron minimális disszipációt akarunk elérni, akkor csökkenteni lehet a bázisellenállálást. Ha a példában szereplő 1 kOhm bázisellenállást használod, akkor közel tízszeresére nő a bázisáram, és így a CE szaturációs feszültség is tized voltokban mérhető. ...és akkor még nem számoltunk azzal, hogy a béta akár 10 szerese is lehet, és akkor a bázisellenállás is tizede lehet. Még nem számoltunk a hőmérséklet hatásával, és minden paramétert erősen elnagyoltam. Én azt szoktam csinálni, hogy az elképzelt kapcsolást berajzolom egy szimulátorba, és megnézem hogy különböző esetekben, mi, hogy alakul? A hozzászólás módosítva: Okt 26, 2015
Ez a HESTORE oldalán is megtalálható adatlap, és enyhén szólva elnagyolt. Csupán a dolgok jobb megértésének érdekében, érdemes egy másik gyártó részletesebb adatlapját is letölteni a BD 139-ről. Persze az adatlapot értelmezni is tudni kell.
Amit mellékeltem nem a HEStore-ból származik, ez sem a legrészletesebb, de az meg végképp nem.
Ha a jel magassága állandónak mondható, akkor leosztod, majd Schmitt trigger. Kb. a legbiztosabb megoldás.
Hello!
Egy kapcsolás részletét szeretném értelmezni, nagyon egyszerű, mégsem tiszta... Sajnos képem nincs, de a következőképpen néz ki: 2 NPN tranzisztor, a két tranzisztor bázisai és kollektorai össze vannak kötve (értsd: mind a 4 láb közös), az egyik emitter feszosztóról kap feszt, a másik meg földre megy. Ha valaki meg tudná mondani, mit valósít meg két ilyen módon kapcsolt tranziszor, azt megköszönném. ![]() szerk.: Csatoltam képet. A hozzászólás módosítva: Okt 26, 2015
Köszönöm!
A tüskékkel mit tudnék csinálni? Valami kondi? Ha kondi,akkor hogyan méretezzem? Az kicsit megtudná bolondítani a schmitt triggert,nem?
Feszültségosztással a tüskék mérete is osztódik. A szkóp ábra szerint nem fogja zavarni a triggert.
Sziasztok,
Nekem egy olyan kérdésem lenne, hogy pl a közös emitteres erősítő alapkapcsoláshoz hogyan tudom megállapítani a munkaponti adatokat, hogy kitudjam számolni a munkapont beállító ellenállásokat? Pl egy BC337-nél. Honnan tudom mekkora Ut, Ic, Ube, stb. Ha a munkapontot a lineáris szakaszban szeretném beállítani pl ennél a BC-nél akkor mit kell kiszámolni? A munkaegynes akkor hogy is van? :$ Pl ennél a BC-nél Ic = 800mA, Vce = 50V Tudom nagyon alap, de még csak most kezdek ismerkedni ezekkel ![]() Köszi előre is!
Szia!
Első, amit tegyél, tanulmányozd át az adatlapját. A határértékekkel ne foglakozz, ne akard megközelíteni sem. Ennél a tranyónál maradj egyelőre a 10-20 voltos Ut-nél és max. 5-20 mA-es kollektoráramnál. Figyelj a disszipációs részre is, hőfoktól függően. Sok minden el van dugva, olvasnod is kell hozzá. Egy adatlapot írásban nehéz lenne elmagyarázni, némi kísérletezést is iktass be. A hozzászólás módosítva: Okt 26, 2015
|
Bejelentkezés
Hirdetés |














