Sziasztok.
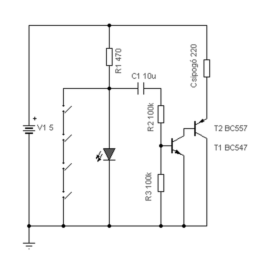
Riasztót szeretnék építeni lenne neki 4 érzékelője és ha az érzékelők nem érintkeznek akkor világítana egy led és egy piezo hangszóró sípolna egyet.
Ha pedig az érzékelők érintkeznek akkor csak a led aludjon ki.
5v körülire gondoltam.
Hogyan lehetne ezt meg valósítani milyen kapcsolással??
Bármilyen segítséget elfogadok.
Segítségeteket előre köszönöm.
oh köszönöm

ööö 10 uf al lehet a csipogás hosszat beállítani ?? 10uf polaritás mentes?
A hozzászólás módosítva: Nov 4, 2015
Hello! Igen. Így kb. egy másodpercig fog szólni. Polaritásmentes 10µF elég ritka(drága) így egy elkó megfelelő. Plusz a Led felé.
bc557 helyet 640 rakok és 547 helyet pedig 337 et
Kapcson kell valamit alakítani ezek a megváltoztatás miadt?