Fórum témák
» Több friss téma |
Szia! A felsorolt ellenállásokkal tudod állítani mennyit erősítsen, esetleg csillapítson a kapcsolás. A kapcsolási rajz szerinti értékekkel a hangszínszabályzást leszámítva a kimeneti feszültség megegyezik a bemenetivel.
Aha.Hát telefont-rádiót kapcsolnék rá,meg egy végerősítőt. Remélem elég jelet fog neki biztosítani.
A telefon jelenleg ki tudja vezérelni a végerősítőt? Ha kevés volna a jel az R23/R24-et, illetve az R21/R22-t módosíthatod.
Jó reggelt.Még nem tudom,hogy ki tudja-e vezérelni,mert még nem jött meg a hűtőborda a végerősítőhöz. Anélkül meg nem akarom bekapcsolni.Ha elkészül és probléma lenne vele,itt kérdezősködök.Addig is nagyon szépen a köszönöm a segítséget.
Halli hát egy érdekes kérdésem lenne
)Stereo előerősítőnél p lM358 nél az erősítő ellenállásnak 1db potmétert használnák mint két feléhez ?? Akkor is Stereo marad ???
Szia! Egy rajz nem ártana, hogy elképzelhessük mire gondolsz. 1db sztereó poti bizonyára megfelel.
Érdekesre sikeredett
))
Ennek így nem sok értelme van, gyakorlatilag párhuzamosan kötötted a két erősítőt. Az eltérő bemenetek miatt azonban a kimenetek közt áram fog folyni, még lehet, hogy tönkre is mennek az erősítők. Mi a szándék?
Akkor sztereo potit veszek mindenképp
D
Sziasztok!
Szeretnék segítséget kérni! Az alábbi panelrajzon lévő áramkört hozzáértő átrajzolná sima kapcsolási rajzban +- táposra. Előre is köszönöm!
Most látom, a negatív tápfeszültségnél a C4 értéke nem jó. Oda is mehet egy 100nF, mint a pozitív oldalon. (siettem, Copy/Paste volt és ajnos nem vettem észre).
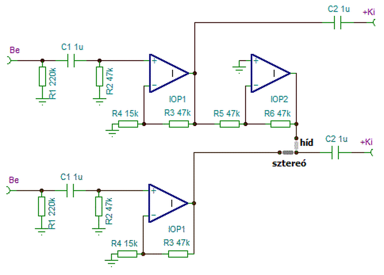
Sziasztok. csináltam egy dupla fázis eltoló rajzot. Remélem minden a helyére került. Nézetek rá légyszíves előre is köszönöm.
Hello! A panelt jónak látom, de az áramkört..
![]() Nem igazán tetszik, hogy az invertáló fokozat bementi ellenállása tizede a neminvertálóénak, ugyanakkor alsó határfrekvenciája is tízszer magasabb.. (33Hz)
Szia! Nem lenne praktikusabb, ha egyik műveleti erősítő elvégezné jelerősítést, a másik pedig csak fázist fordítana? Ajánlom a TL074-et, mely magában foglalja mind a négy műveleti erősítőt!
Nekem a lényeg az hogy tudjon űzemelni sztereo. Űzemben. És hidban egyaránt mind a 4 csatorna . (szóval ha akarom 2 szereo ,másik 2 híd. ,,vagy mind a 4 panel sztereo ként megy.
Nem figyeltem hogy megoldódott-e a sustorgás probléma. Látom a nyákon a kimeneti 100 ohmokat.
Szia. Maratok új nyákot beültetem a javasolt alkatrészeket és mindenképpen beszámolok az eredményekről .
Lerajzoltam a kívánságod szerint.
Az se kerülje el a figyelmed, hogy nem elég a végfokozatok bemenetét átkapcsolgatni. A kimenetet is át kell kötni, a sztereó kontra hídnak megfelelően. Ráadásul mindezt célszerű szinkronban tenni.
Szia. kövez meg nyugodtan. Nem vagyok egy nagy kapcsolásí rajz mester. Megpróbáltam megcsinálni a rajzod alapján a nyák tervet .Remélem minden a helyére került, és jól értelmeztem. Ha valami nem jó, vagy hiányzik, jelezd kérlek. Előre is köszönöm.
Kicsit próbáltam csinosítani, azért nézd át.
Hátha tetszik.
Köszönöm. Nem vagyok egy nagy rajzoló :/ .
Remélem tudod használni...
Ha többször is tervezel, belejössz.
Szia!
A korábbi rajzot úgy értelmeztem, hogy négy végerősítő csatornád van, tehát amit rajzoltam az duplán alkalmazandó. A TL074-et az előző kapcsolás egyszerűsítése végett említettem meg. Jelerősítőnek a kiszajú NE5532 lenne az optimális eszköz. Ez a NYÁK ugyan nem fedi pontosan az általad építendő áramkört, de szemlélteti hogyan rendezhetők el esztétikusan az előerősítő és a fázisfordító alkatrészei.
Igen. Ez még csak 1 belőle. Mellé akartam másolni. A másilat ha minden rendbe.
|
Bejelentkezés
Hirdetés |





)
D 









