Fórum témák

» Több friss téma
Fórum » Sztereó DAC
 
Témaindító: meszattila, idő: Ápr 10, 2007
Témakörök:
Lapozás: OK   79 / 99
(#) gordonfreemN válasza melorin hozzászólására (») Ápr 21, 2017 /
 
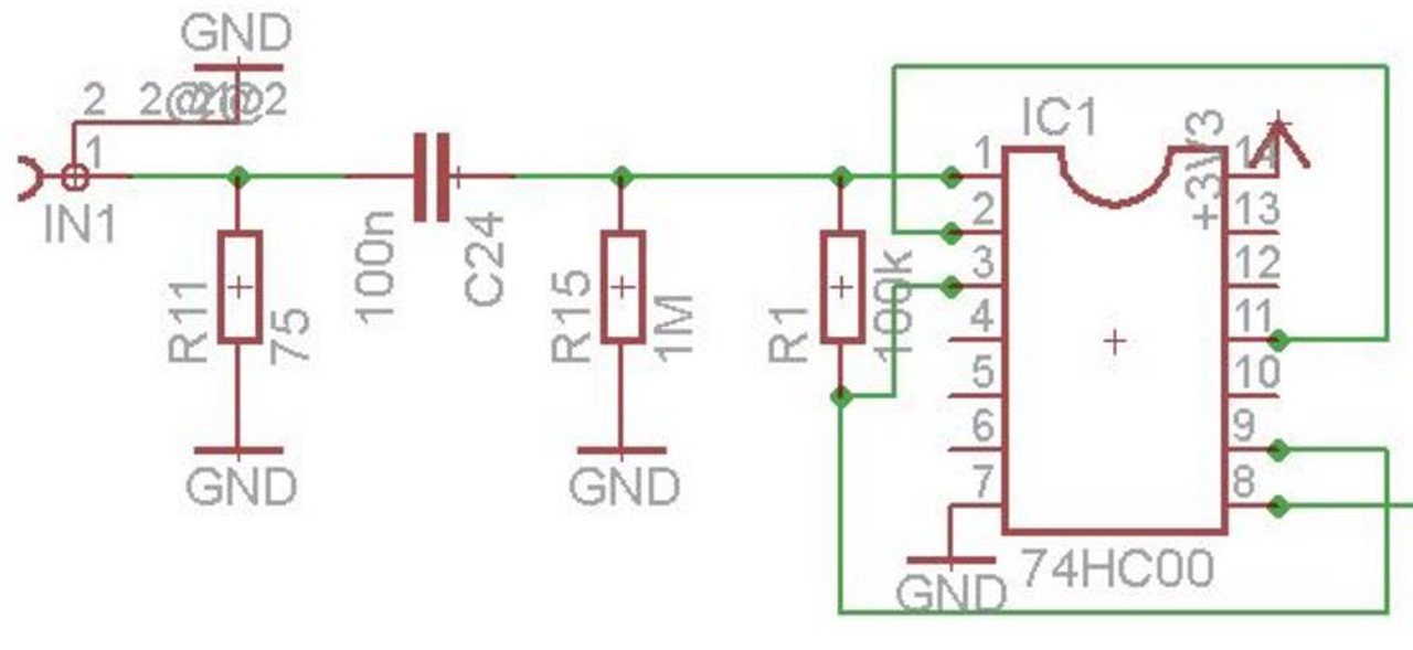
Nekem a jel a trafóra érkezik közvetlen,GND-t a GND-hez a szekunder oldalon is, a szekunder oldalon 75Ohm-mal lekötöd a jelet a GND-re, illetve a jelre teszel sorosan egy 100nF fóliakondit.
DIR-nél én pont igy csináltam és nem pattog csatlakoztatáskorsem.
(#) melorin válasza gordonfreemN hozzászólására (») Ápr 21, 2017 /
 
Az alábbi rajz alapján semmi dolgom nincs, csak beiktatni a trafót, ugye? Az általad említett alkatrészeket már tartalmazza a kapcsolásom.
(#) gordonfreemN válasza melorin hozzászólására (») Ápr 21, 2017 /
 
Inkább ezt, ez a gyári EVM-ből van. Ennek az elejére tedd a trafót simán.

dir.png
    
(#) melorin válasza gordonfreemN hozzászólására (») Ápr 21, 2017 1 /
 
Az enyém köszöni szépen így is működik
De nem is látok túl nagy különbséget a 2 rajz között. Beleteszem a trafót ahogy javasoltad és nem bántom tovább.
Köszi!
(#) nyuszis2 hozzászólása Ápr 23, 2017 /
 
Sziasztok!
Foglalkozott valaki Raspberry Pi I2S kimenetével? Én raktam rá PCM5102-es DAC-ot, az szól megfelelően, de ki szerettem volna próbálni NOS DAC-al is. TDA1543-at kötöttem rá, de csak sistergés jön rajta.
16 bites 44100Hz-es Wav-ak próbálkoztam, de készítettem több mintát is többek között 96000-eset, de egyik sem adott vissza érthető kimenetet.
A sistergés a lejátszásból adódik, nem abból, hogy elkötöttem valamit, mert csak akkor jelentkezik, ha lejátszok valamit, ha szünet van közte, az érzékelhető.
Üdv
(#) gordonfreemN válasza nyuszis2 hozzászólására (») Ápr 23, 2017 /
 
Költői kérdés:
a 1543 tudja az I2S protokollt?
Megnéztem, tudja. Adatvezetékekkel minden ok?
A hozzászólás módosítva: Ápr 23, 2017
(#) CIROKL válasza nyuszis2 hozzászólására (») Ápr 23, 2017 /
 
Költői kérdés a TDA1543 az sima vagy A -as ?
(#) nyuszis2 válasza CIROKL hozzászólására (») Ápr 23, 2017 /
 
Van mind a 2 de én a simával próbáltam, mert az A jelű japán kódolás és nekem biztos nem az jön ki, mert mint írtam az 5102-vel működött.
(#) Moszkvai válasza CIROKL hozzászólására (») Máj 3, 2017 /
 
Nem a 1543-asból árultak sok hamisat anno?
(#) csigabiga1 hozzászólása Jún 7, 2017 /
 
Hétvégén kipróbáltam valami "újat", egy szintén PCM1794 DAC-os ismerős javaslatára: passzív I/V konverter opa helyett. Egyszerű mint a bot, egy 100Ohm-os ellenállást tettem be... És hát, van különbség, jó értelemben. Sokkal levegősebb, könnyedebb, erőlködés mentesebb lett az egész. Eddig is jó volt, de most még jobb lett.... Mindenkinek csak ajánlani tudom aki áramkimenetes DAC-al próbálkozik!
A hozzászólás módosítva: Jún 7, 2017
(#) nyuszis2 hozzászólása Jún 11, 2017 /
 
Sziasztok!
Teljesen tanácstalan vagyok.
Készítettem egy Bluetooth DAC-ot. CSRA64215 a BT és PCM5102 a DAC.
Ha a saját DAC-ját használom a BT-nek, akkor az zajos, ha ugyan azon a tápon van az erősítő is.
Először azzal próbálkoztam, hogy a DAC digitális körét a BT izolált tápjáról (B0505S) hajtom meg, de sajnos a PCM5102 földek össze vannak kötve az IC-n belül, így az izolálás nem sikerült és jelentkezett így is a zaj.
Azután arra jutottam, hogy az I2S-t is izolálom. Egy Si8661BC -vel meg is történt, de a zaj továbbra is megjelenik.
Teljesen tanácstalan vagyok.
A legjobb eredmény eddig, ha a BT saját dac-ját és egy differential erősítőt használok ( pl tpa3116 ) és a BT -t izolált tápról hajtom meg.
Van valakinek ilyesmivel tapasztalata?
(#) gordonfreemN válasza csigabiga1 hozzászólására (») Jún 22, 2017 /
 
Akkor a "trafós" milyen állat lehet
(#) csigabiga1 válasza gordonfreemN hozzászólására (») Jún 24, 2017 /
 
Erről nem tudok nyilatkozni. Egyébként miért lenne jobb? (technikailag indokolva)
(#) gordonfreemN válasza csigabiga1 hozzászólására (») Jún 26, 2017 /
 
Nem tudom. Aki használ ilyet majd megmondja
(#) csigabiga1 válasza gordonfreemN hozzászólására (») Jún 28, 2017 /
 
Talátam egy érdekes cikket: Bővebben: Link

Az alábbi hátrányokat említi ellenállásos I-V kapcsán:
"This approach works fine but has some drawbacks: the shunt resistor worsens the impedance mismatch further and it takes energy away, therefore some of the dynamics are irreversibly lost and all subsequent stage are lacking the drive."

Ezt esetleg meg tudja magyarázni nekem valaki, hogy mit jelent esetünkben a jel integritás és az impedancia probléma???

Az én tapasztalatom most hogy hosszabb ideje hallgatom így: habár tényleg könnyedebb, levegösebb lett a hangzás, elveszett egyfajta testesség, markánsság, illetve szubjektív a mélyhangok terjedelme is csökkent. A mikrodinamika, részletek, tér megvannak, de mégis valahogy erötlen lett az egész. Szóval folyt. köv...
A hozzászólás módosítva: Jún 28, 2017
(#) csigabiga1 hozzászólása Jún 28, 2017 /
 
Valószínüleg a DAC belsö topológiája adja meg a választ. Az esetemben alkalmazott 100 Ohm feltehetöen nagyon magas érték, hátrányosan beleszólva a DAC "ellenállás létrájába".

R2R+DAC.png
    
(#) csigabiga1 hozzászólása Jún 30, 2017 /
 
Egy kis olvasnivaló csak most csak Nektek!
(#) csigabiga1 hozzászólása Júl 7, 2017 /
 
Örömteli tulajdonosa lettem egy digitális oszcilloszkópnak, úgyhogy nemsokára be tudom fejezni a sönt szabályozó finomhangolását...
A hozzászólás módosítva: Júl 7, 2017
(#) csigabiga1 válasza csigabiga1 hozzászólására (») Aug 14, 2017 /
 
Nos, a sönt építése befejezve. Csatolva a majdnem végleges doksi.
A kimeneti impedancia mérését szeretném még szimulálni valahogy. Ötletek?
(#) cicoka hozzászólása Aug 14, 2017 /
 
Üdv mindenkinek. Szeretnélek megkérdezni benneteket, hogy a Cs8416-os vevőnél van-e olyan lehetőség, hogy a 32-44-48kHz frekvenciákat ledekkel monitorozzam? Mert a Cs8412-vel meg lehet csinálni, a kettes és hármas lábakkal. Valami ötlet?
(#) gordonfreemN válasza csigabiga1 hozzászólására (») Aug 29, 2017 / 1
 
Szia.

Nagyon szépen összefoglaltad a tapasztalatokat és infókat.
Valószínűleg mindenki nevében mondhatom, hogy köszi
Kimeneti impedanciát hogyan mérünk?
Adott terhelésváltozásra (I) kapott feszültségváltozás (U). A kettő hányadosa a kimeneti impedancia.
Szimuláció (program) esetén impedancia mérőt kell a kimenetre kötni és úgy mérni.
A hozzászólás módosítva: Aug 29, 2017
(#) nyuszis2 hozzászólása Szept 3, 2017 /
 
Sziasztok!
Van valakinek tapasztalata CS8416-al, nekem hardware módban nem sikerült beüzemelnem.
Két panellel is próbálkoztam, de semmi. Nem volt tapasztalatom spdif-el, azt gondoltam valamit elrontok, de a CS8412 is működik és szereztem be WM8805-öt, azzal is megy, mivel csak 3.3V-os optikai vevőm van így végre ki tudtam próbálni optikával a WM8805-öst, mert a CS8412-nek 5V-os kellett volna.
Egyetlen ötletem maradt, hogy majd próbálkozok software módban.
Üdv
(#) gordonfreemN válasza nyuszis2 hozzászólására (») Szept 4, 2017 /
 
Ha leírod, hogyan kötötted a lábait, lehet többet tudunk.
Az egyéb körítéseket is leírhatnád, lehet abban van a hiba.
(#) csigabiga1 válasza gordonfreemN hozzászólására (») Szept 11, 2017 /
 
Sikerült összehozni a sönt kimeneti impedancia szimulált mérését. Gyakorlatilag 0, kivéve egy szép "huplit", mely nagysága és elhelyezkedése függ pl. a kimenö kondi nagyságától (ld. melléklet). Ez teljesen normális jelenség, vagy lehet segíteni még valahogy rajta?
(valami durva rezonanciának tünik adott pontokon)
A hozzászólás módosítva: Szept 11, 2017
(#) gordonfreemN válasza csigabiga1 hozzászólására (») Szept 13, 2017 /
 
Jó lenne látni a kapcsolásodat is, mert a kimenetre kapcsolt kondenzátor (puffer) az 1-200Hz tartományban is kellene, hogy megemelje a kimeneti impedanciát:
Xc=1/(2*pi*f*C)
(#) csigabiga1 válasza gordonfreemN hozzászólására (») Szept 13, 2017 /
 
Benne van a pdf doksiban, de csatolom ha nem találnád...
Persze lehetne többé-kevésbé valósághü spice kondimodelleket is gyártani, de elsö sorban nem a túlbonyolítás a célom, csak szeretném a jelenséget megérteni. Nem világos hogy miért van egy konkrét rezonanciacsúcs...
A C3 kondiról van szó, ideálisként van modellezve. De ha beteszek mondjuk 10mA ESR-t akkor sem változik sokat...
A hozzászólás módosítva: Szept 13, 2017
(#) csigabiga1 hozzászólása Szept 15, 2017 /
 
A végleges végleges doksi, ajánlom a keretezett felhívást!
A hozzászólás módosítva: Szept 15, 2017
(#) Peter65 válasza csigabiga1 hozzászólására (») Szept 15, 2017 /
 
Lehet, hogy ebben a témában OFF, de mivel nem követtem az áramkör létrejöttének folyamatát, érdekelne, hogy miért nem volt megfelelő a 431-es valamelyik változata. Azt gondolom, hogy azzal egyszerűbb, pontosabb lett volna a tápegység. Mondjuk a különböző gyártmányok eltérő kompenzálást kívánnak, de általában pontosan dokumentált.
(#) csigabiga1 válasza Peter65 hozzászólására (») Szept 16, 2017 /
 
Mire gondolsz 431 alatt? A tranyókat (BCP52/55) az eredeti kapcsolásból vettem, a j-fet-et (BF545) valaki ajánlására.
A hozzászólás módosítva: Szept 16, 2017
(#) gordonfreemN válasza csigabiga1 hozzászólására (») Szept 17, 2017 /
 
És mérés közben hogyan néz ki?
Egy szimulációs kép volna az ami sokat segít ezt már feltöltötted.
Igaz pongyolán fogalmaztam én is.
Szerk.: pl TL431-re mint ref fesz.
A hozzászólás módosítva: Szept 17, 2017
Következő: »»   79 / 99
Bejelentkezés

Belépés

Hirdetés
XDT.hu
Az oldalon sütiket használunk a helyes működéshez. Bővebb információt az adatvédelmi szabályzatban olvashatsz. Megértettem