Fórum témák
» Több friss téma |
Fórum » Sztereó DAC
Témaindító: meszattila, idő: Ápr 10, 2007
Témakörök:
Nekem a jel a trafóra érkezik közvetlen,GND-t a GND-hez a szekunder oldalon is, a szekunder oldalon 75Ohm-mal lekötöd a jelet a GND-re, illetve a jelre teszel sorosan egy 100nF fóliakondit.
DIR-nél én pont igy csináltam és nem pattog csatlakoztatáskorsem.
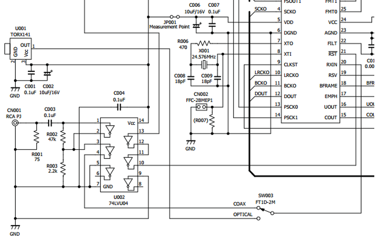
Az alábbi rajz alapján semmi dolgom nincs, csak beiktatni a trafót, ugye? Az általad említett alkatrészeket már tartalmazza a kapcsolásom.
Inkább ezt, ez a gyári EVM-ből van. Ennek az elejére tedd a trafót simán.
Az enyém köszöni szépen így is működik
De nem is látok túl nagy különbséget a 2 rajz között. Beleteszem a trafót ahogy javasoltad és nem bántom tovább. Köszi!
Sziasztok!
Foglalkozott valaki Raspberry Pi I2S kimenetével? Én raktam rá PCM5102-es DAC-ot, az szól megfelelően, de ki szerettem volna próbálni NOS DAC-al is. TDA1543-at kötöttem rá, de csak sistergés jön rajta. 16 bites 44100Hz-es Wav-ak próbálkoztam, de készítettem több mintát is többek között 96000-eset, de egyik sem adott vissza érthető kimenetet. A sistergés a lejátszásból adódik, nem abból, hogy elkötöttem valamit, mert csak akkor jelentkezik, ha lejátszok valamit, ha szünet van közte, az érzékelhető. Üdv
Költői kérdés:
a 1543 tudja az I2S protokollt? Megnéztem, tudja. Adatvezetékekkel minden ok? A hozzászólás módosítva: Ápr 23, 2017
Költői kérdés a TDA1543 az sima vagy A -as ?
Van mind a 2 de én a simával próbáltam, mert az A jelű japán kódolás és nekem biztos nem az jön ki, mert mint írtam az 5102-vel működött.
Nem a 1543-asból árultak sok hamisat anno?
Hétvégén kipróbáltam valami "újat", egy szintén PCM1794 DAC-os ismerős javaslatára: passzív I/V konverter opa helyett. Egyszerű mint a bot, egy 100Ohm-os ellenállást tettem be... És hát, van különbség, jó értelemben. Sokkal levegősebb, könnyedebb, erőlködés mentesebb lett az egész. Eddig is jó volt, de most még jobb lett....
Mindenkinek csak ajánlani tudom aki áramkimenetes DAC-al próbálkozik! A hozzászólás módosítva: Jún 7, 2017
Sziasztok!
Teljesen tanácstalan vagyok. Készítettem egy Bluetooth DAC-ot. CSRA64215 a BT és PCM5102 a DAC. Ha a saját DAC-ját használom a BT-nek, akkor az zajos, ha ugyan azon a tápon van az erősítő is. Először azzal próbálkoztam, hogy a DAC digitális körét a BT izolált tápjáról (B0505S) hajtom meg, de sajnos a PCM5102 földek össze vannak kötve az IC-n belül, így az izolálás nem sikerült és jelentkezett így is a zaj. Azután arra jutottam, hogy az I2S-t is izolálom. Egy Si8661BC -vel meg is történt, de a zaj továbbra is megjelenik. Teljesen tanácstalan vagyok. A legjobb eredmény eddig, ha a BT saját dac-ját és egy differential erősítőt használok ( pl tpa3116 ) és a BT -t izolált tápról hajtom meg. Van valakinek ilyesmivel tapasztalata?
Akkor a "trafós" milyen állat lehet
Erről nem tudok nyilatkozni. Egyébként miért lenne jobb? (technikailag indokolva)
Nem tudom. Aki használ ilyet majd megmondja
Talátam egy érdekes cikket: Bővebben: Link
Az alábbi hátrányokat említi ellenállásos I-V kapcsán: "This approach works fine but has some drawbacks: the shunt resistor worsens the impedance mismatch further and it takes energy away, therefore some of the dynamics are irreversibly lost and all subsequent stage are lacking the drive." Ezt esetleg meg tudja magyarázni nekem valaki, hogy mit jelent esetünkben a jel integritás és az impedancia probléma??? Az én tapasztalatom most hogy hosszabb ideje hallgatom így: habár tényleg könnyedebb, levegösebb lett a hangzás, elveszett egyfajta testesség, markánsság, illetve szubjektív a mélyhangok terjedelme is csökkent. A mikrodinamika, részletek, tér megvannak, de mégis valahogy erötlen lett az egész. Szóval folyt. köv... A hozzászólás módosítva: Jún 28, 2017
Valószínüleg a DAC belsö topológiája adja meg a választ. Az esetemben alkalmazott 100 Ohm feltehetöen nagyon magas érték, hátrányosan beleszólva a DAC "ellenállás létrájába".
Egy kis olvasnivaló csak most csak Nektek!
Örömteli tulajdonosa lettem egy digitális oszcilloszkópnak, úgyhogy nemsokára be tudom fejezni a sönt szabályozó finomhangolását...
A hozzászólás módosítva: Júl 7, 2017
Nos, a sönt építése befejezve. Csatolva a majdnem végleges doksi.
A kimeneti impedancia mérését szeretném még szimulálni valahogy. Ötletek?
Üdv mindenkinek. Szeretnélek megkérdezni benneteket, hogy a Cs8416-os vevőnél van-e olyan lehetőség, hogy a 32-44-48kHz frekvenciákat ledekkel monitorozzam? Mert a Cs8412-vel meg lehet csinálni, a kettes és hármas lábakkal. Valami ötlet?
Szia.
Nagyon szépen összefoglaltad a tapasztalatokat és infókat. Valószínűleg mindenki nevében mondhatom, hogy köszi ![]() Kimeneti impedanciát hogyan mérünk? Adott terhelésváltozásra (I) kapott feszültségváltozás (U). A kettő hányadosa a kimeneti impedancia. Szimuláció (program) esetén impedancia mérőt kell a kimenetre kötni és úgy mérni. A hozzászólás módosítva: Aug 29, 2017
Sziasztok!
Van valakinek tapasztalata CS8416-al, nekem hardware módban nem sikerült beüzemelnem. Két panellel is próbálkoztam, de semmi. Nem volt tapasztalatom spdif-el, azt gondoltam valamit elrontok, de a CS8412 is működik és szereztem be WM8805-öt, azzal is megy, mivel csak 3.3V-os optikai vevőm van így végre ki tudtam próbálni optikával a WM8805-öst, mert a CS8412-nek 5V-os kellett volna. Egyetlen ötletem maradt, hogy majd próbálkozok software módban. Üdv
Ha leírod, hogyan kötötted a lábait, lehet többet tudunk.
Az egyéb körítéseket is leírhatnád, lehet abban van a hiba.
Sikerült összehozni a sönt kimeneti impedancia szimulált mérését. Gyakorlatilag 0, kivéve egy szép "huplit", mely nagysága és elhelyezkedése függ pl. a kimenö kondi nagyságától (ld. melléklet). Ez teljesen normális jelenség, vagy lehet segíteni még valahogy rajta?
(valami durva rezonanciának tünik adott pontokon) A hozzászólás módosítva: Szept 11, 2017
Jó lenne látni a kapcsolásodat is, mert a kimenetre kapcsolt kondenzátor (puffer) az 1-200Hz tartományban is kellene, hogy megemelje a kimeneti impedanciát:
Xc=1/(2*pi*f*C)
Benne van a pdf doksiban, de csatolom ha nem találnád...
Persze lehetne többé-kevésbé valósághü spice kondimodelleket is gyártani, de elsö sorban nem a túlbonyolítás a célom, csak szeretném a jelenséget megérteni. Nem világos hogy miért van egy konkrét rezonanciacsúcs... A C3 kondiról van szó, ideálisként van modellezve. De ha beteszek mondjuk 10mA ESR-t akkor sem változik sokat... A hozzászólás módosítva: Szept 13, 2017
A végleges végleges doksi, ajánlom a keretezett felhívást!
A hozzászólás módosítva: Szept 15, 2017
Lehet, hogy ebben a témában OFF, de mivel nem követtem az áramkör létrejöttének folyamatát, érdekelne, hogy miért nem volt megfelelő a 431-es valamelyik változata. Azt gondolom, hogy azzal egyszerűbb, pontosabb lett volna a tápegység. Mondjuk a különböző gyártmányok eltérő kompenzálást kívánnak, de általában pontosan dokumentált.
Mire gondolsz 431 alatt? A tranyókat (BCP52/55) az eredeti kapcsolásból vettem, a j-fet-et (BF545) valaki ajánlására.
A hozzászólás módosítva: Szept 16, 2017
És mérés közben hogyan néz ki?
Egy szimulációs kép volna az ami sokat segít ezt már feltöltötted. Igaz pongyolán fogalmaztam én is. Szerk.: pl TL431-re mint ref fesz. A hozzászólás módosítva: Szept 17, 2017
|
Bejelentkezés
Hirdetés |







Mindenkinek csak ajánlani tudom aki áramkimenetes DAC-al próbálkozik!









