Fórum témák
» Több friss téma |
- Ez a felület kizárólag, az elektronikában kezdők kérdéseinek van fenntartva és nem elfelejtve, hogy hobbielektronika a fórumunk!
- Ami tehát azt jelenti, hogy a nagymama bevásárlását nem itt beszéljük meg, ill. ez nem üzenőfal! - Kerülendő az olyan kérdés, amit egy másik meglévő (több mint 17000 van), témában kellene kitárgyalni! - És végül büntetés terhe mellett kerülendő az MSN és egyéb szleng, a magyar helyesírás mellőzése, beleértve a mondateleji nagybetűket is!
Hiába írtam korábban, hogy a LED hűtőbordájának rögzítése így nem jó...
Ennek van egy 1600W-os verziója is. Az a Hold sötét oldalát is megvilágítja
Sziasztok!
Csináltam egy szabályozott tápot aminek a kimenetére raktam egy 1000µF-os kondit. Bekapcsoláskor olyan nagy áram indul meg a kondi miatt, hogy kilőtte már a második fesszabályzót, mire rájöttem hogy valószínű ez lesz a baj. A kérdésem az, hogy hogy tudnám korlátozni ezt a nagy áramerősséget ami bekapcsoláskor megindul? Előre is köszi a segítséget!
Kondenzátor nélkül nem jó? A tápegységek kimenetén, hacsak az adatlap ettől másként nem rendelkezik, a kondenzátor általában káros hatású. Pl. áramkorlátos üzemmódban amíg a kondenzátor ki nem sül adott mértékig, a korlát mintha ott sem lenne.
Milyen tápegységről van szó egyáltalán?
Egy stabil 24V-ot szeretnék előállítani. Az áramerősség 600-700mA körül lesz. Egy 47VA -s trafóval csináltam. Egyenirányítás után egy 330nF utána az L7824, a kimenetén egy 100nF és pluszba még ide raktam egy 1000µF-ost. Szerintem elmenne nélküle is, gondolom nem lenne nagyon hullámzó az egyenáram de szeretném ha minél egyenletesebb lenne.
Sziasztok! Kaptam egy kiselejtezett elektromos autósülést. Ezt szeretném forgószéknek megcsinálni magamnak. 8 motort tartalmaz, így 8 funkciós. Ezt a 8 motort szeretném polaritásváltással üzemeltetni. Kezelőszerve megvan, ez pont 16 mikrogombos. Kérdésem hogy elég lenne nekem 8 relé, és úgy megoldani a polaritásváltást, vagy használjak 16 relét, mert talán azt egyszerűbben megtudnám oldani a vezérlést a nyomogombokkal. Köszönöm a tippeket!
7824 elé kéne az 1000µF (lehet 2200µF is) + 100nF. Utána elég egy 100µF + 100nF.
A kondenzátort az egyenirányítás után, 7824 elé. A 7824 lábaihoz közel a bemenetre 330 nF, a kimenetre 100 nf. A kimeneten 4.7 - 10 µF -nál lehetőleg ne legyen több, ezek az IC-k nem bírják a nagy kapacitív terhelést, legfőképpen kikapcsoláskor.
A polaritásváltáshoz elég egy kétáramkörös (DPDT) kapcsoló, részletek itt: Bővebben: Link.
Értem, köszi átalakítom.
Teaway: köszi, a 2200-at egy kicsit sokallom. Általában én az áramerősség függvényében méretezem a pufferkondikat. (1A = 1000uF)
Ezekből indultam ki én is, de mindenképpen megakarom tartani a gyári vezérlőpanelját. Ez az ülés oldalában van, dizájnosan beillesztve.
Akkor nem értem, mi a kérdés. Azt írtad, hogy nyolc vagy 16 relével meg tudod oldani a vezérlést.
Újra átgondolva így már értem mire gondoltál. Így ezzel a fordítókapcsolóval elég nekem a 8 motorhoz a 8 gomb 8 relével. De megmondom őszintén nagyon örülnék neki ha egy motort két nyomógombbal tudnám vezérelni, és ez mind a 8 motorra, és 16 gombra működne.
Mekkora feszültség, és mekkora áram kell ezeknek a motoroknak? 12V?
Az eredeti helyén hogy volt megoldva? Gyanítom, hogy polaritásváltós dupla relékkel, hasonlóan az ablakemelők vezérléséhez. Nem tudnád lemásolni azt a kapcsolást? Pl. ilyen dupla reléket használhatnál:
Ezt nézted már?
Ha a nyomógombod nem váltókapcsolós, akkor 16 relé biztos eredményt hoz ezen kapcsolás segítségével.
Nem dehogy!
Az elektronika alatt hővezető paszta foglal helyet, mert az alja teljesen alumínium. 4db 3-as csavar rögzíti a bordára. Nincs meghajolva a panel, és a műanyag ragasztó csak azért van rajta mert felületszerelt a panel és ezeken a pontokon a leggyengébb.
Sziasztok!
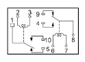
Adott a képeken látható két logikai szintillesztő. Az a kérdésem, hogy mindkettő ugyanazt tudja? Ha nem, mi is a különbség? Köszi!
Mi lehet annak a fajta potméternek a neve aminek van közép állása tehát olyan mint amivel a hang keverőkön állitják a jobb bal oldalt. A lényeg az lenne, hogy fizikálisan érezhető legyen, hogy most a közepén vagyunk. Lineáris legyen ami még fontos. Esetleg ha nem ide való átrakom máshova. Köszönöm.
Sziasztok!
Meghibásodott elektronikai eszközben látszólag egy kondenzátor füstölt el. Van Budapesten olyan hely, ahol bevizsgáltatható, hogy gyári hibás volt, vagy zárlat esetleg túlfeszültség miatt romlott el? Üdv, Attila
Sziasztok!
Van egy Kymco robogóm, aminek rengeteget csal a km órája. Tekintve, hogy ABS-es így a kerék jeladója felől nem kellene piszkálni a dolgot, de arra gondoltam, hogy a műszeregység felé vezető jelet lehetne módosítani. Van esetleg valakinek ötlete erre?
Magyarul "középen bekattanó potenciométer", angolul "centre detent potentiometer", vagy "centre click potentiometer".
Hali!
Elsődlegesen a gyártó márkaszervize tud ilyet kiállítani. Milyen célból kell? Biztosító? Másodlagosan akitől elfogadja a biztosító pl az adott készülékkel foglalkozó szakszervíz.Mert ugye nem mindegy ez egy mp3 lejátszó, vagy egy mosógép, netán egy űrhajó....
A bekattanós potenciométerek alaphelyzete "bekattant" állapotban van. Hangszínszabályzó, ballansz.
Lehet, hHOGY rossz méretű gumi van rajta?
A hozzászólás módosítva: Feb 12, 2019
Moderátor által szerkesztve
Mivel nem került meghatározásra a "rengeteg" fogalma, akár az is lehet.
Ámbár ha 5..10 a "rengeteg", akkor elég furán nézhet ki a jármű.
Szia, A fogpiszkálónál jobb egy sokeres rézhuzal beitatva fluxal, ha már nincsen harisnya.
Ebből a renszerből van kettő a műszerész-asztalom felett, mert már nehezen látok! A hűtésére viszont figyelj, mert ezek a LED-modulok nagyon érzékenyek a hőre. Talán 36V /100W, már nem emlékszem pontosan, de az egész utcát bevilágítja az ablakon keresztül.
Sziasztok! Adott egy 72w/24v sun7 mű körmös led lámpa. Folyamatos világítás helyett ő csak villog az időzítős gombokon de ha a "99+s" tehát végtelenre nyomok ott megy 50 másodpercig, majd ott is el kezd villogni. Nagyon hálás lennék ha tudna valaki segíteni. Köszönöm!
|
Bejelentkezés
Hirdetés |
















