Fórum témák
» Több friss téma |
Fórum » Subwoofer szűrő
Aranyos vagy köszönöm szépen. Valóban az éteren keresztül a lehetetlen kategóriába tartozik a javítás de nem is vártam el!!! Igazából arra lettem volna kiváncsi hátha valaki már tapasztalt ilyen hibajelenséget vagy esetleg összefüggést talál a leírtak alapján ami okozhatja a hibát. Teljes laikusként amit én láttam a szétszedésnél: kondik éppek nincsennek felpúposodva. A panelon a forrasztások éppek nincsennek elszineződve. Kábelek sehol nem lógnak. Az elkóra is válaszolnék ha tudnám miaz! Esetleg elektrolit kondenzátor? Szakmai részről nálam nem beszélhetünk mert ennyit értek hozzá amit leírtam.
50km nálam nem távolság ha esetleg ilyen távon belül lenne egy korrekt, hozzáértő szakember! Mindenesetre holnap már megy szervízbe. Azért köszönöm szépen.
Szia, nincs rajta olyan opció,hogy nem automatában használod amikor (jelet kap) hanem manuálba az erősítőt. Azaz bekapcsolod, akkor is elmegy standby-ba?
A hozzászólás módosítva: Nov 25, 2021
Van egy működő subwoofer erősítőm, amelynek a kimenete elvileg 18 wattos, de!
Amikor a kazettás magnómra kötöm (AKAI CSM-01), akkor bömböl, mint az állat. Ha azonban a TV-hez dugom (valami Samsung LCD 32" /81 cm/), vagy a TV-hez becsatolt beltéri digitális dobozhoz (box), akkor bizony elég gyengéden szól. Én ezeddig úgy tudtam - szinte minden külső erősítőre való kimenetnek (vonalkimenet) szabványos kimenő jele van, azaz - világ-szabvány! Ha még jól emlékszem az értékére - 0,775V eff.
Szia.
Köszi az érdeklődést de már szervízben van. Tudom éteren kersztül gyógyitani nem lehet de még támpontott se kaptam! Persze nem baj, csak számomra egy kicsit meglepő. Válaszolva a kérdésedre, igen. A tévét, az asztali gépet de még a média boxot is úgy használja a többség, hogy áram alatt van és ha szükség van rá akkor küldönk neki egy "jelet" a távirányító segítségével, hogy használatba tudjuk venni. Az asztali gépnél meg, meg kell nyomni azt a nagy "piros" gombot. Itt a piros gomb lenyomása szükséges, hogy tudja küldeni a "jelet" és láss csodát a különálló monitór is bekapcsolódik ami eddig csak készenléti üzembe volt (standby). A házimozi erősítő és a subwoofer közti kommunikációt úgy kéne elképzelni mint egy asztali számítógépet. Az asztaligép az erősítő, a monitor meg a mélyláda. Szóval, de van olyan opció is rájta de ugye nem úgy használja a sima user. (Amúgy ugyan úgy csinálja). Amolyan kényelmi funkció az egész. De van már olyan is, hogy csak egy példát mondjak, a média box bekapcsolásánál egyidejüleg az okos tévé is bekapcsól és a megfelelő forrásra áll. Nekem sajnos az jön le, hogy itt a házimozihoz mint rendszerhez nem értenek szinte semmit! Mindenesetre köszönöm szépen az érdeklődésed.
Idézet: „Én ezeddig úgy tudtam - szinte minden külső erősítőre való kimenetnek (vonalkimenet) szabványos kimenő jele van, azaz - világ-szabvány! Ha még jól emlékszem az értékére - 0,775V eff.” Szerinted betartják ezt a szabványt?? Elmondom ! Nem! Egyébként a hangerő szabályzás miatt ezt elég nehéz is lenne betartani. Olyan eszközökön ahol nincs hangerő gomb, ott nagyjából elvárható ez a jelszint, persze ha a felvétel is olyan... Szóval nem egyszerű....
Szerintem a szabvány DIN kimenetnek valami ellenállásos osztóval már előre beállított kimenőjelszint-értéke kellene legyen. Függetlenül a berendezés mindenféle más hangerő és egyéb szabályozóitól.
Nekem az AKAI magnódecken miért tud szabványos lenni a jel, miközben a majdnem modern beltéri egységeknél, vagy magánál a TV-nél már nem igazán. A kimenő jel (vonalkimenet) régen mindig független volt bármiféle hangerő-szabályozástól. A fülhallgatók kimenete is csaknem ezekhez hasonló, igaz ott már nagyobb maga a jel. De ott többnyire meg van adva hozzá a kimenetet terhelő impedancia értéke, általában 16 vagy 32 ohm.
Látom nem értettél meg!(nem baj)
Nem érted a két készülékcsoport közti alapvető különbséget!! De elhiheted ez így jó, ahogy most van. Ha neked így érthetőbb: a TV-n, és "set top box"-on NINCS vonalszintű kimenet, csak egy hang kimenet. Részemről a téma lezárva.
Sziasztok,
Az itt fórumozók számára biztos egyszerű lesz a kérdésem, ha tudtok, légyszíves segítsetek. Van egy házilag készített kb. 100 liter űrtartalmú hangfalam, benne egy SAL SBX 2530-as mélysugárzóval, simán bekötve, mindenféle szűrő, stb. elektronika nélkül (kb. 20 éve készítettem, minden ismeret (és internet) nélkül). Számítógép hangkártya adta a jelet, és egy 70-es években gyártott SABA erősítővel szólaltattam meg. Volt mellette két másik hangfal (másik erősítőn), ezt pedig ilyen mélynyomónak szántam melléjük. Nem volt rossz a hangzása, de nem is volt igazán szép, telített basszus - mondjuk ezen így utólag már nem csodálkozom, ahogy azóta látom, hogy mi minden elektronika kellene hozzá... Akkor úgy tudtam, hogy csak a doboz, meg a reflexnyílás méretét kell pontosan a hangszóróhoz méretezni. Most gondoltam egyet - ahogy más kapcsán olvasgattam a témában - hogy ha már itt van, kezdek vele valamit. Arra gondoltam, hogy legalább egy tekercset tenni kellene bele, ami megakadályozza, hogy a magasabb hangokkal is kínlódjon, magyarul jó lenne, ha csak a mély tartományt kapná. Mélynyomóknál ez olyan 120-150 Hz maximum, ha jól figyeltem. Nem merek arra vállalkozni, hogy magam készítsek ilyen tekercset, de még csak azt sem sikerült kiderítenem, hogy ahhoz, hogy ez a hangszóró (paraméterek csatolva láthatóak) csak a mondjuk 120 Hz alatti tartományt kapja, milyen paraméterű tekercset kellene vennem. Amúgy arra számítok, remélem okkal, hogy ha egy ilyen beépítésre kerül, nagyságrendekkel jobban fog szólni a hangfal. Na, kb. ez lenne a cél, nyilván nem a tökéletesség, csak a mostaninál eggyel magasabb szint, minimális költségvetéssel. Ha valaki tud segíteni, előre is köszönöm! De a túlzott szakmai dolgoktól kíméljetek, mert nincs kapacitásom mélyen beleásni magam a témába sajnos.
Lehet kapni készen passzív szub szűrőt, általában autóhifivel foglalkozó helyeken.
Egyébként ez már hangváltó téma! Idézet: „ha egy ilyen beépítésre kerül, nagyságrendekkel jobban fog szólni a hangfal.” Nem! De próbáld ki!
Értem én, annyira hülye még nem vagyok!
De miért nem szabványos jel jön ki ezeknek a hangkimenetén? Mint a többi normális hangrendszeri eszközön. Vagy manapság már annyira tesznek a szabványokra? (DIN, ASA, ISO. stb.) Régen az összes lemezjátszó, magnó, rádió, videó-magnó vagy éppen erősítő mind a DIN (ASA) szabványban előírt 0,775mV jelszinteket adta ki, amely persze független volt a készüléken használt mindenkori aktuális hangerőtől. Még a videó-magnóknak is szabványosak voltak a kimenőjelei - mind audió /0,775mV/, mind a videó-jel /1V/.
"csak egy hang kimenet".
Ha azt vesszük, gyakorlatilag a fülhallgató kimenet is kimenet! Viszont az valójában már egy erősített jel, tehát másutt (például a magnó-felvételnél) erősen torzíthat. A régi videó-magnóknál még a SCART (vagy az RCA) csatlakozókon kijövő hangjelek is mind mind szabvány-értékek voltak.
Mi a vonal szint?
A fülhallgató kimenet az éppenséggel nem az!
Sziasztok!
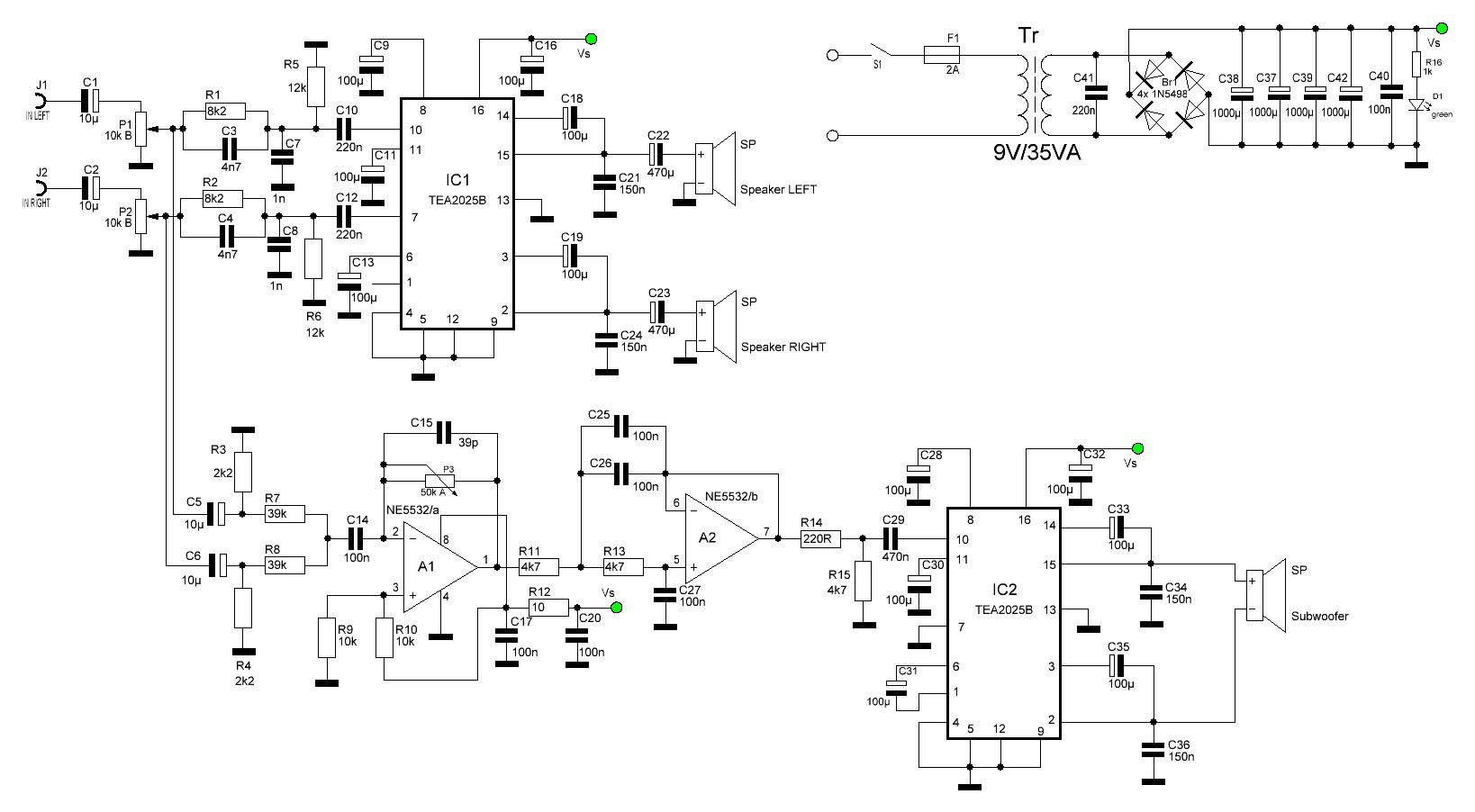
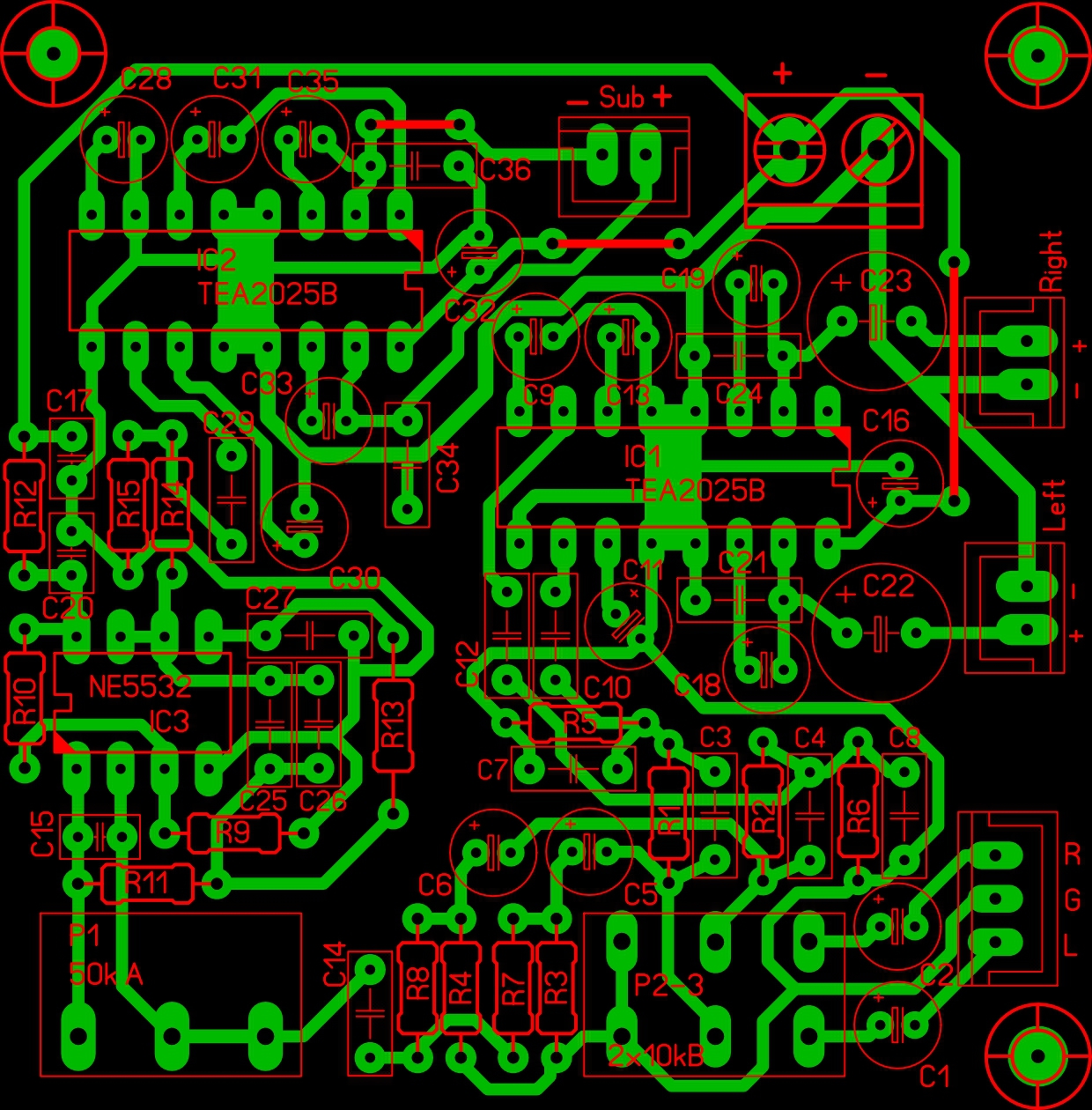
Átjöttem a 2.1-es hangrendszer és erősítő topicból, mert úgy néz ki, hogy a subwoofer szűrőnek lesz baja. Az eredeti írásom: Idézet: „Találtam a fiók mélyén 2db TEA2025b IC-t. Gondoltam készítek belőle egy 2.1-es rendszert a PC-hez. Összeollóztam a neten ezzel az IC-vel kapcsolatban fellelhető kapcsolási rajzokból egy rajzot. Terveztem hozzá PCB-t is. A tápot egy 9V/35VA szolgáltatja. A problémám az, hogy a mély sugárzó nem ad ki hangot, hanem iszonyatosan búg. A subwoofer filter potit tekergetve hol erősödik, hol elhalkul a búgás, de hallható. A "magas" oldal az viszont jól szól.” Annyit sikerült kizárnom, hogy a hídba kapcsolt IC lenne a zúgás forrása, mert Suba53 tanácsát követve kipróbáltam a szűrő nélkül és úgy jól szól, minimális búgással. A szűrő bkercso rajza alapján készült. Mit ronthattam el? A hozzászólás módosítva: Feb 18, 2022
Mi a kócnak ebbe ennyi csatoló kondi? Ki volt ez az ááállat...
C5,C6,C14 helyére rövidzár. R3, R4 kivesz, eldob. Ezen felül hibás a rajz, és így a nyákod is, ez a hiba fellelős a búgásért : Az A1 visszacsatolása, ami az R10-el kezdődne, az nem a pozitív tápra megy, hanem az OPA kimenetére.. Érdekes, hogy ezt "amott" nem vették észre... A hozzászólás módosítva: Feb 18, 2022
R10/R9 nem visszacsatolás, hanem feszültségreferencia az egyszeres tápláláshoz. C14 épp ezért marad.
Csak meg kéne szkóppal is nézned. Lehet hogy szűrő helyett egy klassz kis alacsony frekvenciás oszcillátort sikerült építened, és annak a hangja csatolódik be az erősítő fokozatokba.
Pillants az R9/R10 osztóra! Hidegítés nélkül ott megy be a táphullámosság fele, amin 51 (!) dB-t erősít a TEA.
Jogos. Én az ilyen féltápfesz beállító osztókat mindig hidegítem.
Nem ártana egy 10-100µF elkó az R9-el párhuzamosan.
Próbáld meg azt, hogy működés közben az A1 3-as lába és a föld közé érints egy 100µF elkot.
A 3-as láb a pozitív értelem szerűen. Változik-e a búgás intenzitása? Ha jelentősen csökken, akkor be is forraszthatod. Mekkora a tápfeszültséged? A trafód 35VA, vagyis még maximális hangerőn sincs névlegesen leterhelve. A TEA IC abszolút maximális tápfesze 15V. Én kicserélném az R12-t 100ohmra, a C17-et 100µF-ra, és tennék egy 12V-os zenert a C17-el párhuzamosan. Ez csak akkor jó igazán, ha a pufferelt táp hullámosságának a legalja is 13V körül van, de ezt is csak szkóppal tudnád megnézni. A nyák rajzon fel van cserélve a C17, és C20 ! A hozzászólás módosítva: Feb 18, 2022
Kipróbálom. És azt is amit db_Thunder javasolt.
A trafó 9V-os, terhelés nélkül 13V-ot mérek a puffer kondik után. Szkóp használatban nicns nagy gyakorlatom, szóval azt nem igazán tudom, hogy hogyan tudom megnézni. Egyébként egy TV-Minisscope-3-am van. A nyák rajzon javítom, köszi az észrevételt.
Én legelsőre a C14-et venném ki. Utána a két ellenállás (R7-R8) egyetlen pontra közösítve, s úgy megy bele az IC A1-be. Továbbá - a C20 sem kell, hiszen a tápjában a C37, C38, C39, C42 és C40-nel már alaposan "szűrőzted" a kimenetet.
Ráadásul az IC A2-es jelzésű fele eléggé értelmetlen és zavaros. Minek oda a C25 és C26 100nf-os kondi, ha elmenne ott 1 darab 220nF-dal is? Az IC 6-os 7-es lába meg csak így simán vissza van kötve? Mi az egyáltalán? Valami visszacsatolás?
Hello! Nem kellene először alaposan megnézni a kapcsolást? Mert így még nagyon reggel van ahogy látom..
A zavaros részt Sallen-Key filternek hívják.
Vannak olyan elemei egy kapcsolásnak, ahol a számított alkatrész értékek pontos betartása kiemelten fontos. A szűrők jellemzően ilyenek. Ezért a precíz szűrő karakterisztika tartásához ez fontos.
Nem véletlen, hogy ilyenkor gyakran 1%-os, de sokszor még pontosabb tűrésű alkatrészeket írnak elő. ( Ha 200nF van megadva, akkor ott a 2x100nF a korrekt, nem a 220nF ) Gyártanak egyébként katonai, meg precíz hírközlési berendezések számára például úgy kondenzátorokat, amiket gyárilag mérnek be a megadott értékre, sokszor úgy hogy két kondit kötnek párhuzamosan egy tokozásba. A Remix is gyártott így a hőskorában. A mellékelt képen a henger alakú Remix kondik például 2 független kondiból vannak összerakva. A nagy henger belsejében van egy kisebb kondi.
Ez pontosan úgy van ahogyan mondod. Lásd mellékelt példa.
A2 kimenetére (7) kell egy leválasztó kondi. Féltáp vs. test.
Valóban! Hiszen ez egy összegző erősítő, visszacsatolása a poti.
Emiatt a C14 is marad de én oda nagyobb értékűt tennék! Nem voltam beszámítható már péntek délelőtt!!
Kipróbáltam.
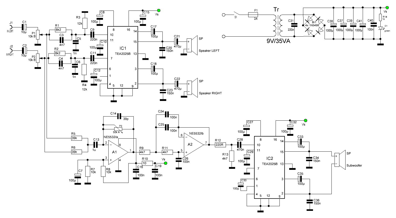
Köszönöm mindenkinek a segítséget. Suba53 javaslata teljes mértékben megszüntette a zúgást. ![]() Nem is értem az eredeti rajzon miért nem szerepel ez a 100µF-os hidegítő kondi. db_Thunder javaslatára kivettem a felesleges elkókat és ellenállásokat, illetve megnöveltem a szűrő elején lévő bemeneti kondi értékét 100n-ról 1u-ra. Mellékelem a javított rajzot. (Újrasorszámoztam az alkatrészeket.) Most már jöhet a dobozolás! A hozzászólás módosítva: Feb 21, 2022
Idézet: „megnöveltem a szűrő elején lévő bemeneti kondi értékét 100n-ról 1u-ra.” Az a rész csak összegző, még nem szűr! Mehetne oda akár elkó is, akár 10uF.. Ha ez a kondi értéke alacsony, csillapítva fognak átmenni a nagyon mély hangok, valamikor ez kívánalom is. Ezt tesztelheted is, ha van kedved! Szerintem az R13 és az R12 sem szükséges, illetve a R1,C3,C5 triumvirátust sem teljesen értem (a másik csatorna R2,C4,C6)! R1,C3, csinál egy magas kiemelést, amit meg "elrontunk" egy C5-tel, hogy ne legyen rádió vevő, tehát ez utóbbi kell. Ha majd nagyon cincog a magas, akkor annak ez lesz az oka! C5, C6 értékét én kicsit sokallom, lehet hogy fele, harmada is elég lenne oda, épp hogy ne szóljon rajta a Kossuth rádió! A hozzászólás módosítva: Feb 21, 2022
|
Bejelentkezés
Hirdetés |


















