Fórum témák
» Több friss téma |
Fórum » Hangsugárzó építés, javítás - miértek, hogyanok
Témaindító: csonthulye, idő: Dec 10, 2005
Témakörök:
Többhelyről is rendeltem ilyet, használhatók voltak.
Hasonló, de amit látok, más értékű kondik vannak benne.
Kirajzoltam a kapcsolást, remélem jól sikerült. A két kapcsoló az mit fog eredményezni? 3db-t kiemel a közép és a magas tartományban, ha +3db-re van állítva?
Na el is rontottam, a közép sugárzónál helyesen így néz ki:
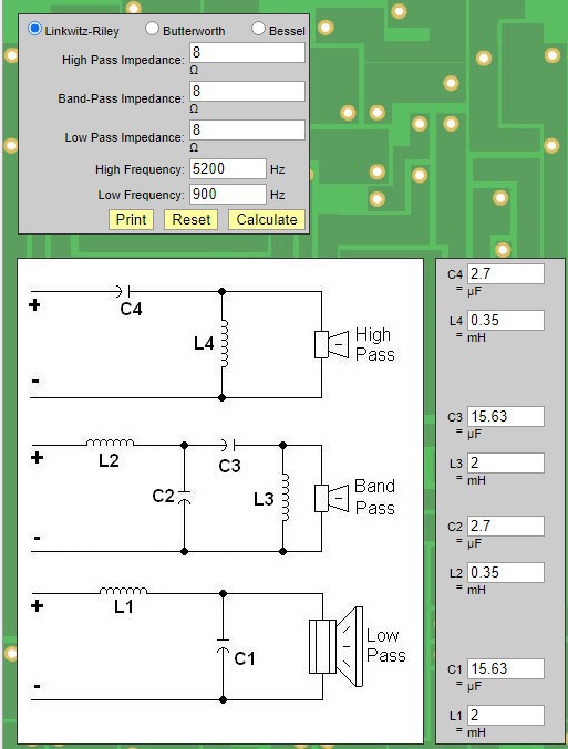
Ha bármelyik netes hangváltó kalkulátorral kiszámoltatjuk azokkal a kondenzátorokkal...máris kiderül, hogy az a hangváltó egy nagy rakás...ká-osz!
Csak a magas részt csatolom...a 2,7µF az ok is lenne 8 ohmhoz, de ha párhuzamosan kapcsoljuk a másik kondit, akkor a freki "lemászik" 5200Hz-ről kb. 3300Hz-re, viszont az induktivitás is változtani kéne, ami meg fix...vagyis ez a KÁOSZ, nem is sejtem mi lesz az eredmény. A mélysugárzóhoz meg kevés a kondik kapacitása, ha 900Hz a keresztezési frekije a mélynek.
Ezt a programot ismered esetleg?
VituixCAD Köszi, hogy megnézted! Idézet: „Ez akkor lenne így, ha a hangváltó 4ohm-hoz lenne tervezve, nem? 8ohm-os a hangváltó, amin van 8ohm mély, 8ohm közép, 4ohm magas. Ebbe raktam be sorba egy 4ohm ellenállást a magassal.” Mi a kérdés?
Az volt a tényállás, hogy 8ohm mély, nyolc ohm közép, 4 ohm magas
8 ohm hangváltó. Beraktam egy 4ohm 25w-os ellenállást a magas elé, mire azt kaptam, hogy elrontottam az impedanciát, mert nem így kell halkítani, hanem Lpad megoldással. De ez akkor lenne probléma, ha az impedancia 8 ohm lenne és úgy tenném be a 4 ohm-os ellenállást, akkor kellene a párhuzamos tag is, hogy vissza álljon az eredeti impedancia, nem? Talán most esett le, hogy ez az egész tekrcs kondi soros párhuzamos pakolgatásnak az a lényege, hogy a sorosan berakott frekvencia módosítások által elrontott impedanciát visszaállítsák az eredeti értékre?
Meg lehet nagyjából saccolni, hogy mekkorák lehetnek ezek a vasmagos induktivitások?
Legalább nagyságrendileg?
Saccolásnak nincs sok értelme...
A kondik értéke adott, ha adott a freki is akkor abból visszaszámolható az induktivitás. Vagy berajzolod szimulátorba és látsz mindent. Az induktivitást mérni nem olyan egyszerű, na meg az sem mindegy milyen frekin akarod mérni, mert nem ugyanaz lesz a végeredmény.
Talán a hangváltókat mégsem itt kéne tárgyalnunk, ha van saját fóruma: Bővebben: Link
HE fórum csak egy van, de abban többféle topic is létezhet.
Egyikből sem kellene sokat nyitni teljesen feleslegesen...
"Téma"...azt is írhattam volna!: Bővebben: Link
Valaki esetleg használta már ezt a tervező programot?
VituixCAD
Szóval senki nem használta még a fenti programot!
Nekem le van választva egy 9l-es rész a közép és magas ebben van, a mély pedig egy 72l-es részben. A program szerintem ezt nem tudja kezelni, legalább is én nem látok ilyen opciót. Jó megoldás a hangváltó szimulálására, ha a 72l-el megcsinálom a mélyet, annak az eredményét lefixálom, és a közepet, és a magasat pedig a 9l-el szimulálom le? Vagy ez elvi hibás megoldás?
Ez a hangszóró 72l-hez jobb lenne, mint a HA31?Bővebben: Link
Szimuláció hiányában nem mondom meg, hogy mennyire illeszkedik a 72 literbe!(Nem értem, hogy miért bonyolult begépelni ezt a pár paraméter egy szimulátorba?!? Én itt a cégnél nem fogom... )
De jobb paraméterei vannak mint a HA-nak a reflex üzemhez! A hozzászólás módosítva: Szept 2, 2022
Ez a tudja, de nem érti szituáció.
Nem értem, hogy ezen mit nem lehet érteni!?
![]() Nem azt szeretném, hogy valaki írja be helyettem a szimulátorba, csak én most jutok el, nagyjából oda, hogy a leírt paraméterek alapján nagyjából talán ki tudok választani egy olyan meghajtót, amit egyáltalán érdemes beírni a szimulátorba, és tologatni a paramétereket, a meglévőnél jobb hangzás elérése érdekében! Azt én nem tudom magamtól, hogy valaki egy hangszóró paramétereire rápillantva milyen következtetéseket tud levonni, vagy mi az amit nem lehet ránézésre megsaccolni, hogy lehet jó, vagy esélytelen és nincs is értelme foglalkozni vele!? Nekem nincs ebbe rutinom, mások meglátásai után célirányosan olvasgatok, és próbálom felfogni, hogy miről szól a dolog. Melyik szimulátort használod?
De le lett már írva, hogy mely jósági tényezőkből lehet tudni, hogy az adott hangszóró miben várhatóan használható. Ha ezt nem tudod/akarod megjegyezni semmi baj, írd be a szoftverbe az adatait. Ez ennyire egyszerű, de nem vagy képes venni a fáradságot, hanem azt várod, hogy mások nézzenek meg neked minden hangszórót. Ha ennyire nem vagy képes még mindíg önállóan megoldani a problémát, miközben a szádba lett rágva, akkor vegyél gyári felszerelést, mert ez így nem fog menni.
Idézet: „Melyik szimulátort használod?” Ezt százszor megkérdezted már! Tökmindegy, csak kezdd el valamelyiket használni. A hozzászólás módosítva: Szept 2, 2022
Hali mindenkinek. Reflex rd 100 közép driverbe pillét honnan érdemes rendelni!?
Nem érted, ugye!
Megnézek egy hangszórót, nekem jónak tűnik kísérletezésre. De kíváncsi vagyok más véleményére is, mert én nem vagyok olyan magabiztos, mint egyesek, és nem vagyok biztos abban, hogy jól gondolom e! Feleslegesen meg én sem akarok foglalkozni egyikkel sem! A fórum arra való, hogy beszélgessünk a témáról, és abból legyen mit leszűrni tanulságnak, nem azért, hogy mindenki mindent magától tudjon! A QTS-en kívül van még jó pár paramétere egy hangszórónak, szóval hiába néztem meg, hogy az az adott elvárásnak megfelel, lehet, van másik ami nem! Ez olyan nagy probléma? Elkezdtem használni a szimulátort, de olyan bonyolult, annyi paraméter van, amivel kísérletezni kell, amiről azt sem tudom, hogy micsoda, mindnek utána kell olvasni, és ki tudja, hogy az egy fontos, vagy egy részlet kérdés!? "De le lett már írva, hogy mely jósági tényezőkből lehet tudni, hogy az adott hangszóró miben várhatóan használható." Honnan veszed, hogy én ezt kérdeztem??? Ezt pont megnéztem, az érzékenységét, a max kitérését stb. Aztán majd valaki írja, hogy ez szer, mert itt, vagy ott zavaros a válasz, vagy nem ér ennyit, vagy valami más nem jó! Érted ezt?
" ... mindnek utána kell olvasni, és ki tudja, hogy az egy fontos, vagy egy részlet kérdés!? ... "
Van egy bölcs mondás, miszerint: csak az fürdik aki lusta vakaródzni. A te esetedre átfordítva: csak az olvas aki meg akar tanulni valamit. Mindkettő felesleges időpocsékolás. Egy hangszórónak valóban annyi felesleges paramétere van, hogy nem érdemes foglalkozni velük. De ezt már - nagyon helyesen - te is beláttad. Már elégedett lehetsz azzal is, hogy meg tudtad mérni az érzékenységét. Nagy dolog ha van az embernek valahol hátul a kert végében egy süketszobája, mérőmikrofonja, meg ki tudja mi kell még az ilyen egyszerűbb mérésekhez (majd utána olvasok). Ezek után már nem is feltételezem, hogy a "max kitérést" úgy mérted, hogy benyomtad a membránt koppanásig és megállapítottad, hogy akkor ez ekkora. Dicséretes, hogy satöbbit is mértél, vagy legalábbis megnézted. A "satöbbi" talán még a Qts-nél is fontosabb, de a gyártók döntő hányada simán elhallgatja ezt a paramétert, vagy csak nagyon apró betűkkel írja ki az adatlap alján. Szerintem ne hallgass senkire, csak a józan eszedre. Ha pont akkora lyuk van a 72 l-es dobozodon, hogy beleillik a hangszóró - csavarozd bele, oszt kész. Meghallgatod és ha kevés a mélye akkor vágj rá valahol egy reflexnyílást. Ezt szükség esetén addig bővítsd, míg bele nem fér a lyukba egy másik hangszóró. És már meg is csináltad a passzív radiátort. Ezt más is így szokta, csak nem merik bevallani. Biztos lehetsz benne, hogy szólni fog a hangdobozod és teljesen elégedett leszel a hangjával. Fontos szempont az is, hogy amíg a famunkával elfoglalod magad, nem fárasztasz senkit a hülyeségeiddel.
A famunkával már elkészültem, azért kérdezgetek hülyeségeket!
Amúgy mekkora szobába kell neked ilyen nagy láda?
Vagy mire akarod használni (hifi/házimozi)? Tudom már késő, de én a helyedben vettem volna valami használt gyári ládát. Mire mindent összeszámolsz, nem lesz olcsóbb a DIY. Tavaly még egész emberi áron lehetett jó hangfalakat venni,ost se vészes, de azért mentek fel az árak.
Leírtam neked már a lényeget de valahogy elsiklottál felette. Mondjuk a dolgokat is sűrűn kevered, mert nekem most nem derül ki, hogy jó dobozt vagy jó hangú dobozt szeretnél építeni, mert a kettő nagyon nem ugyanaz, pont mint az erősítőknél. Mert ha utóbbit, akkor a szimulátort felejtsd el. Szimulátorral lehet jó erősítőt vagy dobozt építeni, de jó hangút azt nem lehet, hiszen nem arra való. Így ezt a szimulátor huszároktól sosem fogod megtanulni, mert ugyan náluk is a számok beszélnek, csak nem azok a számok... Mert amíg egy házilag készült Ongaku klónt el lehet adni 5,2 millióért, addig a szimulátorban készült "csodákat" tizedannyiért se, nem véletlenül... A dobozokkal pont ugyanez a helyzet. Lehet az neked mérve akármilyen jó, meg egyenes átvitelű, ha nem szól jól. És hogy egy hangszóró jól szól-e vagy sem, az semmilyen adatlapból nem derül ki, mert abból csak a műszaki adatai derülnek ki, semmi más, meg kell hallgatni. Ha bemész a zsákutcába sose találsz ki onnan, nekem 30 évembe telt hogy megtanuljak az eszem helyett a fülemre, meg egy idő után a megérzéseimre hallgatni.
Csak zene hallgatás.
Ma már én sem kezdenék bele. Kb 25-30nm, úgy gondoltam amikor elkezdtem, hogy kell a felület a jó mélyekhez, ezért lett ekkora. Tudom, hogy nem lesz olcsóbb. Valamit még megpróbálok reszelni a hangváltón, de már nem veszek bele új hangszórót.
Nem is értem miért méhészkedéssel kell megkeresnek a kenyérre valót ha ekkora üzlet van az Ongaku klónok gyártásában
Itt a tejfel, csak nyalni kell
Aztán egyszer majd nagyot nézel amikor az orvosod is az esze helyett a megérzésére fog hallgatni...
Azt kellene megértened, hogy melyik paraméter milyen értéke illetve a kombinációjuk lesz az ami neked tetszik. Addig az ilyen kijelentések nem érnek semmit. Az meg pláne nem releváns, hogy valaki mennyiért vesz meg valamilyen erősítőt, hangdobozt, kávédarálót, autót vagy erdőt. Max a sznobizmust jellemzi. |
Bejelentkezés
Hirdetés |













